Поиск подшипника
Статьи
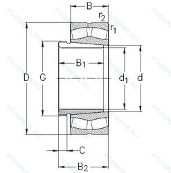
23164-K-MB-W33+AH3164 — Роликовый радиальный сферический двухрядный подшипник, модификация основного исполнения 23164, производство NKE.
Размер подшипника: 320x540x176 мм.
Канавка для смазки и три отверстия во внешнем кольце подшипника, сепаратор из латуни. центрированный по внутреннему кольцу, коническое отверстие. конусность 1/12.
Международная стандартизации ISO
23164KMBW33AH3164
В наличии
| Обозначение | Конструктивные изменения |
|---|---|
| 23164CAK C3 W33 | Внутренний зазор больше нормального. Канавка для смазки и три отверстия во внешнем кольце подшипника. Сепаратор из латуни с механической обработкой. Коническое отверстие. Конусность 1/12. |
| 23164-E1A-MB1-C3 | Внутренний зазор больше нормального. Модифицированная внутренняя конструкция. Конструкция с увеличенной грузоподьемностью. Латунный сепаратор. массивный. |
| 23164CACKC4C08W3VQ349 | Коническое отверстие. конус 1/12. Внутренний зазор подшипника больше. чем C3. Повышенная точность вращения до класса допуска ISO 5. Сферический роликоподшипник конструкции CA. но с улучшенной направляющей ролика и. следовательно. меньшим трением. Quality. Dimensions. Accuracy. Vibration Etc. |
| 23164K W33 | Канавка для смазки и три отверстия во внешнем кольце подшипника. Коническое отверстие. конус 1/12. |
| 23164CCK/C084W33 | Канавка для смазки и три отверстия во внешнем кольце подшипника. Коническое отверстие. конус 1/12. Два стальных сепаратора оконного типа. Бесфланцевое внутреннее кольцо и направляющее кольцо центрировано на внутреннем кольце. Комбинация. C08 (повышенная точность хода до класса допуска ISO 5) и C4 (внутренний зазор подшипника больше. чем C3).. |
| 23164KEJW507C08C3 | Внутренний зазор больше нормального. Коническое отверстие. конус 1/12. Повышенная точность вращения до класса допуска ISO 5. Комбинация W4 (отметка высоких и низких точек эксцентриситета на поверхности колец) и W31 (подшипник проверен в соответствии с определенными требованиями контроля качества) и W33 (смазочная канавка и три смазочных отверстия на наружном кольце подшипника).. Land-Riding Steel Cage_ One Per Row. |
| 23164KF107 | Коническое отверстие. Конусность 1/12. |
| 23164-BEA-XL-K-MB1-T52BW-C3 | Внутренний зазор больше нормального. Коническое отверстие. конус 1/12. Серия X-Life премиум-класс. увеличиный срок службы. Повышенная точность вращения до класса допуска ISO 5. 40° Угол контакта. High Capacity. All Four Corners Equal. Латунный сепаратор. массивный. |
| 23164CAME4 | Канавка для смазки и три отверстия во внешнем кольце подшипника. Плавающее направляющее кольцо. Массивный латунный сепаратор. |
| 23164W33 | Канавка для смазки и три отверстия во внешнем кольце подшипника. |
| 23164EMBW507C08 | Land-Riding One-Piece Brass Cage. Повышенная точность вращения до класса допуска ISO 5. Комбинация W4 (отметка высоких и низких точек эксцентриситета на поверхности колец) и W31 (подшипник проверен в соответствии с определенными требованиями контроля качества) и W33 (смазочная канавка и три смазочных отверстия на наружном кольце подшипника).. |
| 23164 K | Коническое отверстие. Конусность 1/12. |
| 23164RHA | With Convex Symmetric Rollers And One-Piece Machined Cage. |
| 23164R | С выпуклыми асимметричными роликами и обработанным сепаратором. |
| 23164-K-MB-W33+OH3164-H | Канавка для смазки и три отверстия во внешнем кольце подшипника. Коническое отверстие. Конусность 1/12. сепаратор из латуни. центрированный по внутреннему кольцу. Pressed Snap-Type Steel Cage. Hardened. |
| 23164YMB | Бронзовый цельный сепаратор пальцевого типа. |
| 23164 KCW33+AH3164 | Кольцевая канавка и три отверстия для смазывания в наружном кольце подшипника. Коническое внутреннее отверстие. |
| 23164 KCW33+H3164 | Кольцевая канавка и три отверстия для смазывания в наружном кольце подшипника. Коническое внутреннее отверстие. |
| 23164-K-MB+AH3164G | Коническое отверстие. Конусность 1/12. сепаратор из латуни. центрированный по внутреннему кольцу. |
| 23164-K-MB+H3164 | Коническое отверстие. Конусность 1/12. сепаратор из латуни. центрированный по внутреннему кольцу. |
| 23164-E1A-K-MB1 + H3164-HG | Класс допуска (FAG) для подшипников шпинделя (аналог P2). Коническое отверстие. Конусность 1/12. Латунный сепаратор. массивный. |
| 23164-E1A-K-MB1 + AH3164G-H | Коническое отверстие. Конусность 1/12. Pressed Snap-Type Steel Cage. Hardened. Латунный сепаратор. массивный. |
| 23164EK | Роликовый радиальный сферический двухрядный подшипник. |
| 23164E | Повышенная грузоподъемность. |
| 23164 CCK/W33 + OH 3164 H | Канавка для смазки и три отверстия во внешнем кольце подшипника. Pressed Snap-Type Steel Cage. Hardened. Отверстие для смазки. |
Модификации сферического роликового подшипника 23164-K-MB-W33+AH3164 — это измененное основное конструктивное исполнение 23164, основные размеры (320x540x176) не отличаются.
| Обозначение | Гост | Конструктивные особенности |
|---|---|---|
| TL23164CAE4 | ISO | Роликовый радиальный сферический двухрядный подшипник. |
| TL23164CAKE4 | ISO | Роликовый радиальный сферический двухрядный подшипник. |
Аналог сферического роликового подшипника 23164-K-MB-W33+AH3164 — это подшипник такого же размера dx320,Dx540,Bx176, типа и конструкции.
| Обозначение | Конструктивные особенности | Внутренний (d) | Наружный (D) | Ширина (B) |
|---|---|---|---|---|
| C3164M/C3 | Тороидальный роликовый подшипник CARB. Внутренний зазор больше нормального. Обработанный латунный сепаратор оконного типа. Центрированный ролик. | 320.00 | 540.00 | 176.00 |
| C3164KM/C3 | Тороидальный роликовый подшипник CARB. Внутренний зазор больше нормального. Type Of Model. | 320.00 | 540.00 | 176.00 |
| C3164M/C4 | Тороидальный роликовый подшипник CARB. Внутренний зазор подшипника больше. чем C3. Обработанный латунный сепаратор оконного типа. Центрированный ролик. | 320.00 | 540.00 | 176.00 |
| 566491K.C3 | Подшипник роликовый цилиндрический двухрядный. Внутренний зазор больше нормального. Коническое отверстие. конус 1/12. | 320.00 | 540.00 | 176.00 |
| 3003764-АН | Роликовый радиальный двухрядный подшипник. Детали из теплостойкой стали. Повышенная грузоподъемность. | 320.00 | 540.00 | 176.00 |
| 3053764Н | Роликовый радиальный двухрядный подшипник. Детали из теплостойкой стали. | 320.00 | 540.00 | 176.00 |
| 3153764Н | Роликовый радиальный двухрядный подшипник. Детали из теплостойкой стали. | 320.00 | 540.00 | 176.00 |
| NU 3164 ECMA | Роликовый радиальный цилиндрический однорядный подшипник. Измененная или модифицированная внутренняя конструкция при неизменных основных размерах. Однорядный цилиндрический роликовый подшипник. | 320.00 | 540.00 | 176.00 |
| NJ3164 | Роликовый радиальный однорядный подшипник. Штампованный сепаратор из стального листа. Канавка под стопорное кольцо на наружном кольце подшипника. Однорядный цилиндрический роликовый подшипник. Наружное кольцо имеет два борта. | 320.00 | 540.00 | 176.00 |
| NN3164 | Роликовый радиальный двухрядный подшипник. Канавка под стопорное кольцо на наружном кольце подшипника. Двухрядный цилиндрический роликовый подшипник. | 320.00 | 540.00 | 176.00 |
| NN3164 K | Роликовый радиальный двухрядный подшипник. Коническое внутреннее отверстие. Двухрядный цилиндрический роликовый подшипник. | 320.00 | 540.00 | 176.00 |
| NU3164 | Роликовый радиальный однорядный подшипник. Сталь сквозной закалки SUJ2 (японская) и взаимозаменяемость (только для метрических серий). Канавка под стопорное кольцо на наружном кольце подшипника. Однорядные цилиндрические роликоподшипники. Наружное кольцо подшипника имеет два борта. | 320.00 | 540.00 | 176.00 |
| NUP3164 | Роликовый радиальный однорядный подшипник. Канавка под стопорное кольцо на наружном кольце подшипника. Точность размеров примерно соответствует классу точности Р4. Однорядный цилиндрический роликовый подшипник. Наружное кольцо имеет два борта. | 320.00 | 540.00 | 176.00 |
| Z-566491.ZL-K-C5 | Роликовый радиальный подшипник. Коническое отверстие. Конусность 1/12. Внутренний зазор подшипника больше. чем С4. Цилиндрический роликовый подшипник. | 320.00 | 540.00 | 176.00 |
| 45364R | Роликовый радиальный-упорный двухрядный подшипник. С выпуклыми асимметричными роликами и обработанным сепаратором. | 320.00 | 540.00 | 176.00 |
Способы доставки
Отправка через ведущие транспортные и курьерские компании: ПЭК, Деловые Линии, СДЭК, Байкал-Сервис, Энергия, КИТ, ЖелДорЭкспедиция.
Самовывоз возможен напрямую со склада в Москве.
Сроки доставки
Срок зависит от региона и выбранной транспортной компании. Все заказы комплектуются и отправляются в кратчайшие сроки со склада в Москве.
Надёжность и сохранность
Вся продукция упаковывается с учётом требований транспортировки. Мы гарантируем, что подшипники и комплектующие прибудут к заказчику в полной сохранности.
Доставка в страны ЕАЭС
Мы работаем с проверенными логистическими партнёрами, что позволяет оперативно доставлять заказы в Беларусь, Казахстан, Армению и другие страны ЕАЭС.
Варианты оплаты:
Минимальная сумма заказа и скидки:
Документы и гарантии:
Да, конечно! Наши технические специалисты готовы помочь вам с подбором точного аналога или замены подшипника. Просто позвоните нам по телефону +7 (495) 104-99-04 или напишите на почту zakaz@podsnab.ru.
Для оперативной консультации подготовьте, пожалуйста, имеющиеся данные: маркировку, размеры, тип оборудования или артикул старого подшипника.
Да, конечно! Мы высоко ценим долгосрочное сотрудничество и доверие клиентов по всей России. Для постоянных клиентов действует персональная система скидок.
Условия формируются индивидуально и зависят от:
Чтобы узнать свои условия и получить максимально выгодное предложение, свяжитесь с персональным менеджером или напишите нам на почту zakaz@podsnab.ru.
Вы можете оформить заказ несколькими способами:
Для оформления заказа от юридического лица свяжитесь с нашим отделом по работе с корпоративными клиентами по телефону +7 (495) 104-99-04 или напишите на email zakaz@podsnab.ru, прикрепив реквизиты вашей организации.
Мы оперативно подготовим коммерческое предложение и выставим счет.
Возврат товара надлежащего качества возможен в течение 10 дней с момента получения, если товар не был в употреблении, сохранен товарный вид, упаковка не вскрывалась и присутствуют все сопроводительные документы.
Возврат денежных средств осуществляется в течение 10 рабочих дней после проверки товара складом.
В соответствии с законодательством возврату не подлежат подшипники надлежащего качества, если отсутствует оригинальная упаковка или имеются следы монтажа.
В случае выявления брака или гарантийного случая мы гарантируем возврат или обмен товара.
Да, гарантийный срок хранения устанавливается заводом-изготовителем и в среднем составляет 2 года при соблюдении условий хранения: сухое помещение, оригинальная упаковка и смазка.
Точный срок для конкретного типа подшипника уточняйте у наших менеджеров.
Пн–Пт: с 8:00 до 17:00 (МСК).
Сб–Вс: выходные дни.
Заказы на сайте принимаются круглосуточно. Заявки, поступившие после окончания рабочего дня, обрабатываются на следующий рабочий день.
Минимальная сумма заказа для доставки составляет 3000 рублей. Самовывоз со склада возможен на любую сумму при наличии товара.
ООО «УралТехГрупп»
ИНН: 7415093830
КПП: 772401001
ОГРН: 1167456069021
Банк: ПАО Сбербанк
Р/с: 40702810838000475273
К/с: 30101810400000000225
БИК: 044525225
У подшипника 23164-K-MB-W33+AH3164 пока нет отзывов. Вы можете стать первым покупателем, поделившимся своим мнением.