Поиск подшипника
Статьи
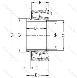
23168-K-MB-W33+AH3168 — Роликовый радиальный сферический двухрядный подшипник, модификация основного исполнения 23168, производство NKE.
Размер подшипника: 340x580x190 мм.
Канавка для смазки и три отверстия во внешнем кольце подшипника, сепаратор из латуни. центрированный по внутреннему кольцу, коническое отверстие. конусность 1/12.
Международная стандартизации ISO
23168KMBW33AH3168
В наличии
| Обозначение | Конструктивные изменения |
|---|---|
| 23168CC/C08W33 | Канавка для смазки и три отверстия во внешнем кольце подшипника. Два стальных сепаратора оконного типа. Бесфланцевое внутреннее кольцо и направляющее кольцо центрировано на внутреннем кольце. Повышенная точность вращения до класса допуска ISO 5. |
| 23168CAK W33 C3 | Внутренний зазор больше нормального. Канавка для смазки и три отверстия во внешнем кольце подшипника. Сепаратор из латуни с механической обработкой. Коническое отверстие. конус 1/12. |
| 23168-BEA-XL-MB1-T52B | Серия X-Life премиум-класс. увеличиный срок службы. 40° Угол контакта. High Capacity. All Four Corners Equal. Латунный сепаратор. массивный. |
| 23168-BEA-XL-K-MB1-T52BW-C3 | Внутренний зазор больше нормального. Коническое отверстие. конус 1/12. Серия X-Life премиум-класс. увеличиный срок службы. Повышенная точность вращения до класса допуска ISO 5. 40° Угол контакта. High Capacity. All Four Corners Equal. Латунный сепаратор. массивный. |
| 23168EM D1 | Канавка и три смазочных отверстия на наружном кольце. Стандартный фланцевый ( с резьбой и сквозным отверстием). |
| 23168C3 W33 | Внутренний зазор больше нормального. Канавка для смазки и три отверстия во внешнем кольце подшипника. |
| 23168K C3 W33 | Внутренний зазор больше нормального. Канавка для смазки и три отверстия во внешнем кольце подшипника. Коническое отверстие. конус 1/12. |
| 23168KEMBW507C08 | Коническое отверстие. конус 1/12. Land-Riding One-Piece Brass Cage. Комбинация C02 (указывает на внутреннее кольцо со сверхмалой точностью вращения (1/4 RBEC.1) и помечено. чтобы показать верхнюю и нижнюю точки эксцентриситета) + C04 (указывает на внешнее кольцо со сверхмалой точностью вращения (1/4 RBEC.1) и отмечены для отображения высокой и низкой точки эксцентриситета). Комбинация W4 (отметка высоких и низких точек эксцентриситета на поверхности колец) и W31 (подшипник проверен в соответствии с определенными требованиями контроля качества) и W33 (смазочная канавка и три смазочных отверстия на наружном кольце подшипника).. |
| 23168 K | Коническое отверстие. Конусность 1/12. |
| 23168 KW33 | Кольцевая канавка и три отверстия для смазывания в наружном кольце подшипника. Коническое внутреннее отверстие. |
| 23168W33 | Кольцевая канавка и три отверстия для смазывания в наружном кольце подшипника. |
| 23168R | С выпуклыми асимметричными роликами и обработанным сепаратором. |
| 23168RHA | With Convex Symmetric Rollers And One-Piece Machined Cage. |
| 23168-K-MB-W33+OH3168-H | Канавка для смазки и три отверстия во внешнем кольце подшипника. Коническое отверстие. Конусность 1/12. сепаратор из латуни. центрированный по внутреннему кольцу. Pressed Snap-Type Steel Cage. Hardened. |
| 23168BK | Игольчатый роликовый подшипник со штампованным наружным кольцом с закрытым торцом. |
| 23168YMB | Бронзовый цельный сепаратор пальцевого типа. |
| 23168 KCW33+AH3168 | Кольцевая канавка и три отверстия для смазывания в наружном кольце подшипника. Коническое внутреннее отверстие. |
| 23168 KCW33+H3168 | Кольцевая канавка и три отверстия для смазывания в наружном кольце подшипника. Коническое внутреннее отверстие. |
| 23168-B-K-MB+H3168 | Коническое отверстие. Конусность 1/12. Конический роликовый подшипник. Угол контакта 20 градусов. сепаратор из латуни. центрированный по внутреннему кольцу. |
| 23168-B-K-MB + AH3168G-H | Коническое отверстие. Конусность 1/12. Конический роликовый подшипник. Угол контакта 20 градусов. сепаратор из латуни. центрированный по внутреннему кольцу. Pressed Snap-Type Steel Cage. Hardened. |
| 23168-B-K-MB+AH3168G | Коническое отверстие. Конусность 1/12. Конический роликовый подшипник. Угол контакта 20 градусов. сепаратор из латуни. центрированный по внутреннему кольцу. |
| 23168-B-K-MB + H3168-HG | Класс допуска (FAG) для подшипников шпинделя (аналог P2). Коническое отверстие. Конусность 1/12. Конический роликовый подшипник. Угол контакта 20 градусов. сепаратор из латуни. центрированный по внутреннему кольцу. |
| 23168E | Повышенная грузоподъемность. |
| 23168EK | Роликовый радиальный сферический двухрядный подшипник. |
| 23168-2CS5K/VT143 + OH 3168 HE | Заполнение пластичной смазкой SKF LGEP 2 на 25–35 %. Отверстие для смазки. Закрепительная втулка. |
Модификации сферического роликового подшипника 23168-K-MB-W33+AH3168 — это измененное основное конструктивное исполнение 23168, основные размеры (340x580x190) не отличаются.
| Обозначение | Гост | Конструктивные особенности |
|---|---|---|
| TL23168CAE4 | ISO | Роликовый радиальный сферический двухрядный подшипник. |
| TL23168CAKE4 | ISO | Роликовый радиальный сферический двухрядный подшипник. |
Аналог сферического роликового подшипника 23168-K-MB-W33+AH3168 — это подшипник такого же размера dx340,Dx580,Bx190, типа и конструкции.
| Обозначение | Конструктивные особенности | Внутренний (d) | Наружный (D) | Ширина (B) |
|---|---|---|---|---|
| C3168KM | Тороидальный роликовый подшипник CARB. Тороидальный подшипник CARB. Type Of Model. | 340.00 | 580.00 | 190.00 |
| NU3168ECMA/VR667 | Однорядный цилиндрический роликовый подшипник. Изготовленный из двух частей латунный сепаратор. внешнее кольцо по центру. Оптимизированная внутренняя конструкция предусматривает увеличенное количество роликов и/или ролики большего размера с улучшенными условиями контакта торцов роликов с бортами внутреннего кольца. Suffix VR Followed By Three Digits=Bearings With Special Final Inspection And Documentation. | 340.00 | 580.00 | 190.00 |
| NU3168K.M1A.790081 | Однорядный цилиндрический роликовый подшипник. Коническое отверстие. конус 1/12. Массивный латунный сепаратор. двухтельный. центрированный по бортам. Bearing Rings And Rolling Elements Of Through Hardening Rolling Bearing Steel Isotemp Heat Treated. | 340.00 | 580.00 | 190.00 |
| C3168M | Тороидальный роликовый подшипник CARB. Тороидальный подшипник CARB. Обработанный латунный сепаратор оконного типа. Центрированный ролик. | 340.00 | 580.00 | 190.00 |
| NU3168-M1A | Однорядный цилиндрический роликовый подшипник. Массивный латунный сепаратор. двухтельный. центрированный по бортам. | 340.00 | 580.00 | 190.00 |
| 3113768 | Роликовый радиальный двухрядный подшипник. | 340.00 | 580.00 | 190.00 |
| 3153768 | Роликовый радиальный двухрядный подшипник. | 340.00 | 580.00 | 190.00 |
| 3053768Н | Роликовый радиальный двухрядный подшипник. Детали из теплостойкой стали. | 340.00 | 580.00 | 190.00 |
| 3153768Н | Роликовый радиальный двухрядный подшипник. Детали из теплостойкой стали. | 340.00 | 580.00 | 190.00 |
| C 3168 KM/HA3C4 | Роликовый радиальный цилиндрический подшипник. Тороидальный подшипник CARB. Измененная или модифицированная внутренняя конструкция при неизменных основных размерах. Type Of Model. | 340.00 | 580.00 | 190.00 |
| NU 3168 ECMA | Роликовый радиальный цилиндрический однорядный подшипник. Измененная или модифицированная внутренняя конструкция при неизменных основных размерах. Однорядный цилиндрический роликовый подшипник. | 340.00 | 580.00 | 190.00 |
| NJ3168 | Роликовый радиальный однорядный подшипник. Штампованный сепаратор из стального листа. Канавка под стопорное кольцо на наружном кольце подшипника. Однорядный цилиндрический роликовый подшипник. Наружное кольцо имеет два борта. | 340.00 | 580.00 | 190.00 |
| NU3168 | Роликовый радиальный однорядный подшипник. Сталь сквозной закалки SUJ2 (японская) и взаимозаменяемость (только для метрических серий). Канавка под стопорное кольцо на наружном кольце подшипника. Однорядные цилиндрические роликоподшипники. Наружное кольцо подшипника имеет два борта. | 340.00 | 580.00 | 190.00 |
| NUP3168 | Роликовый радиальный однорядный подшипник. Канавка под стопорное кольцо на наружном кольце подшипника. Точность размеров примерно соответствует классу точности Р4. Однорядный цилиндрический роликовый подшипник. Наружное кольцо имеет два борта. | 340.00 | 580.00 | 190.00 |
| Z-566492.ZL-K-C5 | Роликовый радиальный подшипник. Коническое отверстие. Конусность 1/12. Внутренний зазор подшипника больше. чем С4. Цилиндрический роликовый подшипник. | 340.00 | 580.00 | 190.00 |
Способы доставки
Отправка через ведущие транспортные и курьерские компании: ПЭК, Деловые Линии, СДЭК, Байкал-Сервис, Энергия, КИТ, ЖелДорЭкспедиция.
Самовывоз возможен напрямую со склада в Москве.
Сроки доставки
Срок зависит от региона и выбранной транспортной компании. Все заказы комплектуются и отправляются в кратчайшие сроки со склада в Москве.
Надёжность и сохранность
Вся продукция упаковывается с учётом требований транспортировки. Мы гарантируем, что подшипники и комплектующие прибудут к заказчику в полной сохранности.
Доставка в страны ЕАЭС
Мы работаем с проверенными логистическими партнёрами, что позволяет оперативно доставлять заказы в Беларусь, Казахстан, Армению и другие страны ЕАЭС.
Варианты оплаты:
Минимальная сумма заказа и скидки:
Документы и гарантии:
Да, конечно! Наши технические специалисты готовы помочь вам с подбором точного аналога или замены подшипника. Просто позвоните нам по телефону +7 (495) 104-99-04 или напишите на почту zakaz@podsnab.ru.
Для оперативной консультации подготовьте, пожалуйста, имеющиеся данные: маркировку, размеры, тип оборудования или артикул старого подшипника.
Да, конечно! Мы высоко ценим долгосрочное сотрудничество и доверие клиентов по всей России. Для постоянных клиентов действует персональная система скидок.
Условия формируются индивидуально и зависят от:
Чтобы узнать свои условия и получить максимально выгодное предложение, свяжитесь с персональным менеджером или напишите нам на почту zakaz@podsnab.ru.
Вы можете оформить заказ несколькими способами:
Для оформления заказа от юридического лица свяжитесь с нашим отделом по работе с корпоративными клиентами по телефону +7 (495) 104-99-04 или напишите на email zakaz@podsnab.ru, прикрепив реквизиты вашей организации.
Мы оперативно подготовим коммерческое предложение и выставим счет.
Возврат товара надлежащего качества возможен в течение 10 дней с момента получения, если товар не был в употреблении, сохранен товарный вид, упаковка не вскрывалась и присутствуют все сопроводительные документы.
Возврат денежных средств осуществляется в течение 10 рабочих дней после проверки товара складом.
В соответствии с законодательством возврату не подлежат подшипники надлежащего качества, если отсутствует оригинальная упаковка или имеются следы монтажа.
В случае выявления брака или гарантийного случая мы гарантируем возврат или обмен товара.
Да, гарантийный срок хранения устанавливается заводом-изготовителем и в среднем составляет 2 года при соблюдении условий хранения: сухое помещение, оригинальная упаковка и смазка.
Точный срок для конкретного типа подшипника уточняйте у наших менеджеров.
Пн–Пт: с 8:00 до 17:00 (МСК).
Сб–Вс: выходные дни.
Заказы на сайте принимаются круглосуточно. Заявки, поступившие после окончания рабочего дня, обрабатываются на следующий рабочий день.
Минимальная сумма заказа для доставки составляет 3000 рублей. Самовывоз со склада возможен на любую сумму при наличии товара.
ООО «УралТехГрупп»
ИНН: 7415093830
КПП: 772401001
ОГРН: 1167456069021
Банк: ПАО Сбербанк
Р/с: 40702810838000475273
К/с: 30101810400000000225
БИК: 044525225
У подшипника 23168-K-MB-W33+AH3168 пока нет отзывов. Вы можете стать первым покупателем, поделившимся своим мнением.