Поиск подшипника
Статьи
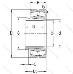
23196-K-MB-W33+AHX3196 — Роликовый радиальный сферический двухрядный подшипник, модификация основного исполнения 23196, производство NKE.
Размер подшипника: 480x790x248 мм.
Канавка для смазки и три отверстия во внешнем кольце подшипника, сепаратор из латуни. центрированный по внутреннему кольцу, коническое отверстие. конусность 1/12.
Международная стандартизации ISO
23196KMBW33AHX3196
В наличии
| Обозначение | Конструктивные изменения |
|---|---|
| 23196-E1A-K-MB1-C3 | Внутренний зазор больше нормального. Коническое отверстие. конус 1/12. Модифицированная внутренняя конструкция. Конструкция с увеличенной грузоподьемностью. Латунный сепаратор. массивный. |
| 23196CAK/C3W33 | Роликовый радиальный сферический двухрядный подшипник. |
| 23196-MB-C3 | Внутренний зазор больше нормального. сепаратор из латуни. центрированный по внутреннему кольцу. |
| 23196CA C3 W33X S1 VL | Внутренний зазор больше нормального. Сепаратор из латуни с механической обработкой. Стабильность размеров при рабочих температурах до +200°C. Бренд премиум-класса RKB Victory Line. То же. что и W33 (смазочная канавка и три отверстия на наружном кольце подшипника). но с шестью смазочными отверстиями. |
| 23196B C3 | Внутренний зазор больше нормального. Цельное ребристое внутреннее кольцо. Асимметричные ролики и фиксатор с центральной направляющей. |
| 23196 K | Коническое отверстие. Конусность 1/12. |
| 23196 KW33 | Кольцевая канавка и три отверстия для смазывания в наружном кольце подшипника. Коническое внутреннее отверстие. |
| 23196W33 | Кольцевая канавка и три отверстия для смазывания в наружном кольце подшипника. |
| 23196RHA | With Convex Symmetric Rollers And One-Piece Machined Cage. |
| 23196R | С выпуклыми асимметричными роликами и обработанным сепаратором. |
| 23196-K-MB-W33+OH3196-H | Канавка для смазки и три отверстия во внешнем кольце подшипника. Коническое отверстие. Конусность 1/12. сепаратор из латуни. центрированный по внутреннему кольцу. Pressed Snap-Type Steel Cage. Hardened. |
| 23196-MB-W33 | Канавка для смазки и три отверстия во внешнем кольце подшипника. сепаратор из латуни. центрированный по внутреннему кольцу. |
| 23196-K-MB-W33 | Канавка для смазки и три отверстия во внешнем кольце подшипника. Коническое отверстие. Конусность 1/12. сепаратор из латуни. центрированный по внутреннему кольцу. |
| 23196BK | Игольчатый роликовый подшипник со штампованным наружным кольцом с закрытым торцом. |
| 23196B | Конический роликовый подшипник. Угол контакта 20 градусов. |
| 23196YMB | Бронзовый цельный сепаратор пальцевого типа. |
| 23196 KCW33+AH3196 | Кольцевая канавка и три отверстия для смазывания в наружном кольце подшипника. Коническое внутреннее отверстие. |
| 23196 KCW33+H3196 | Кольцевая канавка и три отверстия для смазывания в наружном кольце подшипника. Коническое внутреннее отверстие. |
| 23196-K-MB+AHX3196G | Коническое отверстие. Конусность 1/12. сепаратор из латуни. центрированный по внутреннему кольцу. |
| 23196-K-MB+H3196 | Коническое отверстие. Конусность 1/12. сепаратор из латуни. центрированный по внутреннему кольцу. |
| 23196-K-MB + H3196-HG | Класс допуска (FAG) для подшипников шпинделя (аналог P2). Коническое отверстие. Конусность 1/12. сепаратор из латуни. центрированный по внутреннему кольцу. |
| 23196-E1A-MB1 | Латунный сепаратор. массивный. |
| 23196-K-MB + AHX3196G-H | Коническое отверстие. Конусность 1/12. сепаратор из латуни. центрированный по внутреннему кольцу. Pressed Snap-Type Steel Cage. Hardened. |
| 23196EK | Роликовый радиальный сферический двухрядный подшипник. |
| 23196E | Повышенная грузоподъемность. |
Модификации сферического роликового подшипника 23196-K-MB-W33+AHX3196 — это измененное основное конструктивное исполнение 23196, основные размеры (480x790x248) не отличаются.
| Обозначение | Конструктивные особенности | Внутренний (d) | Наружный (D) | Ширина (B) |
|---|---|---|---|---|
| C3196KMB | Тороидальный роликовый подшипник CARB. Тороидальный подшипник CARB. Коническое отверстие. конус 1/12. Латунный сепаратор из двух частей. Внутреннее кольцо центрировано. | 480.00 | 790.00 | 248.00 |
| C3196MB | Тороидальный роликовый подшипник CARB. Тороидальный подшипник CARB. Латунный сепаратор из двух частей. Внутреннее кольцо центрировано. | 480.00 | 790.00 | 248.00 |
| NU3196-M1A-M30E | Однорядный цилиндрический роликовый подшипник. Массивный латунный сепаратор. двухтельный. центрированный по бортам. Product With Test Report According To EN10204-2.2. | 480.00 | 790.00 | 248.00 |
| NU3196-M1A | Однорядный цилиндрический роликовый подшипник. Массивный латунный сепаратор. двухтельный. центрированный по бортам. | 480.00 | 790.00 | 248.00 |
| NU3196-M1A-W10D | Однорядный цилиндрический роликовый подшипник. Массивный латунный сепаратор. двухтельный. центрированный по бортам. Термическая обработка Temp ISO для наружного и внутреннего кольца. | 480.00 | 790.00 | 248.00 |
| 3153796 | Роликовый радиальный двухрядный подшипник. | 480.00 | 790.00 | 248.00 |
| 3053796Н | Роликовый радиальный двухрядный подшипник. Детали из теплостойкой стали. | 480.00 | 790.00 | 248.00 |
| 3153796Н | Роликовый радиальный двухрядный подшипник. Детали из теплостойкой стали. | 480.00 | 790.00 | 248.00 |
| NU 3196 ECMA/HB1 | Роликовый радиальный цилиндрический однорядный подшипник. Измененная или модифицированная внутренняя конструкция при неизменных основных размерах. Внутренние и наружные кольца, закаленные бейнитом. Однорядный цилиндрический роликовый подшипник. | 480.00 | 790.00 | 248.00 |
| NJ3196 | Роликовый радиальный однорядный подшипник. Штампованный сепаратор из стального листа. Канавка под стопорное кольцо на наружном кольце подшипника. Однорядный цилиндрический роликовый подшипник. Наружное кольцо имеет два борта. | 480.00 | 790.00 | 248.00 |
| NN3196 K | Роликовый радиальный двухрядный подшипник. Коническое внутреннее отверстие. Двухрядный цилиндрический роликовый подшипник. | 480.00 | 790.00 | 248.00 |
| NN3196 | Роликовый радиальный двухрядный подшипник. Канавка под стопорное кольцо на наружном кольце подшипника. Двухрядный цилиндрический роликовый подшипник. | 480.00 | 790.00 | 248.00 |
| NU3196 | Роликовый радиальный однорядный подшипник. Канавка под стопорное кольцо на наружном кольце подшипника. Однорядные цилиндрические роликоподшипники. Наружное кольцо подшипника имеет два борта. | 480.00 | 790.00 | 248.00 |
| NUP3196 | Роликовый радиальный однорядный подшипник. Канавка под стопорное кольцо на наружном кольце подшипника. Точность размеров примерно соответствует классу точности Р4. Однорядный цилиндрический роликовый подшипник. Наружное кольцо имеет два борта. | 480.00 | 790.00 | 248.00 |
| F-800483.ZL-K-C5 | Роликовый радиальный подшипник. Коническое отверстие. Конусность 1/12. Внутренний зазор подшипника больше. чем С4. Цилиндрический роликовый подшипник. | 480.00 | 790.00 | 248.00 |
Способы доставки
Отправка через ведущие транспортные и курьерские компании: ПЭК, Деловые Линии, СДЭК, Байкал-Сервис, Энергия, КИТ, ЖелДорЭкспедиция.
Самовывоз возможен напрямую со склада в Москве.
Сроки доставки
Срок зависит от региона и выбранной транспортной компании. Все заказы комплектуются и отправляются в кратчайшие сроки со склада в Москве.
Надёжность и сохранность
Вся продукция упаковывается с учётом требований транспортировки. Мы гарантируем, что подшипники и комплектующие прибудут к заказчику в полной сохранности.
Доставка в страны ЕАЭС
Мы работаем с проверенными логистическими партнёрами, что позволяет оперативно доставлять заказы в Беларусь, Казахстан, Армению и другие страны ЕАЭС.
Варианты оплаты:
Минимальная сумма заказа и скидки:
Документы и гарантии:
Да, конечно! Наши технические специалисты готовы помочь вам с подбором точного аналога или замены подшипника. Просто позвоните нам по телефону +7 (495) 104-99-04 или напишите на почту zakaz@podsnab.ru.
Для оперативной консультации подготовьте, пожалуйста, имеющиеся данные: маркировку, размеры, тип оборудования или артикул старого подшипника.
Да, конечно! Мы высоко ценим долгосрочное сотрудничество и доверие клиентов по всей России. Для постоянных клиентов действует персональная система скидок.
Условия формируются индивидуально и зависят от:
Чтобы узнать свои условия и получить максимально выгодное предложение, свяжитесь с персональным менеджером или напишите нам на почту zakaz@podsnab.ru.
Вы можете оформить заказ несколькими способами:
Для оформления заказа от юридического лица свяжитесь с нашим отделом по работе с корпоративными клиентами по телефону +7 (495) 104-99-04 или напишите на email zakaz@podsnab.ru, прикрепив реквизиты вашей организации.
Мы оперативно подготовим коммерческое предложение и выставим счет.
Возврат товара надлежащего качества возможен в течение 10 дней с момента получения, если товар не был в употреблении, сохранен товарный вид, упаковка не вскрывалась и присутствуют все сопроводительные документы.
Возврат денежных средств осуществляется в течение 10 рабочих дней после проверки товара складом.
В соответствии с законодательством возврату не подлежат подшипники надлежащего качества, если отсутствует оригинальная упаковка или имеются следы монтажа.
В случае выявления брака или гарантийного случая мы гарантируем возврат или обмен товара.
Да, гарантийный срок хранения устанавливается заводом-изготовителем и в среднем составляет 2 года при соблюдении условий хранения: сухое помещение, оригинальная упаковка и смазка.
Точный срок для конкретного типа подшипника уточняйте у наших менеджеров.
Пн–Пт: с 8:00 до 17:00 (МСК).
Сб–Вс: выходные дни.
Заказы на сайте принимаются круглосуточно. Заявки, поступившие после окончания рабочего дня, обрабатываются на следующий рабочий день.
Минимальная сумма заказа для доставки составляет 3000 рублей. Самовывоз со склада возможен на любую сумму при наличии товара.
ООО «УралТехГрупп»
ИНН: 7415093830
КПП: 772401001
ОГРН: 1167456069021
Банк: ПАО Сбербанк
Р/с: 40702810838000475273
К/с: 30101810400000000225
БИК: 044525225
У подшипника 23196-K-MB-W33+AHX3196 пока нет отзывов. Вы можете стать первым покупателем, поделившимся своим мнением.