Поиск подшипника
Статьи
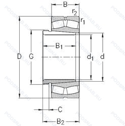
23226-K-MB-W33+AHX3226 — Роликовый радиальный сферический двухрядный подшипник, модификация основного исполнения 23226, производство NKE.
Размер подшипника: 130x230x80 мм.
Канавка для смазки и три отверстия во внешнем кольце подшипника, сепаратор из латуни. центрированный по внутреннему кольцу, коническое отверстие. конусность 1/12.
Международная стандартизации ISO
23226KMBW33AHX3226
В наличии
| Обозначение | Конструктивные изменения |
|---|---|
| 23226CK E4 C3 S11 | Штампованный стальной сепаратор из двух частей с направляющим кольцом. Внутренний зазор больше нормального. Коническое отверстие. конус 1/12. Внутреннее и наружное кольца термостабилизированы до 200°C. Канавка для смазки и три отверстия во внешнем кольце подшипника. |
| 23226CC/C3W513 | Внутренний зазор больше нормального. Два стальных сепаратора оконного типа. Бесфланцевое внутреннее кольцо и направляющее кольцо центрировано на внутреннем кольце. Комбинация W26 (шесть смазочных отверстий во внутреннем кольце) и W33 (смазочная канавка и три отверстия во внешнем кольце подшипника). |
| 23226EM K D1 | Коническое отверстие. конус 1/12. Канавка и три смазочных отверстия на наружном кольце. Стандартный фланцевый ( с резьбой и сквозным отверстием). |
| 23226E1 | Конструкция с увеличенной грузоподьемностью. |
| 23226-CE-K-W33 | Канавка для смазки и три отверстия во внешнем кольце подшипника. Коническое отверстие. конус 1/12. Имеют симметричные сферические ролики и стандартно оснащены сепаратором из штампованной стали. |
| 23226CAMK E4 C3 | Внутренний зазор больше нормального. Коническое отверстие. конус 1/12. Канавка для смазки и три отверстия во внешнем кольце подшипника. Плавающее направляющее кольцо. Массивный латунный сепаратор. |
| 23226-E1-XL-TVPB-C2 | Внутренний зазор подшипника меньше нормального. Серия X-Life премиум-класс. увеличиный срок службы. Конструкция с увеличенной грузоподьемностью. Твердый оконный сепаратор из полиамида. армированного стекловолокном. Направляющие на внутреннем кольце. |
| 23226-E1-TVPB-C2 | Внутренний зазор подшипника меньше нормального. Конструкция с увеличенной грузоподьемностью. Твердый оконный сепаратор из полиамида. армированного стекловолокном. Направляющие на внутреннем кольце. |
| 23226EX1W33K | Lubrication Groove. Коническое отверстие 1/12. Сферический роликоподшипник высокой грузоподъемности. |
| 23226CAMK | Коническое отверстие. конус 1/12. Латунный сепаратор с центрированием на внутреннем кольце. |
| 23226.EMKW33 | Канавка для смазки и три отверстия во внешнем кольце подшипника. Коническое отверстие. конус 1/12. Повышенная грузоподъемность. Механически обработанный латунный сепаратор .Расположенный на элементах качения. |
| 23226 KW33 | Кольцевая канавка и три отверстия для смазывания в наружном кольце подшипника. Коническое внутреннее отверстие. |
| 23226RH | Выпуклые симметричные ролики и штампованный сепаратор. |
| 23226-K-MB-W33+H2326 | Канавка для смазки и три отверстия во внешнем кольце подшипника. Коническое отверстие. Конусность 1/12. сепаратор из латуни. центрированный по внутреннему кольцу. |
| 23226B | Конический роликовый подшипник. Угол контакта 20 градусов. |
| 23226-2CS5K/VT143 + H 2326 L | Pressed Snap-Type Steel Cage. Hardened. Одно механическое уплотнение. Заполнение пластичной смазкой SKF LGEP 2 на 25–35 %. |
| 23226YM | 1 Piece Bronze Cage - Finger Type. |
| 23226 KCW33+AH3226 | Кольцевая канавка и три отверстия для смазывания в наружном кольце подшипника. Коническое внутреннее отверстие. |
| 23226 KCW33+H2326 | Кольцевая канавка и три отверстия для смазывания в наружном кольце подшипника. Коническое внутреннее отверстие. |
| 23226-E1A-K-M + AHX3226G | Коническое отверстие. Конусность 1/12. Подшипник с латунным сепаратором. центрированный по телам качения. |
| 23226-E1A-K-M + H2326 | Коническое отверстие. Конусность 1/12. Подшипник с латунным сепаратором. центрированный по телам качения. |
| 23226-E1-K-TVPB + AHX3226G | Коническое отверстие. Конусность 1/12. Конструкция с увеличенной грузоподьемностью. Твердый оконный сепаратор из полиамида. армированного стекловолокном. Направляющие на внутреннем кольце. |
| 23226-E1-K-TVPB + H2326 | Коническое отверстие. Конусность 1/12. Конструкция с увеличенной грузоподьемностью. Твердый оконный сепаратор из полиамида. армированного стекловолокном. Направляющие на внутреннем кольце. |
| 23226EX1 | Сферический роликоподшипник высокой грузоподъемности. |
| 23226AX | Поверхность контакта скольжения сталь / сталь. |
Модификации сферического роликового подшипника 23226-K-MB-W33+AHX3226 — это измененное основное конструктивное исполнение 23226, основные размеры (130x230x80) не отличаются.
| Обозначение | Гост | Конструктивные особенности |
|---|---|---|
| 23228KYMW33 | ISO | Роликовый радиальный сферический двухрядный подшипник. |
Аналог сферического роликового подшипника 23226-K-MB-W33+AHX3226 — это подшипник такого же размера dx130,Dx230,Bx80, типа и конструкции.
| Обозначение | Конструктивные особенности | Внутренний (d) | Наружный (D) | Ширина (B) |
|---|---|---|---|---|
| 7226BDF | Шариковый радиально-упорный двухрядный подшипник. Угол контакта 40°. Механически обработанный сепаратор из стали или специального чугуна. | 130.00 | 230.00 | 80.00 |
| 7226CDB | Шариковый радиально-упорный двухрядный подшипник. Угол контакта 40°. Однорядный радиально-упорный шарикоподшипник улучшенной конструкции с углом контакта 15°. | 130.00 | 230.00 | 80.00 |
| 7226CDF | Шариковый радиально-упорный двухрядный подшипник. Механически обработанный сепаратор из стали или специального чугуна. Однорядный радиально-упорный шарикоподшипник улучшенной конструкции с углом контакта 15°. | 130.00 | 230.00 | 80.00 |
| 7226CDT | Шариковый радиально-упорный двухрядный подшипник. Механически обработанный сепаратор из текстолита. Однорядный радиально-упорный шарикоподшипник улучшенной конструкции с углом контакта 15°. | 130.00 | 230.00 | 80.00 |
| 7226 ADF | Шариковый радиально-упорный двухрядный подшипник. Механически обработанный сепаратор из стали или специального чугуна. | 130.00 | 230.00 | 80.00 |
| 7226 ADT | Шариковый радиально-упорный двухрядный подшипник. Механически обработанный сепаратор из текстолита. | 130.00 | 230.00 | 80.00 |
| 7226 ADB | Шариковый радиально-упорный двухрядный подшипник. Modified Snap Ring Grooves In The Outer Ring_ Two-Piece Inner Ring Held Together By A Retaining Ring. | 130.00 | 230.00 | 80.00 |
| 346226-АЛ10У12 | Шариковый радиально-упорный сдвоенный подшипник. Сепаратор из латуни.. Повышенная грузоподъемность. Дополнительные технические требования. | 130.00 | 230.00 | 80.00 |
| 346226-АЛ10 | Шариковый радиально-упорный сдвоенный подшипник. Сепаратор из латуни.. Повышенная грузоподъемность. | 130.00 | 230.00 | 80.00 |
| 346226-АЛ9 | Шариковый радиально-упорный сдвоенный подшипник. Повышенная грузоподъемность. Сепаратор из латуни.. | 130.00 | 230.00 | 80.00 |
| 236226К | Шариковый радиально-упорный сдвоенный подшипник. «Замок» (скос) на внутреннем кольце плюс массивный сепаратор из текстолита. | 130.00 | 230.00 | 80.00 |
| 336226К | Шариковый радиально-упорный сдвоенный подшипник. «Замок» (скос) на внутреннем кольце плюс массивный сепаратор из текстолита. | 130.00 | 230.00 | 80.00 |
| 6-346226-АЛ9 | Шариковый радиально-упорный сдвоенный подшипник. Повышенная грузоподъемность. Сепаратор из латуни.. | 130.00 | 230.00 | 80.00 |
| 6-346226 Л | Шариковый радиально-упорный сдвоенный подшипник. Сепаратор из латуни.. | 130.00 | 230.00 | 80.00 |
| 436226К | Шариковый радиально-упорный сдвоенный подшипник. «Замок» (скос) на внутреннем кольце плюс массивный сепаратор из текстолита. | 130.00 | 230.00 | 80.00 |
Способы доставки
Отправка через ведущие транспортные и курьерские компании: ПЭК, Деловые Линии, СДЭК, Байкал-Сервис, Энергия, КИТ, ЖелДорЭкспедиция.
Самовывоз возможен напрямую со склада в Москве.
Сроки доставки
Срок зависит от региона и выбранной транспортной компании. Все заказы комплектуются и отправляются в кратчайшие сроки со склада в Москве.
Надёжность и сохранность
Вся продукция упаковывается с учётом требований транспортировки. Мы гарантируем, что подшипники и комплектующие прибудут к заказчику в полной сохранности.
Доставка в страны ЕАЭС
Мы работаем с проверенными логистическими партнёрами, что позволяет оперативно доставлять заказы в Беларусь, Казахстан, Армению и другие страны ЕАЭС.
Варианты оплаты:
Минимальная сумма заказа и скидки:
Документы и гарантии:
Да, конечно! Наши технические специалисты готовы помочь вам с подбором точного аналога или замены подшипника. Просто позвоните нам по телефону +7 (495) 104-99-04 или напишите на почту zakaz@podsnab.ru.
Для оперативной консультации подготовьте, пожалуйста, имеющиеся данные: маркировку, размеры, тип оборудования или артикул старого подшипника.
Да, конечно! Мы высоко ценим долгосрочное сотрудничество и доверие клиентов по всей России. Для постоянных клиентов действует персональная система скидок.
Условия формируются индивидуально и зависят от:
Чтобы узнать свои условия и получить максимально выгодное предложение, свяжитесь с персональным менеджером или напишите нам на почту zakaz@podsnab.ru.
Вы можете оформить заказ несколькими способами:
Для оформления заказа от юридического лица свяжитесь с нашим отделом по работе с корпоративными клиентами по телефону +7 (495) 104-99-04 или напишите на email zakaz@podsnab.ru, прикрепив реквизиты вашей организации.
Мы оперативно подготовим коммерческое предложение и выставим счет.
Возврат товара надлежащего качества возможен в течение 10 дней с момента получения, если товар не был в употреблении, сохранен товарный вид, упаковка не вскрывалась и присутствуют все сопроводительные документы.
Возврат денежных средств осуществляется в течение 10 рабочих дней после проверки товара складом.
В соответствии с законодательством возврату не подлежат подшипники надлежащего качества, если отсутствует оригинальная упаковка или имеются следы монтажа.
В случае выявления брака или гарантийного случая мы гарантируем возврат или обмен товара.
Да, гарантийный срок хранения устанавливается заводом-изготовителем и в среднем составляет 2 года при соблюдении условий хранения: сухое помещение, оригинальная упаковка и смазка.
Точный срок для конкретного типа подшипника уточняйте у наших менеджеров.
Пн–Пт: с 8:00 до 17:00 (МСК).
Сб–Вс: выходные дни.
Заказы на сайте принимаются круглосуточно. Заявки, поступившие после окончания рабочего дня, обрабатываются на следующий рабочий день.
Минимальная сумма заказа для доставки составляет 3000 рублей. Самовывоз со склада возможен на любую сумму при наличии товара.
ООО «УралТехГрупп»
ИНН: 7415093830
КПП: 772401001
ОГРН: 1167456069021
Банк: ПАО Сбербанк
Р/с: 40702810838000475273
К/с: 30101810400000000225
БИК: 044525225
У подшипника 23226-K-MB-W33+AHX3226 пока нет отзывов. Вы можете стать первым покупателем, поделившимся своим мнением.