Поиск подшипника
Статьи
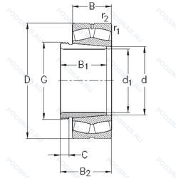
23228-K-MB-W33+AHX3228 — Роликовый радиальный сферический двухрядный подшипник, модификация основного исполнения 23228, производство NKE.
Размер подшипника: 140x250x88 мм.
Канавка для смазки и три отверстия во внешнем кольце подшипника, сепаратор из латуни. центрированный по внутреннему кольцу, коническое отверстие. конусность 1/12.
Международная стандартизации ISO
23228KMBW33AHX3228
В наличии
| Обозначение | Конструктивные изменения |
|---|---|
| 23228ES.TVPB.C3 | Внутренний зазор больше нормального. Твердый оконный сепаратор из полиамида. армированного стекловолокном. Направляющие на внутреннем кольце. Разъемное наружное кольцо со смазочными отверстиями. |
| 23228-CE-K-W33 | Канавка для смазки и три отверстия во внешнем кольце подшипника. Коническое отверстие. конус 1/12. Имеют симметричные сферические ролики и стандартно оснащены сепаратором из штампованной стали. |
| 23228-CE-W33 | Канавка для смазки и три отверстия во внешнем кольце подшипника. Имеют симметричные сферические ролики и стандартно оснащены сепаратором из штампованной стали. |
| 23228EX1W33K | Lubrication Groove. Коническое отверстие 1/12. Сферический роликоподшипник высокой грузоподъемности. |
| 23228CE4C3 | Штампованный стальной сепаратор из двух частей с направляющим кольцом. Внутренний зазор больше нормального. W33 (SKF)= смазочная канавка и три отверстия в наружном кольце подшипника. |
| 23228EX1 W33 C3 | Внутренний зазор больше нормального. Канавка для смазки и три отверстия во внешнем кольце подшипника. Сферический роликоподшипник высокой грузоподъемности. |
| 23228EX1W33KC3 | Внутренний зазор больше нормального. Lubrication Groove. Коническое отверстие 1/12. Сферический роликоподшипник высокой грузоподъемности. |
| 23228KEMW33 | Канавка для смазки и три отверстия во внешнем кольце подшипника. Коническое отверстие. конус 1/12. Повышенная грузоподъемность. Механически обработанный латунный сепаратор .Расположенный на элементах качения. |
| 23228-2RS | Резиновые уплотнения с каждой стороны подшипника. |
| 23228 KW33 | Кольцевая канавка и три отверстия для смазывания в наружном кольце подшипника. Коническое внутреннее отверстие. |
| 23228W33 | Кольцевая канавка и три отверстия для смазывания в наружном кольце подшипника. |
| 23228RH | Выпуклые симметричные ролики и штампованный сепаратор. |
| 23228-K-MB-W33+H2328 | Канавка для смазки и три отверстия во внешнем кольце подшипника. Коническое отверстие. Конусность 1/12. сепаратор из латуни. центрированный по внутреннему кольцу. |
| 23228BK | Игольчатый роликовый подшипник со штампованным наружным кольцом с закрытым торцом. |
| 23228B | Конический роликовый подшипник. Угол контакта 20 градусов. |
| 23228MB | сепаратор из латуни. центрированный по внутреннему кольцу. |
| 23228 KCW33+H2328 | Кольцевая канавка и три отверстия для смазывания в наружном кольце подшипника. Коническое внутреннее отверстие. |
| 23228 KCW33+AH3228 | Кольцевая канавка и три отверстия для смазывания в наружном кольце подшипника. Коническое внутреннее отверстие. |
| 23228-E1A-K-M + AHX3228G | Коническое отверстие. Конусность 1/12. Подшипник с латунным сепаратором. центрированный по телам качения. |
| 23228-E1-K-TVPB + AHX3228G | Коническое отверстие. Конусность 1/12. Конструкция с увеличенной грузоподьемностью. Твердый оконный сепаратор из полиамида. армированного стекловолокном. Направляющие на внутреннем кольце. |
| 23228-E1A-K-M + H2328 | Коническое отверстие. Конусность 1/12. Подшипник с латунным сепаратором. центрированный по телам качения. |
| 23228-E1-K-TVPB + H2328 | Коническое отверстие. Конусность 1/12. Конструкция с увеличенной грузоподьемностью. Твердый оконный сепаратор из полиамида. армированного стекловолокном. Направляющие на внутреннем кольце. |
| 23228AX | Поверхность контакта скольжения сталь / сталь. |
| 23228EX1 | Сферический роликоподшипник высокой грузоподъемности. |
| 23228-2CS5K/VT143 + H 2328 | Pressed Snap-Type Steel Cage. Hardened. Заполнение пластичной смазкой SKF LGEP 2 на 25–35 %. |
Модификации сферического роликового подшипника 23228-K-MB-W33+AHX3228 — это измененное основное конструктивное исполнение 23228, основные размеры (140x250x88) не отличаются.
| Обозначение | Гост | Конструктивные особенности |
|---|---|---|
| TL23228CKE4 | ISO | Роликовый радиальный сферический двухрядный подшипник. |
| TL23228CE4 | ISO | Роликовый радиальный сферический двухрядный подшипник. |
Аналог сферического роликового подшипника 23228-K-MB-W33+AHX3228 — это подшипник такого же размера dx140,Dx250,Bx88, типа и конструкции.
| Обозначение | Конструктивные особенности | Внутренний (d) | Наружный (D) | Ширина (B) |
|---|---|---|---|---|
| 3053228H | Подшипник роликовый сферический. Pressed Snap-Type Steel Cage. Hardened. | 140.00 | 250.00 | 88.00 |
| F-804398.23228-E1A | Подшипник роликовый сферический. Модифицированная внутренняя конструкция. Конструкция с увеличенной грузоподьемностью. | 140.00 | 250.00 | 88.00 |
| 466628CC/W33 | Подшипник роликовый сферический. Канавка для смазки и три отверстия во внешнем кольце подшипника. Два стальных сепаратора оконного типа. Бесфланцевое внутреннее кольцо и направляющее кольцо центрировано на внутреннем кольце. | 139.73 | 250.00 | 88.00 |
| MX-W22228BLLKC3 | Подшипник роликовый сферический. Внутренний зазор больше нормального. Коническое отверстие. конус 1/12. Цельное ребристое внутреннее кольцо. Асимметричные ролики и фиксатор с центральной направляющей. Контактное. синтетические. резиновое уплотнение с двух сторон. | 140.00 | 250.00 | 88.00 |
| 3053228-НЛ | Роликовый радиальный двухрядный подшипник. Детали из теплостойкой стали. Сепаратор из латуни.. | 140.00 | 250.00 | 88.00 |
| 3053228Н | Роликовый радиальный двухрядный подшипник. Детали из теплостойкой стали. | 140.00 | 250.00 | 88.00 |
| 3153228Н | Роликовый радиальный двухрядный подшипник. Детали из теплостойкой стали. | 140.00 | 250.00 | 88.00 |
| 3153228-НЛ | Роликовый радиальный двухрядный подшипник. Детали из теплостойкой стали. Сепаратор из латуни.. | 140.00 | 250.00 | 88.00 |
| N3228 | Роликовый радиальный однорядный подшипник. Канавка под стопорное кольцо на наружном кольце подшипника. | 140.00 | 250.00 | 88.00 |
| NF3228 | Роликовый радиальный однорядный подшипник. Механически обработанный сепаратор из стали или специального чугуна. Канавка под стопорное кольцо на наружном кольце подшипника. | 140.00 | 250.00 | 88.00 |
| NJ3228 | Роликовый радиальный однорядный подшипник. Штампованный сепаратор из стального листа. Канавка под стопорное кольцо на наружном кольце подшипника. Однорядный цилиндрический роликовый подшипник. Наружное кольцо имеет два борта. | 140.00 | 250.00 | 88.00 |
| NP3228 | Роликовый радиальный однорядный подшипник. Канавка под стопорное кольцо на наружном кольце подшипника. | 140.00 | 250.00 | 88.00 |
| NU3228 | Роликовый радиальный однорядный подшипник. Сталь сквозной закалки SUJ2 (японская) и взаимозаменяемость (только для метрических серий). Канавка под стопорное кольцо на наружном кольце подшипника. Однорядные цилиндрические роликоподшипники. Наружное кольцо подшипника имеет два борта. | 140.00 | 250.00 | 88.00 |
| NUP3228 | Роликовый радиальный однорядный подшипник. Канавка под стопорное кольцо на наружном кольце подшипника. Точность размеров примерно соответствует классу точности Р4. Однорядный цилиндрический роликовый подшипник. Наружное кольцо имеет два борта. | 140.00 | 250.00 | 88.00 |
| F-804460.ZL-K-C3 | Роликовый радиальный подшипник. Внутренний зазор больше нормального. Коническое отверстие. Конусность 1/12. Цилиндрический роликовый подшипник. | 140.00 | 250.00 | 88.00 |
Способы доставки
Отправка через ведущие транспортные и курьерские компании: ПЭК, Деловые Линии, СДЭК, Байкал-Сервис, Энергия, КИТ, ЖелДорЭкспедиция.
Самовывоз возможен напрямую со склада в Москве.
Сроки доставки
Срок зависит от региона и выбранной транспортной компании. Все заказы комплектуются и отправляются в кратчайшие сроки со склада в Москве.
Надёжность и сохранность
Вся продукция упаковывается с учётом требований транспортировки. Мы гарантируем, что подшипники и комплектующие прибудут к заказчику в полной сохранности.
Доставка в страны ЕАЭС
Мы работаем с проверенными логистическими партнёрами, что позволяет оперативно доставлять заказы в Беларусь, Казахстан, Армению и другие страны ЕАЭС.
Варианты оплаты:
Минимальная сумма заказа и скидки:
Документы и гарантии:
Да, конечно! Наши технические специалисты готовы помочь вам с подбором точного аналога или замены подшипника. Просто позвоните нам по телефону +7 (495) 104-99-04 или напишите на почту zakaz@podsnab.ru.
Для оперативной консультации подготовьте, пожалуйста, имеющиеся данные: маркировку, размеры, тип оборудования или артикул старого подшипника.
Да, конечно! Мы высоко ценим долгосрочное сотрудничество и доверие клиентов по всей России. Для постоянных клиентов действует персональная система скидок.
Условия формируются индивидуально и зависят от:
Чтобы узнать свои условия и получить максимально выгодное предложение, свяжитесь с персональным менеджером или напишите нам на почту zakaz@podsnab.ru.
Вы можете оформить заказ несколькими способами:
Для оформления заказа от юридического лица свяжитесь с нашим отделом по работе с корпоративными клиентами по телефону +7 (495) 104-99-04 или напишите на email zakaz@podsnab.ru, прикрепив реквизиты вашей организации.
Мы оперативно подготовим коммерческое предложение и выставим счет.
Возврат товара надлежащего качества возможен в течение 10 дней с момента получения, если товар не был в употреблении, сохранен товарный вид, упаковка не вскрывалась и присутствуют все сопроводительные документы.
Возврат денежных средств осуществляется в течение 10 рабочих дней после проверки товара складом.
В соответствии с законодательством возврату не подлежат подшипники надлежащего качества, если отсутствует оригинальная упаковка или имеются следы монтажа.
В случае выявления брака или гарантийного случая мы гарантируем возврат или обмен товара.
Да, гарантийный срок хранения устанавливается заводом-изготовителем и в среднем составляет 2 года при соблюдении условий хранения: сухое помещение, оригинальная упаковка и смазка.
Точный срок для конкретного типа подшипника уточняйте у наших менеджеров.
Пн–Пт: с 8:00 до 17:00 (МСК).
Сб–Вс: выходные дни.
Заказы на сайте принимаются круглосуточно. Заявки, поступившие после окончания рабочего дня, обрабатываются на следующий рабочий день.
Минимальная сумма заказа для доставки составляет 3000 рублей. Самовывоз со склада возможен на любую сумму при наличии товара.
ООО «УралТехГрупп»
ИНН: 7415093830
КПП: 772401001
ОГРН: 1167456069021
Банк: ПАО Сбербанк
Р/с: 40702810838000475273
К/с: 30101810400000000225
БИК: 044525225
У подшипника 23228-K-MB-W33+AHX3228 пока нет отзывов. Вы можете стать первым покупателем, поделившимся своим мнением.