Поиск подшипника
Статьи
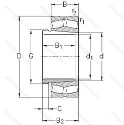
23240-K-MB-W33+AH3240 — Роликовый радиальный сферический двухрядный подшипник, модификация основного исполнения 23240, производство NKE.
Размер подшипника: 200x360x128 мм.
Канавка для смазки и три отверстия во внешнем кольце подшипника, сепаратор из латуни. центрированный по внутреннему кольцу, коническое отверстие. конусность 1/12.
Международная стандартизации ISO
23240KMBW33AH3240
В наличии
| Обозначение | Конструктивные изменения |
|---|---|
| 23240-BE-XL-H151B-C3 | Внутренний зазор больше нормального. Серия X-Life премиум-класс. увеличиный срок службы. Увеличенная грузоподъемность подшипника. Один удерживающий паз под углом 15° на наружном кольце. |
| 23240CAMKE4 | Коническое отверстие. конус 1/12. Канавка для смазки и три отверстия во внешнем кольце подшипника. Плавающее направляющее кольцо. Массивный латунный сепаратор. |
| 23240CAMKE4C3 | Внутренний зазор больше нормального. Коническое отверстие. конус 1/12. Канавка для смазки и три отверстия во внешнем кольце подшипника. Плавающее направляющее кольцо. Массивный латунный сепаратор. |
| 23240-2CS2/VT143 | Заполнение пластичной смазкой SKF LGEP 2 на 25–35 %. Усиленные листовой сталью трущиеся уплотнения из фторкаучука (FPM) с обеих сторон подшипника, заполнен высокотемпературной смазкой из полиуретана от 70 до 100%, кольцевая канавка и три смазочных отверстия на наружном кольце. |
| 23240 K | Коническое отверстие. Конусность 1/12. |
| 23240-2RS | Резиновые уплотнения с каждой стороны подшипника. |
| 23240 KW33 | Кольцевая канавка и три отверстия для смазывания в наружном кольце подшипника. Коническое внутреннее отверстие. |
| 23240W33 | Кольцевая канавка и три отверстия для смазывания в наружном кольце подшипника. |
| 23240RHA | With Convex Symmetric Rollers And One-Piece Machined Cage. |
| 23240R | С выпуклыми асимметричными роликами и обработанным сепаратором. |
| 23240-K-MB-W33+H2340 | Канавка для смазки и три отверстия во внешнем кольце подшипника. Коническое отверстие. Конусность 1/12. сепаратор из латуни. центрированный по внутреннему кольцу. |
| 23240BK | Игольчатый роликовый подшипник со штампованным наружным кольцом с закрытым торцом. |
| 23240B | Конический роликовый подшипник. Угол контакта 20 градусов. |
| 23240-2CS5K/VT143 | Заполнение пластичной смазкой SKF LGEP 2 на 25–35 %. |
| 23240YM | 1 Piece Bronze Cage - Finger Type. |
| 23240MB | сепаратор из латуни. центрированный по внутреннему кольцу. |
| 23240 KCW33+H2340 | Кольцевая канавка и три отверстия для смазывания в наружном кольце подшипника. Коническое внутреннее отверстие. |
| 23240 KCW33+AH3240 | Кольцевая канавка и три отверстия для смазывания в наружном кольце подшипника. Коническое внутреннее отверстие. |
| 23240-B-K-MB+AH3240 | Коническое отверстие. Конусность 1/12. Конический роликовый подшипник. Угол контакта 20 градусов. сепаратор из латуни. центрированный по внутреннему кольцу. |
| 23240-E1-K + AH3240 | Коническое отверстие. Конусность 1/12. Конструкция с увеличенной грузоподьемностью. |
| 23240-E1-K + H2340 | Коническое отверстие. Конусность 1/12. Конструкция с увеличенной грузоподьемностью. |
| 23240EK | Роликовый радиальный сферический двухрядный подшипник. |
| 23240E | Повышенная грузоподъемность. |
| 23240A2X | High Speed Spherical Roller Bearing. |
| 23240-2CS5K/VT143 + H 2340 L | Pressed Snap-Type Steel Cage. Hardened. Одно механическое уплотнение. Заполнение пластичной смазкой SKF LGEP 2 на 25–35 %. |
Модификации сферического роликового подшипника 23240-K-MB-W33+AH3240 — это измененное основное конструктивное исполнение 23240, основные размеры (200x360x128) не отличаются.
| Обозначение | Гост | Конструктивные особенности |
|---|---|---|
| TL23240CAKE4 | ISO | Роликовый радиальный сферический двухрядный подшипник. |
| TL23240CAE4 | ISO | Роликовый радиальный сферический двухрядный подшипник. |
Аналог сферического роликового подшипника 23240-K-MB-W33+AH3240 — это подшипник такого же размера dx200,Dx360,Bx128, типа и конструкции.
| Обозначение | Конструктивные особенности | Внутренний (d) | Наружный (D) | Ширина (B) |
|---|---|---|---|---|
| NU3240-M1 | Однорядный цилиндрический роликовый подшипник. Механически обработанный латунный сепаратор. вращающийся элемент качения (крестовина на заклепках). | 200.00 | 360.00 | 128.00 |
| 30240-A-N11CA | Однорядный конический роликовый подшипник. Модификация внутренней конструкции. Два Х-расположенных конических роликоподшипника. С прокладками между чашками. | 200.00 | 360.00 | 128.00 |
| 30240J2/DFC570 | Двухрядный конический роликовый подшипник. Штампованный стальной сепаратор. центрируемый по роликам. Число после J указывает на различные конструктивные исполнения сепаратора. Комплект из двух подшипников. согласованных для установки по Х-образной схеме. Число. следующее непосредственно после букв DF. обозначает конструкцию промежуточного кольца. Осевой зазор в мкм. | 200.00 | 360.00 | 128.00 |
| 30240DF C570 | Однорядный конический роликовый подшипник. Комплект из двух подшипников. согласованных для установки по Х-образной схеме. Число. следующее непосредственно после букв DF. обозначает конструкцию промежуточного кольца. Осевой зазор в мкм. | 200.00 | 360.00 | 128.00 |
| 3053240Н | Роликовый радиальный двухрядный подшипник. Детали из теплостойкой стали. | 200.00 | 360.00 | 128.00 |
| 3153240Н | Роликовый радиальный двухрядный подшипник. Детали из теплостойкой стали. | 200.00 | 360.00 | 128.00 |
| NU 3240 ECM | Роликовый радиальный цилиндрический однорядный подшипник. Однорядный цилиндрический роликовый подшипник. | 200.00 | 360.00 | 128.00 |
| N3240 | Роликовый радиальный однорядный подшипник. Канавка под стопорное кольцо на наружном кольце подшипника. | 200.00 | 360.00 | 128.00 |
| NF3240 | Роликовый радиальный однорядный подшипник. Механически обработанный сепаратор из стали или специального чугуна. Канавка под стопорное кольцо на наружном кольце подшипника. | 200.00 | 360.00 | 128.00 |
| NJ3240 | Роликовый радиальный однорядный подшипник. Штампованный сепаратор из стального листа. Канавка под стопорное кольцо на наружном кольце подшипника. Однорядный цилиндрический роликовый подшипник. Наружное кольцо имеет два борта. | 200.00 | 360.00 | 128.00 |
| NP3240 | Роликовый радиальный однорядный подшипник. Канавка под стопорное кольцо на наружном кольце подшипника. | 200.00 | 360.00 | 128.00 |
| NU3240 | Роликовый радиальный однорядный подшипник. Сталь сквозной закалки SUJ2 (японская) и взаимозаменяемость (только для метрических серий). Канавка под стопорное кольцо на наружном кольце подшипника. Однорядные цилиндрические роликоподшипники. Наружное кольцо подшипника имеет два борта. | 200.00 | 360.00 | 128.00 |
| NUP3240 | Роликовый радиальный однорядный подшипник. Канавка под стопорное кольцо на наружном кольце подшипника. Точность размеров примерно соответствует классу точности Р4. Однорядный цилиндрический роликовый подшипник. Наружное кольцо имеет два борта. | 200.00 | 360.00 | 128.00 |
| F-804462.ZL-K-C3 | Роликовый радиальный подшипник. Внутренний зазор больше нормального. Коническое отверстие. Конусность 1/12. Цилиндрический роликовый подшипник. | 200.00 | 360.00 | 128.00 |
| 30240J/DFC570 | Роликовый радиальный-упорный двухрядный подшипник. Дорожки качения наружного кольца. угол контакта и ширина наружного кольца в соответствии с ISO. | 200.00 | 360.00 | 128.00 |
Способы доставки
Отправка через ведущие транспортные и курьерские компании: ПЭК, Деловые Линии, СДЭК, Байкал-Сервис, Энергия, КИТ, ЖелДорЭкспедиция.
Самовывоз возможен напрямую со склада в Москве.
Сроки доставки
Срок зависит от региона и выбранной транспортной компании. Все заказы комплектуются и отправляются в кратчайшие сроки со склада в Москве.
Надёжность и сохранность
Вся продукция упаковывается с учётом требований транспортировки. Мы гарантируем, что подшипники и комплектующие прибудут к заказчику в полной сохранности.
Доставка в страны ЕАЭС
Мы работаем с проверенными логистическими партнёрами, что позволяет оперативно доставлять заказы в Беларусь, Казахстан, Армению и другие страны ЕАЭС.
Варианты оплаты:
Минимальная сумма заказа и скидки:
Документы и гарантии:
Да, конечно! Наши технические специалисты готовы помочь вам с подбором точного аналога или замены подшипника. Просто позвоните нам по телефону +7 (495) 104-99-04 или напишите на почту zakaz@podsnab.ru.
Для оперативной консультации подготовьте, пожалуйста, имеющиеся данные: маркировку, размеры, тип оборудования или артикул старого подшипника.
Да, конечно! Мы высоко ценим долгосрочное сотрудничество и доверие клиентов по всей России. Для постоянных клиентов действует персональная система скидок.
Условия формируются индивидуально и зависят от:
Чтобы узнать свои условия и получить максимально выгодное предложение, свяжитесь с персональным менеджером или напишите нам на почту zakaz@podsnab.ru.
Вы можете оформить заказ несколькими способами:
Для оформления заказа от юридического лица свяжитесь с нашим отделом по работе с корпоративными клиентами по телефону +7 (495) 104-99-04 или напишите на email zakaz@podsnab.ru, прикрепив реквизиты вашей организации.
Мы оперативно подготовим коммерческое предложение и выставим счет.
Возврат товара надлежащего качества возможен в течение 10 дней с момента получения, если товар не был в употреблении, сохранен товарный вид, упаковка не вскрывалась и присутствуют все сопроводительные документы.
Возврат денежных средств осуществляется в течение 10 рабочих дней после проверки товара складом.
В соответствии с законодательством возврату не подлежат подшипники надлежащего качества, если отсутствует оригинальная упаковка или имеются следы монтажа.
В случае выявления брака или гарантийного случая мы гарантируем возврат или обмен товара.
Да, гарантийный срок хранения устанавливается заводом-изготовителем и в среднем составляет 2 года при соблюдении условий хранения: сухое помещение, оригинальная упаковка и смазка.
Точный срок для конкретного типа подшипника уточняйте у наших менеджеров.
Пн–Пт: с 8:00 до 17:00 (МСК).
Сб–Вс: выходные дни.
Заказы на сайте принимаются круглосуточно. Заявки, поступившие после окончания рабочего дня, обрабатываются на следующий рабочий день.
Минимальная сумма заказа для доставки составляет 3000 рублей. Самовывоз со склада возможен на любую сумму при наличии товара.
ООО «УралТехГрупп»
ИНН: 7415093830
КПП: 772401001
ОГРН: 1167456069021
Банк: ПАО Сбербанк
Р/с: 40702810838000475273
К/с: 30101810400000000225
БИК: 044525225
У подшипника 23240-K-MB-W33+AH3240 пока нет отзывов. Вы можете стать первым покупателем, поделившимся своим мнением.