Поиск подшипника
Статьи
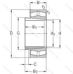
23238-K-MB-W33+AH3238 — Роликовый радиальный сферический двухрядный подшипник, модификация основного исполнения 23238, производство NKE.
Размер подшипника: 190x340x120 мм.
Канавка для смазки и три отверстия во внешнем кольце подшипника, сепаратор из латуни. центрированный по внутреннему кольцу, коническое отверстие. конусность 1/12.
Международная стандартизации ISO
23238KMBW33AH3238
В наличии
| Обозначение | Конструктивные изменения |
|---|---|
| 23238CAK W33 | Канавка для смазки и три отверстия во внешнем кольце подшипника. Сепаратор из латуни с механической обработкой. Коническое отверстие. Конусность 1/12. |
| 23238CAK C3 W33 | Внутренний зазор больше нормального. Канавка для смазки и три отверстия во внешнем кольце подшипника. Сепаратор из латуни с механической обработкой. Коническое отверстие. Конусность 1/12. |
| 23238C B33 MB J30 | 15° Угол контакта. Обработанный латунный сепаратор. Центрированное внутреннее кольцо. Радиальный внутренний зазор больше нормального. W33 (SKF)= смазочная канавка и три отверстия в наружном кольце подшипника. |
| 23238 W33 C3 | Внутренний зазор больше нормального. Канавка для смазки и три отверстия во внешнем кольце подшипника. |
| 23238C/C3W33 | Два стальных сепаратора оконного типа. Бесфланцевое внутреннее кольцо и направляющее кольцо центрировано на внутреннем кольце. Внутренний зазор больше нормального. Канавка для смазки и три отверстия во внешнем кольце подшипника. |
| 23238B L1 K D1 C3 | Внутренний зазор больше нормального. Коническое отверстие. конус 1/12. Internal Design Altered. W33 (SKF)= смазочная канавка и три отверстия в наружном кольце подшипника. Высокопрочный обработанный латунный сепаратор. |
| 23238EM K D1 | Коническое отверстие. конус 1/12. Канавка и три смазочных отверстия на наружном кольце. Стандартный фланцевый ( с резьбой и сквозным отверстием). |
| 23238KEMBW33C3 | Внутренний зазор больше нормального. Канавка для смазки и три отверстия во внешнем кольце подшипника. Коническое отверстие. конус 1/12. Land-Riding One-Piece Brass Cage. |
| 23238EMBW33 | Канавка для смазки и три отверстия во внешнем кольце подшипника. Land-Riding One-Piece Brass Cage. |
| 23238 KW33 | Кольцевая канавка и три отверстия для смазывания в наружном кольце подшипника. Коническое внутреннее отверстие. |
| 23238RHA | With Convex Symmetric Rollers And One-Piece Machined Cage. |
| 23238R | С выпуклыми асимметричными роликами и обработанным сепаратором. |
| 23238-K-MB-W33+H2338 | Канавка для смазки и три отверстия во внешнем кольце подшипника. Коническое отверстие. Конусность 1/12. сепаратор из латуни. центрированный по внутреннему кольцу. |
| 23238BK | Игольчатый роликовый подшипник со штампованным наружным кольцом с закрытым торцом. |
| 23238YM | 1 Piece Bronze Cage - Finger Type. |
| 23238MB | сепаратор из латуни. центрированный по внутреннему кольцу. |
| 23238 KCW33+H2338 | Кольцевая канавка и три отверстия для смазывания в наружном кольце подшипника. Коническое внутреннее отверстие. |
| 23238 KCW33+AH3238 | Кольцевая канавка и три отверстия для смазывания в наружном кольце подшипника. Коническое внутреннее отверстие. |
| 23238-E1-K + AH3238G | Коническое отверстие. Конусность 1/12. Конструкция с увеличенной грузоподьемностью. |
| 23238-B-K-MB+AH3238G | Коническое отверстие. Конусность 1/12. Конический роликовый подшипник. Угол контакта 20 градусов. сепаратор из латуни. центрированный по внутреннему кольцу. |
| 23238-B-K-MB+H2338 | Коническое отверстие. Конусность 1/12. Конический роликовый подшипник. Угол контакта 20 градусов. сепаратор из латуни. центрированный по внутреннему кольцу. |
| 23238-E1-K + H2338 | Коническое отверстие. Конусность 1/12. Конструкция с увеличенной грузоподьемностью. |
| 23238EK | Роликовый радиальный сферический двухрядный подшипник. |
| 23238E | Повышенная грузоподъемность. |
| 23238A2X | High Speed Spherical Roller Bearing. |
Модификации сферического роликового подшипника 23238-K-MB-W33+AH3238 — это измененное основное конструктивное исполнение 23238, основные размеры (190x340x120) не отличаются.
| Обозначение | Гост | Конструктивные особенности |
|---|---|---|
| TL23238CAKE4 | ISO | Роликовый радиальный сферический двухрядный подшипник. |
| TL23238CAE4 | ISO | Роликовый радиальный сферический двухрядный подшипник. |
Аналог сферического роликового подшипника 23238-K-MB-W33+AH3238 — это подшипник такого же размера dx190,Dx340,Bx120, типа и конструкции.
| Обозначение | Конструктивные особенности | Внутренний (d) | Наружный (D) | Ширина (B) |
|---|---|---|---|---|
| BX-23238CC/HA3L4BW33 | Подшипник роликовый сферический. Канавка для смазки и три отверстия во внешнем кольце подшипника. Два стальных сепаратора оконного типа. Бесфланцевое внутреннее кольцо и направляющее кольцо центрировано на внутреннем кольце. Закаленное внутреннее кольцо. Ролики и кольца подшипников с черным оксидированием. | 190.00 | 340.00 | 120.00 |
| 30238J2/DFC700 | Двухрядный конический роликовый подшипник. Штампованный стальной сепаратор. центрируемый по роликам. Число после J указывает на различные конструктивные исполнения сепаратора. Комплект из двух подшипников. согласованных для установки по Х-образной схеме. Число. следующее непосредственно после букв DF. обозначает конструкцию промежуточного кольца. Осевой зазор в мкм. | 190.00 | 340.00 | 120.00 |
| 30238DF C700 | Однорядный конический роликовый подшипник. Комплект из двух подшипников. согласованных для установки по Х-образной схеме. Число. следующее непосредственно после букв DF. обозначает конструкцию промежуточного кольца. Осевой зазор в мкм. | 190.00 | 340.00 | 120.00 |
| 3153238 | Роликовый радиальный двухрядный подшипник. | 190.00 | 340.00 | 120.00 |
| 3053238Н | Роликовый радиальный двухрядный подшипник. Детали из теплостойкой стали. | 190.00 | 340.00 | 120.00 |
| 3153238Н | Роликовый радиальный двухрядный подшипник. Детали из теплостойкой стали. | 190.00 | 340.00 | 120.00 |
| 190RUB32 | Роликовый радиальный сферический однорядный подшипник. | 190.00 | 340.00 | 120.00 |
| 190RUB32APV | Роликовый радиальный сферический однорядный подшипник. | 190.00 | 340.00 | 120.00 |
| N3238 | Роликовый радиальный однорядный подшипник. Канавка под стопорное кольцо на наружном кольце подшипника. | 190.00 | 340.00 | 120.00 |
| NF3238 | Роликовый радиальный однорядный подшипник. Механически обработанный сепаратор из стали или специального чугуна. Канавка под стопорное кольцо на наружном кольце подшипника. | 190.00 | 340.00 | 120.00 |
| NJ3238 | Роликовый радиальный однорядный подшипник. Штампованный сепаратор из стального листа. Канавка под стопорное кольцо на наружном кольце подшипника. Однорядный цилиндрический роликовый подшипник. Наружное кольцо имеет два борта. | 190.00 | 340.00 | 120.00 |
| NP3238 | Роликовый радиальный однорядный подшипник. Канавка под стопорное кольцо на наружном кольце подшипника. | 190.00 | 340.00 | 120.00 |
| NU3238 | Роликовый радиальный однорядный подшипник. Сталь сквозной закалки SUJ2 (японская) и взаимозаменяемость (только для метрических серий). Канавка под стопорное кольцо на наружном кольце подшипника. Однорядные цилиндрические роликоподшипники. Наружное кольцо подшипника имеет два борта. | 190.00 | 340.00 | 120.00 |
| NUP3238 | Роликовый радиальный однорядный подшипник. Канавка под стопорное кольцо на наружном кольце подшипника. Точность размеров примерно соответствует классу точности Р4. Однорядный цилиндрический роликовый подшипник. Наружное кольцо имеет два борта. | 190.00 | 340.00 | 120.00 |
| 30238J/DFC700 | Роликовый радиальный-упорный двухрядный подшипник. Дорожки качения наружного кольца. угол контакта и ширина наружного кольца в соответствии с ISO. | 190.00 | 340.00 | 120.00 |
Способы доставки
Отправка через ведущие транспортные и курьерские компании: ПЭК, Деловые Линии, СДЭК, Байкал-Сервис, Энергия, КИТ, ЖелДорЭкспедиция.
Самовывоз возможен напрямую со склада в Москве.
Сроки доставки
Срок зависит от региона и выбранной транспортной компании. Все заказы комплектуются и отправляются в кратчайшие сроки со склада в Москве.
Надёжность и сохранность
Вся продукция упаковывается с учётом требований транспортировки. Мы гарантируем, что подшипники и комплектующие прибудут к заказчику в полной сохранности.
Доставка в страны ЕАЭС
Мы работаем с проверенными логистическими партнёрами, что позволяет оперативно доставлять заказы в Беларусь, Казахстан, Армению и другие страны ЕАЭС.
Варианты оплаты:
Минимальная сумма заказа и скидки:
Документы и гарантии:
Да, конечно! Наши технические специалисты готовы помочь вам с подбором точного аналога или замены подшипника. Просто позвоните нам по телефону +7 (495) 104-99-04 или напишите на почту zakaz@podsnab.ru.
Для оперативной консультации подготовьте, пожалуйста, имеющиеся данные: маркировку, размеры, тип оборудования или артикул старого подшипника.
Да, конечно! Мы высоко ценим долгосрочное сотрудничество и доверие клиентов по всей России. Для постоянных клиентов действует персональная система скидок.
Условия формируются индивидуально и зависят от:
Чтобы узнать свои условия и получить максимально выгодное предложение, свяжитесь с персональным менеджером или напишите нам на почту zakaz@podsnab.ru.
Вы можете оформить заказ несколькими способами:
Для оформления заказа от юридического лица свяжитесь с нашим отделом по работе с корпоративными клиентами по телефону +7 (495) 104-99-04 или напишите на email zakaz@podsnab.ru, прикрепив реквизиты вашей организации.
Мы оперативно подготовим коммерческое предложение и выставим счет.
Возврат товара надлежащего качества возможен в течение 10 дней с момента получения, если товар не был в употреблении, сохранен товарный вид, упаковка не вскрывалась и присутствуют все сопроводительные документы.
Возврат денежных средств осуществляется в течение 10 рабочих дней после проверки товара складом.
В соответствии с законодательством возврату не подлежат подшипники надлежащего качества, если отсутствует оригинальная упаковка или имеются следы монтажа.
В случае выявления брака или гарантийного случая мы гарантируем возврат или обмен товара.
Да, гарантийный срок хранения устанавливается заводом-изготовителем и в среднем составляет 2 года при соблюдении условий хранения: сухое помещение, оригинальная упаковка и смазка.
Точный срок для конкретного типа подшипника уточняйте у наших менеджеров.
Пн–Пт: с 8:00 до 17:00 (МСК).
Сб–Вс: выходные дни.
Заказы на сайте принимаются круглосуточно. Заявки, поступившие после окончания рабочего дня, обрабатываются на следующий рабочий день.
Минимальная сумма заказа для доставки составляет 3000 рублей. Самовывоз со склада возможен на любую сумму при наличии товара.
ООО «УралТехГрупп»
ИНН: 7415093830
КПП: 772401001
ОГРН: 1167456069021
Банк: ПАО Сбербанк
Р/с: 40702810838000475273
К/с: 30101810400000000225
БИК: 044525225
У подшипника 23238-K-MB-W33+AH3238 пока нет отзывов. Вы можете стать первым покупателем, поделившимся своим мнением.