Поиск подшипника
Статьи
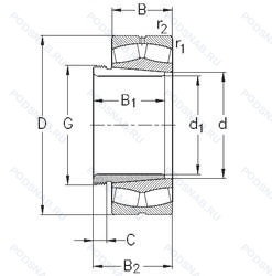
23264-K-MB-W33+AH3264 — Роликовый радиальный сферический двухрядный подшипник, модификация основного исполнения 23264, производство NKE.
Размер подшипника: 320x580x208 мм.
Канавка для смазки и три отверстия во внешнем кольце подшипника, сепаратор из латуни. центрированный по внутреннему кольцу, коническое отверстие. конусность 1/12.
Международная стандартизации ISO
23264KMBW33AH3264
В наличии
| Обозначение | Конструктивные изменения |
|---|---|
| 23264-BEA-XL-K-MB1-T52BW-C3 | Внутренний зазор больше нормального. Коническое отверстие. конус 1/12. Серия X-Life премиум-класс. увеличиный срок службы. Повышенная точность вращения до класса допуска ISO 5. 40° Угол контакта. High Capacity. All Four Corners Equal. Латунный сепаратор. массивный. |
| 23264KEJW906AC3 | Внутренний зазор больше нормального. Коническое отверстие. конус 1/12. Land-Riding Steel Cage_ One Per Row. Combination Of C02 (Inner Ring WIth P5 Running Accuracy. Mark High And Low Points Of Eccentricity On Face Of Rings) And C04 (Outer Ring WIth P5 Running Accuracy. Mark High And Low Points Of Eccentricity On Face Of Rings) And W31 (Bearing Inspected To Certain Quality Control Requirements) And W33 (Lubrication Groove And Three Holes In Bearing Outer Ring) And W40I (Inner Ring Only Made Of Carburizing Grade Steel) And W40R (Rollers Only Made Of Carburizing Grade Steel) - (Offered On Tapered Bore Product_ Supersedes W507A. W534A). |
| 23264W33 C3-EC | Внутренний зазор больше нормального. Канавка для смазки и три отверстия во внешнем кольце подшипника. Два стальных сепаратора оконного типа. внутреннее кольцо без фланца. направляющее кольцо с усиленным роликом. |
| 23264CAMKE4S11 | Коническое отверстие. конус 1/12. Внутреннее и наружное кольца термостабилизированы до 200°C. Канавка для смазки и три отверстия во внешнем кольце подшипника. Плавающее направляющее кольцо. Массивный латунный сепаратор. |
| 23264CA W33 C3 | Внутренний зазор больше нормального. Канавка для смазки и три отверстия во внешнем кольце подшипника. Сепаратор из латуни с механической обработкой. |
| 23264CAMKE4C3 | Внутренний зазор больше нормального. Коническое отверстие. конус 1/12. Канавка для смазки и три отверстия во внешнем кольце подшипника. Плавающее направляющее кольцо. Массивный латунный сепаратор. |
| 23264EM K D1 C3 | Внутренний зазор больше нормального. Коническое отверстие. конус 1/12. Канавка и три смазочных отверстия на наружном кольце. Стандартный фланцевый ( с резьбой и сквозным отверстием). |
| 23264W33 | Канавка для смазки и три отверстия во внешнем кольце подшипника. |
| 23264 K | Коническое отверстие. Конусность 1/12. |
| 23264 KW33 | Кольцевая канавка и три отверстия для смазывания в наружном кольце подшипника. Коническое внутреннее отверстие. |
| 23264R | С выпуклыми асимметричными роликами и обработанным сепаратором. |
| 23264RHA | With Convex Symmetric Rollers And One-Piece Machined Cage. |
| 23264-K-MB-W33+OH3264-H | Канавка для смазки и три отверстия во внешнем кольце подшипника. Коническое отверстие. Конусность 1/12. сепаратор из латуни. центрированный по внутреннему кольцу. Pressed Snap-Type Steel Cage. Hardened. |
| 23264B | Конический роликовый подшипник. Угол контакта 20 градусов. |
| 23264BK | Игольчатый роликовый подшипник со штампованным наружным кольцом с закрытым торцом. |
| 23264 CCK/W33 + OH 3264 H | Канавка для смазки и три отверстия во внешнем кольце подшипника. Pressed Snap-Type Steel Cage. Hardened. Отверстие для смазки. |
| 23264YMB | Бронзовый цельный сепаратор пальцевого типа. |
| 23264 KCW33+H3264 | Кольцевая канавка и три отверстия для смазывания в наружном кольце подшипника. Коническое внутреннее отверстие. |
| 23264 KCW33+AH3264 | Кольцевая канавка и три отверстия для смазывания в наружном кольце подшипника. Коническое внутреннее отверстие. |
| 23264-K-MB+AH3264G | Коническое отверстие. Конусность 1/12. сепаратор из латуни. центрированный по внутреннему кольцу. |
| 23264-E1A-K-MB1 + H3264-HG | Класс допуска (FAG) для подшипников шпинделя (аналог P2). Коническое отверстие. Конусность 1/12. Латунный сепаратор. массивный. |
| 23264-E1A-K-MB1 + AH3264G-H | Коническое отверстие. Конусность 1/12. Pressed Snap-Type Steel Cage. Hardened. Латунный сепаратор. массивный. |
| 23264-K-MB+H3264 | Коническое отверстие. Конусность 1/12. сепаратор из латуни. центрированный по внутреннему кольцу. |
| 23264EK | Роликовый радиальный сферический двухрядный подшипник. |
| 23264E | Повышенная грузоподъемность. |
Модификации сферического роликового подшипника 23264-K-MB-W33+AH3264 — это измененное основное конструктивное исполнение 23264, основные размеры (320x580x208) не отличаются.
| Обозначение | Конструктивные особенности | Внутренний (d) | Наружный (D) | Ширина (B) |
|---|---|---|---|---|
| F-803878.23264-MB-C3 | Подшипник роликовый сферический. Внутренний зазор больше нормального. сепаратор из латуни. центрированный по внутреннему кольцу. | 320.00 | 580.00 | 208.00 |
| F-803878.23264-E1A-C3 | Подшипник роликовый сферический. Внутренний зазор больше нормального. Модифицированная внутренняя конструкция. Конструкция с увеличенной грузоподьемностью. | 320.00 | 580.00 | 208.00 |
| 3003264-ХМ | Роликовый радиальный двухрядный подшипник. Модифицированный контакт.. Кольца и тела качения или только кольца (в том числе одно кольцо) из цементируемой стали.. | 320.00 | 580.00 | 208.00 |
| 3003264-АМН | Роликовый радиальный двухрядный подшипник. Детали из теплостойкой стали. Модифицированный контакт.. Повышенная грузоподъемность. | 320.00 | 580.00 | 208.00 |
| 30-3003264-НУ | Роликовый радиальный двухрядный подшипник. Детали из теплостойкой стали. Дополнительные технические требования. | 320.00 | 580.00 | 208.00 |
| 40-3003264 НУ | Роликовый радиальный двухрядный подшипник. Детали из теплостойкой стали. Дополнительные технические требования. | 320.00 | 580.00 | 208.00 |
| 6-3003264 НШ1 | Роликовый радиальный двухрядный подшипник. Детали из теплостойкой стали. Нормы шумности. | 320.00 | 580.00 | 208.00 |
| 6-3003264 НШ | Роликовый радиальный двухрядный подшипник. Детали из теплостойкой стали. Нормы шумности. | 320.00 | 580.00 | 208.00 |
| 3003264-АН | Роликовый радиальный двухрядный подшипник. Детали из теплостойкой стали. Повышенная грузоподъемность. | 320.00 | 580.00 | 208.00 |
| 3003264-Н | Роликовый радиальный двухрядный подшипник. Детали из теплостойкой стали. | 320.00 | 580.00 | 208.00 |
| 3003264АK | Роликовый радиальный двухрядный подшипник. Коническое отверстие. Конусность 1/12. Повышенная грузоподъемность. | 320.00 | 580.00 | 208.00 |
| 3003264-ХН | Роликовый радиальный двухрядный подшипник. Детали из теплостойкой стали. Кольца и тела качения или только кольца (в том числе одно кольцо) из цементируемой стали.. | 320.00 | 580.00 | 208.00 |
| 3053264Н | Роликовый радиальный двухрядный подшипник. Детали из теплостойкой стали. | 320.00 | 580.00 | 208.00 |
| 3153264Н | Роликовый радиальный двухрядный подшипник. Детали из теплостойкой стали. | 320.00 | 580.00 | 208.00 |
| 40-3003264 | Роликовый радиальный двухрядный подшипник. | 320.00 | 580.00 | 208.00 |
Способы доставки
Отправка через ведущие транспортные и курьерские компании: ПЭК, Деловые Линии, СДЭК, Байкал-Сервис, Энергия, КИТ, ЖелДорЭкспедиция.
Самовывоз возможен напрямую со склада в Москве.
Сроки доставки
Срок зависит от региона и выбранной транспортной компании. Все заказы комплектуются и отправляются в кратчайшие сроки со склада в Москве.
Надёжность и сохранность
Вся продукция упаковывается с учётом требований транспортировки. Мы гарантируем, что подшипники и комплектующие прибудут к заказчику в полной сохранности.
Доставка в страны ЕАЭС
Мы работаем с проверенными логистическими партнёрами, что позволяет оперативно доставлять заказы в Беларусь, Казахстан, Армению и другие страны ЕАЭС.
Варианты оплаты:
Минимальная сумма заказа и скидки:
Документы и гарантии:
Да, конечно! Наши технические специалисты готовы помочь вам с подбором точного аналога или замены подшипника. Просто позвоните нам по телефону +7 (495) 104-99-04 или напишите на почту zakaz@podsnab.ru.
Для оперативной консультации подготовьте, пожалуйста, имеющиеся данные: маркировку, размеры, тип оборудования или артикул старого подшипника.
Да, конечно! Мы высоко ценим долгосрочное сотрудничество и доверие клиентов по всей России. Для постоянных клиентов действует персональная система скидок.
Условия формируются индивидуально и зависят от:
Чтобы узнать свои условия и получить максимально выгодное предложение, свяжитесь с персональным менеджером или напишите нам на почту zakaz@podsnab.ru.
Вы можете оформить заказ несколькими способами:
Для оформления заказа от юридического лица свяжитесь с нашим отделом по работе с корпоративными клиентами по телефону +7 (495) 104-99-04 или напишите на email zakaz@podsnab.ru, прикрепив реквизиты вашей организации.
Мы оперативно подготовим коммерческое предложение и выставим счет.
Возврат товара надлежащего качества возможен в течение 10 дней с момента получения, если товар не был в употреблении, сохранен товарный вид, упаковка не вскрывалась и присутствуют все сопроводительные документы.
Возврат денежных средств осуществляется в течение 10 рабочих дней после проверки товара складом.
В соответствии с законодательством возврату не подлежат подшипники надлежащего качества, если отсутствует оригинальная упаковка или имеются следы монтажа.
В случае выявления брака или гарантийного случая мы гарантируем возврат или обмен товара.
Да, гарантийный срок хранения устанавливается заводом-изготовителем и в среднем составляет 2 года при соблюдении условий хранения: сухое помещение, оригинальная упаковка и смазка.
Точный срок для конкретного типа подшипника уточняйте у наших менеджеров.
Пн–Пт: с 8:00 до 17:00 (МСК).
Сб–Вс: выходные дни.
Заказы на сайте принимаются круглосуточно. Заявки, поступившие после окончания рабочего дня, обрабатываются на следующий рабочий день.
Минимальная сумма заказа для доставки составляет 3000 рублей. Самовывоз со склада возможен на любую сумму при наличии товара.
ООО «УралТехГрупп»
ИНН: 7415093830
КПП: 772401001
ОГРН: 1167456069021
Банк: ПАО Сбербанк
Р/с: 40702810838000475273
К/с: 30101810400000000225
БИК: 044525225
У подшипника 23264-K-MB-W33+AH3264 пока нет отзывов. Вы можете стать первым покупателем, поделившимся своим мнением.