Поиск подшипника
Статьи
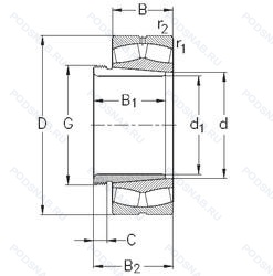
239/500-K-MB-W33+AH39/500 — Роликовый радиальный сферический двухрядный подшипник, модификация основного исполнения 239/500, производство NKE.
Размер подшипника: 500x670x128 мм.
Канавка для смазки и три отверстия во внешнем кольце подшипника, длина в мм, сепаратор из латуни. центрированный по внутреннему кольцу, коническое отверстие. конусность 1/12.
Международная стандартизации ISO
239500KMBW33AH39500
В наличии
| Обозначение | Конструктивные изменения |
|---|---|
| 239/500-MB-H40AB-H88-C3 | Внутренний зазор больше нормального. сепаратор из латуни. центрированный по внутреннему кольцу. Точность выполнения P5 для внутреннего кольца и P4 для внешнего кольца.. 6 смазочных отверстий на внутреннем кольце. |
| 239/500-MB-M30E | сепаратор из латуни. центрированный по внутреннему кольцу. Product With Test Report According To EN10204-2.2. |
| 239/500-MB-T52BW-C3 | Внутренний зазор больше нормального. сепаратор из латуни. центрированный по внутреннему кольцу. Повышенная точность вращения до класса допуска ISO 5. |
| 239/500CA W33 C3 | Внутренний зазор больше нормального. Канавка для смазки и три отверстия во внешнем кольце подшипника. Цельный обработанный латунный сепаратор. Двухрядный. Удерживающие фланцы на внутреннем кольце и центрированное направляющее кольцо на внутреннем кольце. |
| 239/500CA/C083W509 | Цельный обработанный латунный сепаратор. Двухрядный. Удерживающие фланцы на внутреннем кольце и центрированное направляющее кольцо на внутреннем кольце. Комбинация C08 ((Точность сегмента. Код 08) Повышенная точность вращения до класса точности 5 по ISO) и C3 (Внутренний зазор больше нормального). Комбинация W26 (шесть смазочных отверстий на внутреннем кольце) и W31 (сферические подшипники SKF. проверенные в соответствии с определенными требованиями контроля качества) и W33 (смазочная канавка и три отверстия на наружном кольце подшипника). |
| 239/500-K-MB-T52BW C3 | Внутренний зазор больше нормального. Коническое отверстие. конус 1/12. сепаратор из латуни. центрированный по внутреннему кольцу. Повышенная точность вращения до класса допуска ISO 5. |
| 239/500CA C3 W33 | Внутренний зазор больше нормального. Канавка для смазки и три отверстия во внешнем кольце подшипника. Сепаратор из латуни с механической обработкой. |
| 239/500MB.C3 | Внутренний зазор больше нормального. сепаратор из латуни. центрированный по внутреннему кольцу. |
| 239/500CAM E4 | Канавка для смазки и три отверстия во внешнем кольце подшипника. Плавающее направляющее кольцо. Массивный латунный сепаратор. |
| 239/500K | Коническое отверстие. Конусность 1/12. |
| 239/500 EKW33+OH39/500 | Длина в мм. |
| 239/500 KW33 | Кольцевая канавка и три отверстия для смазывания в наружном кольце подшипника. Коническое внутреннее отверстие. |
| 239/500W33 | Кольцевая канавка и три отверстия для смазывания в наружном кольце подшипника. |
| 239/500R | С выпуклыми асимметричными роликами и обработанным сепаратором. |
| 239/500-K-MB-W33+H39/500 | Канавка для смазки и три отверстия во внешнем кольце подшипника. Коническое отверстие. Конусность 1/12. сепаратор из латуни. центрированный по внутреннему кольцу. Длина в мм. |
| 239/500-K-MB-W33 | Канавка для смазки и три отверстия во внешнем кольце подшипника. Коническое отверстие. Конусность 1/12. сепаратор из латуни. центрированный по внутреннему кольцу. |
| 239/500YMB | Бронзовый цельный сепаратор пальцевого типа. |
| 239/500 KCW33+H39/500 | Кольцевая канавка и три отверстия для смазывания в наружном кольце подшипника. Коническое внутреннее отверстие. Длина в мм. |
| 239/500 KCW33+AH39/500 | Кольцевая канавка и три отверстия для смазывания в наружном кольце подшипника. Коническое внутреннее отверстие. Длина в мм. |
| 239/500-K-MB + H39/500-HG | Класс допуска (FAG) для подшипников шпинделя (аналог P2). Коническое отверстие. Конусность 1/12. сепаратор из латуни. центрированный по внутреннему кольцу. Длина в мм. |
| 239/500-K-MB+AH39/500 | Коническое отверстие. Конусность 1/12. сепаратор из латуни. центрированный по внутреннему кольцу. Длина в мм. |
| 239/500-K-MB+H39/500 | Коническое отверстие. Конусность 1/12. сепаратор из латуни. центрированный по внутреннему кольцу. Длина в мм. |
| 239/500-K-MB + AH39/500-H | Коническое отверстие. Конусность 1/12. сепаратор из латуни. центрированный по внутреннему кольцу. Pressed Snap-Type Steel Cage. Hardened. Длина в мм. |
| 239/500E | Повышенная грузоподъемность. |
| 239/500EK | Роликовый радиальный сферический двухрядный подшипник. |
Модификации сферического роликового подшипника 239/500-K-MB-W33+AH39/500 — это измененное основное конструктивное исполнение 239/500, основные размеры (500x670x128) не отличаются.
| Обозначение | Конструктивные особенности | Внутренний (d) | Наружный (D) | Ширина (B) |
|---|---|---|---|---|
| 239/500 | Подшипник роликовый сферический. Основное конструктивное исполнение. | 500.00 | 670.00 | 128.00 |
| 23/500CAK/C083W33 | Подшипник роликовый сферический. Канавка для смазки и три отверстия во внешнем кольце подшипника. Цельный обработанный латунный сепаратор. Двухрядный. Удерживающие фланцы на внутреннем кольце и центрированное направляющее кольцо на внутреннем кольце. Коническое отверстие. конус 1/12. Комбинация C08 ((Точность сегмента. Код 08) Повышенная точность вращения до класса точности 5 по ISO) и C3 (Внутренний зазор больше нормального). | 500.00 | 670.00 | 128.00 |
| 23/500CAK/C08W33 | Подшипник роликовый сферический. Канавка для смазки и три отверстия во внешнем кольце подшипника. Цельный обработанный латунный сепаратор. Двухрядный. Удерживающие фланцы на внутреннем кольце и центрированное направляющее кольцо на внутреннем кольце. Коническое отверстие. конус 1/12. Повышенная точность вращения до класса допуска ISO 5. | 500.00 | 670.00 | 128.00 |
| C39/500M | Тороидальный роликовый подшипник CARB. Тороидальный подшипник CARB. Обработанный латунный сепаратор оконного типа. Центрированный ролик. | 500.00 | 670.00 | 128.00 |
| C39/500KM | Тороидальный роликовый подшипник CARB. Тороидальный подшипник CARB. Коническое отверстие. конус 1/12. Обработанный латунный сепаратор оконного типа. Центрированный ролик. | 500.00 | 670.00 | 128.00 |
| NU39/500-ICS363NAFP | Однорядный цилиндрический роликовый подшипник. Holes In Inner Ring For Handling And Mounting. Механически обработанный сепаратор штифтового типа из углеродистой стали. Длина в мм. Center Value Of Special Radial Clearance. | 500.00 | 670.00 | 128.00 |
| N 39/500 ECMB/W33 | Роликовый радиальный цилиндрический однорядный подшипник. Однорядный цилиндрический роликовый подшипник. | 500.00 | 670.00 | 128.00 |
| NJ 39/500 ECMA | Роликовый радиальный цилиндрический однорядный подшипник. Измененная или модифицированная внутренняя конструкция при неизменных основных размерах. Однорядный цилиндрический роликовый подшипник. | 500.00 | 670.00 | 128.00 |
| N39/500 | Роликовый радиальный однорядный подшипник. Однорядный цилиндрический роликовый подшипник. Внутреннее кольцо подшипника имеет два борта. Длина в мм. | 500.00 | 670.00 | 128.00 |
| NF39/500 | Роликовый радиальный однорядный подшипник. Длина в мм. | 500.00 | 670.00 | 128.00 |
| NJ39/500 | Роликовый радиальный однорядный подшипник. Длина в мм. Однорядный цилиндрический роликовый подшипник. Наружное кольцо имеет два борта. | 500.00 | 670.00 | 128.00 |
| NP39/500 | Роликовый радиальный однорядный подшипник. Длина в мм. | 500.00 | 670.00 | 128.00 |
| NU39/500 | Роликовый радиальный однорядный подшипник. Длина в мм. Однорядные цилиндрические роликоподшипники. Наружное кольцо подшипника имеет два борта. | 500.00 | 670.00 | 128.00 |
| NUP39/500 | Роликовый радиальный однорядный подшипник. Длина в мм. Однорядный цилиндрический роликовый подшипник. Наружное кольцо имеет два борта. | 500.00 | 670.00 | 128.00 |
Способы доставки
Отправка через ведущие транспортные и курьерские компании: ПЭК, Деловые Линии, СДЭК, Байкал-Сервис, Энергия, КИТ, ЖелДорЭкспедиция.
Самовывоз возможен напрямую со склада в Москве.
Сроки доставки
Срок зависит от региона и выбранной транспортной компании. Все заказы комплектуются и отправляются в кратчайшие сроки со склада в Москве.
Надёжность и сохранность
Вся продукция упаковывается с учётом требований транспортировки. Мы гарантируем, что подшипники и комплектующие прибудут к заказчику в полной сохранности.
Доставка в страны ЕАЭС
Мы работаем с проверенными логистическими партнёрами, что позволяет оперативно доставлять заказы в Беларусь, Казахстан, Армению и другие страны ЕАЭС.
Варианты оплаты:
Минимальная сумма заказа и скидки:
Документы и гарантии:
Да, конечно! Наши технические специалисты готовы помочь вам с подбором точного аналога или замены подшипника. Просто позвоните нам по телефону +7 (495) 104-99-04 или напишите на почту zakaz@podsnab.ru.
Для оперативной консультации подготовьте, пожалуйста, имеющиеся данные: маркировку, размеры, тип оборудования или артикул старого подшипника.
Да, конечно! Мы высоко ценим долгосрочное сотрудничество и доверие клиентов по всей России. Для постоянных клиентов действует персональная система скидок.
Условия формируются индивидуально и зависят от:
Чтобы узнать свои условия и получить максимально выгодное предложение, свяжитесь с персональным менеджером или напишите нам на почту zakaz@podsnab.ru.
Вы можете оформить заказ несколькими способами:
Для оформления заказа от юридического лица свяжитесь с нашим отделом по работе с корпоративными клиентами по телефону +7 (495) 104-99-04 или напишите на email zakaz@podsnab.ru, прикрепив реквизиты вашей организации.
Мы оперативно подготовим коммерческое предложение и выставим счет.
Возврат товара надлежащего качества возможен в течение 10 дней с момента получения, если товар не был в употреблении, сохранен товарный вид, упаковка не вскрывалась и присутствуют все сопроводительные документы.
Возврат денежных средств осуществляется в течение 10 рабочих дней после проверки товара складом.
В соответствии с законодательством возврату не подлежат подшипники надлежащего качества, если отсутствует оригинальная упаковка или имеются следы монтажа.
В случае выявления брака или гарантийного случая мы гарантируем возврат или обмен товара.
Да, гарантийный срок хранения устанавливается заводом-изготовителем и в среднем составляет 2 года при соблюдении условий хранения: сухое помещение, оригинальная упаковка и смазка.
Точный срок для конкретного типа подшипника уточняйте у наших менеджеров.
Пн–Пт: с 8:00 до 17:00 (МСК).
Сб–Вс: выходные дни.
Заказы на сайте принимаются круглосуточно. Заявки, поступившие после окончания рабочего дня, обрабатываются на следующий рабочий день.
Минимальная сумма заказа для доставки составляет 3000 рублей. Самовывоз со склада возможен на любую сумму при наличии товара.
ООО «УралТехГрупп»
ИНН: 7415093830
КПП: 772401001
ОГРН: 1167456069021
Банк: ПАО Сбербанк
Р/с: 40702810838000475273
К/с: 30101810400000000225
БИК: 044525225
У подшипника 239/500-K-MB-W33+AH39/500 пока нет отзывов. Вы можете стать первым покупателем, поделившимся своим мнением.