Поиск подшипника
Статьи
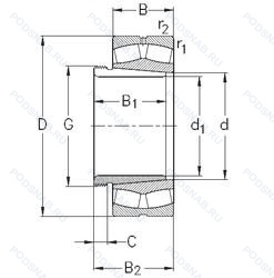
239/950-K-MB-W33+AH39/950 — Роликовый радиальный сферический двухрядный подшипник, модификация основного исполнения 239/950, производство NKE.
Размер подшипника: 950x1250x224 мм.
Канавка для смазки и три отверстия во внешнем кольце подшипника, сепаратор из латуни. центрированный по внутреннему кольцу, коническое отверстие. конусность 1/12.
Международная стандартизации ISO
239950KMBW33AH39950
В наличии
| Обозначение | Конструктивные изменения |
|---|---|
| 239/950 CAW33 | Измененная или модифицированная внутренняя конструкция при неизменных основных размерах. |
| 239/950CAK W33 | Канавка для смазки и три отверстия во внешнем кольце подшипника. Измененная или модифицированная внутренняя конструкция при неизменных основных размерах. |
| 239/950CAK/C08W33VQ35 | Lubrication Groove And Three Holes In Bearing Outer Ring. VQ(350)=Quality And Tolerances Other Than Standard. Цельный обработанный латунный сепаратор. Двухрядный. Удерживающие фланцы на внутреннем кольце и центрированное направляющее кольцо на внутреннем кольце. Коническое отверстие. конус 1/12. Повышенная точность вращения до класса допуска ISO 5. |
| 239/950B.MB.H40AB | Модифицированная внутренняя конструкция. сепаратор из латуни. центрированный по внутреннему кольцу. 6 смазочных отверстий на внутреннем кольце. |
| 239/950-B-K-MB-C3 | Внутренний зазор больше нормального. Коническое отверстие. конус 1/12. Модифицированная внутренняя конструкция. сепаратор из латуни. центрированный по внутреннему кольцу. |
| 239/950-B-MB | Модифицированная внутренняя конструкция. сепаратор из латуни. центрированный по внутреннему кольцу. |
| 239/950-B-K-MB-T52BW | Коническое отверстие. конус 1/12. Модифицированная внутренняя конструкция. сепаратор из латуни. центрированный по внутреннему кольцу. Повышенная точность вращения до класса допуска ISO 5. |
| 239/950-B-MB-H140-C3 | Внутренний зазор больше нормального. Модифицированная внутренняя конструкция. сепаратор из латуни. центрированный по внутреннему кольцу. Улучшенная точность хода в соответствии с T52BW. Наивысшая точка биения отмечена на внутреннем и наружном кольце. Круговая смазочная канавка и 6 смазочных отверстий на внутреннем кольце. Для заглушки смазочных отверстий предусмотрены алюминиевые заглушки (нужны только для гидравлического демонтажа. 6 маленьких заглушек для внутреннего кольца и 3 большие заглушки для наружного кольца). |
| 239/950-B-K-MB-W209B-C4 | Коническое отверстие. конус 1/12. Внутренний зазор подшипника больше. чем C3. Модифицированная внутренняя конструкция. сепаратор из латуни. центрированный по внутреннему кольцу. Закаленное внутреннее кольцо. |
| 239/950-B-K-MB | Коническое отверстие. конус 1/12. Модифицированная внутренняя конструкция. сепаратор из латуни. центрированный по внутреннему кольцу. |
| 239/950-B-MB1-H88 | Модифицированная внутренняя конструкция. Точность выполнения P5 для внутреннего кольца и P4 для внешнего кольца.. Латунный сепаратор. массивный. |
| 239/950-B-K-MB-T52BW-C3 | Внутренний зазор больше нормального. Коническое отверстие. конус 1/12. Модифицированная внутренняя конструкция. сепаратор из латуни. центрированный по внутреннему кольцу. Повышенная точность вращения до класса допуска ISO 5. |
| 239/950CAF W513 | Bearing With Six Lubrication Holes In The Inner Ring And Annular Groove And Three Lubrication Holes In The Outer RIng. As The CA-Design (Bearings With Symmetrical Rollers And Retaining RIbs. The Cage Is A One-Piece. Double Pronged Machined Cage Of Brass). But With A One-Piece. Double Pronged Machined Cage Of Steel. |
| 239/950CAK C2 W33 | Канавка для смазки и три отверстия во внешнем кольце подшипника. Сепаратор из латуни с механической обработкой. Коническое отверстие. конус 1/12. Внутренний зазор подшипника меньше нормального. |
| 239/950K | Коническое отверстие. Конусность 1/12. |
| 239/950W33 | Кольцевая канавка и три отверстия для смазывания в наружном кольце подшипника. |
| 239/950 KW33 | Кольцевая канавка и три отверстия для смазывания в наружном кольце подшипника. Коническое внутреннее отверстие. |
| 239/950R | С выпуклыми асимметричными роликами и обработанным сепаратором. |
| 239/950-MB-W33 | Канавка для смазки и три отверстия во внешнем кольце подшипника. сепаратор из латуни. центрированный по внутреннему кольцу. |
| 239/950-K-MB-W33 | Канавка для смазки и три отверстия во внешнем кольце подшипника. Коническое отверстие. Конусность 1/12. сепаратор из латуни. центрированный по внутреннему кольцу. |
| 239/950YMB | Бронзовый цельный сепаратор пальцевого типа. |
| 239/950 KCW33+H39/950 | Кольцевая канавка и три отверстия для смазывания в наружном кольце подшипника. Коническое внутреннее отверстие. |
| 239/950EK | Роликовый радиальный сферический двухрядный подшипник. |
| 239/950E | Повышенная грузоподъемность. |
| 239/950 CAK/W33 + OH 39/950 H | Канавка для смазки и три отверстия во внешнем кольце подшипника. Измененная или модифицированная внутренняя конструкция при неизменных основных размерах. Pressed Snap-Type Steel Cage. Hardened. Distance Between Beginning Of The Rail And First Hole In MM. Отверстие для смазки. |
Модификации сферического роликового подшипника 239/950-K-MB-W33+AH39/950 — это измененное основное конструктивное исполнение 239/950, основные размеры (950x1250x224) не отличаются.
| Обозначение | Конструктивные особенности | Внутренний (d) | Наружный (D) | Ширина (B) |
|---|---|---|---|---|
| C39/950M | Тороидальный роликовый подшипник CARB. Обработанный латунный сепаратор оконного типа. Центрированный ролик. | 950.00 | 1250.00 | 224.00 |
| C39/950KM | Тороидальный роликовый подшипник CARB. Коническое отверстие. конус 1/12. Обработанный латунный сепаратор оконного типа. Центрированный ролик. | 950.00 | 1250.00 | 224.00 |
| C 39/950 KMB | Роликовый радиальный подшипник. Тороидальный подшипник CARB. | 950.00 | 1250.00 | 224.00 |
| C 39/950 MB | Роликовый радиальный однорядный подшипник. Тороидальный подшипник CARB. | 950.00 | 1250.00 | 224.00 |
| 30029/950 | Роликовый радиальный цилиндрический подшипник. | 950.00 | 1250.00 | 224.00 |
| 6-30029/950 | Роликовый радиальный цилиндрический подшипник. | 950.00 | 1250.00 | 224.00 |
Способы доставки
Отправка через ведущие транспортные и курьерские компании: ПЭК, Деловые Линии, СДЭК, Байкал-Сервис, Энергия, КИТ, ЖелДорЭкспедиция.
Самовывоз возможен напрямую со склада в Москве.
Сроки доставки
Срок зависит от региона и выбранной транспортной компании. Все заказы комплектуются и отправляются в кратчайшие сроки со склада в Москве.
Надёжность и сохранность
Вся продукция упаковывается с учётом требований транспортировки. Мы гарантируем, что подшипники и комплектующие прибудут к заказчику в полной сохранности.
Доставка в страны ЕАЭС
Мы работаем с проверенными логистическими партнёрами, что позволяет оперативно доставлять заказы в Беларусь, Казахстан, Армению и другие страны ЕАЭС.
Варианты оплаты:
Минимальная сумма заказа и скидки:
Документы и гарантии:
Да, конечно! Наши технические специалисты готовы помочь вам с подбором точного аналога или замены подшипника. Просто позвоните нам по телефону +7 (495) 104-99-04 или напишите на почту zakaz@podsnab.ru.
Для оперативной консультации подготовьте, пожалуйста, имеющиеся данные: маркировку, размеры, тип оборудования или артикул старого подшипника.
Да, конечно! Мы высоко ценим долгосрочное сотрудничество и доверие клиентов по всей России. Для постоянных клиентов действует персональная система скидок.
Условия формируются индивидуально и зависят от:
Чтобы узнать свои условия и получить максимально выгодное предложение, свяжитесь с персональным менеджером или напишите нам на почту zakaz@podsnab.ru.
Вы можете оформить заказ несколькими способами:
Для оформления заказа от юридического лица свяжитесь с нашим отделом по работе с корпоративными клиентами по телефону +7 (495) 104-99-04 или напишите на email zakaz@podsnab.ru, прикрепив реквизиты вашей организации.
Мы оперативно подготовим коммерческое предложение и выставим счет.
Возврат товара надлежащего качества возможен в течение 10 дней с момента получения, если товар не был в употреблении, сохранен товарный вид, упаковка не вскрывалась и присутствуют все сопроводительные документы.
Возврат денежных средств осуществляется в течение 10 рабочих дней после проверки товара складом.
В соответствии с законодательством возврату не подлежат подшипники надлежащего качества, если отсутствует оригинальная упаковка или имеются следы монтажа.
В случае выявления брака или гарантийного случая мы гарантируем возврат или обмен товара.
Да, гарантийный срок хранения устанавливается заводом-изготовителем и в среднем составляет 2 года при соблюдении условий хранения: сухое помещение, оригинальная упаковка и смазка.
Точный срок для конкретного типа подшипника уточняйте у наших менеджеров.
Пн–Пт: с 8:00 до 17:00 (МСК).
Сб–Вс: выходные дни.
Заказы на сайте принимаются круглосуточно. Заявки, поступившие после окончания рабочего дня, обрабатываются на следующий рабочий день.
Минимальная сумма заказа для доставки составляет 3000 рублей. Самовывоз со склада возможен на любую сумму при наличии товара.
ООО «УралТехГрупп»
ИНН: 7415093830
КПП: 772401001
ОГРН: 1167456069021
Банк: ПАО Сбербанк
Р/с: 40702810838000475273
К/с: 30101810400000000225
БИК: 044525225
У подшипника 239/950-K-MB-W33+AH39/950 пока нет отзывов. Вы можете стать первым покупателем, поделившимся своим мнением.