Поиск подшипника
Статьи
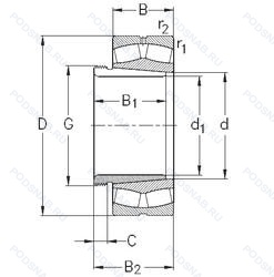
24024-CE-K30-W33+AH24024 — Роликовый радиальный сферический двухрядный подшипник, модификация основного исполнения 24024, производство NKE.
Размер подшипника: 120x180x60 мм.
Канавка для смазки и три отверстия во внешнем кольце подшипника, коническое отверстие. конусность 1/30, 15° угол контакта and (e) small size steel balls.
Международная стандартизации ISO
24024CEK30W33AH24024
В наличии
| Обозначение | Конструктивные изменения |
|---|---|
| 24024C E4 S11 | Штампованный стальной сепаратор из двух частей с направляющим кольцом. Внутреннее и наружное кольца термостабилизированы до 200°C. W33 (SKF)= смазочная канавка и три отверстия в наружном кольце подшипника. |
| 24024CE4C3S11 | Штампованный стальной сепаратор из двух частей с направляющим кольцом. Внутренний зазор больше нормального. Внутреннее и наружное кольца термостабилизированы до 200°C. W33 (SKF)= смазочная канавка и три отверстия в наружном кольце подшипника. |
| 24024CE4 | Штампованный стальной сепаратор из двух частей с направляющим кольцом. Канавка для смазки и три отверстия во внешнем кольце подшипника. |
| 24024CE4C3 | Штампованный стальной сепаратор из двух частей с направляющим кольцом. Внутренний зазор больше нормального. W33 (SKF)= смазочная канавка и три отверстия в наружном кольце подшипника. |
| 24024CAM E4 S11 | Внутреннее и наружное кольца термостабилизированы до 200°C. Канавка для смазки и три отверстия во внешнем кольце подшипника. Плавающее направляющее кольцо. Массивный латунный сепаратор. |
| 24024R W33 | Канавка для смазки и три отверстия во внешнем кольце подшипника. С выпуклыми асимметричными роликами и обработанным сепаратором. |
| 24024.EAW33C4 | Канавка для смазки и три отверстия во внешнем кольце подшипника. Внутренний зазор подшипника больше. чем C3. Увеличенная грузоподъемность. Лучше. чем прежний суффикс E. |
| 24024-E1-K30 | Коническое отверстие. Конусность 1/30. Конструкция с увеличенной грузоподьемностью. |
| 24024-E1-TVPB-C3 | Внутренний зазор больше нормального. Конструкция с увеличенной грузоподьемностью. Твердый оконный сепаратор из полиамида. армированного стекловолокном. Направляющие на внутреннем кольце. |
| 24024-2RS | Резиновые уплотнения с каждой стороны подшипника. |
| 24024 K30 | Коническое отверстие. Конусность 1/30. |
| 24024 K30W33 | Кольцевая канавка и три отверстия для смазывания в наружном кольце подшипника. Коническое внутреннее отверстие. |
| 24024RH | Выпуклые симметричные ролики и штампованный сепаратор. |
| 24024-CE-W33 | Канавка для смазки и три отверстия во внешнем кольце подшипника. 15° Угол контакта And (E) Small Size Steel Balls. |
| 24024B | Конический роликовый подшипник. Угол контакта 20 градусов. |
| 24024-2CS5/VT143 | Контактное уплотнение из листовой стали, усиленное гидрогенизированным акрилонитрил-бутадиеновым каучуком (HNBR) с обеих сторон. Свободное пространство в подшипнике на 70–100 % заполнено высокотемпературной смазкой.. Заполнение пластичной смазкой SKF LGEP 2 на 25–35 %. |
| 24024CJ | Стальной сепаратор из двух частей оконного типа. |
| 24024 K30 CW33 | Коническое отверстие. Конусность 1/30. |
| 24024 K30CW33+AH24024 | Кольцевая канавка и три отверстия для смазывания в наружном кольце подшипника. Коническое внутреннее отверстие. |
| 24024-E1-K30 + AH24024 | Коническое отверстие. Конусность 1/30. Конструкция с увеличенной грузоподьемностью. |
| 24024-E1-K30+AH+AH24024 | Коническое отверстие. Конусность 1/30. Конструкция с увеличенной грузоподьемностью. Противовращающийся штырь. Массивные ножки и свободный момент выравнивания. |
| 24024-E1-2VSR | Конструкция с увеличенной грузоподьемностью. Два контактных уплотнения из витона. |
| 24024-E1-2VSR-H40 | Конструкция с увеличенной грузоподьемностью. Без смазочных отверстий и смазочной канавки. Два контактных уплотнения из витона. |
| 24024EX1 | Сферический роликоподшипник высокой грузоподъемности. |
| 24024AX | Поверхность контакта скольжения сталь / сталь. |
Модификации сферического роликового подшипника 24024-CE-K30-W33+AH24024 — это измененное основное конструктивное исполнение 24024, основные размеры (120x180x60) не отличаются.
| Обозначение | Конструктивные особенности | Внутренний (d) | Наружный (D) | Ширина (B) |
|---|---|---|---|---|
| SL06024-E-C3 | Подшипник роликовый цилиндрический двухрядный. Внутренний зазор больше нормального. Повышенная грузоподъемность. | 120.00 | 180.00 | 60.00 |
| SL07024-C3 | Подшипник роликовый цилиндрический двухрядный. Внутренний зазор больше нормального. | 120.00 | 180.00 | 60.00 |
| C4024-2CS5V/C4GEM9 | Тороидальный роликовый подшипник CARB. Внутренний зазор подшипника больше. чем C3. Заполнен на 70 – 100 % смазкой LGHB 2. Контактное уплотнение из листовой стали, усиленное гидрогенизированным акрилонитрил-бутадиеновым каучуком (HNBR) с обеих сторон. Свободное пространство в подшипнике на 70–100 % заполнено высокотемпературной смазкой.. | 120.00 | 180.00 | 60.00 |
| C4024V/C4VM118 | Тороидальный роликовый подшипник CARB. Внутренний зазор подшипника больше. чем C3. Подшипник без сепаратора. С полным комплектом тел качения. | 120.00 | 180.00 | 60.00 |
| TA4024C3 | Однорядный цилиндрический роликовый подшипник. Внутренний зазор больше нормального. | 120.00 | 180.00 | 60.00 |
| TA4024VC3 | Однорядный цилиндрический роликовый подшипник. Внутренний зазор больше нормального. Подшипник без сепаратора. с полным набором тел качения. | 120.00 | 180.00 | 60.00 |
| SL05024-E | Подшипник роликовый цилиндрический двухрядный. Повышенная грузоподъемность. | 120.00 | 180.00 | 60.00 |
| C4024K30V | Тороидальный роликовый подшипник CARB. Тороидальный подшипник CARB. Коническое отверстие. Конусность 1/30. | 120.00 | 180.00 | 60.00 |
| C4024-2CS5V | Тороидальный роликовый подшипник CARB. Тороидальный подшипник CARB. Контактное уплотнение из листовой стали, усиленное гидрогенизированным акрилонитрил-бутадиеновым каучуком (HNBR) с обеих сторон. Свободное пространство в подшипнике на 70–100 % заполнено высокотемпературной смазкой.. | 120.00 | 180.00 | 60.00 |
| C 4024-2CS5V/GEM9 | Роликовый радиальный подшипник. Тороидальный подшипник CARB. Заполнен на 70 – 100 % смазкой LGHB 2. | 120.00 | 180.00 | 60.00 |
| C4024K30V/VE240 | Роликовый радиальный однорядный подшипник. Тороидальный подшипник CARB. Подшипник модифицирован для большего осевого смещения. | 120.00 | 180.00 | 60.00 |
| C4024V/VE240 | Роликовый радиальный однорядный подшипник. Тороидальный подшипник CARB. Подшипник без сепаратора. С полным комплектом тел качения. Подшипник модифицирован для большего осевого смещения. | 120.00 | 180.00 | 60.00 |
| NN4024 | Роликовый радиальный двухрядный подшипник. Канавка под стопорное кольцо на наружном кольце подшипника. Двухрядный цилиндрический роликовый подшипник. | 120.00 | 180.00 | 60.00 |
| NN4024 K | Роликовый радиальный двухрядный подшипник. Коническое внутреннее отверстие. Двухрядный цилиндрический роликовый подшипник. | 120.00 | 180.00 | 60.00 |
| AR120-30 | Роликовый радиальный-упорный двухрядный подшипник. Distance Between End Face And First Hole Of The Rail. | 120.00 | 180.00 | 60.00 |
Способы доставки
Отправка через ведущие транспортные и курьерские компании: ПЭК, Деловые Линии, СДЭК, Байкал-Сервис, Энергия, КИТ, ЖелДорЭкспедиция.
Самовывоз возможен напрямую со склада в Москве.
Сроки доставки
Срок зависит от региона и выбранной транспортной компании. Все заказы комплектуются и отправляются в кратчайшие сроки со склада в Москве.
Надёжность и сохранность
Вся продукция упаковывается с учётом требований транспортировки. Мы гарантируем, что подшипники и комплектующие прибудут к заказчику в полной сохранности.
Доставка в страны ЕАЭС
Мы работаем с проверенными логистическими партнёрами, что позволяет оперативно доставлять заказы в Беларусь, Казахстан, Армению и другие страны ЕАЭС.
Варианты оплаты:
Минимальная сумма заказа и скидки:
Документы и гарантии:
Да, конечно! Наши технические специалисты готовы помочь вам с подбором точного аналога или замены подшипника. Просто позвоните нам по телефону +7 (495) 104-99-04 или напишите на почту zakaz@podsnab.ru.
Для оперативной консультации подготовьте, пожалуйста, имеющиеся данные: маркировку, размеры, тип оборудования или артикул старого подшипника.
Да, конечно! Мы высоко ценим долгосрочное сотрудничество и доверие клиентов по всей России. Для постоянных клиентов действует персональная система скидок.
Условия формируются индивидуально и зависят от:
Чтобы узнать свои условия и получить максимально выгодное предложение, свяжитесь с персональным менеджером или напишите нам на почту zakaz@podsnab.ru.
Вы можете оформить заказ несколькими способами:
Для оформления заказа от юридического лица свяжитесь с нашим отделом по работе с корпоративными клиентами по телефону +7 (495) 104-99-04 или напишите на email zakaz@podsnab.ru, прикрепив реквизиты вашей организации.
Мы оперативно подготовим коммерческое предложение и выставим счет.
Возврат товара надлежащего качества возможен в течение 10 дней с момента получения, если товар не был в употреблении, сохранен товарный вид, упаковка не вскрывалась и присутствуют все сопроводительные документы.
Возврат денежных средств осуществляется в течение 10 рабочих дней после проверки товара складом.
В соответствии с законодательством возврату не подлежат подшипники надлежащего качества, если отсутствует оригинальная упаковка или имеются следы монтажа.
В случае выявления брака или гарантийного случая мы гарантируем возврат или обмен товара.
Да, гарантийный срок хранения устанавливается заводом-изготовителем и в среднем составляет 2 года при соблюдении условий хранения: сухое помещение, оригинальная упаковка и смазка.
Точный срок для конкретного типа подшипника уточняйте у наших менеджеров.
Пн–Пт: с 8:00 до 17:00 (МСК).
Сб–Вс: выходные дни.
Заказы на сайте принимаются круглосуточно. Заявки, поступившие после окончания рабочего дня, обрабатываются на следующий рабочий день.
Минимальная сумма заказа для доставки составляет 3000 рублей. Самовывоз со склада возможен на любую сумму при наличии товара.
ООО «УралТехГрупп»
ИНН: 7415093830
КПП: 772401001
ОГРН: 1167456069021
Банк: ПАО Сбербанк
Р/с: 40702810838000475273
К/с: 30101810400000000225
БИК: 044525225
У подшипника 24024-CE-K30-W33+AH24024 пока нет отзывов. Вы можете стать первым покупателем, поделившимся своим мнением.