Поиск подшипника
Статьи
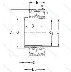
24036-K30-MB-W33+AH24036 — Роликовый радиальный сферический двухрядный подшипник, модификация основного исполнения 24036, производство NKE.
Размер подшипника: 180x280x100 мм.
Канавка для смазки и три отверстия во внешнем кольце подшипника, коническое отверстие. конусность 1/30, сепаратор из латуни. центрированный по внутреннему кольцу.
Международная стандартизации ISO
24036K30MBW33AH24036
В наличии
| Обозначение | Конструктивные изменения |
|---|---|
| 24036-BE-2VSR-H40-C4 | Внутренний зазор подшипника больше. чем C3. Увеличенная грузоподъемность подшипника. Без смазочных отверстий и смазочной канавки. Усиленные листовой сталью трущиеся уплотнения из фторкаучука (FPM) с обеих сторон подшипника, заполнен высокотемпературной смазкой из полиуретана от 70 до 100%, кольцевая канавка и три смазочных отверстия на наружном кольце. |
| 24036-BE-XL-2VSR-H40 | Серия X-Life премиум-класс. увеличиный срок службы. Увеличенная грузоподъемность подшипника. Без смазочных отверстий и смазочной канавки. Усиленные листовой сталью трущиеся уплотнения из фторкаучука (FPM) с обеих сторон подшипника, заполнен высокотемпературной смазкой из полиуретана от 70 до 100%, кольцевая канавка и три смазочных отверстия на наружном кольце. |
| 24036-BE-2VSR-H40 | Увеличенная грузоподъемность подшипника. Без смазочных отверстий и смазочной канавки. Усиленные листовой сталью трущиеся уплотнения из фторкаучука (FPM) с обеих сторон подшипника, заполнен высокотемпературной смазкой из полиуретана от 70 до 100%, кольцевая канавка и три смазочных отверстия на наружном кольце. |
| 24036C E4 C3 | Штампованный стальной сепаратор из двух частей с направляющим кольцом. Внутренний зазор больше нормального. W33 (SKF)= смазочная канавка и три отверстия в наружном кольце подшипника. |
| 24036KCJW33C4 | Канавка для смазки и три отверстия во внешнем кольце подшипника. Коническое отверстие. конус 1/12. Внутренний зазор подшипника больше. чем C3. Стальной сепаратор из двух частей оконного типа. |
| 24036KEJW33C4 | Канавка для смазки и три отверстия во внешнем кольце подшипника. Коническое отверстие. конус 1/12. Внутренний зазор подшипника больше. чем C3. Land-Riding Steel Cage_ One Per Row. |
| 24036-E1-K30-H40-W209B-C4 | Внутренний зазор подшипника больше. чем C3. Коническое отверстие. Конусность 1/30. Конструкция с увеличенной грузоподьемностью. Закаленное внутреннее кольцо. Без смазочных отверстий и смазочной канавки. |
| 24036-E1-K30-H40-W209B | Коническое отверстие. Конусность 1/30. Конструкция с увеличенной грузоподьемностью. Закаленное внутреннее кольцо. Без смазочных отверстий и смазочной канавки. |
| 24036-E1-H151D | Конструкция с увеличенной грузоподьемностью. Bearing Foreseen With A Special Groove On One Side Of The Bearing. Used To Fixate The Bearing Against Rotation. |
| 24036 K30 | Коническое отверстие. Конусность 1/30. |
| 24036-2RS | Резиновые уплотнения с каждой стороны подшипника. |
| 24036W33 | Кольцевая канавка и три отверстия для смазывания в наружном кольце подшипника. |
| 24036 K30W33 | Кольцевая канавка и три отверстия для смазывания в наружном кольце подшипника. Коническое внутреннее отверстие. |
| 24036RH | Выпуклые симметричные ролики и штампованный сепаратор. |
| 24036CJ | Стальной сепаратор из двух частей оконного типа. |
| 24036MB | сепаратор из латуни. центрированный по внутреннему кольцу. |
| 24036 K30CW33+AH24036 | Кольцевая канавка и три отверстия для смазывания в наружном кольце подшипника. Коническое внутреннее отверстие. |
| 24036 K30 CW33 | Коническое отверстие. Конусность 1/30. |
| 24036-E1-K30 | Коническое отверстие. Конусность 1/30. Конструкция с увеличенной грузоподьемностью. |
| 24036-E1-2VSR | Конструкция с увеличенной грузоподьемностью. Два контактных уплотнения из витона. |
| 24036-E1-2VSR-H40 | Конструкция с увеличенной грузоподьемностью. Без смазочных отверстий и смазочной канавки. Два контактных уплотнения из витона. |
| 24036-E1-K30 + AH24036 | Коническое отверстие. Конусность 1/30. Конструкция с увеличенной грузоподьемностью. |
| 24036EX1 | Сферический роликоподшипник высокой грузоподъемности. |
| 24036AX | Поверхность контакта скольжения сталь / сталь. |
| 24036 CCK30/W33 + AH 24036 | Канавка для смазки и три отверстия во внешнем кольце подшипника. Противовращающийся штырь. Массивные ножки и свободный момент выравнивания. |
Модификации сферического роликового подшипника 24036-K30-MB-W33+AH24036 — это измененное основное конструктивное исполнение 24036, основные размеры (180x280x100) не отличаются.
| Обозначение | Гост | Конструктивные особенности |
|---|---|---|
| 4553136-НЛ | ГОСТ | Детали из теплостойкой стали. Сепаратор из латуни.. |
Аналог сферического роликового подшипника 24036-K30-MB-W33+AH24036 — это подшипник такого же размера dx180,Dx280,Bx100, типа и конструкции.
| Обозначение | Конструктивные особенности | Внутренний (d) | Наружный (D) | Ширина (B) |
|---|---|---|---|---|
| 4553136H | Подшипник роликовый сферический. Pressed Snap-Type Steel Cage. Hardened. | 180.00 | 280.00 | 100.00 |
| SL05036-E | Подшипник роликовый цилиндрический двухрядный. Повышенная грузоподъемность. | 180.00 | 280.00 | 100.00 |
| SL05036-E-C3 | Подшипник роликовый цилиндрический двухрядный. Внутренний зазор больше нормального. Повышенная грузоподъемность. | 180.00 | 280.00 | 100.00 |
| 742036/GNP4 | Шариковый радиально-упорный подшипник двойного направления. Класс точности Р4 по ISO (точнее. чем P5) - Abec.7. Нормальный преднатяг. | 180.00 | 280.00 | 100.00 |
| SL05036-E-S1B-C5 | Подшипник роликовый цилиндрический двухрядный. Повышенная грузоподъемность. Внутренний зазор подшипника больше. чем С4. | 180.00 | 280.00 | 100.00 |
| 2406-E1A-K30-P-MB1-C3 | Подшипник роликовый сферический. Внутренний зазор больше нормального. Модифицированная внутренняя конструкция. Коническое отверстие. Конусность 1/30. Конструкция с увеличенной грузоподьемностью. Сеаратор из литого полиамида 6.6. армированного стекловолокном. Латунный сепаратор. массивный. | 180.00 | 280.00 | 100.00 |
| C4036V | Тороидальный роликовый подшипник CARB. Тороидальный подшипник CARB. Подшипник без сепаратора. С полным комплектом тел качения. | 180.00 | 280.00 | 100.00 |
| C4036K30V | Тороидальный роликовый подшипник CARB. Тороидальный подшипник CARB. Коническое отверстие. Конусность 1/30. | 180.00 | 280.00 | 100.00 |
| C4036-2CS5V | Тороидальный роликовый подшипник CARB. Контактное уплотнение из листовой стали, усиленное гидрогенизированным акрилонитрил-бутадиеновым каучуком (HNBR) с обеих сторон. Свободное пространство в подшипнике на 70–100 % заполнено высокотемпературной смазкой.. | 180.00 | 280.00 | 100.00 |
| SL05036E-RPP | Подшипник роликовый цилиндрический двухрядный. Повышенная грузоподъемность. Манжетные уплотнения с обеих сторон подшипника. | 180.00 | 280.00 | 100.00 |
| C 4036-2CS5V/GEM9 | Роликовый радиальный подшипник. Тороидальный подшипник CARB. Заполнен на 70 – 100 % смазкой LGHB 2. | 180.00 | 280.00 | 100.00 |
| SL06 036 E | Роликовый радиальный двухрядный подшипник. Повышенная грузоподъемность. | 180.00 | 280.00 | 100.00 |
| AR180-1 | Роликовый радиальный-упорный двухрядный подшипник. Number Of Carriages Per Rail Track. | 180.00 | 280.00 | 100.00 |
| 4053136Н | Роликовый радиальный двухрядный подшипник. Детали из теплостойкой стали. | 180.00 | 280.00 | 100.00 |
| 4153136Н | Роликовый радиальный двухрядный подшипник. Детали из теплостойкой стали. | 180.00 | 280.00 | 100.00 |
Способы доставки
Отправка через ведущие транспортные и курьерские компании: ПЭК, Деловые Линии, СДЭК, Байкал-Сервис, Энергия, КИТ, ЖелДорЭкспедиция.
Самовывоз возможен напрямую со склада в Москве.
Сроки доставки
Срок зависит от региона и выбранной транспортной компании. Все заказы комплектуются и отправляются в кратчайшие сроки со склада в Москве.
Надёжность и сохранность
Вся продукция упаковывается с учётом требований транспортировки. Мы гарантируем, что подшипники и комплектующие прибудут к заказчику в полной сохранности.
Доставка в страны ЕАЭС
Мы работаем с проверенными логистическими партнёрами, что позволяет оперативно доставлять заказы в Беларусь, Казахстан, Армению и другие страны ЕАЭС.
Варианты оплаты:
Минимальная сумма заказа и скидки:
Документы и гарантии:
Да, конечно! Наши технические специалисты готовы помочь вам с подбором точного аналога или замены подшипника. Просто позвоните нам по телефону +7 (495) 104-99-04 или напишите на почту zakaz@podsnab.ru.
Для оперативной консультации подготовьте, пожалуйста, имеющиеся данные: маркировку, размеры, тип оборудования или артикул старого подшипника.
Да, конечно! Мы высоко ценим долгосрочное сотрудничество и доверие клиентов по всей России. Для постоянных клиентов действует персональная система скидок.
Условия формируются индивидуально и зависят от:
Чтобы узнать свои условия и получить максимально выгодное предложение, свяжитесь с персональным менеджером или напишите нам на почту zakaz@podsnab.ru.
Вы можете оформить заказ несколькими способами:
Для оформления заказа от юридического лица свяжитесь с нашим отделом по работе с корпоративными клиентами по телефону +7 (495) 104-99-04 или напишите на email zakaz@podsnab.ru, прикрепив реквизиты вашей организации.
Мы оперативно подготовим коммерческое предложение и выставим счет.
Возврат товара надлежащего качества возможен в течение 10 дней с момента получения, если товар не был в употреблении, сохранен товарный вид, упаковка не вскрывалась и присутствуют все сопроводительные документы.
Возврат денежных средств осуществляется в течение 10 рабочих дней после проверки товара складом.
В соответствии с законодательством возврату не подлежат подшипники надлежащего качества, если отсутствует оригинальная упаковка или имеются следы монтажа.
В случае выявления брака или гарантийного случая мы гарантируем возврат или обмен товара.
Да, гарантийный срок хранения устанавливается заводом-изготовителем и в среднем составляет 2 года при соблюдении условий хранения: сухое помещение, оригинальная упаковка и смазка.
Точный срок для конкретного типа подшипника уточняйте у наших менеджеров.
Пн–Пт: с 8:00 до 17:00 (МСК).
Сб–Вс: выходные дни.
Заказы на сайте принимаются круглосуточно. Заявки, поступившие после окончания рабочего дня, обрабатываются на следующий рабочий день.
Минимальная сумма заказа для доставки составляет 3000 рублей. Самовывоз со склада возможен на любую сумму при наличии товара.
ООО «УралТехГрупп»
ИНН: 7415093830
КПП: 772401001
ОГРН: 1167456069021
Банк: ПАО Сбербанк
Р/с: 40702810838000475273
К/с: 30101810400000000225
БИК: 044525225
У подшипника 24036-K30-MB-W33+AH24036 пока нет отзывов. Вы можете стать первым покупателем, поделившимся своим мнением.