Поиск подшипника
Статьи
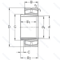
24048-K30-MB-W33+AH24048 — Роликовый радиальный сферический двухрядный подшипник, модификация основного исполнения 24048, производство NKE.
Размер подшипника: 240x360x118 мм.
Канавка для смазки и три отверстия во внешнем кольце подшипника, коническое отверстие. конусность 1/30, сепаратор из латуни. центрированный по внутреннему кольцу.
Международная стандартизации ISO
24048K30MBW33AH24048
В наличии
| Обозначение | Конструктивные изменения |
|---|---|
| 24048CA C4 W33 S1 | Канавка для смазки и три отверстия во внешнем кольце подшипника. Сепаратор из латуни с механической обработкой. Внутренний зазор подшипника больше. чем C3. Стабильность размеров при рабочих температурах до +200°C. |
| 24048CC C3 W33 S1 | Внутренний зазор больше нормального. Канавка для смазки и три отверстия во внешнем кольце подшипника. Стабильность размеров при рабочих температурах до +200°C. Bearing With Symmetrical Rollers. Flangeless Inner Ring. A Non-Intergral Guide Ring Between The Tow Rows Of Rollers Centred On The Inner Ring And One Pressed Steel Window-Type Cage For Each Roller Row. |
| 24048K30 CA C3 W33 | Внутренний зазор больше нормального. Канавка для смазки и три отверстия во внешнем кольце подшипника. Сепаратор из латуни с механической обработкой. Коническое отверстие. Конусность 1/30. |
| 24048K30 CA W33 | Канавка для смазки и три отверстия во внешнем кольце подшипника. Сепаратор из латуни с механической обработкой. Коническое отверстие. Конусность 1/30. |
| 24048BK30MB | Модифицированная внутренняя конструкция. сепаратор из латуни. центрированный по внутреннему кольцу. Коническое отверстие. Конусность 1/30. |
| 24048BK30MB.C3 | Внутренний зазор больше нормального. Модифицированная внутренняя конструкция. сепаратор из латуни. центрированный по внутреннему кольцу. Коническое отверстие. Конусность 1/30. |
| 24048-B-K-MB-C3 | Внутренний зазор больше нормального. Коническое отверстие. конус 1/12. Модифицированная внутренняя конструкция. сепаратор из латуни. центрированный по внутреннему кольцу. |
| 24048CGK30E4C4S11 | BEARING INTERNAL CLEARANCE GREATER THAN C3.. Heat stabilized up to 200 °. Канавка для смазки и три отверстия во внешнем кольце подшипника. Tapered bore. taper 1/30.. Carburised Steel Complete Bearing.. |
| 24048K | Коническое отверстие. конус 1/12. |
| 24048BS.MB.C3 | Внутренний зазор больше нормального. сепаратор из латуни. центрированный по внутреннему кольцу. SHORT LENGTH WITHOUT FLANGE. |
| 24048EJW33 | Канавка для смазки и три отверстия во внешнем кольце подшипника. Land-Riding Steel Cage_ One Per Row. |
| 24048E1K30 | Коническое отверстие. Конусность 1/30. Конструкция с увеличенной грузоподьемностью. |
| 24048W33 | Канавка для смазки и три отверстия во внешнем кольце подшипника. |
| 24048CK30E4S11 | Штампованный стальной сепаратор из двух частей с направляющим кольцом. Внутреннее и наружное кольца термостабилизированы до 200°C. W33 (SKF)= смазочная канавка и три отверстия в наружном кольце подшипника. Коническое отверстие. Конусность 1/30. |
| 24048E1.K30.C3 | Внутренний зазор больше нормального. Коническое отверстие. Конусность 1/30. Конструкция с увеличенной грузоподьемностью. |
| 24048 K30 | Коническое отверстие. Конусность 1/30. |
| 24048 K30W33 | Кольцевая канавка и три отверстия для смазывания в наружном кольце подшипника. Коническое внутреннее отверстие. |
| 24048RHA | With Convex Symmetric Rollers And One-Piece Machined Cage. |
| 24048R | С выпуклыми асимметричными роликами и обработанным сепаратором. |
| 24048YM | 1 Piece Bronze Cage - Finger Type. |
| 24048 K30 CW33 | Коническое отверстие. Конусность 1/30. |
| 24048 K30CW33+AH24048 | Кольцевая канавка и три отверстия для смазывания в наружном кольце подшипника. Коническое внутреннее отверстие. |
| 24048-E1-K30 + AH24048 | Коническое отверстие. Конусность 1/30. Конструкция с увеличенной грузоподьемностью. |
| 24048-B-K30-MB+AH24048 | Конический роликовый подшипник. Угол контакта 20 градусов. сепаратор из латуни. центрированный по внутреннему кольцу. Коническое отверстие. Конусность 1/30. |
| 24048E | Повышенная грузоподъемность. |
Модификации сферического роликового подшипника 24048-K30-MB-W33+AH24048 — это измененное основное конструктивное исполнение 24048, основные размеры (240x360x118) не отличаются.
| Обозначение | Конструктивные особенности | Внутренний (d) | Наружный (D) | Ширина (B) |
|---|---|---|---|---|
| 4003148 | Роликовый радиальный двухрядный подшипник. | 240.00 | 360.00 | 118.00 |
| 4053148 | Роликовый радиальный двухрядный подшипник. | 240.00 | 360.00 | 118.00 |
| 4113148 | Роликовый радиальный двухрядный подшипник. | 240.00 | 360.00 | 118.00 |
| 4153148 | Роликовый радиальный двухрядный подшипник. | 240.00 | 360.00 | 118.00 |
| 4053148Н | Роликовый радиальный двухрядный подшипник. Детали из теплостойкой стали. | 240.00 | 360.00 | 118.00 |
| 4153148Н | Роликовый радиальный двухрядный подшипник. Детали из теплостойкой стали. | 240.00 | 360.00 | 118.00 |
Способы доставки
Отправка через ведущие транспортные и курьерские компании: ПЭК, Деловые Линии, СДЭК, Байкал-Сервис, Энергия, КИТ, ЖелДорЭкспедиция.
Самовывоз возможен напрямую со склада в Москве.
Сроки доставки
Срок зависит от региона и выбранной транспортной компании. Все заказы комплектуются и отправляются в кратчайшие сроки со склада в Москве.
Надёжность и сохранность
Вся продукция упаковывается с учётом требований транспортировки. Мы гарантируем, что подшипники и комплектующие прибудут к заказчику в полной сохранности.
Доставка в страны ЕАЭС
Мы работаем с проверенными логистическими партнёрами, что позволяет оперативно доставлять заказы в Беларусь, Казахстан, Армению и другие страны ЕАЭС.
Варианты оплаты:
Минимальная сумма заказа и скидки:
Документы и гарантии:
Да, конечно! Наши технические специалисты готовы помочь вам с подбором точного аналога или замены подшипника. Просто позвоните нам по телефону +7 (495) 104-99-04 или напишите на почту zakaz@podsnab.ru.
Для оперативной консультации подготовьте, пожалуйста, имеющиеся данные: маркировку, размеры, тип оборудования или артикул старого подшипника.
Да, конечно! Мы высоко ценим долгосрочное сотрудничество и доверие клиентов по всей России. Для постоянных клиентов действует персональная система скидок.
Условия формируются индивидуально и зависят от:
Чтобы узнать свои условия и получить максимально выгодное предложение, свяжитесь с персональным менеджером или напишите нам на почту zakaz@podsnab.ru.
Вы можете оформить заказ несколькими способами:
Для оформления заказа от юридического лица свяжитесь с нашим отделом по работе с корпоративными клиентами по телефону +7 (495) 104-99-04 или напишите на email zakaz@podsnab.ru, прикрепив реквизиты вашей организации.
Мы оперативно подготовим коммерческое предложение и выставим счет.
Возврат товара надлежащего качества возможен в течение 10 дней с момента получения, если товар не был в употреблении, сохранен товарный вид, упаковка не вскрывалась и присутствуют все сопроводительные документы.
Возврат денежных средств осуществляется в течение 10 рабочих дней после проверки товара складом.
В соответствии с законодательством возврату не подлежат подшипники надлежащего качества, если отсутствует оригинальная упаковка или имеются следы монтажа.
В случае выявления брака или гарантийного случая мы гарантируем возврат или обмен товара.
Да, гарантийный срок хранения устанавливается заводом-изготовителем и в среднем составляет 2 года при соблюдении условий хранения: сухое помещение, оригинальная упаковка и смазка.
Точный срок для конкретного типа подшипника уточняйте у наших менеджеров.
Пн–Пт: с 8:00 до 17:00 (МСК).
Сб–Вс: выходные дни.
Заказы на сайте принимаются круглосуточно. Заявки, поступившие после окончания рабочего дня, обрабатываются на следующий рабочий день.
Минимальная сумма заказа для доставки составляет 3000 рублей. Самовывоз со склада возможен на любую сумму при наличии товара.
ООО «УралТехГрупп»
ИНН: 7415093830
КПП: 772401001
ОГРН: 1167456069021
Банк: ПАО Сбербанк
Р/с: 40702810838000475273
К/с: 30101810400000000225
БИК: 044525225
У подшипника 24048-K30-MB-W33+AH24048 пока нет отзывов. Вы можете стать первым покупателем, поделившимся своим мнением.