Поиск подшипника
Статьи
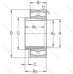
24056-K30-MB-W33+AH24056 — Роликовый радиальный сферический двухрядный подшипник, модификация основного исполнения 24056, производство NKE.
Размер подшипника: 280x420x140 мм.
Канавка для смазки и три отверстия во внешнем кольце подшипника, коническое отверстие. конусность 1/30, сепаратор из латуни. центрированный по внутреннему кольцу.
Международная стандартизации ISO
24056K30MBW33AH24056
В наличии
| Обозначение | Конструктивные изменения |
|---|---|
| 24056B.MB.C2 | Внутренний зазор подшипника меньше нормального. Модифицированная внутренняя конструкция. сепаратор из латуни. центрированный по внутреннему кольцу. |
| 24056B.MB.C4 | Внутренний зазор подшипника больше. чем C3. Модифицированная внутренняя конструкция. сепаратор из латуни. центрированный по внутреннему кольцу. |
| 24056BK30.MB.C3 | Внутренний зазор больше нормального. Модифицированная внутренняя конструкция. сепаратор из латуни. центрированный по внутреннему кольцу. Коническое отверстие. Конусность 1/30. |
| 24056CA C2 W33 | Канавка для смазки и три отверстия во внешнем кольце подшипника. Сепаратор из латуни с механической обработкой. Внутренний зазор подшипника меньше нормального. |
| 24056CA C3 W33 | Внутренний зазор больше нормального. Канавка для смазки и три отверстия во внешнем кольце подшипника. Сепаратор из латуни с механической обработкой. |
| 24056CA C4 W33 | Канавка для смазки и три отверстия во внешнем кольце подшипника. Сепаратор из латуни с механической обработкой. Внутренний зазор подшипника больше. чем C3. |
| 24056CA W33 | Канавка для смазки и три отверстия во внешнем кольце подшипника. Сепаратор из латуни с механической обработкой. |
| 24056K30 CA W33 | Канавка для смазки и три отверстия во внешнем кольце подшипника. Сепаратор из латуни с механической обработкой. Коническое отверстие. Конусность 1/30. |
| 24056V B33 MB J30 | Обработанный латунный сепаратор. Центрированное внутреннее кольцо. Увеличенная грузоподъемность. Модификация внутренней конструкции. Радиальный внутренний зазор больше нормального. W33 (SKF)= смазочная канавка и три отверстия в наружном кольце подшипника. |
| 24056KEMBW33C3 | Внутренний зазор больше нормального. Канавка для смазки и три отверстия во внешнем кольце подшипника. Коническое отверстие. конус 1/12. Land-Riding One-Piece Brass Cage. |
| 24056CC/C08W503 | Два стальных сепаратора оконного типа. Бесфланцевое внутреннее кольцо и направляющее кольцо центрировано на внутреннем кольце. Повышенная точность вращения до класса допуска ISO 5. W4 (Marking Of The Largest Radial Runout Deviation On The Inner Ring Or Sleeve.(Hi-point Of Eccentricity)) With Addition Of W33 (Lubrication Groove And Three Holes In Bearing Outer Ring). |
| 24056-BEA-XL-MB1-C3 | Внутренний зазор больше нормального. Серия X-Life премиум-класс. увеличиный срок службы. 40° Угол контакта. High Capacity. All Four Corners Equal. Латунный сепаратор. массивный. |
| 24056-BEA-MB1-C3 | Внутренний зазор больше нормального. 40° Угол контакта. High Capacity. All Four Corners Equal. Латунный сепаратор. массивный. |
| 24056CAME4C3 | Внутренний зазор больше нормального. Канавка для смазки и три отверстия во внешнем кольце подшипника. Плавающее направляющее кольцо. Массивный латунный сепаратор. |
| 24056K30 C3 W33 | Внутренний зазор больше нормального. Канавка для смазки и три отверстия во внешнем кольце подшипника. Коническое отверстие. Конусность 1/30. |
| 24056-E1-K30-P-C3 | Внутренний зазор больше нормального. Коническое отверстие. Конусность 1/30. Конструкция с увеличенной грузоподьемностью. Сеаратор из литого полиамида 6.6. армированного стекловолокном. |
| 24056W33 | Кольцевая канавка и три отверстия для смазывания в наружном кольце подшипника. |
| 24056RHA | With Convex Symmetric Rollers And One-Piece Machined Cage. |
| 24056R | С выпуклыми асимметричными роликами и обработанным сепаратором. |
| 24056B | Конический роликовый подшипник. Угол контакта 20 градусов. |
| 24056YMB | Бронзовый цельный сепаратор пальцевого типа. |
| 24056-B-K30-MB+AH24056 | Конический роликовый подшипник. Угол контакта 20 градусов. сепаратор из латуни. центрированный по внутреннему кольцу. Коническое отверстие. Конусность 1/30. |
| 24056-E1-K30 + AH24056 | Коническое отверстие. Конусность 1/30. Конструкция с увеличенной грузоподьемностью. |
| 24056E | Повышенная грузоподъемность. |
| 24056 CCK30/W33 + AOH 24056 G | Канавка для смазки и три отверстия во внешнем кольце подшипника. Устройство повторного смазывания со смазочной канавкой и отверстием на внешнем кольце. |
Модификации сферического роликового подшипника 24056-K30-MB-W33+AH24056 — это измененное основное конструктивное исполнение 24056, основные размеры (280x420x140) не отличаются.
| Обозначение | Конструктивные особенности | Внутренний (d) | Наружный (D) | Ширина (B) |
|---|---|---|---|---|
| Z-538565.24056-E1 | Подшипник роликовый сферический. Конструкция с увеличенной грузоподьемностью. | 280.00 | 420.00 | 140.00 |
| F-807874.24056-B | Подшипник роликовый сферический. Модифицированная внутренняя конструкция. | 280.00 | 420.00 | 140.00 |
| 4003156 | Роликовый радиальный двухрядный подшипник. | 280.00 | 420.00 | 140.00 |
| 4053156 | Роликовый радиальный двухрядный подшипник. | 280.00 | 420.00 | 140.00 |
| 4113156 | Роликовый радиальный двухрядный подшипник. | 280.00 | 420.00 | 140.00 |
| 4153156 | Роликовый радиальный двухрядный подшипник. | 280.00 | 420.00 | 140.00 |
| NNU 4056 M/W33 | Роликовый радиальный цилиндрический двухрядный подшипник. Канавка для смазки и три отверстия во внешнем кольце подшипника. Подшипник с латунным сепаратором. центрированный по телам качения. Двухрядный цилиндрический роликовый подшипник. | 280.00 | 420.00 | 140.00 |
| NNU 4056 KM/W33 | Роликовый радиальный цилиндрический двухрядный подшипник. Канавка для смазки и три отверстия во внешнем кольце подшипника. Type Of Model. Двухрядный цилиндрический роликовый подшипник. | 280.00 | 420.00 | 140.00 |
| 4053156Н | Роликовый радиальный двухрядный подшипник. Детали из теплостойкой стали. | 280.00 | 420.00 | 140.00 |
| 4153156Н | Роликовый радиальный двухрядный подшипник. Детали из теплостойкой стали. | 280.00 | 420.00 | 140.00 |
Способы доставки
Отправка через ведущие транспортные и курьерские компании: ПЭК, Деловые Линии, СДЭК, Байкал-Сервис, Энергия, КИТ, ЖелДорЭкспедиция.
Самовывоз возможен напрямую со склада в Москве.
Сроки доставки
Срок зависит от региона и выбранной транспортной компании. Все заказы комплектуются и отправляются в кратчайшие сроки со склада в Москве.
Надёжность и сохранность
Вся продукция упаковывается с учётом требований транспортировки. Мы гарантируем, что подшипники и комплектующие прибудут к заказчику в полной сохранности.
Доставка в страны ЕАЭС
Мы работаем с проверенными логистическими партнёрами, что позволяет оперативно доставлять заказы в Беларусь, Казахстан, Армению и другие страны ЕАЭС.
Варианты оплаты:
Минимальная сумма заказа и скидки:
Документы и гарантии:
Да, конечно! Наши технические специалисты готовы помочь вам с подбором точного аналога или замены подшипника. Просто позвоните нам по телефону +7 (495) 104-99-04 или напишите на почту zakaz@podsnab.ru.
Для оперативной консультации подготовьте, пожалуйста, имеющиеся данные: маркировку, размеры, тип оборудования или артикул старого подшипника.
Да, конечно! Мы высоко ценим долгосрочное сотрудничество и доверие клиентов по всей России. Для постоянных клиентов действует персональная система скидок.
Условия формируются индивидуально и зависят от:
Чтобы узнать свои условия и получить максимально выгодное предложение, свяжитесь с персональным менеджером или напишите нам на почту zakaz@podsnab.ru.
Вы можете оформить заказ несколькими способами:
Для оформления заказа от юридического лица свяжитесь с нашим отделом по работе с корпоративными клиентами по телефону +7 (495) 104-99-04 или напишите на email zakaz@podsnab.ru, прикрепив реквизиты вашей организации.
Мы оперативно подготовим коммерческое предложение и выставим счет.
Возврат товара надлежащего качества возможен в течение 10 дней с момента получения, если товар не был в употреблении, сохранен товарный вид, упаковка не вскрывалась и присутствуют все сопроводительные документы.
Возврат денежных средств осуществляется в течение 10 рабочих дней после проверки товара складом.
В соответствии с законодательством возврату не подлежат подшипники надлежащего качества, если отсутствует оригинальная упаковка или имеются следы монтажа.
В случае выявления брака или гарантийного случая мы гарантируем возврат или обмен товара.
Да, гарантийный срок хранения устанавливается заводом-изготовителем и в среднем составляет 2 года при соблюдении условий хранения: сухое помещение, оригинальная упаковка и смазка.
Точный срок для конкретного типа подшипника уточняйте у наших менеджеров.
Пн–Пт: с 8:00 до 17:00 (МСК).
Сб–Вс: выходные дни.
Заказы на сайте принимаются круглосуточно. Заявки, поступившие после окончания рабочего дня, обрабатываются на следующий рабочий день.
Минимальная сумма заказа для доставки составляет 3000 рублей. Самовывоз со склада возможен на любую сумму при наличии товара.
ООО «УралТехГрупп»
ИНН: 7415093830
КПП: 772401001
ОГРН: 1167456069021
Банк: ПАО Сбербанк
Р/с: 40702810838000475273
К/с: 30101810400000000225
БИК: 044525225
У подшипника 24056-K30-MB-W33+AH24056 пока нет отзывов. Вы можете стать первым покупателем, поделившимся своим мнением.