Поиск подшипника
Статьи
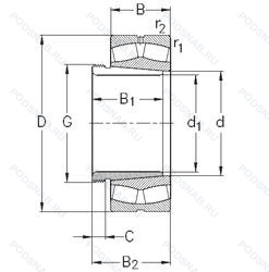
24088-K30-MB-W33+AHX24088 — Роликовый радиальный сферический двухрядный подшипник, модификация основного исполнения 24088, производство NKE.
Размер подшипника: 440x650x212 мм.
Канавка для смазки и три отверстия во внешнем кольце подшипника, коническое отверстие. конусность 1/30, сепаратор из латуни. центрированный по внутреннему кольцу.
Международная стандартизации ISO
24088K30MBW33AHX24088
В наличии
| Обозначение | Конструктивные изменения |
|---|---|
| 24088CAB W33X | As The CA Design (Bearings With Symmetrical Rollers And Retaining RIbs. The Cage Is A One-Piece. Double Pronged Machined Cage Of Brass) But With Pierced Rollers And A Pin-Type Cage Of Steel. То же. что и W33 (смазочная канавка и три отверстия на наружном кольце подшипника). но с шестью смазочными отверстиями. |
| 24088K30 CA C3 W33X | Внутренний зазор больше нормального. Сепаратор из латуни с механической обработкой. Коническое отверстие. Конусность 1/30. То же. что и W33 (смазочная канавка и три отверстия на наружном кольце подшипника). но с шестью смазочными отверстиями. |
| 24088CAM E4 C3 | Внутренний зазор больше нормального. Канавка для смазки и три отверстия во внешнем кольце подшипника. Плавающее направляющее кольцо. Массивный латунный сепаратор. |
| 24088CAM E4 | Канавка для смазки и три отверстия во внешнем кольце подшипника. Плавающее направляющее кольцо. Массивный латунный сепаратор. |
| 24088B.MB | Модифицированная внутренняя конструкция. сепаратор из латуни. центрированный по внутреннему кольцу. |
| 24088-B-K30-MB-C3 | Внутренний зазор больше нормального. Модифицированная внутренняя конструкция. сепаратор из латуни. центрированный по внутреннему кольцу. Коническое отверстие. Конусность 1/30. |
| 24088-BEA-XL-MB1 | Серия X-Life премиум-класс. увеличиный срок службы. 40° Угол контакта. High Capacity. All Four Corners Equal. Латунный сепаратор. массивный. |
| 24088-BEA-XL-MB1-C3 | Внутренний зазор больше нормального. Серия X-Life премиум-класс. увеличиный срок службы. 40° Угол контакта. High Capacity. All Four Corners Equal. Латунный сепаратор. массивный. |
| 24088-BEA-XL-K30-MB1-C3 | Внутренний зазор больше нормального. Серия X-Life премиум-класс. увеличиный срок службы. Коническое отверстие. Конусность 1/30. 40° Угол контакта. High Capacity. All Four Corners Equal. Латунный сепаратор. массивный. |
| 24088 K30 | Коническое отверстие. Конусность 1/30. |
| 24088 K30W33 | Кольцевая канавка и три отверстия для смазывания в наружном кольце подшипника. Коническое внутреннее отверстие. |
| 24088W33 | Кольцевая канавка и три отверстия для смазывания в наружном кольце подшипника. |
| 24088RHA | With Convex Symmetric Rollers And One-Piece Machined Cage. |
| 24088R | С выпуклыми асимметричными роликами и обработанным сепаратором. |
| 24088-K30-MB-W33 | Канавка для смазки и три отверстия во внешнем кольце подшипника. сепаратор из латуни. центрированный по внутреннему кольцу. Коническое отверстие. Конусность 1/30. |
| 24088-MB-W33 | Канавка для смазки и три отверстия во внешнем кольце подшипника. сепаратор из латуни. центрированный по внутреннему кольцу. |
| 24088B | Конический роликовый подшипник. Угол контакта 20 градусов. |
| 24088YMB | Бронзовый цельный сепаратор пальцевого типа. |
| 24088 K30 CW33 | Коническое отверстие. Конусность 1/30. |
| 24088 K30CW33+AH24084 | Кольцевая канавка и три отверстия для смазывания в наружном кольце подшипника. Коническое внутреннее отверстие. |
| 24088-E1A-MB1 | Латунный сепаратор. массивный. |
| 24088-B-K30-MB+AH24088 | Конический роликовый подшипник. Угол контакта 20 градусов. сепаратор из латуни. центрированный по внутреннему кольцу. Коническое отверстие. Конусность 1/30. |
| 24088-B-K30-MB + AH24088-H | Конический роликовый подшипник. Угол контакта 20 градусов. сепаратор из латуни. центрированный по внутреннему кольцу. Pressed Snap-Type Steel Cage. Hardened. Коническое отверстие. Конусность 1/30. |
| 24088E | Повышенная грузоподъемность. |
| 24088 ECAK30/W33 + AOH 24088 | Канавка для смазки и три отверстия во внешнем кольце подшипника. Измененная или модифицированная внутренняя конструкция при неизменных основных размерах. |
Модификации сферического роликового подшипника 24088-K30-MB-W33+AHX24088 — это измененное основное конструктивное исполнение 24088, основные размеры (440x650x212) не отличаются.
| Обозначение | Конструктивные особенности | Внутренний (d) | Наружный (D) | Ширина (B) |
|---|---|---|---|---|
| Z-511997.TR2-W209C | Подшипник роликовый конический двухрядный. Двухрядный конический роликоподшипник. Paper Mill Bearing. | 440.00 | 650.00 | 212.00 |
| Z-511997.TR2 | Подшипник роликовый конический двухрядный. Двухрядный конический роликоподшипник. | 440.00 | 650.00 | 212.00 |
| NNU4088C1NAP4 | Роликовый радиальный двухрядный подшипник. | 440.00 | 650.00 | 212.00 |
| 4003188 | Роликовый радиальный двухрядный подшипник. | 440.00 | 650.00 | 212.00 |
| 4113188 | Роликовый радиальный двухрядный подшипник. | 440.00 | 650.00 | 212.00 |
| NNU 4088 KM/W33 | Роликовый радиальный цилиндрический двухрядный подшипник. Канавка для смазки и три отверстия во внешнем кольце подшипника. Type Of Model. Двухрядный цилиндрический роликовый подшипник. | 440.00 | 650.00 | 212.00 |
| NNU 4088 M/W33 | Роликовый радиальный цилиндрический двухрядный подшипник. Канавка для смазки и три отверстия во внешнем кольце подшипника. Подшипник с латунным сепаратором. центрированный по телам качения. Двухрядный цилиндрический роликовый подшипник. | 440.00 | 650.00 | 212.00 |
| NNU4088A | Роликовый радиальный двухрядный подшипник. Двухрядный радиально-упорный шарикоподшипник без отверстия для смазки. | 440.00 | 650.00 | 212.00 |
| 97188-М | Роликовый радиальный-упорный двухрядный подшипник. Модифицированный контакт.. | 440.00 | 650.00 | 212.00 |
| 66-4262188 X | Роликовый радиальный двухрядный подшипник. Измененные размеры границ. введенные пересмотренными стандартами ISO. | 440.00 | 650.00 | 212.00 |
| 66-4262188 Х | Роликовый радиальный двухрядный подшипник. Кольца и тела качения или только кольца (в том числе одно кольцо) из цементируемой стали.. | 440.00 | 650.00 | 212.00 |
Способы доставки
Отправка через ведущие транспортные и курьерские компании: ПЭК, Деловые Линии, СДЭК, Байкал-Сервис, Энергия, КИТ, ЖелДорЭкспедиция.
Самовывоз возможен напрямую со склада в Москве.
Сроки доставки
Срок зависит от региона и выбранной транспортной компании. Все заказы комплектуются и отправляются в кратчайшие сроки со склада в Москве.
Надёжность и сохранность
Вся продукция упаковывается с учётом требований транспортировки. Мы гарантируем, что подшипники и комплектующие прибудут к заказчику в полной сохранности.
Доставка в страны ЕАЭС
Мы работаем с проверенными логистическими партнёрами, что позволяет оперативно доставлять заказы в Беларусь, Казахстан, Армению и другие страны ЕАЭС.
Варианты оплаты:
Минимальная сумма заказа и скидки:
Документы и гарантии:
Да, конечно! Наши технические специалисты готовы помочь вам с подбором точного аналога или замены подшипника. Просто позвоните нам по телефону +7 (495) 104-99-04 или напишите на почту zakaz@podsnab.ru.
Для оперативной консультации подготовьте, пожалуйста, имеющиеся данные: маркировку, размеры, тип оборудования или артикул старого подшипника.
Да, конечно! Мы высоко ценим долгосрочное сотрудничество и доверие клиентов по всей России. Для постоянных клиентов действует персональная система скидок.
Условия формируются индивидуально и зависят от:
Чтобы узнать свои условия и получить максимально выгодное предложение, свяжитесь с персональным менеджером или напишите нам на почту zakaz@podsnab.ru.
Вы можете оформить заказ несколькими способами:
Для оформления заказа от юридического лица свяжитесь с нашим отделом по работе с корпоративными клиентами по телефону +7 (495) 104-99-04 или напишите на email zakaz@podsnab.ru, прикрепив реквизиты вашей организации.
Мы оперативно подготовим коммерческое предложение и выставим счет.
Возврат товара надлежащего качества возможен в течение 10 дней с момента получения, если товар не был в употреблении, сохранен товарный вид, упаковка не вскрывалась и присутствуют все сопроводительные документы.
Возврат денежных средств осуществляется в течение 10 рабочих дней после проверки товара складом.
В соответствии с законодательством возврату не подлежат подшипники надлежащего качества, если отсутствует оригинальная упаковка или имеются следы монтажа.
В случае выявления брака или гарантийного случая мы гарантируем возврат или обмен товара.
Да, гарантийный срок хранения устанавливается заводом-изготовителем и в среднем составляет 2 года при соблюдении условий хранения: сухое помещение, оригинальная упаковка и смазка.
Точный срок для конкретного типа подшипника уточняйте у наших менеджеров.
Пн–Пт: с 8:00 до 17:00 (МСК).
Сб–Вс: выходные дни.
Заказы на сайте принимаются круглосуточно. Заявки, поступившие после окончания рабочего дня, обрабатываются на следующий рабочий день.
Минимальная сумма заказа для доставки составляет 3000 рублей. Самовывоз со склада возможен на любую сумму при наличии товара.
ООО «УралТехГрупп»
ИНН: 7415093830
КПП: 772401001
ОГРН: 1167456069021
Банк: ПАО Сбербанк
Р/с: 40702810838000475273
К/с: 30101810400000000225
БИК: 044525225
У подшипника 24088-K30-MB-W33+AHX24088 пока нет отзывов. Вы можете стать первым покупателем, поделившимся своим мнением.