Поиск подшипника
Статьи
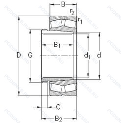
24138-K30-MB-W33+AH24138 — Роликовый радиальный сферический двухрядный подшипник, модификация основного исполнения 24138, производство NKE.
Размер подшипника: 190x320x128 мм.
Канавка для смазки и три отверстия во внешнем кольце подшипника, коническое отверстие. конусность 1/30, сепаратор из латуни. центрированный по внутреннему кольцу.
Международная стандартизации ISO
24138K30MBW33AH24138
В наличии
| Обозначение | Конструктивные изменения |
|---|---|
| 24138-E1-C4 | Внутренний зазор подшипника больше. чем C3. Конструкция с увеличенной грузоподьемностью. |
| 24138-E1 | Конструкция с увеличенной грузоподьемностью. |
| 24138R W33 C3 | Внутренний зазор больше нормального. Канавка для смазки и три отверстия во внешнем кольце подшипника. С выпуклыми асимметричными роликами и обработанным сепаратором. |
| 24138C3 W33 | Внутренний зазор больше нормального. Канавка для смазки и три отверстия во внешнем кольце подшипника. |
| 24138CA C4 W33 S1 | Канавка для смазки и три отверстия во внешнем кольце подшипника. Сепаратор из латуни с механической обработкой. Внутренний зазор подшипника больше. чем C3. Стабильность размеров при рабочих температурах до +200°C. |
| 24138K30 CA C2 W33 S1 | Канавка для смазки и три отверстия во внешнем кольце подшипника. Сепаратор из латуни с механической обработкой. Внутренний зазор подшипника меньше нормального. Стабильность размеров при рабочих температурах до +200°C. Коническое отверстие. Конусность 1/30. |
| 24138K30 CA C3 W33 S1 | Внутренний зазор больше нормального. Канавка для смазки и три отверстия во внешнем кольце подшипника. Сепаратор из латуни с механической обработкой. Стабильность размеров при рабочих температурах до +200°C. Коническое отверстие. Конусность 1/30. |
| 24138-CE-W33 | Канавка для смазки и три отверстия во внешнем кольце подшипника. Имеют симметричные сферические ролики и стандартно оснащены сепаратором из штампованной стали. |
| 24138B D1 X50 | Цельное ребристое внутреннее кольцо. Асимметричные ролики и фиксатор с центральной направляющей. Канавка для смазки и три отверстия во внешнем кольце подшипника. Фаска. |
| 24138CA K30 W33 | Канавка для смазки и три отверстия во внешнем кольце подшипника. Сепаратор из латуни с механической обработкой. Коническое отверстие. Конусность 1/30. |
| 24138-2CS5K30/VT143 | Заполнение пластичной смазкой SKF LGEP 2 на 25–35 %. |
| 24138-2RS | Резиновые уплотнения с каждой стороны подшипника. |
| 24138 K30W33 | Кольцевая канавка и три отверстия для смазывания в наружном кольце подшипника. Коническое внутреннее отверстие. |
| 24138W33 | Кольцевая канавка и три отверстия для смазывания в наружном кольце подшипника. |
| 24138R | С выпуклыми асимметричными роликами и обработанным сепаратором. |
| 24138RHA | With Convex Symmetric Rollers And One-Piece Machined Cage. |
| 24138CJ | Стальной сепаратор из двух частей оконного типа. |
| 24138MB | сепаратор из латуни. центрированный по внутреннему кольцу. |
| 24138 K30CW33+AH24138 | Кольцевая канавка и три отверстия для смазывания в наружном кольце подшипника. Коническое внутреннее отверстие. |
| 24138 K30 CW33 | Коническое отверстие. Конусность 1/30. |
| 24138-E1-K30 + AH24138 | Коническое отверстие. Конусность 1/30. Конструкция с увеличенной грузоподьемностью. |
| 24138-E1-K30 | Коническое отверстие. Конусность 1/30. Конструкция с увеличенной грузоподьемностью. |
| 24138-E1-2VSR | Конструкция с увеличенной грузоподьемностью. Два контактных уплотнения из витона. |
| 24138-E1-2VSR-H40 | Конструкция с увеличенной грузоподьемностью. Без смазочных отверстий и смазочной канавки. Два контактных уплотнения из витона. |
| 24138E | Повышенная грузоподъемность. |
Модификации сферического роликового подшипника 24138-K30-MB-W33+AH24138 — это измененное основное конструктивное исполнение 24138, основные размеры (190x320x128) не отличаются.
| Обозначение | Конструктивные особенности | Внутренний (d) | Наружный (D) | Ширина (B) |
|---|---|---|---|---|
| STF24138BCG5WTK30E4C2UR4 | Подшипник роликовый сферический. Канавка для смазки и три отверстия во внешнем кольце подшипника. Внутренний зазор подшипника меньше нормального. Коническое отверстие. Конусность 1/30. Carburized Steel - Inner And Outer Ring Carburized (Same As HA1). | 190.00 | 320.00 | 128.00 |
| NNU4138M/W33 | Двухрядный цилиндрический роликовый подшипник. Канавка для смазки и три отверстия во внешнем кольце подшипника. Механически обработанный латунный сепаратор. клёпаный. центрируемый по роликам. Двухрядный цилиндрический роликовый подшипник. | 190.00 | 320.00 | 128.00 |
| C3138 | Тороидальный роликовый подшипник CARB. Тороидальный подшипник CARB. | 190.00 | 320.00 | 128.00 |
| C4138V | Тороидальный роликовый подшипник CARB. Тороидальный подшипник CARB. Подшипник без сепаратора. С полным комплектом тел качения. | 190.00 | 320.00 | 128.00 |
| C4138K30V | Тороидальный роликовый подшипник CARB. Тороидальный подшипник CARB. Коническое отверстие. Конусность 1/30. | 190.00 | 320.00 | 128.00 |
| C4138-2CS5V | Тороидальный роликовый подшипник CARB. Контактное уплотнение из листовой стали, усиленное гидрогенизированным акрилонитрил-бутадиеновым каучуком (HNBR) с обеих сторон. Свободное пространство в подшипнике на 70–100 % заполнено высокотемпературной смазкой.. | 190.00 | 320.00 | 128.00 |
| BX-NNU4138M/W33 | Однорядный цилиндрический роликовый подшипник. Канавка для смазки и три отверстия во внешнем кольце подшипника. Механически обработанный латунный сепаратор. клёпаный. центрируемый по роликам. | 190.00 | 320.00 | 128.00 |
| C 4138-2CS5V/GEM9 | Роликовый радиальный подшипник. Тороидальный подшипник CARB. Заполнен на 70 – 100 % смазкой LGHB 2. | 190.00 | 320.00 | 128.00 |
| 4113738 | Роликовый радиальный двухрядный подшипник. | 190.00 | 320.00 | 128.00 |
| 4153738 | Роликовый радиальный двухрядный подшипник. | 190.00 | 320.00 | 128.00 |
| 190RUB41APV | Роликовый радиальный сферический однорядный подшипник. | 190.00 | 320.00 | 128.00 |
| NNU4138-M | Роликовый радиальный двухрядный подшипник. Подшипник с латунным сепаратором. центрированный по телам качения. | 190.00 | 320.00 | 128.00 |
| NNU 4138 K30M/W33 | Роликовый радиальный двухрядный подшипник. Канавка для смазки и три отверстия во внешнем кольце подшипника. Двухрядный цилиндрический роликовый подшипник. | 190.00 | 320.00 | 128.00 |
| 4053738Н | Роликовый радиальный двухрядный подшипник. Детали из теплостойкой стали. | 190.00 | 320.00 | 128.00 |
| 4153738Н | Роликовый радиальный двухрядный подшипник. Детали из теплостойкой стали. | 190.00 | 320.00 | 128.00 |
Способы доставки
Отправка через ведущие транспортные и курьерские компании: ПЭК, Деловые Линии, СДЭК, Байкал-Сервис, Энергия, КИТ, ЖелДорЭкспедиция.
Самовывоз возможен напрямую со склада в Москве.
Сроки доставки
Срок зависит от региона и выбранной транспортной компании. Все заказы комплектуются и отправляются в кратчайшие сроки со склада в Москве.
Надёжность и сохранность
Вся продукция упаковывается с учётом требований транспортировки. Мы гарантируем, что подшипники и комплектующие прибудут к заказчику в полной сохранности.
Доставка в страны ЕАЭС
Мы работаем с проверенными логистическими партнёрами, что позволяет оперативно доставлять заказы в Беларусь, Казахстан, Армению и другие страны ЕАЭС.
Варианты оплаты:
Минимальная сумма заказа и скидки:
Документы и гарантии:
Да, конечно! Наши технические специалисты готовы помочь вам с подбором точного аналога или замены подшипника. Просто позвоните нам по телефону +7 (495) 104-99-04 или напишите на почту zakaz@podsnab.ru.
Для оперативной консультации подготовьте, пожалуйста, имеющиеся данные: маркировку, размеры, тип оборудования или артикул старого подшипника.
Да, конечно! Мы высоко ценим долгосрочное сотрудничество и доверие клиентов по всей России. Для постоянных клиентов действует персональная система скидок.
Условия формируются индивидуально и зависят от:
Чтобы узнать свои условия и получить максимально выгодное предложение, свяжитесь с персональным менеджером или напишите нам на почту zakaz@podsnab.ru.
Вы можете оформить заказ несколькими способами:
Для оформления заказа от юридического лица свяжитесь с нашим отделом по работе с корпоративными клиентами по телефону +7 (495) 104-99-04 или напишите на email zakaz@podsnab.ru, прикрепив реквизиты вашей организации.
Мы оперативно подготовим коммерческое предложение и выставим счет.
Возврат товара надлежащего качества возможен в течение 10 дней с момента получения, если товар не был в употреблении, сохранен товарный вид, упаковка не вскрывалась и присутствуют все сопроводительные документы.
Возврат денежных средств осуществляется в течение 10 рабочих дней после проверки товара складом.
В соответствии с законодательством возврату не подлежат подшипники надлежащего качества, если отсутствует оригинальная упаковка или имеются следы монтажа.
В случае выявления брака или гарантийного случая мы гарантируем возврат или обмен товара.
Да, гарантийный срок хранения устанавливается заводом-изготовителем и в среднем составляет 2 года при соблюдении условий хранения: сухое помещение, оригинальная упаковка и смазка.
Точный срок для конкретного типа подшипника уточняйте у наших менеджеров.
Пн–Пт: с 8:00 до 17:00 (МСК).
Сб–Вс: выходные дни.
Заказы на сайте принимаются круглосуточно. Заявки, поступившие после окончания рабочего дня, обрабатываются на следующий рабочий день.
Минимальная сумма заказа для доставки составляет 3000 рублей. Самовывоз со склада возможен на любую сумму при наличии товара.
ООО «УралТехГрупп»
ИНН: 7415093830
КПП: 772401001
ОГРН: 1167456069021
Банк: ПАО Сбербанк
Р/с: 40702810838000475273
К/с: 30101810400000000225
БИК: 044525225
У подшипника 24138-K30-MB-W33+AH24138 пока нет отзывов. Вы можете стать первым покупателем, поделившимся своим мнением.