Поиск подшипника
Статьи
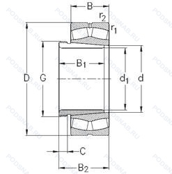
24148-K30-MB-W33+AH24148 — Роликовый радиальный сферический двухрядный подшипник, модификация основного исполнения 24148, производство NKE.
Размер подшипника: 240x400x160 мм.
Канавка для смазки и три отверстия во внешнем кольце подшипника, коническое отверстие. конусность 1/30, сепаратор из латуни. центрированный по внутреннему кольцу.
Международная стандартизации ISO
24148K30MBW33AH24148
В наличии
| Обозначение | Конструктивные изменения |
|---|---|
| 24148CA C2 G HA3 W33X | Сепаратор из латуни с механической обработкой. Внутренний зазор подшипника меньше нормального. Helical Groove In Bearing Bore. Закаленное внутреннее кольцо. То же. что и W33 (смазочная канавка и три отверстия на наружном кольце подшипника). но с шестью смазочными отверстиями. |
| 24148CA W33 S1 | Канавка для смазки и три отверстия во внешнем кольце подшипника. Сепаратор из латуни с механической обработкой. Стабильность размеров при рабочих температурах до +200°C. |
| 24148CA W33 | Канавка для смазки и три отверстия во внешнем кольце подшипника. Сепаратор из латуни с механической обработкой. |
| 24148CAME4C3 | Внутренний зазор больше нормального. Канавка для смазки и три отверстия во внешнем кольце подшипника. Плавающее направляющее кольцо. Массивный латунный сепаратор. |
| 24148CAME4 | Канавка для смазки и три отверстия во внешнем кольце подшипника. Плавающее направляющее кольцо. Массивный латунный сепаратор. |
| 24148CA W33X S1 A | Сепаратор из латуни с механической обработкой. значение этого символа. прикрепленного к базовому коду. специально не зафиксировано. Они используются в соответствии с требованиями к выявлению изменений конструкции подшипника и определенным конструктивным особенностям. Также их можно совмещать между собой. Стабильность размеров при рабочих температурах до +200°C. То же. что и W33 (смазочная канавка и три отверстия на наружном кольце подшипника). но с шестью смазочными отверстиями. |
| 24148K30 CA C3 W33 | Внутренний зазор больше нормального. Канавка для смазки и три отверстия во внешнем кольце подшипника. Сепаратор из латуни с механической обработкой. Коническое отверстие. Конусность 1/30. |
| 24148-B-C5 | Модифицированная внутренняя конструкция. Внутренний зазор подшипника больше. чем С4. |
| 24148CK30 E4 S11 | Внутреннее и наружное кольца термостабилизированы до 200°C. Канавка для смазки и три отверстия во внешнем кольце подшипника. |
| 24148EMBW33C3 | Внутренний зазор больше нормального. Канавка для смазки и три отверстия во внешнем кольце подшипника. Land-Riding One-Piece Brass Cage. |
| 24148CE4 | Штампованный стальной сепаратор из двух частей с направляющим кольцом. Канавка для смазки и три отверстия во внешнем кольце подшипника. |
| 24148C2 W33 | Канавка для смазки и три отверстия во внешнем кольце подшипника. Внутренний зазор подшипника меньше нормального. |
| 24148K30 W33 | Канавка для смазки и три отверстия во внешнем кольце подшипника. Коническое отверстие. Конусность 1/30. |
| 24148-E1-H76-W209C | Конструкция с увеличенной грузоподьемностью. Paper Mill Bearing. Bearings Of Especially Heat-Treated Steel With Spiral Groove In The Inner Ring Bore_ H76 Replaces Z33. |
| 24148 K30 | Коническое отверстие. Конусность 1/30. |
| 24148W33 | Кольцевая канавка и три отверстия для смазывания в наружном кольце подшипника. |
| 24148R | С выпуклыми асимметричными роликами и обработанным сепаратором. |
| 24148RHA | With Convex Symmetric Rollers And One-Piece Machined Cage. |
| 24148YMB | Бронзовый цельный сепаратор пальцевого типа. |
| 24148 K30 CW33 | Коническое отверстие. Конусность 1/30. |
| 24148 K30CW33+AH24148 | Кольцевая канавка и три отверстия для смазывания в наружном кольце подшипника. Коническое внутреннее отверстие. |
| 24148-B-K30+AH24148 | Конический роликовый подшипник. Угол контакта 20 градусов. Коническое отверстие. Конусность 1/30. |
| 24148-E1-K30 + AH24148 | Коническое отверстие. Конусность 1/30. Конструкция с увеличенной грузоподьемностью. |
| 24148-E1 | Конструкция с увеличенной грузоподьемностью. |
| 24148E | Повышенная грузоподъемность. |
Модификации сферического роликового подшипника 24148-K30-MB-W33+AH24148 — это измененное основное конструктивное исполнение 24148, основные размеры (240x400x160) не отличаются.
| Обозначение | Конструктивные особенности | Внутренний (d) | Наружный (D) | Ширина (B) |
|---|---|---|---|---|
| NNU4148-M | Подшипник роликовый цилиндрический двухрядный. Латунный сепаратор. Центрированный по роликам. | 240.00 | 400.00 | 160.00 |
| Z-541021.24148-E1 | Подшипник роликовый сферический. Конструкция с увеличенной грузоподьемностью. | 240.00 | 400.00 | 160.00 |
| 4003748 | Роликовый радиальный двухрядный подшипник. | 240.00 | 400.00 | 160.00 |
| 4053748 | Роликовый радиальный двухрядный подшипник. | 240.00 | 400.00 | 160.00 |
| 4113748 | Роликовый радиальный двухрядный подшипник. | 240.00 | 400.00 | 160.00 |
| 4153748 | Роликовый радиальный двухрядный подшипник. | 240.00 | 400.00 | 160.00 |
| NNU 4148 M/W33 | Роликовый радиальный двухрядный подшипник. Канавка для смазки и три отверстия во внешнем кольце подшипника. Подшипник с латунным сепаратором. центрированный по телам качения. Двухрядный цилиндрический роликовый подшипник. | 240.00 | 400.00 | 160.00 |
| NNU 4148 K30M/W33 | Роликовый радиальный двухрядный подшипник. Канавка для смазки и три отверстия во внешнем кольце подшипника. Двухрядный цилиндрический роликовый подшипник. | 240.00 | 400.00 | 160.00 |
| 240KBE031+L | Роликовый радиальный-упорный конический двухрядный подшипник. Одно механическое уплотнение. | 240.00 | 400.00 | 160.00 |
| CRD-4805 | Роликовый радиальный-упорный двухрядный подшипник. | 240.00 | 400.00 | 160.00 |
| CRD-4811 | Роликовый радиальный-упорный двухрядный подшипник. | 240.00 | 400.00 | 160.00 |
| 46348A | Роликовый радиальный-упорный двухрядный подшипник. Двухрядный радиально-упорный шарикоподшипник без отверстия для смазки. | 240.00 | 400.00 | 160.00 |
| 4003748-НЛ | Роликовый радиальный двухрядный подшипник. Детали из теплостойкой стали. Сепаратор из латуни.. | 240.00 | 400.00 | 160.00 |
| 4053748Н | Роликовый радиальный двухрядный подшипник. Детали из теплостойкой стали. | 240.00 | 400.00 | 160.00 |
| 4153748Н | Роликовый радиальный двухрядный подшипник. Детали из теплостойкой стали. | 240.00 | 400.00 | 160.00 |
Способы доставки
Отправка через ведущие транспортные и курьерские компании: ПЭК, Деловые Линии, СДЭК, Байкал-Сервис, Энергия, КИТ, ЖелДорЭкспедиция.
Самовывоз возможен напрямую со склада в Москве.
Сроки доставки
Срок зависит от региона и выбранной транспортной компании. Все заказы комплектуются и отправляются в кратчайшие сроки со склада в Москве.
Надёжность и сохранность
Вся продукция упаковывается с учётом требований транспортировки. Мы гарантируем, что подшипники и комплектующие прибудут к заказчику в полной сохранности.
Доставка в страны ЕАЭС
Мы работаем с проверенными логистическими партнёрами, что позволяет оперативно доставлять заказы в Беларусь, Казахстан, Армению и другие страны ЕАЭС.
Варианты оплаты:
Минимальная сумма заказа и скидки:
Документы и гарантии:
Да, конечно! Наши технические специалисты готовы помочь вам с подбором точного аналога или замены подшипника. Просто позвоните нам по телефону +7 (495) 104-99-04 или напишите на почту zakaz@podsnab.ru.
Для оперативной консультации подготовьте, пожалуйста, имеющиеся данные: маркировку, размеры, тип оборудования или артикул старого подшипника.
Да, конечно! Мы высоко ценим долгосрочное сотрудничество и доверие клиентов по всей России. Для постоянных клиентов действует персональная система скидок.
Условия формируются индивидуально и зависят от:
Чтобы узнать свои условия и получить максимально выгодное предложение, свяжитесь с персональным менеджером или напишите нам на почту zakaz@podsnab.ru.
Вы можете оформить заказ несколькими способами:
Для оформления заказа от юридического лица свяжитесь с нашим отделом по работе с корпоративными клиентами по телефону +7 (495) 104-99-04 или напишите на email zakaz@podsnab.ru, прикрепив реквизиты вашей организации.
Мы оперативно подготовим коммерческое предложение и выставим счет.
Возврат товара надлежащего качества возможен в течение 10 дней с момента получения, если товар не был в употреблении, сохранен товарный вид, упаковка не вскрывалась и присутствуют все сопроводительные документы.
Возврат денежных средств осуществляется в течение 10 рабочих дней после проверки товара складом.
В соответствии с законодательством возврату не подлежат подшипники надлежащего качества, если отсутствует оригинальная упаковка или имеются следы монтажа.
В случае выявления брака или гарантийного случая мы гарантируем возврат или обмен товара.
Да, гарантийный срок хранения устанавливается заводом-изготовителем и в среднем составляет 2 года при соблюдении условий хранения: сухое помещение, оригинальная упаковка и смазка.
Точный срок для конкретного типа подшипника уточняйте у наших менеджеров.
Пн–Пт: с 8:00 до 17:00 (МСК).
Сб–Вс: выходные дни.
Заказы на сайте принимаются круглосуточно. Заявки, поступившие после окончания рабочего дня, обрабатываются на следующий рабочий день.
Минимальная сумма заказа для доставки составляет 3000 рублей. Самовывоз со склада возможен на любую сумму при наличии товара.
ООО «УралТехГрупп»
ИНН: 7415093830
КПП: 772401001
ОГРН: 1167456069021
Банк: ПАО Сбербанк
Р/с: 40702810838000475273
К/с: 30101810400000000225
БИК: 044525225
У подшипника 24148-K30-MB-W33+AH24148 пока нет отзывов. Вы можете стать первым покупателем, поделившимся своим мнением.