Поиск подшипника
Статьи
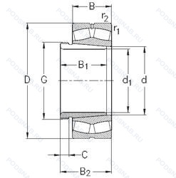
24152-K30-MB-W33+AH24152 — Роликовый радиальный сферический двухрядный подшипник, модификация основного исполнения 24152, производство NKE.
Размер подшипника: 260x440x180 мм.
Канавка для смазки и три отверстия во внешнем кольце подшипника, коническое отверстие. конусность 1/30, сепаратор из латуни. центрированный по внутреннему кольцу.
Международная стандартизации ISO
24152K30MBW33AH24152
В наличии
| Обозначение | Конструктивные изменения |
|---|---|
| 24152CA C2 G HA3 W33 | Канавка для смазки и три отверстия во внешнем кольце подшипника. Сепаратор из латуни с механической обработкой. Внутренний зазор подшипника меньше нормального. Helical Groove In Bearing Bore. Закаленное внутреннее кольцо. |
| 24152CA C3 W33 | Внутренний зазор больше нормального. Канавка для смазки и три отверстия во внешнем кольце подшипника. Сепаратор из латуни с механической обработкой. |
| 24152CA C5 W33 | Канавка для смазки и три отверстия во внешнем кольце подшипника. Сепаратор из латуни с механической обработкой. Внутренний зазор подшипника больше. чем С4. |
| 24152K30 CA C2 W33 S1 | Канавка для смазки и три отверстия во внешнем кольце подшипника. Сепаратор из латуни с механической обработкой. Внутренний зазор подшипника меньше нормального. Стабильность размеров при рабочих температурах до +200°C. Коническое отверстие. Конусность 1/30. |
| 24152K30 CC C2 W33 S1 | Канавка для смазки и три отверстия во внешнем кольце подшипника. Внутренний зазор подшипника меньше нормального. Стабильность размеров при рабочих температурах до +200°C. Bearing With Symmetrical Rollers. Flangeless Inner Ring. A Non-Intergral Guide Ring Between The Tow Rows Of Rollers Centred On The Inner Ring And One Pressed Steel Window-Type Cage For Each Roller Row. Коническое отверстие. Конусность 1/30. |
| 24152K30 CA C3 W33 | Внутренний зазор больше нормального. Канавка для смазки и три отверстия во внешнем кольце подшипника. Сепаратор из латуни с механической обработкой. Коническое отверстие. Конусность 1/30. |
| 24152CAME4C3 | Внутренний зазор больше нормального. Канавка для смазки и три отверстия во внешнем кольце подшипника. Плавающее направляющее кольцо. Массивный латунный сепаратор. |
| 24152CAMK30 E4 C3 | Внутренний зазор больше нормального. Канавка для смазки и три отверстия во внешнем кольце подшипника. Плавающее направляющее кольцо. Массивный латунный сепаратор. Коническое отверстие. Конусность 1/30. |
| 24152CA K30 C3 W33 | Внутренний зазор больше нормального. Канавка для смазки и три отверстия во внешнем кольце подшипника. Цельный латунный сепаратор. Коническое отверстие. Конусность 1/30. |
| 24152-BE-C2 | Внутренний зазор подшипника меньше нормального. Увеличенная грузоподъемность подшипника. |
| 24152-BE-XL-C2 | Внутренний зазор подшипника меньше нормального. Серия X-Life премиум-класс. увеличиный срок службы. Увеличенная грузоподъемность подшипника. |
| 24152EMK30D1 | Повышенная грузоподъемность. Механически обработанный латунный сепаратор .Расположенный на элементах качения. Коническое отверстие. Конусность 1/30. Канавка и три смазочных отверстия на наружном кольце. |
| 24152EMK30D1C3 | Внутренний зазор больше нормального. Повышенная грузоподъемность. Механически обработанный латунный сепаратор .Расположенный на элементах качения. Коническое отверстие. Конусность 1/30. Канавка для смазки и три отверстия во внешнем кольце подшипника. |
| 24152 K30 | Коническое отверстие. Конусность 1/30. |
| 24152 K30W33 | Кольцевая канавка и три отверстия для смазывания в наружном кольце подшипника. Коническое внутреннее отверстие. |
| 24152W33 | Кольцевая канавка и три отверстия для смазывания в наружном кольце подшипника. |
| 24152R | С выпуклыми асимметричными роликами и обработанным сепаратором. |
| 24152RHA | With Convex Symmetric Rollers And One-Piece Machined Cage. |
| 24152-2CS5/VT143 | Контактное уплотнение из листовой стали, усиленное гидрогенизированным акрилонитрил-бутадиеновым каучуком (HNBR) с обеих сторон. Свободное пространство в подшипнике на 70–100 % заполнено высокотемпературной смазкой.. Заполнение пластичной смазкой SKF LGEP 2 на 25–35 %. |
| 24152YMB | Бронзовый цельный сепаратор пальцевого типа. |
| 24152 K30CW33+AH24152 | Кольцевая канавка и три отверстия для смазывания в наружном кольце подшипника. Коническое внутреннее отверстие. |
| 24152 K30 CW33 | Коническое отверстие. Конусность 1/30. |
| 24152-B-K30+AH24152 | Конический роликовый подшипник. Угол контакта 20 градусов. Коническое отверстие. Конусность 1/30. |
| 24152-E1-K30 + AH24152 | Коническое отверстие. Конусность 1/30. Конструкция с увеличенной грузоподьемностью. |
| 24152E | Повышенная грузоподъемность. |
Модификации сферического роликового подшипника 24152-K30-MB-W33+AH24152 — это измененное основное конструктивное исполнение 24152, основные размеры (260x440x180) не отличаются.
| Обозначение | Конструктивные особенности | Внутренний (d) | Наружный (D) | Ширина (B) |
|---|---|---|---|---|
| NNU4152-M | Подшипник роликовый цилиндрический двухрядный. Подшипник с латунным сепаратором. центрированный по телам качения. | 260.00 | 440.00 | 180.00 |
| NNU4152M/C3 | Подшипник роликовый цилиндрический двухрядный. Внутренний зазор больше нормального. Механически обработанный латунный сепаратор. клёпаный. центрируемый по роликам. | 260.00 | 440.00 | 180.00 |
| STF24152GAGMK30E4C2 | Подшипник роликовый сферический. Канавка для смазки и три отверстия во внешнем кольце подшипника. Внутренний зазор подшипника меньше нормального. Механически обработанный латунный сепаратор .Расположенный на элементах качения. Коническое отверстие. Конусность 1/30. Bearing Made From Case-Hardening Steel. If No Digits Are Added. The Rings And The Set Of Rolling Elements Are Made From Case-Hardening Steel. Additional Numbers (2-3-4-5-6-7) Indicate Which Parts. | 260.00 | 440.00 | 180.00 |
| Z-561779.24152-E1 | Подшипник роликовый сферический. Конструкция с увеличенной грузоподьемностью. | 260.00 | 440.00 | 180.00 |
| NNU4152-S-M-C3 | Подшипник роликовый цилиндрический двухрядный. Канавка для смазки и три отверстия во внешнем кольце подшипника. Внутренний зазор больше нормального. Латунный сепаратор. Центрированный по роликам. | 260.00 | 440.00 | 180.00 |
| 6-2097752 ЛМШ1 | Роликовый радиальный-упорный двухрядный подшипник. Сепаратор из латуни.. Модифицированный контакт.. Нормы шумности. | 260.00 | 440.00 | 180.00 |
| 6-2097752 ЛМШ | Роликовый радиальный-упорный двухрядный подшипник. Сепаратор из латуни.. Модифицированный контакт.. Нормы шумности. | 260.00 | 440.00 | 180.00 |
| 2097752-ЛМ | Роликовый радиальный-упорный двухрядный подшипник. Сепаратор из латуни.. Модифицированный контакт.. | 260.00 | 440.00 | 180.00 |
| 2097752-М | Роликовый радиальный-упорный двухрядный подшипник. Модифицированный контакт.. | 260.00 | 440.00 | 180.00 |
| NNU 4152 M/W33 | Роликовый радиальный двухрядный подшипник. Канавка для смазки и три отверстия во внешнем кольце подшипника. Подшипник с латунным сепаратором. центрированный по телам качения. Двухрядный цилиндрический роликовый подшипник. | 260.00 | 440.00 | 180.00 |
| NNU 4152 K30M/W33 | Роликовый радиальный двухрядный подшипник. Канавка для смазки и три отверстия во внешнем кольце подшипника. Двухрядный цилиндрический роликовый подшипник. | 260.00 | 440.00 | 180.00 |
| 260KBE031+L | Роликовый радиальный-упорный двухрядный подшипник. Одно механическое уплотнение. | 260.00 | 440.00 | 180.00 |
| 46352A | Роликовый радиальный-упорный двухрядный подшипник. Двухрядный радиально-упорный шарикоподшипник без отверстия для смазки. | 260.00 | 440.00 | 180.00 |
| 4053752Н | Роликовый радиальный двухрядный подшипник. Детали из теплостойкой стали. | 260.00 | 440.00 | 180.00 |
| 4153752Н | Роликовый радиальный двухрядный подшипник. Детали из теплостойкой стали. | 260.00 | 440.00 | 180.00 |
Способы доставки
Отправка через ведущие транспортные и курьерские компании: ПЭК, Деловые Линии, СДЭК, Байкал-Сервис, Энергия, КИТ, ЖелДорЭкспедиция.
Самовывоз возможен напрямую со склада в Москве.
Сроки доставки
Срок зависит от региона и выбранной транспортной компании. Все заказы комплектуются и отправляются в кратчайшие сроки со склада в Москве.
Надёжность и сохранность
Вся продукция упаковывается с учётом требований транспортировки. Мы гарантируем, что подшипники и комплектующие прибудут к заказчику в полной сохранности.
Доставка в страны ЕАЭС
Мы работаем с проверенными логистическими партнёрами, что позволяет оперативно доставлять заказы в Беларусь, Казахстан, Армению и другие страны ЕАЭС.
Варианты оплаты:
Минимальная сумма заказа и скидки:
Документы и гарантии:
Да, конечно! Наши технические специалисты готовы помочь вам с подбором точного аналога или замены подшипника. Просто позвоните нам по телефону +7 (495) 104-99-04 или напишите на почту zakaz@podsnab.ru.
Для оперативной консультации подготовьте, пожалуйста, имеющиеся данные: маркировку, размеры, тип оборудования или артикул старого подшипника.
Да, конечно! Мы высоко ценим долгосрочное сотрудничество и доверие клиентов по всей России. Для постоянных клиентов действует персональная система скидок.
Условия формируются индивидуально и зависят от:
Чтобы узнать свои условия и получить максимально выгодное предложение, свяжитесь с персональным менеджером или напишите нам на почту zakaz@podsnab.ru.
Вы можете оформить заказ несколькими способами:
Для оформления заказа от юридического лица свяжитесь с нашим отделом по работе с корпоративными клиентами по телефону +7 (495) 104-99-04 или напишите на email zakaz@podsnab.ru, прикрепив реквизиты вашей организации.
Мы оперативно подготовим коммерческое предложение и выставим счет.
Возврат товара надлежащего качества возможен в течение 10 дней с момента получения, если товар не был в употреблении, сохранен товарный вид, упаковка не вскрывалась и присутствуют все сопроводительные документы.
Возврат денежных средств осуществляется в течение 10 рабочих дней после проверки товара складом.
В соответствии с законодательством возврату не подлежат подшипники надлежащего качества, если отсутствует оригинальная упаковка или имеются следы монтажа.
В случае выявления брака или гарантийного случая мы гарантируем возврат или обмен товара.
Да, гарантийный срок хранения устанавливается заводом-изготовителем и в среднем составляет 2 года при соблюдении условий хранения: сухое помещение, оригинальная упаковка и смазка.
Точный срок для конкретного типа подшипника уточняйте у наших менеджеров.
Пн–Пт: с 8:00 до 17:00 (МСК).
Сб–Вс: выходные дни.
Заказы на сайте принимаются круглосуточно. Заявки, поступившие после окончания рабочего дня, обрабатываются на следующий рабочий день.
Минимальная сумма заказа для доставки составляет 3000 рублей. Самовывоз со склада возможен на любую сумму при наличии товара.
ООО «УралТехГрупп»
ИНН: 7415093830
КПП: 772401001
ОГРН: 1167456069021
Банк: ПАО Сбербанк
Р/с: 40702810838000475273
К/с: 30101810400000000225
БИК: 044525225
У подшипника 24152-K30-MB-W33+AH24152 пока нет отзывов. Вы можете стать первым покупателем, поделившимся своим мнением.