Поиск подшипника
Статьи
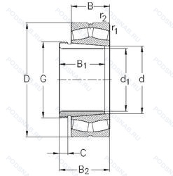
24160-K30-MB-W33+AH24160 — Роликовый радиальный сферический двухрядный подшипник, модификация основного исполнения 24160, производство NKE.
Размер подшипника: 300x500x200 мм.
Канавка для смазки и три отверстия во внешнем кольце подшипника, коническое отверстие. конусность 1/30, сепаратор из латуни. центрированный по внутреннему кольцу.
Международная стандартизации ISO
24160K30MBW33AH24160
В наличии
| Обозначение | Конструктивные изменения |
|---|---|
| 24160KYMB W33 W45A C3 | Внутренний зазор больше нормального. Cмазочная канавка и три отверстия на наружном кольце подшипника. Коническое отверстие. конус 1/12. Цельный латунный сепаратор пальцевого типа. Подъемные отверстия с резьбой в торце наружного кольца для облегчения подъема и перемещения. |
| 24160CA C3 W33 | Внутренний зазор больше нормального. Канавка для смазки и три отверстия во внешнем кольце подшипника. Сепаратор из латуни с механической обработкой. |
| 24160K30 CA C3 W33 | Внутренний зазор больше нормального. Канавка для смазки и три отверстия во внешнем кольце подшипника. Сепаратор из латуни с механической обработкой. Коническое отверстие. Конусность 1/30. |
| 24160CAME4C3 | Внутренний зазор больше нормального. Канавка для смазки и три отверстия во внешнем кольце подшипника. Плавающее направляющее кольцо. Массивный латунный сепаратор. |
| 24160CAME4 | Канавка для смазки и три отверстия во внешнем кольце подшипника. Плавающее направляющее кольцо. Массивный латунный сепаратор. |
| 24160CAMK30 E4 C3 | Внутренний зазор больше нормального. Канавка для смазки и три отверстия во внешнем кольце подшипника. Плавающее направляющее кольцо. Массивный латунный сепаратор. Коническое отверстие. Конусность 1/30. |
| 24160B | Модифицированная внутренняя конструкция. |
| 24160B.C2 | Внутренний зазор подшипника меньше нормального. Модифицированная внутренняя конструкция. |
| 24160-B-C5 | Модифицированная внутренняя конструкция. Внутренний зазор подшипника больше. чем С4. |
| 24160B.C4 | Внутренний зазор подшипника больше. чем C3. Модифицированная внутренняя конструкция. |
| 24160D1L1K30 | Коническое отверстие. Конусность 1/30. Канавка для смазки и три отверстия во внешнем кольце подшипника. Высокопрочный обработанный латунный сепаратор. |
| 24160EMK30D1C3 | Внутренний зазор больше нормального. Повышенная грузоподъемность. Механически обработанный латунный сепаратор .Расположенный на элементах качения. Коническое отверстие. Конусность 1/30. Канавка для смазки и три отверстия во внешнем кольце подшипника. |
| 24160CY | KOYO Bearings In FAG Packaging. FAG Bearing On Display. Greater Rounding-Rays For The Angles Than Normal. |
| 24160 K30 | Коническое отверстие. Конусность 1/30. |
| 24160W33 | Кольцевая канавка и три отверстия для смазывания в наружном кольце подшипника. |
| 24160 K30W33 | Кольцевая канавка и три отверстия для смазывания в наружном кольце подшипника. Коническое внутреннее отверстие. |
| 24160RHA | With Convex Symmetric Rollers And One-Piece Machined Cage. |
| 24160R | С выпуклыми асимметричными роликами и обработанным сепаратором. |
| 24160YMB | Бронзовый цельный сепаратор пальцевого типа. |
| 24160 K30CW33+AH24160 | Кольцевая канавка и три отверстия для смазывания в наружном кольце подшипника. Коническое внутреннее отверстие. |
| 24160 K30 CW33 | Коническое отверстие. Конусность 1/30. |
| 24160-B-K30+AH24160 | Конический роликовый подшипник. Угол контакта 20 градусов. Коническое отверстие. Конусность 1/30. |
| 24160-E1-K30 + AH24160 | Коническое отверстие. Конусность 1/30. Конструкция с увеличенной грузоподьемностью. |
| 24160E | Повышенная грузоподъемность. |
| 24160 CCK30/W33 + AOH 24160 | Канавка для смазки и три отверстия во внешнем кольце подшипника. Измененная или модифицированная внутренняя конструкция при неизменных основных размерах. |
Модификации сферического роликового подшипника 24160-K30-MB-W33+AH24160 — это измененное основное конструктивное исполнение 24160, основные размеры (300x500x200) не отличаются.
| Обозначение | Конструктивные особенности | Внутренний (d) | Наружный (D) | Ширина (B) |
|---|---|---|---|---|
| 8421E | Подшипник роликовый цилиндрический двухрядный. Повышенная грузоподъемность. | 300.00 | 500.00 | 200.00 |
| NNU4160-M-C3 | Подшипник роликовый цилиндрический двухрядный. Внутренний зазор больше нормального. Латунный сепаратор. Центрированный по роликам. | 300.00 | 500.00 | 200.00 |
| NNU4160-M | Подшипник роликовый цилиндрический двухрядный. Латунный сепаратор. Центрированный по роликам. | 300.00 | 500.00 | 200.00 |
| 4113760 | Роликовый радиальный двухрядный подшипник. | 300.00 | 500.00 | 200.00 |
| 4153760 | Роликовый радиальный двухрядный подшипник. | 300.00 | 500.00 | 200.00 |
| C 4160 K30MB | Роликовый радиальный сферический подшипник. Тороидальный подшипник CARB. | 300.00 | 500.00 | 200.00 |
| NNU 4160 K30M/W33 | Роликовый радиальный двухрядный подшипник. Канавка для смазки и три отверстия во внешнем кольце подшипника. Двухрядный цилиндрический роликовый подшипник. | 300.00 | 500.00 | 200.00 |
| NNU 4160 M/W33 | Роликовый радиальный двухрядный подшипник. Канавка для смазки и три отверстия во внешнем кольце подшипника. Подшипник с латунным сепаратором. центрированный по телам качения. Двухрядный цилиндрический роликовый подшипник. | 300.00 | 500.00 | 200.00 |
| CRD-6030 | Роликовый радиальный-упорный двухрядный подшипник. | 300.00 | 500.00 | 200.00 |
| CRD-6028 | Роликовый радиальный-упорный двухрядный подшипник. | 300.00 | 500.00 | 200.00 |
| E-CRD-6028 | Роликовый радиальный-упорный двухрядный подшипник. | 300.00 | 500.00 | 200.00 |
| C 4160 MB | Тороидальный однорядный подшипник. Тороидальный подшипник CARB. сепаратор из латуни. центрированный по внутреннему кольцу. | 300.00 | 500.00 | 200.00 |
| 46360A | Роликовый радиальный-упорный двухрядный подшипник. Двухрядный радиально-упорный шарикоподшипник без отверстия для смазки. | 300.00 | 500.00 | 200.00 |
| 4053760Н | Роликовый радиальный двухрядный подшипник. Детали из теплостойкой стали. | 300.00 | 500.00 | 200.00 |
| 4153760Н | Роликовый радиальный двухрядный подшипник. Детали из теплостойкой стали. | 300.00 | 500.00 | 200.00 |
Способы доставки
Отправка через ведущие транспортные и курьерские компании: ПЭК, Деловые Линии, СДЭК, Байкал-Сервис, Энергия, КИТ, ЖелДорЭкспедиция.
Самовывоз возможен напрямую со склада в Москве.
Сроки доставки
Срок зависит от региона и выбранной транспортной компании. Все заказы комплектуются и отправляются в кратчайшие сроки со склада в Москве.
Надёжность и сохранность
Вся продукция упаковывается с учётом требований транспортировки. Мы гарантируем, что подшипники и комплектующие прибудут к заказчику в полной сохранности.
Доставка в страны ЕАЭС
Мы работаем с проверенными логистическими партнёрами, что позволяет оперативно доставлять заказы в Беларусь, Казахстан, Армению и другие страны ЕАЭС.
Варианты оплаты:
Минимальная сумма заказа и скидки:
Документы и гарантии:
Да, конечно! Наши технические специалисты готовы помочь вам с подбором точного аналога или замены подшипника. Просто позвоните нам по телефону +7 (495) 104-99-04 или напишите на почту zakaz@podsnab.ru.
Для оперативной консультации подготовьте, пожалуйста, имеющиеся данные: маркировку, размеры, тип оборудования или артикул старого подшипника.
Да, конечно! Мы высоко ценим долгосрочное сотрудничество и доверие клиентов по всей России. Для постоянных клиентов действует персональная система скидок.
Условия формируются индивидуально и зависят от:
Чтобы узнать свои условия и получить максимально выгодное предложение, свяжитесь с персональным менеджером или напишите нам на почту zakaz@podsnab.ru.
Вы можете оформить заказ несколькими способами:
Для оформления заказа от юридического лица свяжитесь с нашим отделом по работе с корпоративными клиентами по телефону +7 (495) 104-99-04 или напишите на email zakaz@podsnab.ru, прикрепив реквизиты вашей организации.
Мы оперативно подготовим коммерческое предложение и выставим счет.
Возврат товара надлежащего качества возможен в течение 10 дней с момента получения, если товар не был в употреблении, сохранен товарный вид, упаковка не вскрывалась и присутствуют все сопроводительные документы.
Возврат денежных средств осуществляется в течение 10 рабочих дней после проверки товара складом.
В соответствии с законодательством возврату не подлежат подшипники надлежащего качества, если отсутствует оригинальная упаковка или имеются следы монтажа.
В случае выявления брака или гарантийного случая мы гарантируем возврат или обмен товара.
Да, гарантийный срок хранения устанавливается заводом-изготовителем и в среднем составляет 2 года при соблюдении условий хранения: сухое помещение, оригинальная упаковка и смазка.
Точный срок для конкретного типа подшипника уточняйте у наших менеджеров.
Пн–Пт: с 8:00 до 17:00 (МСК).
Сб–Вс: выходные дни.
Заказы на сайте принимаются круглосуточно. Заявки, поступившие после окончания рабочего дня, обрабатываются на следующий рабочий день.
Минимальная сумма заказа для доставки составляет 3000 рублей. Самовывоз со склада возможен на любую сумму при наличии товара.
ООО «УралТехГрупп»
ИНН: 7415093830
КПП: 772401001
ОГРН: 1167456069021
Банк: ПАО Сбербанк
Р/с: 40702810838000475273
К/с: 30101810400000000225
БИК: 044525225
У подшипника 24160-K30-MB-W33+AH24160 пока нет отзывов. Вы можете стать первым покупателем, поделившимся своим мнением.