Поиск подшипника
Статьи
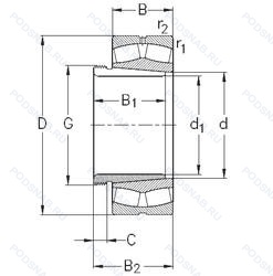
24168-K30-MB-W33+AH24168 — Роликовый радиальный сферический двухрядный подшипник, модификация основного исполнения 24168, производство NKE.
Размер подшипника: 340x580x243 мм.
Канавка для смазки и три отверстия во внешнем кольце подшипника, коническое отверстие. конусность 1/30, сепаратор из латуни. центрированный по внутреннему кольцу.
Международная стандартизации ISO
24168K30MBW33AH24168
В наличии
| Обозначение | Конструктивные изменения |
|---|---|
| 24168EMBW33W45AC3 | Внутренний зазор больше нормального. Cмазочная канавка и три отверстия на наружном кольце подшипника. Land-Riding One-Piece Brass Cage. Подъемные отверстия с резьбой в торце наружного кольца для облегчения подъема и перемещения. |
| 24168-BE-XL-K30-C4 | Внутренний зазор подшипника больше. чем C3. Серия X-Life премиум-класс. увеличиный срок службы. Коническое отверстие. Конусность 1/30. Увеличенная грузоподъемность подшипника. |
| 24168ECCJ/W33 | Канавка для смазки и три отверстия во внешнем кольце подшипника. Два стальных сепаратора оконного типа. внутреннее кольцо без фланца. направляющее кольцо с усиленным роликом. |
| 24168ECCK30/W33 | Канавка для смазки и три отверстия во внешнем кольце подшипника. Коническое отверстие. Конусность 1/30. Два стальных сепаратора оконного типа. внутреннее кольцо без фланца. направляющее кольцо с усиленным роликом. |
| 24168BK30.C3 | Внутренний зазор больше нормального. Модифицированная внутренняя конструкция. Коническое отверстие. Конусность 1/30. |
| 24168CA C3 W33 | Внутренний зазор больше нормального. Канавка для смазки и три отверстия во внешнем кольце подшипника. Сепаратор из латуни с механической обработкой. |
| 24168CA C3R W33 | Канавка для смазки и три отверстия во внешнем кольце подшипника. Сепаратор из латуни с механической обработкой. Нормальный радиальный внутренний зазор между верхней и нижней частью. |
| 24168K30 CA C3 W33 | Внутренний зазор больше нормального. Канавка для смазки и три отверстия во внешнем кольце подшипника. Сепаратор из латуни с механической обработкой. Коническое отверстие. Конусность 1/30. |
| 24168CAM E4 C3 | Внутренний зазор больше нормального. Канавка для смазки и три отверстия во внешнем кольце подшипника. Плавающее направляющее кольцо. Массивный латунный сепаратор. |
| 24168CAMK30 E4 C3 | Внутренний зазор больше нормального. Канавка для смазки и три отверстия во внешнем кольце подшипника. Плавающее направляющее кольцо. Массивный латунный сепаратор. Коническое отверстие. Конусность 1/30. |
| 24168CAM E4 | Канавка для смазки и три отверстия во внешнем кольце подшипника. Плавающее направляющее кольцо. Массивный латунный сепаратор. |
| 24168B.C3 | Внутренний зазор больше нормального. Модифицированная внутренняя конструкция. |
| 24168CAMK30 E4 C3 S11 | Внутренний зазор больше нормального. Внутреннее и наружное кольца термостабилизированы до 200°C. Канавка для смазки и три отверстия во внешнем кольце подшипника. Плавающее направляющее кольцо. Массивный латунный сепаратор. Коническое отверстие. Конусность 1/30. |
| 24168C3 W33 | Внутренний зазор больше нормального. Канавка для смазки и три отверстия во внешнем кольце подшипника. |
| 24168 K30 | Коническое отверстие. Конусность 1/30. |
| 24168 K30W33 | Кольцевая канавка и три отверстия для смазывания в наружном кольце подшипника. Коническое внутреннее отверстие. |
| 24168W33 | Кольцевая канавка и три отверстия для смазывания в наружном кольце подшипника. |
| 24168RHA | With Convex Symmetric Rollers And One-Piece Machined Cage. |
| 24168R | С выпуклыми асимметричными роликами и обработанным сепаратором. |
| 24168YMB | Бронзовый цельный сепаратор пальцевого типа. |
| 24168 K30 CW33 | Коническое отверстие. Конусность 1/30. |
| 24168 K30CW33+AH24168 | Кольцевая канавка и три отверстия для смазывания в наружном кольце подшипника. Коническое внутреннее отверстие. |
| 24168-B-K30 + AH24168-H | Конический роликовый подшипник. Угол контакта 20 градусов. Pressed Snap-Type Steel Cage. Hardened. Коническое отверстие. Конусность 1/30. |
| 24168-B-K30+AH24168 | Конический роликовый подшипник. Угол контакта 20 градусов. Коническое отверстие. Конусность 1/30. |
| 24168E | Повышенная грузоподъемность. |
Модификации сферического роликового подшипника 24168-K30-MB-W33+AH24168 — это измененное основное конструктивное исполнение 24168, основные размеры (340x580x243) не отличаются.
| Обозначение | Конструктивные особенности | Внутренний (d) | Наружный (D) | Ширина (B) |
|---|---|---|---|---|
| NNU4168-M | Подшипник роликовый цилиндрический двухрядный. Латунный сепаратор. Центрированный по роликам. | 340.00 | 580.00 | 243.00 |
| Z-511992.TR2 | Подшипник роликовый конический двухрядный. Двухрядный конический роликоподшипник. | 340.00 | 580.00 | 242.00 |
| 4003768 | Роликовый радиальный двухрядный подшипник. | 340.00 | 580.00 | 243.00 |
| 4113768 | Роликовый радиальный двухрядный подшипник. | 340.00 | 580.00 | 243.00 |
| 1097768-АМ | Роликовый радиальный-упорный двухрядный подшипник. Модифицированный контакт.. Повышенная грузоподъемность. | 340.00 | 580.00 | 242.00 |
| NNU 4168 K30M/W33 | Роликовый радиальный двухрядный подшипник. Канавка для смазки и три отверстия во внешнем кольце подшипника. Двухрядный цилиндрический роликовый подшипник. | 340.00 | 580.00 | 243.00 |
| NNU 4168 M/W33 | Роликовый радиальный двухрядный подшипник. Канавка для смазки и три отверстия во внешнем кольце подшипника. Подшипник с латунным сепаратором. центрированный по телам качения. Двухрядный цилиндрический роликовый подшипник. | 340.00 | 580.00 | 243.00 |
Способы доставки
Отправка через ведущие транспортные и курьерские компании: ПЭК, Деловые Линии, СДЭК, Байкал-Сервис, Энергия, КИТ, ЖелДорЭкспедиция.
Самовывоз возможен напрямую со склада в Москве.
Сроки доставки
Срок зависит от региона и выбранной транспортной компании. Все заказы комплектуются и отправляются в кратчайшие сроки со склада в Москве.
Надёжность и сохранность
Вся продукция упаковывается с учётом требований транспортировки. Мы гарантируем, что подшипники и комплектующие прибудут к заказчику в полной сохранности.
Доставка в страны ЕАЭС
Мы работаем с проверенными логистическими партнёрами, что позволяет оперативно доставлять заказы в Беларусь, Казахстан, Армению и другие страны ЕАЭС.
Варианты оплаты:
Минимальная сумма заказа и скидки:
Документы и гарантии:
Да, конечно! Наши технические специалисты готовы помочь вам с подбором точного аналога или замены подшипника. Просто позвоните нам по телефону +7 (495) 104-99-04 или напишите на почту zakaz@podsnab.ru.
Для оперативной консультации подготовьте, пожалуйста, имеющиеся данные: маркировку, размеры, тип оборудования или артикул старого подшипника.
Да, конечно! Мы высоко ценим долгосрочное сотрудничество и доверие клиентов по всей России. Для постоянных клиентов действует персональная система скидок.
Условия формируются индивидуально и зависят от:
Чтобы узнать свои условия и получить максимально выгодное предложение, свяжитесь с персональным менеджером или напишите нам на почту zakaz@podsnab.ru.
Вы можете оформить заказ несколькими способами:
Для оформления заказа от юридического лица свяжитесь с нашим отделом по работе с корпоративными клиентами по телефону +7 (495) 104-99-04 или напишите на email zakaz@podsnab.ru, прикрепив реквизиты вашей организации.
Мы оперативно подготовим коммерческое предложение и выставим счет.
Возврат товара надлежащего качества возможен в течение 10 дней с момента получения, если товар не был в употреблении, сохранен товарный вид, упаковка не вскрывалась и присутствуют все сопроводительные документы.
Возврат денежных средств осуществляется в течение 10 рабочих дней после проверки товара складом.
В соответствии с законодательством возврату не подлежат подшипники надлежащего качества, если отсутствует оригинальная упаковка или имеются следы монтажа.
В случае выявления брака или гарантийного случая мы гарантируем возврат или обмен товара.
Да, гарантийный срок хранения устанавливается заводом-изготовителем и в среднем составляет 2 года при соблюдении условий хранения: сухое помещение, оригинальная упаковка и смазка.
Точный срок для конкретного типа подшипника уточняйте у наших менеджеров.
Пн–Пт: с 8:00 до 17:00 (МСК).
Сб–Вс: выходные дни.
Заказы на сайте принимаются круглосуточно. Заявки, поступившие после окончания рабочего дня, обрабатываются на следующий рабочий день.
Минимальная сумма заказа для доставки составляет 3000 рублей. Самовывоз со склада возможен на любую сумму при наличии товара.
ООО «УралТехГрупп»
ИНН: 7415093830
КПП: 772401001
ОГРН: 1167456069021
Банк: ПАО Сбербанк
Р/с: 40702810838000475273
К/с: 30101810400000000225
БИК: 044525225
У подшипника 24168-K30-MB-W33+AH24168 пока нет отзывов. Вы можете стать первым покупателем, поделившимся своим мнением.