Поиск подшипника
Статьи
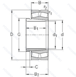
22209-E-K-W33+AH309 — Роликовый радиальный сферический двухрядный подшипник, модификация основного исполнения 22209, производство NKE.
Размер подшипника: 45x85x23 мм.
Канавка для смазки и три отверстия во внешнем кольце подшипника, коническое отверстие. конусность 1/12, повышенная грузоподъемность.
Международная стандартизации ISO
22209EKW33AH309
В наличии
| Обозначение | Конструктивные изменения |
|---|---|
| 22209EAK D1 | Коническое отверстие. конус 1/12. Увеличенная грузоподъемность. Лучше. чем прежний суффикс E. Канавка для смазки и три отверстия во внешнем кольце подшипника. |
| 22209EB33 | Повышенная грузоподъемность. |
| 22209-E1-TVPB | Конструкция с увеличенной грузоподьемностью. Твердый оконный сепаратор из полиамида. армированного стекловолокном. Направляющие на внутреннем кольце. |
| 22209-E1-XL-TVPB | Серия X-Life премиум-класс. увеличиный срок службы. Конструкция с увеличенной грузоподьемностью. Твердый оконный сепаратор из полиамида. армированного стекловолокном. Направляющие на внутреннем кольце. |
| 22209EK C3+H309 | Внутренний зазор больше нормального. Коническое отверстие. конус 1/12. Увеличенная грузоподъемность подшипника. |
| 22209GMEX W33 | Канавка для смазки и три отверстия во внешнем кольце подшипника. Улучшенная точность. Округлость и чистота поверхности. Кольца и ролики изготовлены из высококачественной стали ROL2. Цельный прочный латунный сепаратор. Центрируемый по роликам. |
| 22209CK D1 | С симметричными роликами. Коническое отверстие. конус 1/12. Канавка для смазки и три отверстия во внешнем кольце подшипника. |
| 22209EXQW33 | Канавка для смазки и три отверстия во внешнем кольце подшипника. Axial-Load-Capacity And High-Speed Specifications +200°C. Сферический роликоподшипник высокой грузоподъемности. |
| 22209EAW33ZZC3 | Внутренний зазор больше нормального. Канавка для смазки и три отверстия во внешнем кольце подшипника. Защитные металлические шайбы с обеих сторон. Увеличенная грузоподъемность. Лучше. чем прежний суффикс E. |
| 22209EAKW33ZZC3 | Внутренний зазор больше нормального. Канавка для смазки и три отверстия во внешнем кольце подшипника. Коническое отверстие. конус 1/12. Защитные металлические шайбы с обеих сторон. Увеличенная грузоподъемность. Лучше. чем прежний суффикс E. |
| 22209-E1-K + H309 | Коническое отверстие. Конусность 1/12. Конструкция с увеличенной грузоподьемностью. |
| 22209-E1-K + AH309 | Коническое отверстие. Конусность 1/12. Конструкция с увеличенной грузоподьемностью. |
| 22209-E-K-W33+H309 | Канавка для смазки и три отверстия во внешнем кольце подшипника. Коническое отверстие. Конусность 1/12. Повышенная грузоподъемность. |
| 22209-2RS | Резиновые уплотнения с каждой стороны подшипника. |
| 22209 K+AH309 | Коническое отверстие. Конусность 1/12. |
| 22209RHR | As RHR-Type Spherical Roller Bearings Are Implemented Dimension Stabilizing Treatment And Steel Plate Cage Are Assembled. They Can Be Used Up To 200°C. |
| LH-22209C | 15° Угол контакта. |
| LH-22209CK | Роликовый радиальный сферический двухрядный подшипник. |
| 22209EM | Стандартный фланцевый ( с резьбой и сквозным отверстием). |
| 22209YM | 1 Piece Bronze Cage - Finger Type. |
| 22209MB | сепаратор из латуни. центрированный по внутреннему кольцу. |
| 22209 KCW33+AH309 | Кольцевая канавка и три отверстия для смазывания в наружном кольце подшипника. Коническое внутреннее отверстие. |
| 22209 KCW33+H309 | Кольцевая канавка и три отверстия для смазывания в наружном кольце подшипника. Коническое внутреннее отверстие. |
| 22209AEX | Высокоскоростной и высокопроизводительный сферический роликоподшипник. |
| 22209EX | Optimized Inner Construction - Extreme Quality F. Extreme Requirements. |
Модификации сферического роликового подшипника 22209-E-K-W33+AH309 — это измененное основное конструктивное исполнение 22209, основные размеры (45x85x23) не отличаются.
| Обозначение | Гост | Конструктивные особенности |
|---|---|---|
| 2209 KTN9 | ISO | Роликовый радиальный сферический двухрядный подшипник. |
| E2.22209 | ISO | Роликовый радиальный сферический двухрядный подшипник. |
| E2.22209 K | ISO | Роликовый радиальный сферический двухрядный подшипник. |
| 3509 | ГОСТ | Роликовый радиальный сферический двухрядный подшипник. |
Аналог сферического роликового подшипника 22209-E-K-W33+AH309 — это подшипник такого же размера dx45,Dx85,Bx23, типа и конструкции.
| Обозначение | Конструктивные особенности | Внутренний (d) | Наружный (D) | Ширина (B) |
|---|---|---|---|---|
| 1509-Л | Шариковый радиальный двухрядный подшипник. Сепаратор из латуни.. | 45.00 | 85.00 | 23.00 |
| 7509A | Роликовый радиальный-упорный однорядный подшипник. Двухрядный радиально-упорный шарикоподшипник без отверстия для смазки. | 45.00 | 85.00 | 23.00 |
| CUC209-28 | Шариковый радиальный однорядный подшипник. 1.3/4. | 44.45 | 85.00 | 22.00 |
| CUC209 | Шариковый радиальный однорядный подшипник. Радиальный внутренний зазор С2. | 45.00 | 85.00 | 22.00 |
| 380708-ЕК10Т2С17 | Шариковый радиальный однорядный подшипник. Смазка Литол-24. Сепаратор из текстолита.. 200°. Температура отпуска. Улучшенная конструкция уплотнений плюс стопорный штифт. | 40.00 | 85.00 | 23.00 |
| 2209-K+H309 | Шариковый сферический двухрядный подшипник. Коническое внутреннее отверстие. | 45.00 | 85.00 | 23.00 |
| 2209-K-2RS+H309 | Шариковый сферический двухрядный подшипник. Коническое внутреннее отверстие. Контактные уплотнения типа RS с обеих сторон игольчатого роликоподшипника. | 45.00 | 85.00 | 23.00 |
| 2209-2RS1TN9 | Шариковый сферический двухрядный подшипник. | 45.00 | 85.00 | 23.00 |
| S2209-2RS | Шариковый сферический двухрядный подшипник. Резиновые уплотнения с каждой стороны подшипника. | 45.00 | 85.00 | 23.00 |
| NJ 2209 ECPH | Роликовый радиальный однорядный подшипник. Однорядный цилиндрический роликовый подшипник. | 45.00 | 85.00 | 23.00 |
| NU 2209 ECPH | Роликовый радиальный однорядный подшипник. Однорядный цилиндрический роликовый подшипник. | 45.00 | 85.00 | 23.00 |
| 40-3509 Н | Роликовый радиальный двухрядный подшипник. Детали из теплостойкой стали. | 45.00 | 85.00 | 23.00 |
| 5-42509 Д | Роликовый радиальный однорядный подшипник. Сепаратор из алюминиевого сплава.. | 45.00 | 85.00 | 23.00 |
| 53509-Н(22209CCW33C3) | Роликовый радиальный двухрядный подшипник. ВНИИНП-210. Детали из вакуумированной стали.. Детали из теплостойкой стали. | 45.00 | 85.00 | 23.00 |
| 6-1509 Л | Шариковый радиальный двухрядный подшипник. Сепаратор из латуни.. | 45.00 | 85.00 | 23.00 |
Способы доставки
Отправка через ведущие транспортные и курьерские компании: ПЭК, Деловые Линии, СДЭК, Байкал-Сервис, Энергия, КИТ, ЖелДорЭкспедиция.
Самовывоз возможен напрямую со склада в Москве.
Сроки доставки
Срок зависит от региона и выбранной транспортной компании. Все заказы комплектуются и отправляются в кратчайшие сроки со склада в Москве.
Надёжность и сохранность
Вся продукция упаковывается с учётом требований транспортировки. Мы гарантируем, что подшипники и комплектующие прибудут к заказчику в полной сохранности.
Доставка в страны ЕАЭС
Мы работаем с проверенными логистическими партнёрами, что позволяет оперативно доставлять заказы в Беларусь, Казахстан, Армению и другие страны ЕАЭС.
Варианты оплаты:
Минимальная сумма заказа и скидки:
Документы и гарантии:
Да, конечно! Наши технические специалисты готовы помочь вам с подбором точного аналога или замены подшипника. Просто позвоните нам по телефону +7 (495) 104-99-04 или напишите на почту zakaz@podsnab.ru.
Для оперативной консультации подготовьте, пожалуйста, имеющиеся данные: маркировку, размеры, тип оборудования или артикул старого подшипника.
Да, конечно! Мы высоко ценим долгосрочное сотрудничество и доверие клиентов по всей России. Для постоянных клиентов действует персональная система скидок.
Условия формируются индивидуально и зависят от:
Чтобы узнать свои условия и получить максимально выгодное предложение, свяжитесь с персональным менеджером или напишите нам на почту zakaz@podsnab.ru.
Вы можете оформить заказ несколькими способами:
Для оформления заказа от юридического лица свяжитесь с нашим отделом по работе с корпоративными клиентами по телефону +7 (495) 104-99-04 или напишите на email zakaz@podsnab.ru, прикрепив реквизиты вашей организации.
Мы оперативно подготовим коммерческое предложение и выставим счет.
Возврат товара надлежащего качества возможен в течение 10 дней с момента получения, если товар не был в употреблении, сохранен товарный вид, упаковка не вскрывалась и присутствуют все сопроводительные документы.
Возврат денежных средств осуществляется в течение 10 рабочих дней после проверки товара складом.
В соответствии с законодательством возврату не подлежат подшипники надлежащего качества, если отсутствует оригинальная упаковка или имеются следы монтажа.
В случае выявления брака или гарантийного случая мы гарантируем возврат или обмен товара.
Да, гарантийный срок хранения устанавливается заводом-изготовителем и в среднем составляет 2 года при соблюдении условий хранения: сухое помещение, оригинальная упаковка и смазка.
Точный срок для конкретного типа подшипника уточняйте у наших менеджеров.
Пн–Пт: с 8:00 до 17:00 (МСК).
Сб–Вс: выходные дни.
Заказы на сайте принимаются круглосуточно. Заявки, поступившие после окончания рабочего дня, обрабатываются на следующий рабочий день.
Минимальная сумма заказа для доставки составляет 3000 рублей. Самовывоз со склада возможен на любую сумму при наличии товара.
ООО «УралТехГрупп»
ИНН: 7415093830
КПП: 772401001
ОГРН: 1167456069021
Банк: ПАО Сбербанк
Р/с: 40702810838000475273
К/с: 30101810400000000225
БИК: 044525225
У подшипника 22209-E-K-W33+AH309 пока нет отзывов. Вы можете стать первым покупателем, поделившимся своим мнением.