Поиск подшипника
Статьи
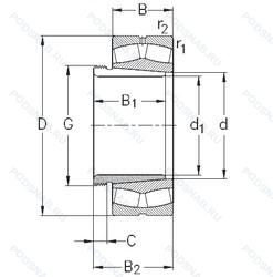
22215-E-K-W33+AH315 — Роликовый радиальный сферический двухрядный подшипник, модификация основного исполнения 22215, производство NKE.
Размер подшипника: 75x130x31 мм.
Канавка для смазки и три отверстия во внешнем кольце подшипника, коническое отверстие. конусность 1/12, повышенная грузоподъемность.
Международная стандартизации ISO
22215EKW33AH315
В наличии
| Обозначение | Конструктивные изменения |
|---|---|
| 22215-E1-H40-C3 | Внутренний зазор больше нормального. Конструкция с увеличенной грузоподьемностью. Без смазочных отверстий и смазочной канавки. |
| 22215CAM E4 C3 | Внутренний зазор больше нормального. Канавка для смазки и три отверстия во внешнем кольце подшипника. Плавающее направляющее кольцо. Массивный латунный сепаратор. |
| 22215CAMK E4 C3 | Внутренний зазор больше нормального. Коническое отверстие. конус 1/12. Канавка для смазки и три отверстия во внешнем кольце подшипника. Плавающее направляющее кольцо. Массивный латунный сепаратор. |
| 22215HL.MB | сепаратор из латуни. центрированный по внутреннему кольцу. Подшипник роликовый сферический повышенной грузоподъемности. |
| 22215EK D1 | Коническое отверстие 1/12. Increased load capacity.. Канавка для смазки и три отверстия во внешнем кольце подшипника. |
| 22215R FY C3 | Внутренний зазор больше нормального. С выпуклыми асимметричными роликами и обработанным сепаратором. Обработанный латунный сепаратор. |
| 22215EXQW33K | Канавка для смазки и три отверстия во внешнем кольце подшипника. Коническое отверстие. конус 1/12. Axial-Load-Capacity And High-Speed Specifications +200°C. Сферический роликоподшипник высокой грузоподъемности. |
| 22215EAKW33ZZC3 | Внутренний зазор больше нормального. Канавка для смазки и три отверстия во внешнем кольце подшипника. Коническое отверстие. конус 1/12. Защитные металлические шайбы с обеих сторон. Увеличенная грузоподъемность. Лучше. чем прежний суффикс E. |
| 22215EAW33ZZC3 | Внутренний зазор больше нормального. Канавка для смазки и три отверстия во внешнем кольце подшипника. Защитные металлические шайбы с обеих сторон. Увеличенная грузоподъемность. Лучше. чем прежний суффикс E. |
| 22215.EAKW33 | Канавка для смазки и три отверстия во внешнем кольце подшипника. Коническое отверстие. конус 1/12. Увеличенная грузоподъемность. Лучше. чем прежний суффикс E. |
| 22215-E1-K + AH315G | Коническое отверстие. Конусность 1/12. Конструкция с увеличенной грузоподьемностью. |
| 22215-E1-K + H315 | Коническое отверстие. Конусность 1/12. Конструкция с увеличенной грузоподьемностью. |
| 22215-E-K-W33+H315 | Канавка для смазки и три отверстия во внешнем кольце подшипника. Коническое отверстие. Конусность 1/12. Повышенная грузоподъемность. |
| 22215 K+AH315 | Коническое отверстие. Конусность 1/12. |
| 22215-2RS | Резиновые уплотнения с каждой стороны подшипника. |
| 22215RHR | As RHR-Type Spherical Roller Bearings Are Implemented Dimension Stabilizing Treatment And Steel Plate Cage Are Assembled. They Can Be Used Up To 200°C. |
| LH-22215B | Конический роликовый подшипник. Угол контакта 20 градусов. |
| LH-22215E | Повышенная грузоподъемность. |
| LH-22215BK | Игольчатый роликовый подшипник со штампованным наружным кольцом с закрытым торцом. |
| LH-22215EK | Роликовый радиальный сферический двухрядный подшипник. |
| 22215 KCW33+H315 | Кольцевая канавка и три отверстия для смазывания в наружном кольце подшипника. Коническое внутреннее отверстие. |
| 22215 KCW33+AH315 | Кольцевая канавка и три отверстия для смазывания в наружном кольце подшипника. Коническое внутреннее отверстие. |
| 22215EX | Optimized Inner Construction - Extreme Quality F. Extreme Requirements. |
| 22215AEX | Высокоскоростной и высокопроизводительный сферический роликоподшипник. |
| 22215 EK + AH 315 G | Устройство повторного смазывания со смазочной канавкой и отверстием на внешнем кольце. Противовращающийся штырь. Массивные ножки и свободный момент выравнивания. 75mm. |
Модификации сферического роликового подшипника 22215-E-K-W33+AH315 — это измененное основное конструктивное исполнение 22215, основные размеры (75x130x31) не отличаются.
| Обозначение | Гост | Конструктивные особенности |
|---|---|---|
| 2215 KTN9 | ISO | Роликовый радиальный сферический двухрядный подшипник. |
| 3515 | ГОСТ | Роликовый радиальный сферический двухрядный подшипник. |
Аналог сферического роликового подшипника 22215-E-K-W33+AH315 — это подшипник такого же размера dx75,Dx130,Bx31, типа и конструкции.
| Обозначение | Конструктивные особенности | Внутренний (d) | Наружный (D) | Ширина (B) |
|---|---|---|---|---|
| 962715-УС17 | Роликовый радиальный цилиндрический двухрядный подшипник. Смазка Литол-24. Дополнительные технические требования. | 75.00 | 129.00 | 30.00 |
| 962715-Х | Роликовый радиальный однорядный подшипник. Кольца и тела качения или только кольца (в том числе одно кольцо) из цементируемой стали.. | 75.00 | 129.00 | 30.00 |
| 962715-ХС17 | Опорный ролик. Смазка Литол-24. Кольца и тела качения или только кольца (в том числе одно кольцо) из цементируемой стали.. | 75.00 | 129.00 | 32.00 |
| 97515A1 | Роликовый радиальный-упорный двухрядный подшипник. ABEC.1. | 75.00 | 130.00 | 31.00 |
| 5-1515-Ю | Шариковый радиальный двухрядный подшипник. Все детали или часть деталей из нержавеющей стали.. | 75.00 | 130.00 | 31.00 |
| 6-1515 Ю | Шариковый радиальный двухрядный подшипник. Все детали или часть деталей из нержавеющей стали.. | 75.00 | 130.00 | 31.00 |
| 4-1515 Ю | Шариковый радиальный двухрядный подшипник. Все детали или часть деталей из нержавеющей стали.. | 75.00 | 130.00 | 31.00 |
| 1515-Ю | Шариковый радиальный двухрядный подшипник. Все детали или часть деталей из нержавеющей стали.. | 75.00 | 130.00 | 31.00 |
| 612515У2 | Роликовый радиальный двухрядный подшипник. Дополнительные технические требования. | 75.00 | 130.00 | 31.00 |
| NU2215 ET | Роликовый радиальный подшипник. Сквозная закалка и шлифовка стали с переломом в одной точке. | 75.00 | 130.00 | 31.00 |
| 2215 TN9 | Шариковый сферический двухрядный подшипник. Литой защелкивающийся сепаратор из полиамида. армированного стекловолокном 6.6. | 75.00 | 130.00 | 31.00 |
| 2215-2RS | Шариковый сферический двухрядный подшипник. Резиновые уплотнения с каждой стороны подшипника. | 75.00 | 130.00 | 31.00 |
| NJ 2215 ECPH | Роликовый радиальный однорядный подшипник. Однорядный цилиндрический роликовый подшипник. | 75.00 | 130.00 | 31.00 |
| NU 2215 ECPH | Роликовый радиальный однорядный подшипник. Однорядный цилиндрический роликовый подшипник. | 75.00 | 130.00 | 31.00 |
| 53515-Н | Роликовый радиальный двухрядный подшипник. Детали из теплостойкой стали. | 75.00 | 130.00 | 31.00 |
Способы доставки
Отправка через ведущие транспортные и курьерские компании: ПЭК, Деловые Линии, СДЭК, Байкал-Сервис, Энергия, КИТ, ЖелДорЭкспедиция.
Самовывоз возможен напрямую со склада в Москве.
Сроки доставки
Срок зависит от региона и выбранной транспортной компании. Все заказы комплектуются и отправляются в кратчайшие сроки со склада в Москве.
Надёжность и сохранность
Вся продукция упаковывается с учётом требований транспортировки. Мы гарантируем, что подшипники и комплектующие прибудут к заказчику в полной сохранности.
Доставка в страны ЕАЭС
Мы работаем с проверенными логистическими партнёрами, что позволяет оперативно доставлять заказы в Беларусь, Казахстан, Армению и другие страны ЕАЭС.
Варианты оплаты:
Минимальная сумма заказа и скидки:
Документы и гарантии:
Да, конечно! Наши технические специалисты готовы помочь вам с подбором точного аналога или замены подшипника. Просто позвоните нам по телефону +7 (495) 104-99-04 или напишите на почту zakaz@podsnab.ru.
Для оперативной консультации подготовьте, пожалуйста, имеющиеся данные: маркировку, размеры, тип оборудования или артикул старого подшипника.
Да, конечно! Мы высоко ценим долгосрочное сотрудничество и доверие клиентов по всей России. Для постоянных клиентов действует персональная система скидок.
Условия формируются индивидуально и зависят от:
Чтобы узнать свои условия и получить максимально выгодное предложение, свяжитесь с персональным менеджером или напишите нам на почту zakaz@podsnab.ru.
Вы можете оформить заказ несколькими способами:
Для оформления заказа от юридического лица свяжитесь с нашим отделом по работе с корпоративными клиентами по телефону +7 (495) 104-99-04 или напишите на email zakaz@podsnab.ru, прикрепив реквизиты вашей организации.
Мы оперативно подготовим коммерческое предложение и выставим счет.
Возврат товара надлежащего качества возможен в течение 10 дней с момента получения, если товар не был в употреблении, сохранен товарный вид, упаковка не вскрывалась и присутствуют все сопроводительные документы.
Возврат денежных средств осуществляется в течение 10 рабочих дней после проверки товара складом.
В соответствии с законодательством возврату не подлежат подшипники надлежащего качества, если отсутствует оригинальная упаковка или имеются следы монтажа.
В случае выявления брака или гарантийного случая мы гарантируем возврат или обмен товара.
Да, гарантийный срок хранения устанавливается заводом-изготовителем и в среднем составляет 2 года при соблюдении условий хранения: сухое помещение, оригинальная упаковка и смазка.
Точный срок для конкретного типа подшипника уточняйте у наших менеджеров.
Пн–Пт: с 8:00 до 17:00 (МСК).
Сб–Вс: выходные дни.
Заказы на сайте принимаются круглосуточно. Заявки, поступившие после окончания рабочего дня, обрабатываются на следующий рабочий день.
Минимальная сумма заказа для доставки составляет 3000 рублей. Самовывоз со склада возможен на любую сумму при наличии товара.
ООО «УралТехГрупп»
ИНН: 7415093830
КПП: 772401001
ОГРН: 1167456069021
Банк: ПАО Сбербанк
Р/с: 40702810838000475273
К/с: 30101810400000000225
БИК: 044525225
У подшипника 22215-E-K-W33+AH315 пока нет отзывов. Вы можете стать первым покупателем, поделившимся своим мнением.