Поиск подшипника
Статьи
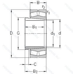
22216-E-K-W33+AH316 — Роликовый радиальный сферический двухрядный подшипник, модификация основного исполнения 22216, производство NKE.
Размер подшипника: 80x140x33 мм.
Канавка для смазки и три отверстия во внешнем кольце подшипника, коническое отверстие. конусность 1/12, повышенная грузоподъемность.
Международная стандартизации ISO
22216EKW33AH316
В наличии
| Обозначение | Конструктивные изменения |
|---|---|
| 22216E B33 | Повышенная грузоподъемность. W33 (SKF)= смазочная канавка и три отверстия в наружном кольце подшипника. |
| 22216EXQW33 | Канавка для смазки и три отверстия во внешнем кольце подшипника. Axial-Load-Capacity And High-Speed Specifications +200°C. Сферический роликоподшипник высокой грузоподъемности. |
| 22216EAW33ZZC3 | Внутренний зазор больше нормального. Канавка для смазки и три отверстия во внешнем кольце подшипника. Защитные металлические шайбы с обеих сторон. Увеличенная грузоподъемность. Лучше. чем прежний суффикс E. |
| 22216EAKW33ZZC3 | Внутренний зазор больше нормального. Канавка для смазки и три отверстия во внешнем кольце подшипника. Коническое отверстие. конус 1/12. Защитные металлические шайбы с обеих сторон. Увеличенная грузоподъемность. Лучше. чем прежний суффикс E. |
| 22216-E1-K-T52BD | Коническое отверстие. конус 1/12. Конструкция с увеличенной грузоподьемностью. |
| 22216EK B33 J30 | Коническое отверстие. конус 1/12. Радиальный внутренний зазор больше нормального. W33 (SKF)= смазочная канавка и три отверстия в наружном кольце подшипника. |
| 22216-E1-XL-M | Серия X-Life премиум-класс. увеличиный срок службы. Механически обработанный латунный сепаратор .Расположенный на элементах качения. Конструкция с увеличенной грузоподьемностью. |
| 22216 E/W64 | Повышенная грузоподъемность. Антифрикционный заполнитель. твердая смазка. |
| 22216-E1-K + AH316 | Коническое отверстие. Конусность 1/12. Конструкция с увеличенной грузоподьемностью. |
| 22216-E1-K + H316 | Коническое отверстие. Конусность 1/12. Конструкция с увеличенной грузоподьемностью. |
| 22216-E-K-W33+H316 | Канавка для смазки и три отверстия во внешнем кольце подшипника. Коническое отверстие. Конусность 1/12. Повышенная грузоподъемность. |
| 22216 K+AH316 | Коническое отверстие. Конусность 1/12. |
| 22216-2RS | Резиновые уплотнения с каждой стороны подшипника. |
| LH-22216B | Конический роликовый подшипник. Угол контакта 20 градусов. |
| LH-22216BK | Игольчатый роликовый подшипник со штампованным наружным кольцом с закрытым торцом. |
| LH-22216E | Повышенная грузоподъемность. |
| LH-22216EK | Роликовый радиальный сферический двухрядный подшипник. |
| 22216YM | 1 Piece Bronze Cage - Finger Type. |
| 22216EF800 | Линейка двухрядных сферических роликоподшипников EF800 с латунным сепаратором разработан для экстремальных условий эксплуатации. с которыми сталкиваются дробилки. Вибрационные грохоты и измельчители в шахтах и карьерах. |
| 22216CY | KOYO Bearings In FAG Packaging. FAG Bearing On Display. Greater Rounding-Rays For The Angles Than Normal. |
| 22216CK | Роликовый радиальный сферический двухрядный подшипник. |
| 22216 KCW33+AH316 | Кольцевая канавка и три отверстия для смазывания в наружном кольце подшипника. Коническое внутреннее отверстие. |
| 22216 KCW33+H316 | Кольцевая канавка и три отверстия для смазывания в наружном кольце подшипника. Коническое внутреннее отверстие. |
| 22216EX | Optimized Inner Construction - Extreme Quality F. Extreme Requirements. |
| 22216AEX | Высокоскоростной и высокопроизводительный сферический роликоподшипник. |
Модификации сферического роликового подшипника 22216-E-K-W33+AH316 — это измененное основное конструктивное исполнение 22216, основные размеры (80x140x33) не отличаются.
| Обозначение | Гост | Конструктивные особенности |
|---|---|---|
| 2216 KTN9 | ISO | Роликовый радиальный сферический двухрядный подшипник. |
| 3516 | ГОСТ | Роликовый радиальный сферический двухрядный подшипник. |
Аналог сферического роликового подшипника 22216-E-K-W33+AH316 — это подшипник такого же размера dx80,Dx140,Bx33, типа и конструкции.
| Обозначение | Конструктивные особенности | Внутренний (d) | Наружный (D) | Ширина (B) |
|---|---|---|---|---|
| 7516A | Роликовый радиальный-упорный однорядный подшипник. Двухрядный радиально-упорный шарикоподшипник без отверстия для смазки. | 80.00 | 140.00 | 33.00 |
| 2216-K+H316 | Шариковый сферический двухрядный подшипник. Коническое внутреннее отверстие. | 80.00 | 140.00 | 33.00 |
| 2216 TN9 | Шариковый сферический двухрядный подшипник. Литой защелкивающийся сепаратор из полиамида. армированного стекловолокном 6.6. | 80.00 | 140.00 | 33.00 |
| 2216-2RS | Шариковый сферический двухрядный подшипник. Резиновые уплотнения с каждой стороны подшипника. | 80.00 | 140.00 | 33.00 |
| 2216S | Шариковый сферический двухрядный подшипник. Запечатанная версия кулачкового ролика. Только для внутреннего и наружного колец. | 80.00 | 140.00 | 33.00 |
| 2216SK | Шариковый сферический двухрядный подшипник. Кулачковый толкатель штифтового типа. С шестигранной головкой. Только для внутреннего и наружного колец. | 80.00 | 140.00 | 33.00 |
| 42516-Л | Роликовый радиальный однорядный подшипник. Сепаратор из латуни.. | 80.00 | 140.00 | 33.00 |
| 42516-ЛМ | Роликовый радиальный однорядный подшипник. Сепаратор из латуни.. Модифицированный контакт.. | 80.00 | 140.00 | 33.00 |
| 42516ЛM | Роликовый радиальный однорядный подшипник. Подшипник с латунным сепаратором. центрированный по телам качения. Сепаратор из латуни.. | 80.00 | 140.00 | 33.00 |
| 53516-Ш | Роликовый радиальный двухрядный подшипник. Нормы шумности. | 80.00 | 140.00 | 33.00 |
| 53516-Е | Роликовый радиальный двухрядный подшипник. Сепаратор из текстолита.. | 80.00 | 140.00 | 33.00 |
| 53516-ЕШ | Роликовый радиальный двухрядный подшипник. Сепаратор из текстолита.. Нормы шумности. | 80.00 | 140.00 | 33.00 |
| 53516-Н | Роликовый радиальный двухрядный подшипник. Детали из теплостойкой стали. | 80.00 | 140.00 | 33.00 |
| 53516-НЕ | Роликовый радиальный двухрядный подшипник. Сепаратор из текстолита.. Детали из теплостойкой стали. | 80.00 | 140.00 | 33.00 |
| 53516-НК | Роликовый радиальный двухрядный подшипник. Кольцевая проточка на середине цилиндрической наружной поверхности наружного кольца плюс три отверстия для смазки. Детали из теплостойкой стали. | 80.00 | 140.00 | 33.00 |
Способы доставки
Отправка через ведущие транспортные и курьерские компании: ПЭК, Деловые Линии, СДЭК, Байкал-Сервис, Энергия, КИТ, ЖелДорЭкспедиция.
Самовывоз возможен напрямую со склада в Москве.
Сроки доставки
Срок зависит от региона и выбранной транспортной компании. Все заказы комплектуются и отправляются в кратчайшие сроки со склада в Москве.
Надёжность и сохранность
Вся продукция упаковывается с учётом требований транспортировки. Мы гарантируем, что подшипники и комплектующие прибудут к заказчику в полной сохранности.
Доставка в страны ЕАЭС
Мы работаем с проверенными логистическими партнёрами, что позволяет оперативно доставлять заказы в Беларусь, Казахстан, Армению и другие страны ЕАЭС.
Варианты оплаты:
Минимальная сумма заказа и скидки:
Документы и гарантии:
Да, конечно! Наши технические специалисты готовы помочь вам с подбором точного аналога или замены подшипника. Просто позвоните нам по телефону +7 (495) 104-99-04 или напишите на почту zakaz@podsnab.ru.
Для оперативной консультации подготовьте, пожалуйста, имеющиеся данные: маркировку, размеры, тип оборудования или артикул старого подшипника.
Да, конечно! Мы высоко ценим долгосрочное сотрудничество и доверие клиентов по всей России. Для постоянных клиентов действует персональная система скидок.
Условия формируются индивидуально и зависят от:
Чтобы узнать свои условия и получить максимально выгодное предложение, свяжитесь с персональным менеджером или напишите нам на почту zakaz@podsnab.ru.
Вы можете оформить заказ несколькими способами:
Для оформления заказа от юридического лица свяжитесь с нашим отделом по работе с корпоративными клиентами по телефону +7 (495) 104-99-04 или напишите на email zakaz@podsnab.ru, прикрепив реквизиты вашей организации.
Мы оперативно подготовим коммерческое предложение и выставим счет.
Возврат товара надлежащего качества возможен в течение 10 дней с момента получения, если товар не был в употреблении, сохранен товарный вид, упаковка не вскрывалась и присутствуют все сопроводительные документы.
Возврат денежных средств осуществляется в течение 10 рабочих дней после проверки товара складом.
В соответствии с законодательством возврату не подлежат подшипники надлежащего качества, если отсутствует оригинальная упаковка или имеются следы монтажа.
В случае выявления брака или гарантийного случая мы гарантируем возврат или обмен товара.
Да, гарантийный срок хранения устанавливается заводом-изготовителем и в среднем составляет 2 года при соблюдении условий хранения: сухое помещение, оригинальная упаковка и смазка.
Точный срок для конкретного типа подшипника уточняйте у наших менеджеров.
Пн–Пт: с 8:00 до 17:00 (МСК).
Сб–Вс: выходные дни.
Заказы на сайте принимаются круглосуточно. Заявки, поступившие после окончания рабочего дня, обрабатываются на следующий рабочий день.
Минимальная сумма заказа для доставки составляет 3000 рублей. Самовывоз со склада возможен на любую сумму при наличии товара.
ООО «УралТехГрупп»
ИНН: 7415093830
КПП: 772401001
ОГРН: 1167456069021
Банк: ПАО Сбербанк
Р/с: 40702810838000475273
К/с: 30101810400000000225
БИК: 044525225
У подшипника 22216-E-K-W33+AH316 пока нет отзывов. Вы можете стать первым покупателем, поделившимся своим мнением.