Поиск подшипника
Статьи
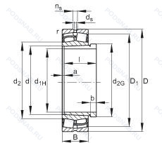
22238-E1-K + AH2238G — Роликовый радиальный сферический двухрядный подшипник, модификация основного исполнения 22238, производство FAG.
Размер подшипника: 180x340x92 мм.
Конструкция с увеличенной грузоподьемностью, коническое отверстие. конусность 1/12.
Международная стандартизации ISO
22238E1KAH2238G
В наличии
| Обозначение | Конструктивные изменения |
|---|---|
| 22238B L1 | Цельное внутреннее кольцо из резины, асимметричные ролики и фиксатор с центральной направляющей. Механически обработанный латунный сепаратор. |
| 22238CK W33 | Повышенная грузоподъемность. Канавка для смазки и три отверстия во внешнем кольце подшипника. Коническое отверстие 1/12. |
| 22238CKJ/W33 | Канавка для смазки и три отверстия во внешнем кольце подшипника. |
| 22238CK C3 W33 | Повышенная грузоподъемность. Внутренний зазор больше нормального. Канавка для смазки и три отверстия во внешнем кольце подшипника. Коническое отверстие 1/12. |
| 22238EMBW33C3 | Внутренний зазор больше нормального. Канавка для смазки и три отверстия во внешнем кольце подшипника. Land-Riding One-Piece Brass Cage. |
| 22238KYMW33 L | Одно механическое уплотнение. |
| 22238KYMW33C3 L | Одно механическое уплотнение. |
| 22238YMW33 L | Одно механическое уплотнение. |
| 22238YMW33C3 L | Одно механическое уплотнение. |
| 22238W33 | Кольцевая канавка и три отверстия для смазывания в наружном кольце подшипника. |
| 22238RHA | With Convex Symmetric Rollers And One-Piece Machined Cage. |
| 22238R | С выпуклыми асимметричными роликами и обработанным сепаратором. |
| 22238-K-MB-W33+H3138 | Канавка для смазки и три отверстия во внешнем кольце подшипника. Коническое отверстие. Конусность 1/12. сепаратор из латуни. центрированный по внутреннему кольцу. |
| 22238-K-MB-W33+AH2238 | Канавка для смазки и три отверстия во внешнем кольце подшипника. Коническое отверстие. Конусность 1/12. сепаратор из латуни. центрированный по внутреннему кольцу. |
| 22238YM | 1 Piece Bronze Cage - Finger Type. |
| 22238CK | Роликовый радиальный сферический двухрядный подшипник. |
| 22238C | 15° Угол контакта. |
| 22238 KCW33+AH2238 | Кольцевая канавка и три отверстия для смазывания в наружном кольце подшипника. Коническое внутреннее отверстие. |
| 22238 KCW33+H3138 | Кольцевая канавка и три отверстия для смазывания в наружном кольце подшипника. Коническое внутреннее отверстие. |
| 22238-K-MB+AH2238G | Коническое отверстие. Конусность 1/12. сепаратор из латуни. центрированный по внутреннему кольцу. |
| 22238-E1-K + H3138 | Коническое отверстие. Конусность 1/12. Конструкция с увеличенной грузоподьемностью. |
| 22238-K-MB+H3138 | Коническое отверстие. Конусность 1/12. сепаратор из латуни. центрированный по внутреннему кольцу. |
| 22238E | Повышенная грузоподъемность. |
| 22238EK | Роликовый радиальный сферический двухрядный подшипник. |
| 22238 CCK/W33 + H 3138 | Канавка для смазки и три отверстия во внешнем кольце подшипника. Pressed Snap-Type Steel Cage. Hardened. |
Модификации сферического роликового подшипника 22238-E1-K + AH2238G — это измененное основное конструктивное исполнение 22238, основные размеры (180x340x92) не отличаются.
| Обозначение | Конструктивные особенности | Внутренний (d) | Наружный (D) | Ширина (B) |
|---|---|---|---|---|
| 32736 | Роликовый радиальный подшипник. | 180.00 | 340.00 | 92.00 |
| 382736 | Роликовый радиальный подшипник. | 180.00 | 340.00 | 92.00 |
| 73536 | Роликовый радиальный двухрядный подшипник. | 180.00 | 340.00 | 92.00 |
| 753536 | Роликовый радиальный двухрядный подшипник. | 180.00 | 340.00 | 92.00 |
| 30-73536 | Роликовый радиальный двухрядный подшипник. | 180.00 | 340.00 | 92.00 |
| 42736 | Роликовый радиальный однорядный подшипник. | 180.00 | 340.00 | 92.00 |
| 232736 | Роликовый радиальный однорядный подшипник. | 180.00 | 340.00 | 92.00 |
| 753536Н | Роликовый радиальный двухрядный подшипник. Детали из теплостойкой стали. | 180.00 | 340.00 | 92.00 |
Способы доставки
Отправка через ведущие транспортные и курьерские компании: ПЭК, Деловые Линии, СДЭК, Байкал-Сервис, Энергия, КИТ, ЖелДорЭкспедиция.
Самовывоз возможен напрямую со склада в Москве.
Сроки доставки
Срок зависит от региона и выбранной транспортной компании. Все заказы комплектуются и отправляются в кратчайшие сроки со склада в Москве.
Надёжность и сохранность
Вся продукция упаковывается с учётом требований транспортировки. Мы гарантируем, что подшипники и комплектующие прибудут к заказчику в полной сохранности.
Доставка в страны ЕАЭС
Мы работаем с проверенными логистическими партнёрами, что позволяет оперативно доставлять заказы в Беларусь, Казахстан, Армению и другие страны ЕАЭС.
Варианты оплаты:
Минимальная сумма заказа и скидки:
Документы и гарантии:
Да, конечно! Наши технические специалисты готовы помочь вам с подбором точного аналога или замены подшипника. Просто позвоните нам по телефону +7 (495) 104-99-04 или напишите на почту zakaz@podsnab.ru.
Для оперативной консультации подготовьте, пожалуйста, имеющиеся данные: маркировку, размеры, тип оборудования или артикул старого подшипника.
Да, конечно! Мы высоко ценим долгосрочное сотрудничество и доверие клиентов по всей России. Для постоянных клиентов действует персональная система скидок.
Условия формируются индивидуально и зависят от:
Чтобы узнать свои условия и получить максимально выгодное предложение, свяжитесь с персональным менеджером или напишите нам на почту zakaz@podsnab.ru.
Вы можете оформить заказ несколькими способами:
Для оформления заказа от юридического лица свяжитесь с нашим отделом по работе с корпоративными клиентами по телефону +7 (495) 104-99-04 или напишите на email zakaz@podsnab.ru, прикрепив реквизиты вашей организации.
Мы оперативно подготовим коммерческое предложение и выставим счет.
Возврат товара надлежащего качества возможен в течение 10 дней с момента получения, если товар не был в употреблении, сохранен товарный вид, упаковка не вскрывалась и присутствуют все сопроводительные документы.
Возврат денежных средств осуществляется в течение 10 рабочих дней после проверки товара складом.
В соответствии с законодательством возврату не подлежат подшипники надлежащего качества, если отсутствует оригинальная упаковка или имеются следы монтажа.
В случае выявления брака или гарантийного случая мы гарантируем возврат или обмен товара.
Да, гарантийный срок хранения устанавливается заводом-изготовителем и в среднем составляет 2 года при соблюдении условий хранения: сухое помещение, оригинальная упаковка и смазка.
Точный срок для конкретного типа подшипника уточняйте у наших менеджеров.
Пн–Пт: с 8:00 до 17:00 (МСК).
Сб–Вс: выходные дни.
Заказы на сайте принимаются круглосуточно. Заявки, поступившие после окончания рабочего дня, обрабатываются на следующий рабочий день.
Минимальная сумма заказа для доставки составляет 3000 рублей. Самовывоз со склада возможен на любую сумму при наличии товара.
ООО «УралТехГрупп»
ИНН: 7415093830
КПП: 772401001
ОГРН: 1167456069021
Банк: ПАО Сбербанк
Р/с: 40702810838000475273
К/с: 30101810400000000225
БИК: 044525225
У подшипника 22238-E1-K + AH2238G пока нет отзывов. Вы можете стать первым покупателем, поделившимся своим мнением.