Поиск подшипника
Статьи
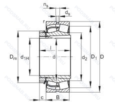
22240-E1-K + H3140 — Роликовый радиальный сферический двухрядный подшипник, модификация основного исполнения 22240, производство FAG.
Размер подшипника: 180x360x98 мм.
Конструкция с увеличенной грузоподьемностью, коническое отверстие. конусность 1/12.
Международная стандартизации ISO
22240E1KH3140
В наличии
| Обозначение | Конструктивные изменения |
|---|---|
| 22240E W33 C3 | Внутренний зазор больше нормального. Канавка для смазки и три отверстия во внешнем кольце подшипника. Изменение конструкции роликового подшипника. |
| 22240CA C3 W33 S1 | Внутренний зазор больше нормального. Канавка для смазки и три отверстия во внешнем кольце подшипника. Сепаратор из латуни с механической обработкой. Стабильность размеров при рабочих температурах до +200°C. |
| 22240CKJ/C4W33 | Два стальных сепаратора оконного типа. Бесфланцевое внутреннее кольцо и направляющее кольцо центрировано на внутреннем кольце. Канавка для смазки и три отверстия во внешнем кольце подшипника. Коническое отверстие. конус 1/12. Внутренний зазор подшипника больше. чем C3. Прессованный сепаратор из незакаленной листовой стали. |
| 22240B D1 | Цельное ребристое внутреннее кольцо. Асимметричные ролики и фиксатор с центральной направляющей. Канавка для смазки и три отверстия во внешнем кольце подшипника. |
| 22240EM D1 | Канавка и три смазочных отверстия на наружном кольце. Стандартный фланцевый ( с резьбой и сквозным отверстием). |
| 22240B L1 K | Коническое отверстие. конус 1/12. Цельное ребристое внутреннее кольцо. Асимметричные ролики и фиксатор с центральной направляющей. Высокопрочный обработанный латунный сепаратор. |
| 22240-BE-XL-C4 | Внутренний зазор подшипника больше. чем C3. Серия X-Life премиум-класс. увеличиный срок службы. Увеличенная грузоподъемность подшипника. |
| 22240-BE-C4 | Внутренний зазор подшипника больше. чем C3. Увеличенная грузоподъемность подшипника. |
| 22240K C3 W33 | Внутренний зазор больше нормального. Канавка для смазки и три отверстия во внешнем кольце подшипника. Коническое отверстие. конус 1/12. |
| 22240K W33 | Канавка для смазки и три отверстия во внешнем кольце подшипника. Коническое отверстие. конус 1/12. |
| 22240KEMBW33C3 | Внутренний зазор больше нормального. Канавка для смазки и три отверстия во внешнем кольце подшипника. Коническое отверстие. конус 1/12. Land-Riding One-Piece Brass Cage. |
| 22240KYMW33 L | Одно механическое уплотнение. |
| 22240R | С выпуклыми асимметричными роликами и обработанным сепаратором. |
| 22240RHA | With Convex Symmetric Rollers And One-Piece Machined Cage. |
| 22240-K-MB-W33+AH2240 | Канавка для смазки и три отверстия во внешнем кольце подшипника. Коническое отверстие. Конусность 1/12. сепаратор из латуни. центрированный по внутреннему кольцу. |
| 22240-K-MB-W33+H3140 | Канавка для смазки и три отверстия во внешнем кольце подшипника. Коническое отверстие. Конусность 1/12. сепаратор из латуни. центрированный по внутреннему кольцу. |
| 22240YMB | Бронзовый цельный сепаратор пальцевого типа. |
| 22240 KCW33+AH2240 | Кольцевая канавка и три отверстия для смазывания в наружном кольце подшипника. Коническое внутреннее отверстие. |
| 22240 KCW33+H3140 | Кольцевая канавка и три отверстия для смазывания в наружном кольце подшипника. Коническое внутреннее отверстие. |
| 22240-E1 | Конструкция с увеличенной грузоподьемностью. |
| 22240-E1-K | Коническое отверстие. Конусность 1/12. Конструкция с увеличенной грузоподьемностью. |
| 22240-E1-K + AH2240 | Коническое отверстие. Конусность 1/12. Конструкция с увеличенной грузоподьемностью. |
| 22240-B-K-MB+AH2240 | Коническое отверстие. Конусность 1/12. Конический роликовый подшипник. Угол контакта 20 градусов. сепаратор из латуни. центрированный по внутреннему кольцу. |
| 22240EK | Роликовый радиальный сферический двухрядный подшипник. |
| 22240E | Повышенная грузоподъемность. |
Модификации сферического роликового подшипника 22240-E1-K + H3140 — это измененное основное конструктивное исполнение 22240, основные размеры (180x360x98) не отличаются.
| Обозначение | Конструктивные особенности | Внутренний (d) | Наружный (D) | Ширина (B) |
|---|---|---|---|---|
| 222SM180MA | Подшипник роликовый сферический. Механически обработанный латунный сепаратор. Центрирование по внешнему кольцу. | 180.00 | 360.00 | 98.00 |
| ВТ-13536 | Роликовый радиальный двухрядный подшипник. 180°. Температура отпуска. | 180.00 | 360.00 | 98.00 |
| 13536-АД | Роликовый радиальный двухрядный подшипник. Сепаратор из алюминиевого сплава.. Повышенная грузоподъемность. | 180.00 | 360.00 | 98.00 |
| 13536-АН | Роликовый радиальный двухрядный подшипник. Детали из теплостойкой стали. Повышенная грузоподъемность. | 180.00 | 360.00 | 98.00 |
| 40-13536 АТ | Роликовый радиальный двухрядный подшипник. Температура отпуска. 160°. Повышенная грузоподъемность. | 180.00 | 360.00 | 98.00 |
| 13536 | Роликовый радиальный двухрядный подшипник. | 180.00 | 360.00 | 98.00 |
| 353536 | Роликовый радиальный двухрядный подшипник. | 180.00 | 360.00 | 98.00 |
| 13536-А | Роликовый радиальный двухрядный подшипник. Повышенная грузоподъемность. | 180.00 | 360.00 | 98.00 |
| 13536-Н | Роликовый радиальный двухрядный подшипник. Детали из теплостойкой стали. | 180.00 | 360.00 | 98.00 |
| 13536АМН | Роликовый радиальный двухрядный подшипник. Детали из теплостойкой стали. Модифицированный контакт.. Повышенная грузоподъемность. | 180.00 | 360.00 | 98.00 |
| 30-13536 | Роликовый радиальный двухрядный подшипник. | 180.00 | 360.00 | 98.00 |
| 30-13536 А | Роликовый радиальный двухрядный подшипник. Повышенная грузоподъемность. | 180.00 | 360.00 | 98.00 |
| 353536Н | Роликовый радиальный двухрядный подшипник. Детали из теплостойкой стали. | 180.00 | 360.00 | 98.00 |
| 40-13536 Т | Роликовый радиальный двухрядный подшипник. Температура отпуска. 160°. | 180.00 | 360.00 | 98.00 |
Способы доставки
Отправка через ведущие транспортные и курьерские компании: ПЭК, Деловые Линии, СДЭК, Байкал-Сервис, Энергия, КИТ, ЖелДорЭкспедиция.
Самовывоз возможен напрямую со склада в Москве.
Сроки доставки
Срок зависит от региона и выбранной транспортной компании. Все заказы комплектуются и отправляются в кратчайшие сроки со склада в Москве.
Надёжность и сохранность
Вся продукция упаковывается с учётом требований транспортировки. Мы гарантируем, что подшипники и комплектующие прибудут к заказчику в полной сохранности.
Доставка в страны ЕАЭС
Мы работаем с проверенными логистическими партнёрами, что позволяет оперативно доставлять заказы в Беларусь, Казахстан, Армению и другие страны ЕАЭС.
Варианты оплаты:
Минимальная сумма заказа и скидки:
Документы и гарантии:
Да, конечно! Наши технические специалисты готовы помочь вам с подбором точного аналога или замены подшипника. Просто позвоните нам по телефону +7 (495) 104-99-04 или напишите на почту zakaz@podsnab.ru.
Для оперативной консультации подготовьте, пожалуйста, имеющиеся данные: маркировку, размеры, тип оборудования или артикул старого подшипника.
Да, конечно! Мы высоко ценим долгосрочное сотрудничество и доверие клиентов по всей России. Для постоянных клиентов действует персональная система скидок.
Условия формируются индивидуально и зависят от:
Чтобы узнать свои условия и получить максимально выгодное предложение, свяжитесь с персональным менеджером или напишите нам на почту zakaz@podsnab.ru.
Вы можете оформить заказ несколькими способами:
Для оформления заказа от юридического лица свяжитесь с нашим отделом по работе с корпоративными клиентами по телефону +7 (495) 104-99-04 или напишите на email zakaz@podsnab.ru, прикрепив реквизиты вашей организации.
Мы оперативно подготовим коммерческое предложение и выставим счет.
Возврат товара надлежащего качества возможен в течение 10 дней с момента получения, если товар не был в употреблении, сохранен товарный вид, упаковка не вскрывалась и присутствуют все сопроводительные документы.
Возврат денежных средств осуществляется в течение 10 рабочих дней после проверки товара складом.
В соответствии с законодательством возврату не подлежат подшипники надлежащего качества, если отсутствует оригинальная упаковка или имеются следы монтажа.
В случае выявления брака или гарантийного случая мы гарантируем возврат или обмен товара.
Да, гарантийный срок хранения устанавливается заводом-изготовителем и в среднем составляет 2 года при соблюдении условий хранения: сухое помещение, оригинальная упаковка и смазка.
Точный срок для конкретного типа подшипника уточняйте у наших менеджеров.
Пн–Пт: с 8:00 до 17:00 (МСК).
Сб–Вс: выходные дни.
Заказы на сайте принимаются круглосуточно. Заявки, поступившие после окончания рабочего дня, обрабатываются на следующий рабочий день.
Минимальная сумма заказа для доставки составляет 3000 рублей. Самовывоз со склада возможен на любую сумму при наличии товара.
ООО «УралТехГрупп»
ИНН: 7415093830
КПП: 772401001
ОГРН: 1167456069021
Банк: ПАО Сбербанк
Р/с: 40702810838000475273
К/с: 30101810400000000225
БИК: 044525225
У подшипника 22240-E1-K + H3140 пока нет отзывов. Вы можете стать первым покупателем, поделившимся своим мнением.