Поиск подшипника
Статьи
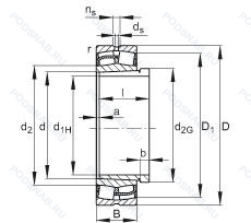
22336-E1-K + AH2336G — Роликовый радиальный сферический двухрядный подшипник, модификация основного исполнения 22336, производство FAG.
Размер подшипника: 170x380x126 мм.
Конструкция с увеличенной грузоподьемностью, коническое отверстие. конусность 1/12.
Международная стандартизации ISO
22336E1KAH2336G
В наличии
| Обозначение | Конструктивные изменения |
|---|---|
| 22336-BE-XL-C4 | Внутренний зазор подшипника больше. чем C3. Серия X-Life премиум-класс. увеличиный срок службы. Увеличенная грузоподъемность подшипника. |
| 22336-BE-XL-K-JPA | Коническое отверстие. конус 1/12. Серия X-Life премиум-класс. увеличиный срок службы. Увеличенная грузоподъемность подшипника. Штампованный стальной сепаратор оконного типа. Направляющее внутреннее кольцо. |
| 22336-BE-K-JPA | Коническое отверстие. конус 1/12. Увеличенная грузоподъемность подшипника. Штампованный стальной сепаратор оконного типа. Направляющее внутреннее кольцо. |
| 22336-BE-JPA | Увеличенная грузоподъемность подшипника. Штампованный стальной сепаратор оконного типа. Направляющее внутреннее кольцо. |
| 22336-E1-H151B-C3 | Внутренний зазор больше нормального. Конструкция с увеличенной грузоподьемностью. Один удерживающий паз под углом 15° на наружном кольце. |
| 22336-BEA-XL-MB1 | Серия X-Life премиум-класс. увеличиный срок службы. 40° Угол контакта. High Capacity. All Four Corners Equal. Латунный сепаратор. массивный. |
| 22336EMBW33W800C4 | Канавка для смазки и три отверстия во внешнем кольце подшипника. Внутренний зазор подшипника больше. чем C3. Land-Riding One-Piece Brass Cage. Модификация грохота вибросита - сочетает в себе W22 (внешнее кольцо с уменьшенным допуском на наружный диаметр). W88 (внутреннее кольцо с уменьшенным допуском на диаметр отверстия) и верхние две трети указанного радиального внутреннего зазора. |
| 22336 VA | Нержавеющая сталь. |
| 22336 KW33 | Кольцевая канавка и три отверстия для смазывания в наружном кольце подшипника. Коническое внутреннее отверстие. |
| 22336RHA | With Convex Symmetric Rollers And One-Piece Machined Cage. |
| 22336R | С выпуклыми асимметричными роликами и обработанным сепаратором. |
| 22336-K-MB-W33+AH2336 | Канавка для смазки и три отверстия во внешнем кольце подшипника. Коническое отверстие. Конусность 1/12. сепаратор из латуни. центрированный по внутреннему кольцу. |
| 22336-K-MB-W33+H2336 | Канавка для смазки и три отверстия во внешнем кольце подшипника. Коническое отверстие. Конусность 1/12. сепаратор из латуни. центрированный по внутреннему кольцу. |
| 22336BK | Игольчатый роликовый подшипник со штампованным наружным кольцом с закрытым торцом. |
| 22336B | Конический роликовый подшипник. Угол контакта 20 градусов. |
| 22336YMB | Бронзовый цельный сепаратор пальцевого типа. |
| 22336 KCW33+AH2336 | Кольцевая канавка и три отверстия для смазывания в наружном кольце подшипника. Коническое внутреннее отверстие. |
| 22336 KCW33+H2336 | Кольцевая канавка и три отверстия для смазывания в наружном кольце подшипника. Коническое внутреннее отверстие. |
| 22336-K-MB+AH2336G | Коническое отверстие. Конусность 1/12. сепаратор из латуни. центрированный по внутреннему кольцу. |
| 22336-E1-K-T41A + H2336 | Коническое отверстие. Конусность 1/12. Конструкция с увеличенной грузоподьемностью. Для вибросит/виброгрохотов (Зазор С4). |
| 22336-E1-K + H2336 | Коническое отверстие. Конусность 1/12. Конструкция с увеличенной грузоподьемностью. |
| 22336-E1-K-JPA-T41A + AH2336G | Коническое отверстие. Конусность 1/12. Конструкция с увеличенной грузоподьемностью. Для вибросит/виброгрохотов (Зазор С4). Штампованный стальной сепаратор оконного типа. Направляющее внутреннее кольцо. |
| 22336-K-MB+H2336 | Коническое отверстие. Конусность 1/12. сепаратор из латуни. центрированный по внутреннему кольцу. |
| 22336E | Повышенная грузоподъемность. |
| 22336EK | Роликовый радиальный сферический двухрядный подшипник. |
Модификации сферического роликового подшипника 22336-E1-K + AH2336G — это измененное основное конструктивное исполнение 22336, основные размеры (170x380x126) не отличаются.
| Обозначение | Конструктивные особенности | Внутренний (d) | Наружный (D) | Ширина (B) |
|---|---|---|---|---|
| 30-73634 Н | Роликовый радиальный двухрядный подшипник. Детали из теплостойкой стали. | 170.00 | 380.00 | 126.00 |
| 73634-АМН | Роликовый радиальный двухрядный подшипник. Детали из теплостойкой стали. Модифицированный контакт.. Повышенная грузоподъемность. | 170.00 | 380.00 | 126.00 |
| 2В0-73634 W2 | Роликовый радиальный двухрядный подшипник. Детали из вакуумированной стали.. | 170.00 | 380.00 | 126.00 |
| 73634-W2 | Роликовый радиальный двухрядный подшипник. Детали из вакуумированной стали.. | 170.00 | 380.00 | 126.00 |
| 6-73634 Ш1 | Роликовый радиальный двухрядный подшипник. Нормы шумности. | 170.00 | 380.00 | 126.00 |
| 73634 | Роликовый радиальный двухрядный подшипник. | 170.00 | 380.00 | 126.00 |
| 753634 | Роликовый радиальный двухрядный подшипник. | 170.00 | 380.00 | 126.00 |
| 73634АМНК | Роликовый радиальный двухрядный подшипник. Детали из теплостойкой стали. Модифицированный контакт.. Повышенная грузоподъемность. | 170.00 | 380.00 | 126.00 |
| 73634-Н | Роликовый радиальный двухрядный подшипник. Детали из теплостойкой стали. | 170.00 | 380.00 | 126.00 |
| 753634Н | Роликовый радиальный двухрядный подшипник. Детали из теплостойкой стали. | 170.00 | 380.00 | 126.00 |
Способы доставки
Отправка через ведущие транспортные и курьерские компании: ПЭК, Деловые Линии, СДЭК, Байкал-Сервис, Энергия, КИТ, ЖелДорЭкспедиция.
Самовывоз возможен напрямую со склада в Москве.
Сроки доставки
Срок зависит от региона и выбранной транспортной компании. Все заказы комплектуются и отправляются в кратчайшие сроки со склада в Москве.
Надёжность и сохранность
Вся продукция упаковывается с учётом требований транспортировки. Мы гарантируем, что подшипники и комплектующие прибудут к заказчику в полной сохранности.
Доставка в страны ЕАЭС
Мы работаем с проверенными логистическими партнёрами, что позволяет оперативно доставлять заказы в Беларусь, Казахстан, Армению и другие страны ЕАЭС.
Варианты оплаты:
Минимальная сумма заказа и скидки:
Документы и гарантии:
Да, конечно! Наши технические специалисты готовы помочь вам с подбором точного аналога или замены подшипника. Просто позвоните нам по телефону +7 (495) 104-99-04 или напишите на почту zakaz@podsnab.ru.
Для оперативной консультации подготовьте, пожалуйста, имеющиеся данные: маркировку, размеры, тип оборудования или артикул старого подшипника.
Да, конечно! Мы высоко ценим долгосрочное сотрудничество и доверие клиентов по всей России. Для постоянных клиентов действует персональная система скидок.
Условия формируются индивидуально и зависят от:
Чтобы узнать свои условия и получить максимально выгодное предложение, свяжитесь с персональным менеджером или напишите нам на почту zakaz@podsnab.ru.
Вы можете оформить заказ несколькими способами:
Для оформления заказа от юридического лица свяжитесь с нашим отделом по работе с корпоративными клиентами по телефону +7 (495) 104-99-04 или напишите на email zakaz@podsnab.ru, прикрепив реквизиты вашей организации.
Мы оперативно подготовим коммерческое предложение и выставим счет.
Возврат товара надлежащего качества возможен в течение 10 дней с момента получения, если товар не был в употреблении, сохранен товарный вид, упаковка не вскрывалась и присутствуют все сопроводительные документы.
Возврат денежных средств осуществляется в течение 10 рабочих дней после проверки товара складом.
В соответствии с законодательством возврату не подлежат подшипники надлежащего качества, если отсутствует оригинальная упаковка или имеются следы монтажа.
В случае выявления брака или гарантийного случая мы гарантируем возврат или обмен товара.
Да, гарантийный срок хранения устанавливается заводом-изготовителем и в среднем составляет 2 года при соблюдении условий хранения: сухое помещение, оригинальная упаковка и смазка.
Точный срок для конкретного типа подшипника уточняйте у наших менеджеров.
Пн–Пт: с 8:00 до 17:00 (МСК).
Сб–Вс: выходные дни.
Заказы на сайте принимаются круглосуточно. Заявки, поступившие после окончания рабочего дня, обрабатываются на следующий рабочий день.
Минимальная сумма заказа для доставки составляет 3000 рублей. Самовывоз со склада возможен на любую сумму при наличии товара.
ООО «УралТехГрупп»
ИНН: 7415093830
КПП: 772401001
ОГРН: 1167456069021
Банк: ПАО Сбербанк
Р/с: 40702810838000475273
К/с: 30101810400000000225
БИК: 044525225
У подшипника 22336-E1-K + AH2336G пока нет отзывов. Вы можете стать первым покупателем, поделившимся своим мнением.