Поиск подшипника
Статьи
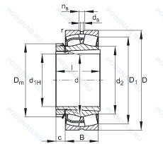
22338-E1-K + H2338 — Роликовый радиальный сферический двухрядный подшипник, модификация основного исполнения 22338, производство FAG.
Размер подшипника: 170x400x132 мм.
Конструкция с увеличенной грузоподьемностью, коническое отверстие. конусность 1/12.
Международная стандартизации ISO
22338E1KH2338
В наличии
| Обозначение | Конструктивные изменения |
|---|---|
| 22338-BE-XL-K-JPA | Коническое отверстие. конус 1/12. Серия X-Life премиум-класс. увеличиный срок службы. Увеличенная грузоподъемность подшипника. Штампованный стальной сепаратор оконного типа. Направляющее внутреннее кольцо. |
| 22338-BE-K-JPA | Коническое отверстие. конус 1/12. Увеличенная грузоподъемность подшипника. Штампованный стальной сепаратор оконного типа. Направляющее внутреннее кольцо. |
| 22338EMKD1 | Коническое отверстие. конус 1/12. Повышенная грузоподъемность. Механически обработанный латунный сепаратор .Расположенный на элементах качения. Канавка и три смазочных отверстия на наружном кольце. |
| 22338EM K D1 C3 | Внутренний зазор больше нормального. Коническое отверстие. конус 1/12. Канавка и три смазочных отверстия на наружном кольце. Стандартный фланцевый ( с резьбой и сквозным отверстием). |
| 22338KYMBW33C3 | Внутренний зазор больше нормального. Канавка для смазки и три отверстия во внешнем кольце подшипника. Коническое отверстие. конус 1/12. Цельный латунный сепаратор пальцевого типа. |
| 22338E1K.JPA.T41A | Коническое отверстие. конус 1/12. Конструкция с увеличенной грузоподьемностью. Для вибросит/виброгрохотов (Зазор С4). Штампованный стальной сепаратор оконного типа. Направляющее внутреннее кольцо. |
| 22338 VA | Нержавеющая сталь. |
| 22338W33 | Кольцевая канавка и три отверстия для смазывания в наружном кольце подшипника. |
| 22338R | С выпуклыми асимметричными роликами и обработанным сепаратором. |
| 22338RHA | With Convex Symmetric Rollers And One-Piece Machined Cage. |
| 22338-K-MB-W33+AH2338 | Канавка для смазки и три отверстия во внешнем кольце подшипника. Коническое отверстие. Конусность 1/12. сепаратор из латуни. центрированный по внутреннему кольцу. |
| 22338-K-MB-W33+H2338 | Канавка для смазки и три отверстия во внешнем кольце подшипника. Коническое отверстие. Конусность 1/12. сепаратор из латуни. центрированный по внутреннему кольцу. |
| 22338B | Конический роликовый подшипник. Угол контакта 20 градусов. |
| 22338-2CS5/VT143 | Контактное уплотнение из листовой стали, усиленное гидрогенизированным акрилонитрил-бутадиеновым каучуком (HNBR) с обеих сторон. Свободное пространство в подшипнике на 70–100 % заполнено высокотемпературной смазкой.. Заполнение пластичной смазкой SKF LGEP 2 на 25–35 %. |
| 22338 CCKJA/W33VA405 | Измененная или модифицированная внутренняя конструкция при неизменных основных размерах. |
| 22338YMB | Бронзовый цельный сепаратор пальцевого типа. |
| 22338 KCW33+H2338 | Кольцевая канавка и три отверстия для смазывания в наружном кольце подшипника. Коническое внутреннее отверстие. |
| 22338 KCW33+AH2338 | Кольцевая канавка и три отверстия для смазывания в наружном кольце подшипника. Коническое внутреннее отверстие. |
| 22338-E1-K + AH2338G | Коническое отверстие. Конусность 1/12. Конструкция с увеличенной грузоподьемностью. |
| 22338-E1-K-T41A + H2338 | Коническое отверстие. Конусность 1/12. Конструкция с увеличенной грузоподьемностью. Для вибросит/виброгрохотов (Зазор С4). |
| 22338-K-MB+H2338 | Коническое отверстие. Конусность 1/12. сепаратор из латуни. центрированный по внутреннему кольцу. |
| 22338-E1-K-JPA-T41A + AH2338G | Коническое отверстие. Конусность 1/12. Конструкция с увеличенной грузоподьемностью. Для вибросит/виброгрохотов (Зазор С4). Штампованный стальной сепаратор оконного типа. Направляющее внутреннее кольцо. |
| 22338-K-MB+AH2338G | Коническое отверстие. Конусность 1/12. сепаратор из латуни. центрированный по внутреннему кольцу. |
| 22338E | Повышенная грузоподъемность. |
| 22338EK | Роликовый радиальный сферический двухрядный подшипник. |
Модификации сферического роликового подшипника 22338-E1-K + H2338 — это измененное основное конструктивное исполнение 22338, основные размеры (170x400x132) не отличаются.
| Обозначение | Конструктивные особенности | Внутренний (d) | Наружный (D) | Ширина (B) |
|---|---|---|---|---|
| 13634-ВТ | Роликовый радиальный двухрядный подшипник. Температура отпуска. 160°. | 170.00 | 400.00 | 132.00 |
| 13634 | Роликовый радиальный двухрядный подшипник. | 170.00 | 400.00 | 132.00 |
| 353634 | Роликовый радиальный двухрядный подшипник. | 170.00 | 400.00 | 132.00 |
| 13634-Н | Роликовый радиальный двухрядный подшипник. Детали из теплостойкой стали. | 170.00 | 400.00 | 132.00 |
| 13634НК | Роликовый радиальный двухрядный подшипник. Детали из теплостойкой стали. | 170.00 | 400.00 | 132.00 |
| 30-13634 | Роликовый радиальный двухрядный подшипник. | 170.00 | 400.00 | 132.00 |
| 353634Н | Роликовый радиальный двухрядный подшипник. Детали из теплостойкой стали. | 170.00 | 400.00 | 132.00 |
| 40-13634 | Роликовый радиальный двухрядный подшипник. | 170.00 | 400.00 | 132.00 |
Способы доставки
Отправка через ведущие транспортные и курьерские компании: ПЭК, Деловые Линии, СДЭК, Байкал-Сервис, Энергия, КИТ, ЖелДорЭкспедиция.
Самовывоз возможен напрямую со склада в Москве.
Сроки доставки
Срок зависит от региона и выбранной транспортной компании. Все заказы комплектуются и отправляются в кратчайшие сроки со склада в Москве.
Надёжность и сохранность
Вся продукция упаковывается с учётом требований транспортировки. Мы гарантируем, что подшипники и комплектующие прибудут к заказчику в полной сохранности.
Доставка в страны ЕАЭС
Мы работаем с проверенными логистическими партнёрами, что позволяет оперативно доставлять заказы в Беларусь, Казахстан, Армению и другие страны ЕАЭС.
Варианты оплаты:
Минимальная сумма заказа и скидки:
Документы и гарантии:
Да, конечно! Наши технические специалисты готовы помочь вам с подбором точного аналога или замены подшипника. Просто позвоните нам по телефону +7 (495) 104-99-04 или напишите на почту zakaz@podsnab.ru.
Для оперативной консультации подготовьте, пожалуйста, имеющиеся данные: маркировку, размеры, тип оборудования или артикул старого подшипника.
Да, конечно! Мы высоко ценим долгосрочное сотрудничество и доверие клиентов по всей России. Для постоянных клиентов действует персональная система скидок.
Условия формируются индивидуально и зависят от:
Чтобы узнать свои условия и получить максимально выгодное предложение, свяжитесь с персональным менеджером или напишите нам на почту zakaz@podsnab.ru.
Вы можете оформить заказ несколькими способами:
Для оформления заказа от юридического лица свяжитесь с нашим отделом по работе с корпоративными клиентами по телефону +7 (495) 104-99-04 или напишите на email zakaz@podsnab.ru, прикрепив реквизиты вашей организации.
Мы оперативно подготовим коммерческое предложение и выставим счет.
Возврат товара надлежащего качества возможен в течение 10 дней с момента получения, если товар не был в употреблении, сохранен товарный вид, упаковка не вскрывалась и присутствуют все сопроводительные документы.
Возврат денежных средств осуществляется в течение 10 рабочих дней после проверки товара складом.
В соответствии с законодательством возврату не подлежат подшипники надлежащего качества, если отсутствует оригинальная упаковка или имеются следы монтажа.
В случае выявления брака или гарантийного случая мы гарантируем возврат или обмен товара.
Да, гарантийный срок хранения устанавливается заводом-изготовителем и в среднем составляет 2 года при соблюдении условий хранения: сухое помещение, оригинальная упаковка и смазка.
Точный срок для конкретного типа подшипника уточняйте у наших менеджеров.
Пн–Пт: с 8:00 до 17:00 (МСК).
Сб–Вс: выходные дни.
Заказы на сайте принимаются круглосуточно. Заявки, поступившие после окончания рабочего дня, обрабатываются на следующий рабочий день.
Минимальная сумма заказа для доставки составляет 3000 рублей. Самовывоз со склада возможен на любую сумму при наличии товара.
ООО «УралТехГрупп»
ИНН: 7415093830
КПП: 772401001
ОГРН: 1167456069021
Банк: ПАО Сбербанк
Р/с: 40702810838000475273
К/с: 30101810400000000225
БИК: 044525225
У подшипника 22338-E1-K + H2338 пока нет отзывов. Вы можете стать первым покупателем, поделившимся своим мнением.