Поиск подшипника
Статьи
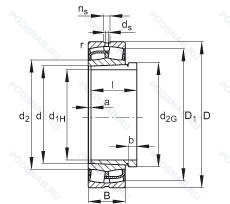
22344-E1-K + AH2344 — Роликовый радиальный сферический двухрядный подшипник, модификация основного исполнения 22344, производство FAG.
Размер подшипника: 200x460x145 мм.
Конструкция с увеличенной грузоподьемностью, коническое отверстие. конусность 1/12.
Международная стандартизации ISO
22344E1KAH2344
В наличии
| Обозначение | Конструктивные изменения |
|---|---|
| 22344EM K D1 C3 | Внутренний зазор больше нормального. Коническое отверстие. конус 1/12. Канавка и три смазочных отверстия на наружном кольце. Стандартный фланцевый ( с резьбой и сквозным отверстием). |
| 22344EM K D1 | Коническое отверстие. конус 1/12. Канавка и три смазочных отверстия на наружном кольце. Стандартный фланцевый ( с резьбой и сквозным отверстием). |
| 22344W33 | Канавка для смазки и три отверстия во внешнем кольце подшипника. |
| 22344KM | Type Of Model. |
| 22344-K-MB | Коническое отверстие. конус 1/12. сепаратор из латуни. центрированный по внутреннему кольцу. |
| 22344 K | Коническое отверстие. Конусность 1/12. |
| 22344 VA | Нержавеющая сталь. |
| 22344 KW33 | Кольцевая канавка и три отверстия для смазывания в наружном кольце подшипника. Коническое внутреннее отверстие. |
| 22344R | С выпуклыми асимметричными роликами и обработанным сепаратором. |
| 22344RHA | With Convex Symmetric Rollers And One-Piece Machined Cage. |
| 22344-K-MB-W33+OH2344-H | Канавка для смазки и три отверстия во внешнем кольце подшипника. Коническое отверстие. Конусность 1/12. сепаратор из латуни. центрированный по внутреннему кольцу. Pressed Snap-Type Steel Cage. Hardened. |
| 22344-K-MB-W33+AH2344 | Канавка для смазки и три отверстия во внешнем кольце подшипника. Коническое отверстие. Конусность 1/12. сепаратор из латуни. центрированный по внутреннему кольцу. |
| 22344B | Конический роликовый подшипник. Угол контакта 20 градусов. |
| 22344 CCKJA/W33VA405 | Измененная или модифицированная внутренняя конструкция при неизменных основных размерах. |
| 22344 CCJA/W33VA405 | Измененная или модифицированная внутренняя конструкция при неизменных основных размерах. |
| 22344YMB | Бронзовый цельный сепаратор пальцевого типа. |
| 22344 KCW33+AH2344 | Кольцевая канавка и три отверстия для смазывания в наружном кольце подшипника. Коническое внутреннее отверстие. |
| 22344 KCW33+H2344 | Кольцевая канавка и три отверстия для смазывания в наружном кольце подшипника. Коническое внутреннее отверстие. |
| 22344-E1-K + H2344X | Коническое отверстие. Конусность 1/12. Конструкция с увеличенной грузоподьемностью. |
| 22344-K-MB+AH2344 | Коническое отверстие. Конусность 1/12. сепаратор из латуни. центрированный по внутреннему кольцу. |
| 22344-E1-K-JPA-T41A + AH2344 | Коническое отверстие. Конусность 1/12. Конструкция с увеличенной грузоподьемностью. Для вибросит/виброгрохотов (Зазор С4). Штампованный стальной сепаратор оконного типа. Направляющее внутреннее кольцо. |
| 22344-E1-K-T41A + H2344X | Коническое отверстие. Конусность 1/12. Конструкция с увеличенной грузоподьемностью. Для вибросит/виброгрохотов (Зазор С4). |
| 22344-E1-K-JPA-T41A | Коническое отверстие. Конусность 1/12. Конструкция с увеличенной грузоподьемностью. Для вибросит/виброгрохотов (Зазор С4). Штампованный стальной сепаратор оконного типа. Направляющее внутреннее кольцо. |
| 22344EK | Роликовый радиальный сферический двухрядный подшипник. |
| 22344 CCK/W33 + AOH 2344 | Канавка для смазки и три отверстия во внешнем кольце подшипника. Измененная или модифицированная внутренняя конструкция при неизменных основных размерах. |
Модификации сферического роликового подшипника 22344-E1-K + AH2344 — это измененное основное конструктивное исполнение 22344, основные размеры (200x460x145) не отличаются.
| Обозначение | Конструктивные особенности | Внутренний (d) | Наружный (D) | Ширина (B) |
|---|---|---|---|---|
| 353640 | Роликовый радиальный двухрядный подшипник. | 200.00 | 460.00 | 145.00 |
| 753640 | Роликовый радиальный двухрядный подшипник. | 200.00 | 460.00 | 145.00 |
| 353640Н | Роликовый радиальный двухрядный подшипник. Детали из теплостойкой стали. | 200.00 | 460.00 | 145.00 |
| 753640Н | Роликовый радиальный двухрядный подшипник. Детали из теплостойкой стали. | 200.00 | 460.00 | 145.00 |
Способы доставки
Отправка через ведущие транспортные и курьерские компании: ПЭК, Деловые Линии, СДЭК, Байкал-Сервис, Энергия, КИТ, ЖелДорЭкспедиция.
Самовывоз возможен напрямую со склада в Москве.
Сроки доставки
Срок зависит от региона и выбранной транспортной компании. Все заказы комплектуются и отправляются в кратчайшие сроки со склада в Москве.
Надёжность и сохранность
Вся продукция упаковывается с учётом требований транспортировки. Мы гарантируем, что подшипники и комплектующие прибудут к заказчику в полной сохранности.
Доставка в страны ЕАЭС
Мы работаем с проверенными логистическими партнёрами, что позволяет оперативно доставлять заказы в Беларусь, Казахстан, Армению и другие страны ЕАЭС.
Варианты оплаты:
Минимальная сумма заказа и скидки:
Документы и гарантии:
Да, конечно! Наши технические специалисты готовы помочь вам с подбором точного аналога или замены подшипника. Просто позвоните нам по телефону +7 (495) 104-99-04 или напишите на почту zakaz@podsnab.ru.
Для оперативной консультации подготовьте, пожалуйста, имеющиеся данные: маркировку, размеры, тип оборудования или артикул старого подшипника.
Да, конечно! Мы высоко ценим долгосрочное сотрудничество и доверие клиентов по всей России. Для постоянных клиентов действует персональная система скидок.
Условия формируются индивидуально и зависят от:
Чтобы узнать свои условия и получить максимально выгодное предложение, свяжитесь с персональным менеджером или напишите нам на почту zakaz@podsnab.ru.
Вы можете оформить заказ несколькими способами:
Для оформления заказа от юридического лица свяжитесь с нашим отделом по работе с корпоративными клиентами по телефону +7 (495) 104-99-04 или напишите на email zakaz@podsnab.ru, прикрепив реквизиты вашей организации.
Мы оперативно подготовим коммерческое предложение и выставим счет.
Возврат товара надлежащего качества возможен в течение 10 дней с момента получения, если товар не был в употреблении, сохранен товарный вид, упаковка не вскрывалась и присутствуют все сопроводительные документы.
Возврат денежных средств осуществляется в течение 10 рабочих дней после проверки товара складом.
В соответствии с законодательством возврату не подлежат подшипники надлежащего качества, если отсутствует оригинальная упаковка или имеются следы монтажа.
В случае выявления брака или гарантийного случая мы гарантируем возврат или обмен товара.
Да, гарантийный срок хранения устанавливается заводом-изготовителем и в среднем составляет 2 года при соблюдении условий хранения: сухое помещение, оригинальная упаковка и смазка.
Точный срок для конкретного типа подшипника уточняйте у наших менеджеров.
Пн–Пт: с 8:00 до 17:00 (МСК).
Сб–Вс: выходные дни.
Заказы на сайте принимаются круглосуточно. Заявки, поступившие после окончания рабочего дня, обрабатываются на следующий рабочий день.
Минимальная сумма заказа для доставки составляет 3000 рублей. Самовывоз со склада возможен на любую сумму при наличии товара.
ООО «УралТехГрупп»
ИНН: 7415093830
КПП: 772401001
ОГРН: 1167456069021
Банк: ПАО Сбербанк
Р/с: 40702810838000475273
К/с: 30101810400000000225
БИК: 044525225
У подшипника 22344-E1-K + AH2344 пока нет отзывов. Вы можете стать первым покупателем, поделившимся своим мнением.