Поиск подшипника
Статьи
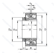
23032-E1A-K-M + H3032 — Роликовый радиальный сферический двухрядный подшипник, модификация основного исполнения 23032, производство FAG.
Размер подшипника: 140x240x60 мм.
Коническое отверстие. конусность 1/12, подшипник с латунным сепаратором. центрированный по телам качения.
Международная стандартизации ISO
23032E1AKMH3032
В наличии
| Обозначение | Конструктивные изменения |
|---|---|
| 23032CA/C2W33 | Канавка для смазки и три отверстия во внешнем кольце подшипника. Сепаратор из латуни с механической обработкой. радиальный внутренний зазор меньше нормально. |
| 23032E4 C3 | Внутренний зазор больше нормального. W33 (SKF)= смазочная канавка и три отверстия в наружном кольце подшипника. |
| 23032EM K D1 | Коническое отверстие. конус 1/12. Канавка и три смазочных отверстия на наружном кольце. Стандартный фланцевый ( с резьбой и сквозным отверстием). |
| 23032K C3 W33 | Внутренний зазор больше нормального. Канавка для смазки и три отверстия во внешнем кольце подшипника. Коническое отверстие. конус 1/12. |
| 23032KEMW33C4 | Канавка для смазки и три отверстия во внешнем кольце подшипника. Коническое отверстие. конус 1/12. Внутренний зазор подшипника больше. чем C3. Повышенная грузоподъемность. Механически обработанный латунный сепаратор .Расположенный на элементах качения. |
| 23032-E1-K-TVPB-R25-55 | Коническое отверстие. конус 1/12. Конструкция с увеличенной грузоподьемностью. Твердый оконный сепаратор из полиамида. армированного стекловолокном. Направляющие на внутреннем кольце. Radial Clearance In μm. |
| 23032EJW33 | Канавка для смазки и три отверстия во внешнем кольце подшипника. Land-Riding Steel Cage_ One Per Row. |
| 23032-E1-K-TVPB | Коническое отверстие. конус 1/12. Конструкция с увеличенной грузоподьемностью. Твердый оконный сепаратор из полиамида. армированного стекловолокном. Направляющие на внутреннем кольце. |
| 23032 KW33 | Кольцевая канавка и три отверстия для смазывания в наружном кольце подшипника. Коническое внутреннее отверстие. |
| 23032RH | Выпуклые симметричные ролики и штампованный сепаратор. |
| 23032-K-MB-W33+H3032 | Канавка для смазки и три отверстия во внешнем кольце подшипника. Коническое отверстие. Конусность 1/12. сепаратор из латуни. центрированный по внутреннему кольцу. |
| 23032-K-MB-W33+AH3032 | Канавка для смазки и три отверстия во внешнем кольце подшипника. Коническое отверстие. Конусность 1/12. сепаратор из латуни. центрированный по внутреннему кольцу. |
| 23032BK | Игольчатый роликовый подшипник со штампованным наружным кольцом с закрытым торцом. |
| 23032B | Конический роликовый подшипник. Угол контакта 20 градусов. |
| 23032YM | 1 Piece Bronze Cage - Finger Type. |
| 23032C | 15° Угол контакта. |
| 23032 KCW33+H3032 | Кольцевая канавка и три отверстия для смазывания в наружном кольце подшипника. Коническое внутреннее отверстие. |
| 23032 KCW33+AH3032 | Кольцевая канавка и три отверстия для смазывания в наружном кольце подшипника. Коническое внутреннее отверстие. |
| 23032-E1-K-TVPB + AH3032 | Коническое отверстие. Конусность 1/12. Конструкция с увеличенной грузоподьемностью. Твердый оконный сепаратор из полиамида. армированного стекловолокном. Направляющие на внутреннем кольце. |
| 23032-E1A-K-M + AH3032 | Коническое отверстие. Конусность 1/12. Подшипник с латунным сепаратором. центрированный по телам качения. |
| 23032-E1-K-TVPB + H3032 | Коническое отверстие. Конусность 1/12. Конструкция с увеличенной грузоподьемностью. Твердый оконный сепаратор из полиамида. армированного стекловолокном. Направляющие на внутреннем кольце. |
| 23032E | Повышенная грузоподъемность. |
| 23032AX | Поверхность контакта скольжения сталь / сталь. |
| 23032EK | Роликовый радиальный сферический двухрядный подшипник. |
| 23032 CCK/W33 + AH 3032 | Канавка для смазки и три отверстия во внешнем кольце подшипника. Противовращающийся штырь. Массивные ножки и свободный момент выравнивания. |
Модификации сферического роликового подшипника 23032-E1A-K-M + H3032 — это измененное основное конструктивное исполнение 23032, основные размеры (140x240x60) не отличаются.
| Обозначение | Гост | Конструктивные особенности |
|---|---|---|
| 230SM140-MA | ISO | Механически обработанный латунный сепаратор. Центрирование по внешнему кольцу. |
Аналог сферического роликового подшипника 23032-E1A-K-M + H3032 — это подшипник такого же размера dx140,Dx240,Bx60, типа и конструкции.
| Обозначение | Конструктивные особенности | Внутренний (d) | Наружный (D) | Ширина (B) |
|---|---|---|---|---|
| 29328EJ | Подшипник роликовый упорный сферический. Land-Riding Steel Cage_ One Per Row. | 140.00 | 240.00 | 60.00 |
| 89328-M | Роликовый цилиндрический упорный подшипник. Подшипник с латунным сепаратором. центрированный по телам качения. | 140.00 | 240.00 | 60.00 |
| 29328M | Подшипник роликовый упорный сферический. Механически обработанный латунный сепаратор. | 140.00 | 240.00 | 60.00 |
| 29328-E1-XL | Подшипник роликовый упорный сферический. Серия X-Life премиум-класс. увеличиный срок службы. Конструкция с увеличенной грузоподьемностью. | 140.00 | 240.00 | 60.00 |
| 29328-E1-N1 | Подшипник роликовый упорный сферический. Конструкция с увеличенной грузоподьемностью. Один установочный паз на внешней кромке наружного кольца (для радиального расположения подшипника). | 140.00 | 240.00 | 60.00 |
| 89328-L | Роликовый цилиндрический упорный подшипник. Aluminum Cage. | 140.00 | 240.00 | 60.00 |
| 230S.508-MA | Подшипник роликовый сферический. Механически обработанный латунный сепаратор. Центрирование по внешнему кольцу. | 139.70 | 240.00 | 60.00 |
| 89328 | Роликовый цилиндрический упорный подшипник. | 140.00 | 240.00 | 60.00 |
| 29328-E-MB | Подшипник роликовый упорный сферический. Повышенная грузоподъемность. Механически обработанный латунный сепаратор. клёпаный. центрируемый по внутреннему кольцу. | 140.00 | 240.00 | 60.00 |
| 140TMP93 | Роликовый цилиндрический упорный подшипник. | 140.00 | 240.00 | 60.00 |
| 29328-E1-XL-N1 | Подшипник роликовый упорный сферический. Серия X-Life премиум-класс. увеличиный срок службы. Конструкция с увеличенной грузоподьемностью. Один установочный паз на внешней кромке наружного кольца (для радиального расположения подшипника). | 140.00 | 240.00 | 60.00 |
| 29328E1 | Подшипник роликовый упорный сферический. Конструкция с увеличенной грузоподьемностью. | 140.00 | 240.00 | 60.00 |
| 29328EM | Подшипник роликовый упорный сферический. Стандартный фланцевый ( с резьбой и сквозным отверстием). | 140.00 | 240.00 | 60.00 |
| 9039328К | Роликовый упорно-радиальный однорядный подшипник. | 140.00 | 240.00 | 60.00 |
| 29328EX | Роликовый упорно-радиальный однорядный подшипник. Optimized Inner Construction - Extreme Quality F. Extreme Requirements. | 140.00 | 240.00 | 60.00 |
Способы доставки
Отправка через ведущие транспортные и курьерские компании: ПЭК, Деловые Линии, СДЭК, Байкал-Сервис, Энергия, КИТ, ЖелДорЭкспедиция.
Самовывоз возможен напрямую со склада в Москве.
Сроки доставки
Срок зависит от региона и выбранной транспортной компании. Все заказы комплектуются и отправляются в кратчайшие сроки со склада в Москве.
Надёжность и сохранность
Вся продукция упаковывается с учётом требований транспортировки. Мы гарантируем, что подшипники и комплектующие прибудут к заказчику в полной сохранности.
Доставка в страны ЕАЭС
Мы работаем с проверенными логистическими партнёрами, что позволяет оперативно доставлять заказы в Беларусь, Казахстан, Армению и другие страны ЕАЭС.
Варианты оплаты:
Минимальная сумма заказа и скидки:
Документы и гарантии:
Да, конечно! Наши технические специалисты готовы помочь вам с подбором точного аналога или замены подшипника. Просто позвоните нам по телефону +7 (495) 104-99-04 или напишите на почту zakaz@podsnab.ru.
Для оперативной консультации подготовьте, пожалуйста, имеющиеся данные: маркировку, размеры, тип оборудования или артикул старого подшипника.
Да, конечно! Мы высоко ценим долгосрочное сотрудничество и доверие клиентов по всей России. Для постоянных клиентов действует персональная система скидок.
Условия формируются индивидуально и зависят от:
Чтобы узнать свои условия и получить максимально выгодное предложение, свяжитесь с персональным менеджером или напишите нам на почту zakaz@podsnab.ru.
Вы можете оформить заказ несколькими способами:
Для оформления заказа от юридического лица свяжитесь с нашим отделом по работе с корпоративными клиентами по телефону +7 (495) 104-99-04 или напишите на email zakaz@podsnab.ru, прикрепив реквизиты вашей организации.
Мы оперативно подготовим коммерческое предложение и выставим счет.
Возврат товара надлежащего качества возможен в течение 10 дней с момента получения, если товар не был в употреблении, сохранен товарный вид, упаковка не вскрывалась и присутствуют все сопроводительные документы.
Возврат денежных средств осуществляется в течение 10 рабочих дней после проверки товара складом.
В соответствии с законодательством возврату не подлежат подшипники надлежащего качества, если отсутствует оригинальная упаковка или имеются следы монтажа.
В случае выявления брака или гарантийного случая мы гарантируем возврат или обмен товара.
Да, гарантийный срок хранения устанавливается заводом-изготовителем и в среднем составляет 2 года при соблюдении условий хранения: сухое помещение, оригинальная упаковка и смазка.
Точный срок для конкретного типа подшипника уточняйте у наших менеджеров.
Пн–Пт: с 8:00 до 17:00 (МСК).
Сб–Вс: выходные дни.
Заказы на сайте принимаются круглосуточно. Заявки, поступившие после окончания рабочего дня, обрабатываются на следующий рабочий день.
Минимальная сумма заказа для доставки составляет 3000 рублей. Самовывоз со склада возможен на любую сумму при наличии товара.
ООО «УралТехГрупп»
ИНН: 7415093830
КПП: 772401001
ОГРН: 1167456069021
Банк: ПАО Сбербанк
Р/с: 40702810838000475273
К/с: 30101810400000000225
БИК: 044525225
У подшипника 23032-E1A-K-M + H3032 пока нет отзывов. Вы можете стать первым покупателем, поделившимся своим мнением.