Поиск подшипника
Статьи
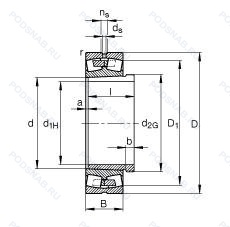
231/530-K-MB + AH31/530A-H — Роликовый радиальный сферический двухрядный подшипник, модификация основного исполнения 231/530, производство FAG.
Размер подшипника: 500x870x272 мм.
Сепаратор из латуни. центрированный по внутреннему кольцу, коническое отверстие. конусность 1/12, pressed snap-type steel cage. hardened.
Международная стандартизации ISO
231530KMBAH31530AH
В наличии
| Обозначение | Конструктивные изменения |
|---|---|
| 231/530CAK C3 W33X | Внутренний зазор больше нормального. Сепаратор из латуни с механической обработкой. Коническое отверстие. Конусность 1/12. То же. что и W33 (смазочная канавка и три отверстия на наружном кольце подшипника). но с шестью смазочными отверстиями. |
| 231/530CAK/C4W33 | Канавка для смазки и три отверстия во внешнем кольце подшипника. Цельный обработанный латунный сепаратор. Двухрядный. Удерживающие фланцы на внутреннем кольце и центрированное направляющее кольцо на внутреннем кольце. Коническое отверстие. конус 1/12. Внутренний зазор подшипника больше. чем C3. |
| 231/530K.MB.C4 | Коническое отверстие. Конусность 1/12. Внутренний зазор подшипника больше. чем C3. сепаратор из латуни. центрированный по внутреннему кольцу. |
| 231/530-BEA-XL-K-MB1-T52BW | Коническое отверстие. конус 1/12. Серия X-Life премиум-класс. увеличиный срок службы. Повышенная точность вращения до класса допуска ISO 5. 40° Угол контакта. High Capacity. All Four Corners Equal. Латунный сепаратор. массивный. |
| 231/530 EKW33+OH31/530 | Длина рельса в мм. |
| 231/530 EKW33+AOH31/530 | Длина рельса в мм. |
| 231/530 K | Коническое отверстие. Конусность 1/12. |
| 231/530W33 | Кольцевая канавка и три отверстия для смазывания в наружном кольце подшипника. |
| 231/530 KW33 | Кольцевая канавка и три отверстия для смазывания в наружном кольце подшипника. Коническое внутреннее отверстие. |
| 231/530R | С выпуклыми асимметричными роликами и обработанным сепаратором. |
| 231/530-MB-W33 | Канавка для смазки и три отверстия во внешнем кольце подшипника. сепаратор из латуни. центрированный по внутреннему кольцу. |
| 231/530-K-MB-W33 | Канавка для смазки и три отверстия во внешнем кольце подшипника. Коническое отверстие. Конусность 1/12. сепаратор из латуни. центрированный по внутреннему кольцу. |
| 231/530BK | Игольчатый роликовый подшипник со штампованным наружным кольцом с закрытым торцом. |
| 231/530B | Конический роликовый подшипник. Угол контакта 20 градусов. |
| 231/530YMB | Бронзовый цельный сепаратор пальцевого типа. |
| 231/530 KCW33+H31/530 | Кольцевая канавка и три отверстия для смазывания в наружном кольце подшипника. Коническое внутреннее отверстие. Длина рельса в мм. |
| 231/530 KCW33+AH31/530 | Кольцевая канавка и три отверстия для смазывания в наружном кольце подшипника. Коническое внутреннее отверстие. Длина рельса в мм. |
| 231/530-MB | сепаратор из латуни. центрированный по внутреннему кольцу. |
| 231/530-E1A-MB1 | Латунный сепаратор. массивный. |
| 231/530-K-MB + H31/530-HG | Класс допуска (FAG) для подшипников шпинделя (аналог P2). Коническое отверстие. Конусность 1/12. сепаратор из латуни. центрированный по внутреннему кольцу. Длина рельса в мм. |
| 231/530-K-MB+H31/530 | Коническое отверстие. Конусность 1/12. сепаратор из латуни. центрированный по внутреннему кольцу. Длина рельса в мм. |
| 231/530-K-MB+AH31/530A | Коническое отверстие. Конусность 1/12. сепаратор из латуни. центрированный по внутреннему кольцу. |
| 231/530EK | Роликовый радиальный сферический двухрядный подшипник. |
| 231/530E | Повышенная грузоподъемность. |
| 231/530 CAK/W33 + OH 31/530 H | Канавка для смазки и три отверстия во внешнем кольце подшипника. Измененная или модифицированная внутренняя конструкция при неизменных основных размерах. Pressed Snap-Type Steel Cage. Hardened. Отверстие для смазки. 1.15/16. Длина рельса в мм. |
Модификации сферического роликового подшипника 231/530-K-MB + AH31/530A-H — это измененное основное конструктивное исполнение 231/530, основные размеры (500x870x272) не отличаются.
Способы доставки
Отправка через ведущие транспортные и курьерские компании: ПЭК, Деловые Линии, СДЭК, Байкал-Сервис, Энергия, КИТ, ЖелДорЭкспедиция.
Самовывоз возможен напрямую со склада в Москве.
Сроки доставки
Срок зависит от региона и выбранной транспортной компании. Все заказы комплектуются и отправляются в кратчайшие сроки со склада в Москве.
Надёжность и сохранность
Вся продукция упаковывается с учётом требований транспортировки. Мы гарантируем, что подшипники и комплектующие прибудут к заказчику в полной сохранности.
Доставка в страны ЕАЭС
Мы работаем с проверенными логистическими партнёрами, что позволяет оперативно доставлять заказы в Беларусь, Казахстан, Армению и другие страны ЕАЭС.
Варианты оплаты:
Минимальная сумма заказа и скидки:
Документы и гарантии:
Да, конечно! Наши технические специалисты готовы помочь вам с подбором точного аналога или замены подшипника. Просто позвоните нам по телефону +7 (495) 104-99-04 или напишите на почту zakaz@podsnab.ru.
Для оперативной консультации подготовьте, пожалуйста, имеющиеся данные: маркировку, размеры, тип оборудования или артикул старого подшипника.
Да, конечно! Мы высоко ценим долгосрочное сотрудничество и доверие клиентов по всей России. Для постоянных клиентов действует персональная система скидок.
Условия формируются индивидуально и зависят от:
Чтобы узнать свои условия и получить максимально выгодное предложение, свяжитесь с персональным менеджером или напишите нам на почту zakaz@podsnab.ru.
Вы можете оформить заказ несколькими способами:
Для оформления заказа от юридического лица свяжитесь с нашим отделом по работе с корпоративными клиентами по телефону +7 (495) 104-99-04 или напишите на email zakaz@podsnab.ru, прикрепив реквизиты вашей организации.
Мы оперативно подготовим коммерческое предложение и выставим счет.
Возврат товара надлежащего качества возможен в течение 10 дней с момента получения, если товар не был в употреблении, сохранен товарный вид, упаковка не вскрывалась и присутствуют все сопроводительные документы.
Возврат денежных средств осуществляется в течение 10 рабочих дней после проверки товара складом.
В соответствии с законодательством возврату не подлежат подшипники надлежащего качества, если отсутствует оригинальная упаковка или имеются следы монтажа.
В случае выявления брака или гарантийного случая мы гарантируем возврат или обмен товара.
Да, гарантийный срок хранения устанавливается заводом-изготовителем и в среднем составляет 2 года при соблюдении условий хранения: сухое помещение, оригинальная упаковка и смазка.
Точный срок для конкретного типа подшипника уточняйте у наших менеджеров.
Пн–Пт: с 8:00 до 17:00 (МСК).
Сб–Вс: выходные дни.
Заказы на сайте принимаются круглосуточно. Заявки, поступившие после окончания рабочего дня, обрабатываются на следующий рабочий день.
Минимальная сумма заказа для доставки составляет 3000 рублей. Самовывоз со склада возможен на любую сумму при наличии товара.
ООО «УралТехГрупп»
ИНН: 7415093830
КПП: 772401001
ОГРН: 1167456069021
Банк: ПАО Сбербанк
Р/с: 40702810838000475273
К/с: 30101810400000000225
БИК: 044525225
У подшипника 231/530-K-MB + AH31/530A-H пока нет отзывов. Вы можете стать первым покупателем, поделившимся своим мнением.