Поиск подшипника
Статьи
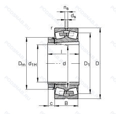
23122-E1A-K-M + H3122 — Роликовый радиальный сферический двухрядный подшипник, модификация основного исполнения 23122, производство FAG.
Размер подшипника: 100x180x56 мм.
Коническое отверстие. конусность 1/12, подшипник с латунным сепаратором. центрированный по телам качения.
Международная стандартизации ISO
23122E1AKMH3122
В наличии
| Обозначение | Конструктивные изменения |
|---|---|
| 23122EKM | Коническое отверстие. конус 1/12. Повышенная грузоподъемность. Механически обработанный латунный сепаратор .Расположенный на элементах качения. |
| 23122E W33 C3 | Внутренний зазор больше нормального. Канавка для смазки и три отверстия во внешнем кольце подшипника. Изменение конструкции роликового подшипника. |
| 23122B C3 | Внутренний зазор больше нормального. Цельное ребристое внутреннее кольцо. Асимметричные ролики и фиксатор с центральной направляющей. |
| 23122CKJ/C3 | Два стальных сепаратора оконного типа. Бесфланцевое внутреннее кольцо и направляющее кольцо центрировано на внутреннем кольце. Внутренний зазор больше нормального. Коническое отверстие. конус 1/12. Прессованный сепаратор из незакаленной листовой стали. |
| 23122EA D1 D2 C4 | Внутренний зазор подшипника больше. чем C3. Увеличенная грузоподъемность. Лучше. чем прежний суффикс E. Канавка для смазки и три отверстия во внешнем кольце подшипника. Два одинаковых парных подшипника. |
| 23122CAK C3 W33 | Внутренний зазор больше нормального. Канавка для смазки и три отверстия во внешнем кольце подшипника. Сепаратор из латуни с механической обработкой. Конический подшипник с конусностью 1/12. |
| 23122K MB W33 C3 | Внутренний зазор больше нормального. Канавка для смазки и три отверстия во внешнем кольце подшипника. Коническое отверстие. конус 1/12. Двухкомпонентный латунный сепаратор. направляемый по внутреннему кольцу. |
| 23122EX1W33K | Lubrication Groove. Коническое отверстие 1/12. Сферический роликоподшипник высокой грузоподъемности. |
| 23122YMW33 | Канавка для смазки и три отверстия во внешнем кольце подшипника. Цельный латунный сепаратор пальцевого типа. |
| 23122-2RS | Резиновые уплотнения с каждой стороны подшипника. |
| 23122RH | Выпуклые симметричные ролики и штампованный сепаратор. |
| 23122-K-MB-W33+H3122 | Канавка для смазки и три отверстия во внешнем кольце подшипника. Коническое отверстие. Конусность 1/12. сепаратор из латуни. центрированный по внутреннему кольцу. |
| 23122-K-MB-W33+AHX3122 | Канавка для смазки и три отверстия во внешнем кольце подшипника. Коническое отверстие. Конусность 1/12. сепаратор из латуни. центрированный по внутреннему кольцу. |
| 23122B | Конический роликовый подшипник. Угол контакта 20 градусов. |
| 23122-2CS5/VT143 | Контактное уплотнение из листовой стали, усиленное гидрогенизированным акрилонитрил-бутадиеновым каучуком (HNBR) с обеих сторон. Свободное пространство в подшипнике на 70–100 % заполнено высокотемпературной смазкой.. Заполнение пластичной смазкой SKF LGEP 2 на 25–35 %. |
| 23122-2CS5K/VT143 + H 3122 E | Повышенная грузоподъемность. Pressed Snap-Type Steel Cage. Hardened. Заполнение пластичной смазкой SKF LGEP 2 на 25–35 %. |
| 23122YM | 1 Piece Bronze Cage - Finger Type. |
| 23122 KCW33+AH3122 | Кольцевая канавка и три отверстия для смазывания в наружном кольце подшипника. Коническое внутреннее отверстие. |
| 23122 KCW33+H3122 | Кольцевая канавка и три отверстия для смазывания в наружном кольце подшипника. Коническое внутреннее отверстие. |
| 23122-E1-K-TVPB + H3122 | Коническое отверстие. Конусность 1/12. Конструкция с увеличенной грузоподьемностью. Твердый оконный сепаратор из полиамида. армированного стекловолокном. Направляющие на внутреннем кольце. |
| 23122-E1-K-TVPB + AHX3122 | Коническое отверстие. Конусность 1/12. Конструкция с увеличенной грузоподьемностью. Твердый оконный сепаратор из полиамида. армированного стекловолокном. Направляющие на внутреннем кольце. |
| 23122-E1A-K-M + AHX3122 | Коническое отверстие. Конусность 1/12. Подшипник с латунным сепаратором. центрированный по телам качения. |
| 23122AX | Поверхность контакта скольжения сталь / сталь. |
| 23122EX1 | Сферический роликоподшипник высокой грузоподъемности. |
| 23122 CCK/W33 + AHX 3122 | Канавка для смазки и три отверстия во внешнем кольце подшипника. Измененная или модифицированная внутренняя конструкция при неизменных основных размерах. |
Модификации сферического роликового подшипника 23122-E1A-K-M + H3122 — это измененное основное конструктивное исполнение 23122, основные размеры (100x180x56) не отличаются.
| Обозначение | Гост | Конструктивные особенности |
|---|---|---|
| 22220-2RS | ISO | Резиновые уплотнения с каждой стороны подшипника. |
| BS2-2220-2RS5K/VT143 | ISO | Заполнение пластичной смазкой SKF LGEP 2 на 25–35 %. Высокая осевая жесткость и грузоподъемность.. |
| BS2-2220-2CS5/VT143 | ISO | Контактное уплотнение из листовой стали, усиленное гидрогенизированным акрилонитрил-бутадиеновым каучуком (HNBR) с обеих сторон. Свободное пространство в подшипнике на 70–100 % заполнено высокотемпературной смазкой.. Заполнение пластичной смазкой SKF LGEP 2 на 25–35 %. Высокая осевая жесткость и грузоподъемность.. |
| WS22220-E1-2RSR | ISO | Конструкция с увеличенной грузоподьемностью. Резиновые уплотнения с каждой стороны подшипника. Установочная шайба вала. |
Аналог сферического роликового подшипника 23122-E1A-K-M + H3122 — это подшипник такого же размера dx100,Dx180,Bx56, типа и конструкции.
| Обозначение | Конструктивные особенности | Внутренний (d) | Наружный (D) | Ширина (B) |
|---|---|---|---|---|
| WS22220-E1-XL-2RSR | Подшипник роликовый сферический. Серия X-Life премиум-класс. увеличиный срок службы. Конструкция с увеличенной грузоподьемностью. Резиновые уплотнения с каждой стороны подшипника. | 100.00 | 180.00 | 55.00 |
| BS2-2220-2CS5W/GHV7 | Подшипник роликовый сферический. Контактное уплотнение из листовой стали, усиленное гидрогенизированным акрилонитрил-бутадиеновым каучуком (HNBR) с обеих сторон. | 100.00 | 180.00 | 55.00 |
| BS2-2220-2CS5W/C3VT143B | Подшипник роликовый сферический. | 100.00 | 180.00 | 55.00 |
| BS2-2220-2RS5/VT143 | Подшипник роликовый сферический. Заполнение пластичной смазкой SKF LGEP 2 на 25–35 %. Контактное уплотнение из листовой стали, усиленное гидрогенизированным акрилонитрил-бутадиеновым каучуком (HNBR) с обеих сторон. Свободное пространство в подшипнике на 70–100 % заполнено высокотемпературной смазкой.. | 100.00 | 180.00 | 55.00 |
| BS2-2220-2CS5/C3VT143 | Подшипник роликовый сферический. Внутренний зазор больше нормального. Контактное уплотнение из листовой стали, усиленное гидрогенизированным акрилонитрил-бутадиеновым каучуком (HNBR) с обеих сторон. Заполнение пластичной смазкой SKF LGEP 2 на 25–35 %. | 100.00 | 180.00 | 55.00 |
| BS2-2220-2CS5K/VT143B | Подшипник роликовый сферический. Коническое отверстие. конус 1/12. Контактное уплотнение из листовой стали, усиленное гидрогенизированным акрилонитрил-бутадиеновым каучуком (HNBR) с обеих сторон. Extreme Pressure Grease. Filled to 45 - 60% with LGEP 2 Grease. | 100.00 | 180.00 | 55.00 |
| BS2-2220-2CS5W/VT143 | Подшипник роликовый сферический. Заполнение пластичной смазкой SKF LGEP 2 на 25–35 %. Контактное уплотнение из листовой стали, усиленное гидрогенизированным акрилонитрил-бутадиеновым каучуком (HNBR) с обеих сторон. | 100.00 | 180.00 | 55.00 |
| BS2-2220-2CS5K/VT143 | Подшипник роликовый сферический. Коническое отверстие. Конусность. Контактное уплотнение из листовой стали, усиленное гидрогенизированным акрилонитрил-бутадиеновым каучуком (HNBR) с обеих сторон. | 100.00 | 180.00 | 55.00 |
| BS2-2220-2CS5W/C3VT14 | Подшипник роликовый сферический. Внутренний зазор больше нормального. Контактное уплотнение из листовой стали, усиленное гидрогенизированным акрилонитрил-бутадиеновым каучуком (HNBR) с обеих сторон. | 100.00 | 180.00 | 55.00 |
| BS2-2220-2CS5WC3VT143 | Подшипник роликовый сферический. Внутренний зазор больше нормального. Заполнение пластичной смазкой SKF LGEP 2 на 25–35 %. Контактное уплотнение из листовой стали, усиленное гидрогенизированным акрилонитрил-бутадиеновым каучуком (HNBR) с обеих сторон. | 100.00 | 180.00 | 55.00 |
| BS2-2220-2CS5/VT143B/R816 | Подшипник роликовый сферический. Контактное уплотнение из листовой стали, усиленное гидрогенизированным акрилонитрил-бутадиеновым каучуком (HNBR) с обеих сторон. Extreme Pressure Grease. Filled to 45 - 60% with LGEP 2 Grease. | 100.00 | 180.00 | 55.00 |
| WS22220-E1-XL-2VSR-H40-C3 | Подшипник роликовый сферический. Внутренний зазор больше нормального. Серия X-Life премиум-класс. увеличиный срок службы. Конструкция с увеличенной грузоподьемностью. Без смазочных отверстий и смазочной канавки. Усиленные листовой сталью трущиеся уплотнения из фторкаучука (FPM) с обеих сторон подшипника, заполнен высокотемпературной смазкой из полиуретана от 70 до 100%, кольцевая канавка и три смазочных отверстия на наружном кольце. | 100.00 | 180.00 | 55.00 |
| BS2-2220-2CS | Подшипник роликовый сферический. Sheet Steel Reinforced Contact Seal Of Acrylonitrile-Butadiene Rubber (NBR) On Both Sides Of The Bearing. Annular Groove And Three Lubrication Holes In The Outer Ring Covered With A Polymer Band. Lubricated With An Extreme Pressure Bearing Grease According To Temperature Range -20℃/+110℃. Grease Fill 25% To 35%. | 100.00 | 180.00 | 55.00 |
| BS2-2220-2RS5/C3VT143 | Подшипник роликовый сферический. Внутренний зазор больше нормального. Заполнение пластичной смазкой SKF LGEP 2 на 25–35 %. Контактное уплотнение из листовой стали, усиленное гидрогенизированным акрилонитрил-бутадиеновым каучуком (HNBR) с обеих сторон. Свободное пространство в подшипнике на 70–100 % заполнено высокотемпературной смазкой.. | 100.00 | 180.00 | 55.00 |
| 231SM100-MA | Подшипник роликовый сферический. Механически обработанный латунный сепаратор. Центрирование по внешнему кольцу. | 100.00 | 180.00 | 56.00 |
Способы доставки
Отправка через ведущие транспортные и курьерские компании: ПЭК, Деловые Линии, СДЭК, Байкал-Сервис, Энергия, КИТ, ЖелДорЭкспедиция.
Самовывоз возможен напрямую со склада в Москве.
Сроки доставки
Срок зависит от региона и выбранной транспортной компании. Все заказы комплектуются и отправляются в кратчайшие сроки со склада в Москве.
Надёжность и сохранность
Вся продукция упаковывается с учётом требований транспортировки. Мы гарантируем, что подшипники и комплектующие прибудут к заказчику в полной сохранности.
Доставка в страны ЕАЭС
Мы работаем с проверенными логистическими партнёрами, что позволяет оперативно доставлять заказы в Беларусь, Казахстан, Армению и другие страны ЕАЭС.
Варианты оплаты:
Минимальная сумма заказа и скидки:
Документы и гарантии:
Да, конечно! Наши технические специалисты готовы помочь вам с подбором точного аналога или замены подшипника. Просто позвоните нам по телефону +7 (495) 104-99-04 или напишите на почту zakaz@podsnab.ru.
Для оперативной консультации подготовьте, пожалуйста, имеющиеся данные: маркировку, размеры, тип оборудования или артикул старого подшипника.
Да, конечно! Мы высоко ценим долгосрочное сотрудничество и доверие клиентов по всей России. Для постоянных клиентов действует персональная система скидок.
Условия формируются индивидуально и зависят от:
Чтобы узнать свои условия и получить максимально выгодное предложение, свяжитесь с персональным менеджером или напишите нам на почту zakaz@podsnab.ru.
Вы можете оформить заказ несколькими способами:
Для оформления заказа от юридического лица свяжитесь с нашим отделом по работе с корпоративными клиентами по телефону +7 (495) 104-99-04 или напишите на email zakaz@podsnab.ru, прикрепив реквизиты вашей организации.
Мы оперативно подготовим коммерческое предложение и выставим счет.
Возврат товара надлежащего качества возможен в течение 10 дней с момента получения, если товар не был в употреблении, сохранен товарный вид, упаковка не вскрывалась и присутствуют все сопроводительные документы.
Возврат денежных средств осуществляется в течение 10 рабочих дней после проверки товара складом.
В соответствии с законодательством возврату не подлежат подшипники надлежащего качества, если отсутствует оригинальная упаковка или имеются следы монтажа.
В случае выявления брака или гарантийного случая мы гарантируем возврат или обмен товара.
Да, гарантийный срок хранения устанавливается заводом-изготовителем и в среднем составляет 2 года при соблюдении условий хранения: сухое помещение, оригинальная упаковка и смазка.
Точный срок для конкретного типа подшипника уточняйте у наших менеджеров.
Пн–Пт: с 8:00 до 17:00 (МСК).
Сб–Вс: выходные дни.
Заказы на сайте принимаются круглосуточно. Заявки, поступившие после окончания рабочего дня, обрабатываются на следующий рабочий день.
Минимальная сумма заказа для доставки составляет 3000 рублей. Самовывоз со склада возможен на любую сумму при наличии товара.
ООО «УралТехГрупп»
ИНН: 7415093830
КПП: 772401001
ОГРН: 1167456069021
Банк: ПАО Сбербанк
Р/с: 40702810838000475273
К/с: 30101810400000000225
БИК: 044525225
У подшипника 23122-E1A-K-M + H3122 пока нет отзывов. Вы можете стать первым покупателем, поделившимся своим мнением.