Поиск подшипника
Статьи
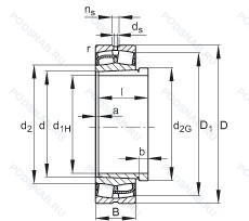
23152-E1-K + AH3152G — Роликовый радиальный сферический двухрядный подшипник, модификация основного исполнения 23152, производство FAG.
Размер подшипника: 240x440x144 мм.
Конструкция с увеличенной грузоподьемностью, коническое отверстие. конусность 1/12.
Международная стандартизации ISO
23152E1KAH3152G
В наличии
| Обозначение | Конструктивные изменения |
|---|---|
| 23152CAK C4 W33 S1 | Канавка для смазки и три отверстия во внешнем кольце подшипника. Сепаратор из латуни с механической обработкой. Коническое отверстие. Конусность 1/12. Внутренний зазор подшипника больше. чем C3. Стабильность размеров при рабочих температурах до +200°C. |
| 23152K W33 C3 | Внутренний зазор больше нормального. Канавка для смазки и три отверстия во внешнем кольце подшипника. Коническое отверстие. конус 1/12. |
| 23152 W33 | Канавка для смазки и три отверстия во внешнем кольце подшипника. |
| 23152CAMK E4 S11 | LAGERRINGEN GESTABILISEERD VOOR GEBRUIK VAN TEMPERATUREN TOT +200 C. Канавка для смазки и три отверстия во внешнем кольце подшипника. |
| 23152CK | Два стальных сепаратора оконного типа. Бесфланцевое внутреннее кольцо и направляющее кольцо центрировано на внутреннем кольце. Коническое отверстие. конус 1/12. |
| 23152EMBW507C08C4 | Внутренний зазор подшипника больше. чем C3. Land-Riding One-Piece Brass Cage. Повышенная точность вращения до класса допуска ISO 5. Комбинация W4 (отметка высоких и низких точек эксцентриситета на поверхности колец) и W31 (подшипник проверен в соответствии с определенными требованиями контроля качества) и W33 (смазочная канавка и три смазочных отверстия на наружном кольце подшипника).. |
| 23152M | Механически обработанный латунный сепаратор .Расположенный на элементах качения. |
| 23152KM | Type Of Model. |
| 23152M C3 | Внутренний зазор больше нормального. Механически обработанный латунный сепаратор .Расположенный на элементах качения. |
| 23152KYMBW507C08C3 | Внутренний зазор больше нормального. Коническое отверстие. конус 1/12. Повышенная точность вращения до класса допуска ISO 5. Комбинация. W31+W33+W45A. Цельный латунный сепаратор пальцевого типа. |
| 23152 KW33 | Кольцевая канавка и три отверстия для смазывания в наружном кольце подшипника. Коническое внутреннее отверстие. |
| 23152R | С выпуклыми асимметричными роликами и обработанным сепаратором. |
| 23152RHA | With Convex Symmetric Rollers And One-Piece Machined Cage. |
| 23152-K-MB-W33+AH3152 | Канавка для смазки и три отверстия во внешнем кольце подшипника. Коническое отверстие. Конусность 1/12. сепаратор из латуни. центрированный по внутреннему кольцу. |
| 23152-K-MB-W33+OH3152 | Канавка для смазки и три отверстия во внешнем кольце подшипника. Коническое отверстие. Конусность 1/12. сепаратор из латуни. центрированный по внутреннему кольцу. |
| 23152B | Конический роликовый подшипник. Угол контакта 20 градусов. |
| 23152BK | Игольчатый роликовый подшипник со штампованным наружным кольцом с закрытым торцом. |
| 23152YMB | Бронзовый цельный сепаратор пальцевого типа. |
| 23152 KCW33+AH3152 | Кольцевая канавка и три отверстия для смазывания в наружном кольце подшипника. Коническое внутреннее отверстие. |
| 23152 KCW33+H3152 | Кольцевая канавка и три отверстия для смазывания в наружном кольце подшипника. Коническое внутреннее отверстие. |
| 23152-K-MB+AH3152G | Коническое отверстие. Конусность 1/12. сепаратор из латуни. центрированный по внутреннему кольцу. |
| 23152-E1-K + H3152X | Коническое отверстие. Конусность 1/12. Конструкция с увеличенной грузоподьемностью. |
| 23152E | Повышенная грузоподъемность. |
| 23152EK | Роликовый радиальный сферический двухрядный подшипник. |
| 23152-2CS5K/VT143 + OH 3152 HTL | Заполнение пластичной смазкой SKF LGEP 2 на 25–35 %. Отверстие для смазки. |
Модификации сферического роликового подшипника 23152-E1-K + AH3152G — это измененное основное конструктивное исполнение 23152, основные размеры (240x440x144) не отличаются.
| Обозначение | Гост | Конструктивные особенности |
|---|---|---|
| 231S.907 | ISO | Запечатанная версия кулачкового ролика. |
Аналог сферического роликового подшипника 23152-E1-K + AH3152G — это подшипник такого же размера dx240,Dx440,Bx144, типа и конструкции.
| Обозначение | Конструктивные особенности | Внутренний (d) | Наружный (D) | Ширина (B) |
|---|---|---|---|---|
| 231SM240-MA | Подшипник роликовый сферический. Механически обработанный латунный сепаратор. Центрирование по внешнему кольцу. | 240.00 | 440.00 | 144.00 |
| 30-3013748-НТ2 | Роликовый радиальный двухрядный подшипник. Детали из теплостойкой стали. 200°. Температура отпуска. | 240.00 | 440.00 | 144.00 |
| 40-3013748 АМУНТ2 | Роликовый радиальный двухрядный подшипник. Детали из теплостойкой стали. Дополнительные технические требования. 200°. Модифицированный контакт.. Температура отпуска. Повышенная грузоподъемность. | 240.00 | 440.00 | 144.00 |
| 40-3013748 НТ2 | Роликовый радиальный двухрядный подшипник. Детали из теплостойкой стали. 200°. Температура отпуска. | 240.00 | 440.00 | 144.00 |
| 40-3013748 УНТ2 | Роликовый радиальный двухрядный подшипник. Детали из теплостойкой стали. Дополнительные технические требования. 200°. Температура отпуска. | 240.00 | 440.00 | 144.00 |
| 3013748 | Роликовый радиальный двухрядный подшипник. | 240.00 | 440.00 | 144.00 |
| 30-3013748-Т | Роликовый радиальный двухрядный подшипник. Температура отпуска. 160°. | 240.00 | 440.00 | 144.00 |
| 3013748-Н | Роликовый радиальный двухрядный подшипник. Детали из теплостойкой стали. | 240.00 | 440.00 | 144.00 |
| 3013748АМНК | Роликовый радиальный двухрядный подшипник. Детали из теплостойкой стали. Модифицированный контакт.. Повышенная грузоподъемность. | 240.00 | 440.00 | 144.00 |
| 40-3013748 Т | Роликовый радиальный двухрядный подшипник. Температура отпуска. 160°. | 240.00 | 440.00 | 144.00 |
| 40-3013748 Т2 | Роликовый радиальный двухрядный подшипник. 200°. Температура отпуска. | 240.00 | 440.00 | 144.00 |
Способы доставки
Отправка через ведущие транспортные и курьерские компании: ПЭК, Деловые Линии, СДЭК, Байкал-Сервис, Энергия, КИТ, ЖелДорЭкспедиция.
Самовывоз возможен напрямую со склада в Москве.
Сроки доставки
Срок зависит от региона и выбранной транспортной компании. Все заказы комплектуются и отправляются в кратчайшие сроки со склада в Москве.
Надёжность и сохранность
Вся продукция упаковывается с учётом требований транспортировки. Мы гарантируем, что подшипники и комплектующие прибудут к заказчику в полной сохранности.
Доставка в страны ЕАЭС
Мы работаем с проверенными логистическими партнёрами, что позволяет оперативно доставлять заказы в Беларусь, Казахстан, Армению и другие страны ЕАЭС.
Варианты оплаты:
Минимальная сумма заказа и скидки:
Документы и гарантии:
Да, конечно! Наши технические специалисты готовы помочь вам с подбором точного аналога или замены подшипника. Просто позвоните нам по телефону +7 (495) 104-99-04 или напишите на почту zakaz@podsnab.ru.
Для оперативной консультации подготовьте, пожалуйста, имеющиеся данные: маркировку, размеры, тип оборудования или артикул старого подшипника.
Да, конечно! Мы высоко ценим долгосрочное сотрудничество и доверие клиентов по всей России. Для постоянных клиентов действует персональная система скидок.
Условия формируются индивидуально и зависят от:
Чтобы узнать свои условия и получить максимально выгодное предложение, свяжитесь с персональным менеджером или напишите нам на почту zakaz@podsnab.ru.
Вы можете оформить заказ несколькими способами:
Для оформления заказа от юридического лица свяжитесь с нашим отделом по работе с корпоративными клиентами по телефону +7 (495) 104-99-04 или напишите на email zakaz@podsnab.ru, прикрепив реквизиты вашей организации.
Мы оперативно подготовим коммерческое предложение и выставим счет.
Возврат товара надлежащего качества возможен в течение 10 дней с момента получения, если товар не был в употреблении, сохранен товарный вид, упаковка не вскрывалась и присутствуют все сопроводительные документы.
Возврат денежных средств осуществляется в течение 10 рабочих дней после проверки товара складом.
В соответствии с законодательством возврату не подлежат подшипники надлежащего качества, если отсутствует оригинальная упаковка или имеются следы монтажа.
В случае выявления брака или гарантийного случая мы гарантируем возврат или обмен товара.
Да, гарантийный срок хранения устанавливается заводом-изготовителем и в среднем составляет 2 года при соблюдении условий хранения: сухое помещение, оригинальная упаковка и смазка.
Точный срок для конкретного типа подшипника уточняйте у наших менеджеров.
Пн–Пт: с 8:00 до 17:00 (МСК).
Сб–Вс: выходные дни.
Заказы на сайте принимаются круглосуточно. Заявки, поступившие после окончания рабочего дня, обрабатываются на следующий рабочий день.
Минимальная сумма заказа для доставки составляет 3000 рублей. Самовывоз со склада возможен на любую сумму при наличии товара.
ООО «УралТехГрупп»
ИНН: 7415093830
КПП: 772401001
ОГРН: 1167456069021
Банк: ПАО Сбербанк
Р/с: 40702810838000475273
К/с: 30101810400000000225
БИК: 044525225
У подшипника 23152-E1-K + AH3152G пока нет отзывов. Вы можете стать первым покупателем, поделившимся своим мнением.