Поиск подшипника
Статьи
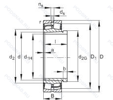
23156-E1-K + AH3156G — Роликовый радиальный сферический двухрядный подшипник, модификация основного исполнения 23156, производство FAG.
Размер подшипника: 260x460x146 мм.
Конструкция с увеличенной грузоподьемностью, коническое отверстие. конусность 1/12.
Международная стандартизации ISO
23156E1KAH3156G
В наличии
| Обозначение | Конструктивные изменения |
|---|---|
| 23156CAK C3 W33X S1 | Внутренний зазор больше нормального. Сепаратор из латуни с механической обработкой. Коническое отверстие. Конусность 1/12. Стабильность размеров при рабочих температурах до +200°C. Канавка для смазки и шесть отверстий в наружном кольце подшипника. |
| 23156K CC C2 W33S1SPA | Канавка для смазки и три отверстия во внешнем кольце подшипника. Коническое отверстие. конус 1/12. Внутренний зазор подшипника меньше нормального. значение этого символа. прикрепленного к базовому коду. специально не зафиксировано. Они используются в соответствии с требованиями к выявлению изменений конструкции подшипника и определенным конструктивным особенностям. Также их можно совмещать между собой. Стабильность размеров при рабочих температурах до +200°C. Bearing With Symmetrical Rollers. Flangeless Inner Ring. A Non-Intergral Guide Ring Between The Tow Rows Of Rollers Centred On The Inner Ring And One Pressed Steel Window-Type Cage For Each Roller Row. значение этого символа. прикрепленного к базовому коду. специально не зафиксировано. Они используются в соответствии с требованиями к выявлению изменений конструкции подшипника и определенным конструктивным особенностям. Также их можно совмещать между собой. |
| 23156K B33 MB J30 | Коническое отверстие. конус 1/12. Механически обработанный латунный сепаратор. Центрированное внутреннее кольцо. Внутренний зазор больше нормального. W33 (SKF)= смазочная канавка и три отверстия в наружном кольце подшипника. |
| 23156B33 MB J30 | Обработанный латунный сепаратор. Центрированное внутреннее кольцо. Внутренний зазор больше нормального. W33 (SKF)= смазочная канавка и три отверстия в наружном кольце подшипника. |
| 23156K W33 C3 | Внутренний зазор больше нормального. Канавка для смазки и три отверстия во внешнем кольце подшипника. Коническое отверстие. конус 1/12. |
| 23156CCK | Коническое отверстие. конус 1/12. Два стальных сепаратора оконного типа. Бесфланцевое внутреннее кольцо и направляющее кольцо центрировано на внутреннем кольце. |
| 23156CAC/C08W507 | Повышенная точность вращения до класса допуска ISO 5. Сферический роликоподшипник конструкции CA. но с улучшенной направляющей ролика и. следовательно. меньшим трением. Комбинация W4 (маркировка наибольшего отклонения радиального биения на внутреннем кольце или втулке). W31 (сферические подшипники. проверенные в соответствии с определенными требованиями контроля качества) и W33 (смазочная канавка и три отверстия на наружном кольце подшипника). |
| 23156CAM E4 S11 | Внутреннее и наружное кольца термостабилизированы до 200°C. Канавка для смазки и три отверстия во внешнем кольце подшипника. Плавающее направляющее кольцо. Массивный латунный сепаратор. |
| 23156W33 | Канавка для смазки и три отверстия во внешнем кольце подшипника. |
| 23156CC/HA1C3W33 | Внутренний зазор больше нормального. Канавка для смазки и три отверстия во внешнем кольце подшипника. Два стальных сепаратора оконного типа. Бесфланцевое внутреннее кольцо и направляющее кольцо центрировано на внутреннем кольце. Закаленное внутреннее и внешнее кольцо. |
| 23156-E1-K-H78A-T52BW-C2 | Коническое отверстие. конус 1/12. Внутренний зазор подшипника меньше нормального. Конструкция с увеличенной грузоподьемностью. Повышенная точность вращения до класса допуска ISO 5. Bearings More Than 100 Kg Weight With 3 Tapped Holes In The Outer Ring For Eye Bolts Enabling Easier Handling. |
| 23156 KW33 | Кольцевая канавка и три отверстия для смазывания в наружном кольце подшипника. Коническое внутреннее отверстие. |
| 23156R | С выпуклыми асимметричными роликами и обработанным сепаратором. |
| 23156RHA | With Convex Symmetric Rollers And One-Piece Machined Cage. |
| 23156-K-MB-W33+AH3156 | Канавка для смазки и три отверстия во внешнем кольце подшипника. Коническое отверстие. Конусность 1/12. сепаратор из латуни. центрированный по внутреннему кольцу. |
| 23156-K-MB-W33+OH3156-H | Канавка для смазки и три отверстия во внешнем кольце подшипника. Коническое отверстие. Конусность 1/12. сепаратор из латуни. центрированный по внутреннему кольцу. Pressed Snap-Type Steel Cage. Hardened. |
| 23156B | Конический роликовый подшипник. Угол контакта 20 градусов. |
| 23156BK | Игольчатый роликовый подшипник со штампованным наружным кольцом с закрытым торцом. |
| 23156YMB | Бронзовый цельный сепаратор пальцевого типа. |
| 23156 KCW33+H3156 | Кольцевая канавка и три отверстия для смазывания в наружном кольце подшипника. Коническое внутреннее отверстие. |
| 23156 KCW33+AH3156 | Кольцевая канавка и три отверстия для смазывания в наружном кольце подшипника. Коническое внутреннее отверстие. |
| 23156-B-K-MB+AH3156G | Коническое отверстие. Конусность 1/12. Конический роликовый подшипник. Угол контакта 20 градусов. сепаратор из латуни. центрированный по внутреннему кольцу. |
| 23156-E1-K + H3156X | Коническое отверстие. Конусность 1/12. Конструкция с увеличенной грузоподьемностью. |
| 23156EK | Роликовый радиальный сферический двухрядный подшипник. |
| 23156E | Повышенная грузоподъемность. |
Модификации сферического роликового подшипника 23156-E1-K + AH3156G — это измененное основное конструктивное исполнение 23156, основные размеры (260x460x146) не отличаются.
| Обозначение | Конструктивные особенности | Внутренний (d) | Наружный (D) | Ширина (B) |
|---|---|---|---|---|
| 231SM260-MA | Подшипник роликовый сферический. Механически обработанный латунный сепаратор. Центрирование по внешнему кольцу. | 260.00 | 460.00 | 146.00 |
Способы доставки
Отправка через ведущие транспортные и курьерские компании: ПЭК, Деловые Линии, СДЭК, Байкал-Сервис, Энергия, КИТ, ЖелДорЭкспедиция.
Самовывоз возможен напрямую со склада в Москве.
Сроки доставки
Срок зависит от региона и выбранной транспортной компании. Все заказы комплектуются и отправляются в кратчайшие сроки со склада в Москве.
Надёжность и сохранность
Вся продукция упаковывается с учётом требований транспортировки. Мы гарантируем, что подшипники и комплектующие прибудут к заказчику в полной сохранности.
Доставка в страны ЕАЭС
Мы работаем с проверенными логистическими партнёрами, что позволяет оперативно доставлять заказы в Беларусь, Казахстан, Армению и другие страны ЕАЭС.
Варианты оплаты:
Минимальная сумма заказа и скидки:
Документы и гарантии:
Да, конечно! Наши технические специалисты готовы помочь вам с подбором точного аналога или замены подшипника. Просто позвоните нам по телефону +7 (495) 104-99-04 или напишите на почту zakaz@podsnab.ru.
Для оперативной консультации подготовьте, пожалуйста, имеющиеся данные: маркировку, размеры, тип оборудования или артикул старого подшипника.
Да, конечно! Мы высоко ценим долгосрочное сотрудничество и доверие клиентов по всей России. Для постоянных клиентов действует персональная система скидок.
Условия формируются индивидуально и зависят от:
Чтобы узнать свои условия и получить максимально выгодное предложение, свяжитесь с персональным менеджером или напишите нам на почту zakaz@podsnab.ru.
Вы можете оформить заказ несколькими способами:
Для оформления заказа от юридического лица свяжитесь с нашим отделом по работе с корпоративными клиентами по телефону +7 (495) 104-99-04 или напишите на email zakaz@podsnab.ru, прикрепив реквизиты вашей организации.
Мы оперативно подготовим коммерческое предложение и выставим счет.
Возврат товара надлежащего качества возможен в течение 10 дней с момента получения, если товар не был в употреблении, сохранен товарный вид, упаковка не вскрывалась и присутствуют все сопроводительные документы.
Возврат денежных средств осуществляется в течение 10 рабочих дней после проверки товара складом.
В соответствии с законодательством возврату не подлежат подшипники надлежащего качества, если отсутствует оригинальная упаковка или имеются следы монтажа.
В случае выявления брака или гарантийного случая мы гарантируем возврат или обмен товара.
Да, гарантийный срок хранения устанавливается заводом-изготовителем и в среднем составляет 2 года при соблюдении условий хранения: сухое помещение, оригинальная упаковка и смазка.
Точный срок для конкретного типа подшипника уточняйте у наших менеджеров.
Пн–Пт: с 8:00 до 17:00 (МСК).
Сб–Вс: выходные дни.
Заказы на сайте принимаются круглосуточно. Заявки, поступившие после окончания рабочего дня, обрабатываются на следующий рабочий день.
Минимальная сумма заказа для доставки составляет 3000 рублей. Самовывоз со склада возможен на любую сумму при наличии товара.
ООО «УралТехГрупп»
ИНН: 7415093830
КПП: 772401001
ОГРН: 1167456069021
Банк: ПАО Сбербанк
Р/с: 40702810838000475273
К/с: 30101810400000000225
БИК: 044525225
У подшипника 23156-E1-K + AH3156G пока нет отзывов. Вы можете стать первым покупателем, поделившимся своим мнением.