Поиск подшипника
Статьи
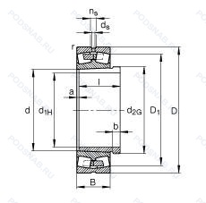
23236-E1A-K-M + AH3236G — Роликовый радиальный сферический двухрядный подшипник, модификация основного исполнения 23236, производство FAG.
Размер подшипника: 170x320x112 мм.
Коническое отверстие. конусность 1/12, подшипник с латунным сепаратором. центрированный по телам качения.
Международная стандартизации ISO
23236E1AKMAH3236G
В наличии
| Обозначение | Конструктивные изменения |
|---|---|
| 23236B L1 D1 | Цельное ребристое внутреннее кольцо. Асимметричные ролики и фиксатор с центральной направляющей. Канавка для смазки и три отверстия во внешнем кольце подшипника. Сепаратор из латуни. |
| 23236-E1A-XL-M-C2 | Внутренний зазор подшипника меньше нормального. Модифицированная внутренняя конструкция. Серия X-Life премиум-класс. увеличиный срок службы. Твердая латунный сепаратор. Направляемые тела качения. Конструкция с увеличенной грузоподьемностью. |
| 23236E1A.M.C2 | Внутренний зазор подшипника меньше нормального. Модифицированная внутренняя конструкция. Твердая латунный сепаратор. Направляемые тела качения. Конструкция с увеличенной грузоподьемностью. |
| 23236KEMBW33 | Канавка для смазки и три отверстия во внешнем кольце подшипника. Коническое отверстие. конус 1/12. Land-Riding One-Piece Brass Cage. |
| 23236CAME4C3 | Внутренний зазор больше нормального. Канавка для смазки и три отверстия во внешнем кольце подшипника. Плавающее направляющее кольцо. Массивный латунный сепаратор. |
| 23236C E4 | Штампованный стальной сепаратор из двух частей с направляющим кольцом. Канавка для смазки и три отверстия во внешнем кольце подшипника. |
| 23236CAMKE4 | Коническое отверстие. конус 1/12. Канавка для смазки и три отверстия во внешнем кольце подшипника. Плавающее направляющее кольцо. Массивный латунный сепаратор. |
| 23236EM K D1 | Коническое отверстие. конус 1/12. Канавка и три смазочных отверстия на наружном кольце. Стандартный фланцевый ( с резьбой и сквозным отверстием). |
| 23236CAM E4 C5 S11 | Внутреннее и наружное кольца термостабилизированы до 200°C. Канавка для смазки и три отверстия во внешнем кольце подшипника. Плавающее направляющее кольцо. Массивный латунный сепаратор. Внутренний зазор подшипника больше. чем С4. |
| 23236.VMKW33C3 | Внутренний зазор больше нормального. Канавка для смазки и три отверстия во внешнем кольце подшипника. Коническое отверстие. конус 1/12. Увеличенная грузоподъемность. Модификация внутренней конструкции. Механически обработанный латунный сепаратор .Расположенный на элементах качения. |
| 23236EJW33C3 | Внутренний зазор больше нормального. Канавка для смазки и три отверстия во внешнем кольце подшипника. Land-Riding Steel Cage_ One Per Row. |
| 23236 KW33 | Кольцевая канавка и три отверстия для смазывания в наружном кольце подшипника. Коническое внутреннее отверстие. |
| 23236RHA | With Convex Symmetric Rollers And One-Piece Machined Cage. |
| 23236-K-MB-W33+H2336 | Канавка для смазки и три отверстия во внешнем кольце подшипника. Коническое отверстие. Конусность 1/12. сепаратор из латуни. центрированный по внутреннему кольцу. |
| 23236-K-MB-W33+AH3236 | Канавка для смазки и три отверстия во внешнем кольце подшипника. Коническое отверстие. Конусность 1/12. сепаратор из латуни. центрированный по внутреннему кольцу. |
| 23236B | Конический роликовый подшипник. Угол контакта 20 градусов. |
| 23236YM | 1 Piece Bronze Cage - Finger Type. |
| 23236 KCW33+H2336 | Кольцевая канавка и три отверстия для смазывания в наружном кольце подшипника. Коническое внутреннее отверстие. |
| 23236 KCW33+AH3236 | Кольцевая канавка и три отверстия для смазывания в наружном кольце подшипника. Коническое внутреннее отверстие. |
| 23236-E1A-K-M + H2336 | Коническое отверстие. Конусность 1/12. Подшипник с латунным сепаратором. центрированный по телам качения. |
| 23236-E1-K-TVPB + AH3236G | Коническое отверстие. Конусность 1/12. Конструкция с увеличенной грузоподьемностью. Твердый оконный сепаратор из полиамида. армированного стекловолокном. Направляющие на внутреннем кольце. |
| 23236-E1-K-TVPB + H2336 | Коническое отверстие. Конусность 1/12. Конструкция с увеличенной грузоподьемностью. Твердый оконный сепаратор из полиамида. армированного стекловолокном. Направляющие на внутреннем кольце. |
| 23236EK | Роликовый радиальный сферический двухрядный подшипник. |
| 23236A2X | High Speed Spherical Roller Bearing. |
| 23236 CCK/W33 + H 2336 | Канавка для смазки и три отверстия во внешнем кольце подшипника. Pressed Snap-Type Steel Cage. Hardened. |
Модификации сферического роликового подшипника 23236-E1A-K-M + AH3236G — это измененное основное конструктивное исполнение 23236, основные размеры (170x320x112) не отличаются.
Способы доставки
Отправка через ведущие транспортные и курьерские компании: ПЭК, Деловые Линии, СДЭК, Байкал-Сервис, Энергия, КИТ, ЖелДорЭкспедиция.
Самовывоз возможен напрямую со склада в Москве.
Сроки доставки
Срок зависит от региона и выбранной транспортной компании. Все заказы комплектуются и отправляются в кратчайшие сроки со склада в Москве.
Надёжность и сохранность
Вся продукция упаковывается с учётом требований транспортировки. Мы гарантируем, что подшипники и комплектующие прибудут к заказчику в полной сохранности.
Доставка в страны ЕАЭС
Мы работаем с проверенными логистическими партнёрами, что позволяет оперативно доставлять заказы в Беларусь, Казахстан, Армению и другие страны ЕАЭС.
Варианты оплаты:
Минимальная сумма заказа и скидки:
Документы и гарантии:
Да, конечно! Наши технические специалисты готовы помочь вам с подбором точного аналога или замены подшипника. Просто позвоните нам по телефону +7 (495) 104-99-04 или напишите на почту zakaz@podsnab.ru.
Для оперативной консультации подготовьте, пожалуйста, имеющиеся данные: маркировку, размеры, тип оборудования или артикул старого подшипника.
Да, конечно! Мы высоко ценим долгосрочное сотрудничество и доверие клиентов по всей России. Для постоянных клиентов действует персональная система скидок.
Условия формируются индивидуально и зависят от:
Чтобы узнать свои условия и получить максимально выгодное предложение, свяжитесь с персональным менеджером или напишите нам на почту zakaz@podsnab.ru.
Вы можете оформить заказ несколькими способами:
Для оформления заказа от юридического лица свяжитесь с нашим отделом по работе с корпоративными клиентами по телефону +7 (495) 104-99-04 или напишите на email zakaz@podsnab.ru, прикрепив реквизиты вашей организации.
Мы оперативно подготовим коммерческое предложение и выставим счет.
Возврат товара надлежащего качества возможен в течение 10 дней с момента получения, если товар не был в употреблении, сохранен товарный вид, упаковка не вскрывалась и присутствуют все сопроводительные документы.
Возврат денежных средств осуществляется в течение 10 рабочих дней после проверки товара складом.
В соответствии с законодательством возврату не подлежат подшипники надлежащего качества, если отсутствует оригинальная упаковка или имеются следы монтажа.
В случае выявления брака или гарантийного случая мы гарантируем возврат или обмен товара.
Да, гарантийный срок хранения устанавливается заводом-изготовителем и в среднем составляет 2 года при соблюдении условий хранения: сухое помещение, оригинальная упаковка и смазка.
Точный срок для конкретного типа подшипника уточняйте у наших менеджеров.
Пн–Пт: с 8:00 до 17:00 (МСК).
Сб–Вс: выходные дни.
Заказы на сайте принимаются круглосуточно. Заявки, поступившие после окончания рабочего дня, обрабатываются на следующий рабочий день.
Минимальная сумма заказа для доставки составляет 3000 рублей. Самовывоз со склада возможен на любую сумму при наличии товара.
ООО «УралТехГрупп»
ИНН: 7415093830
КПП: 772401001
ОГРН: 1167456069021
Банк: ПАО Сбербанк
Р/с: 40702810838000475273
К/с: 30101810400000000225
БИК: 044525225
У подшипника 23236-E1A-K-M + AH3236G пока нет отзывов. Вы можете стать первым покупателем, поделившимся своим мнением.