Поиск подшипника
Статьи
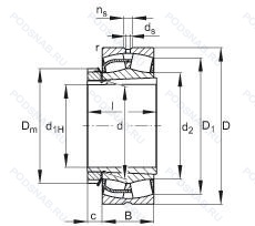
23244-E1-K + H2344X — Роликовый радиальный сферический двухрядный подшипник, модификация основного исполнения 23244, производство FAG.
Размер подшипника: 200x400x144 мм.
Конструкция с увеличенной грузоподьемностью, коническое отверстие. конусность 1/12.
Международная стандартизации ISO
23244E1KH2344X
В наличии
| Обозначение | Конструктивные изменения |
|---|---|
| 23244CCK | Коническое отверстие. конус 1/12. Два стальных сепаратора оконного типа. Бесфланцевое внутреннее кольцо и направляющее кольцо центрировано на внутреннем кольце. |
| 23244K MB C3 W33 | Зазор больше. чем у C0. Кольцевая канавка и три смазочных отверстия в наружном кольце. Коническое отверстие. конус 1/12. Симметричный усиленный ролик. Двухкомпонентный латунный фиксатор. |
| 23244-CE-W33 | Канавка для смазки и три отверстия во внешнем кольце подшипника. Имеют симметричные сферические ролики и стандартно оснащены сепаратором из штампованной стали. |
| 23244-BE-XL-H151B | Серия X-Life премиум-класс. увеличиный срок службы. Увеличенная грузоподъемность подшипника. Один удерживающий паз под углом 15° на наружном кольце. |
| 23244-BE-XL-K-C5 | Коническое отверстие. конус 1/12. Серия X-Life премиум-класс. увеличиный срок службы. Внутренний зазор подшипника больше. чем С4. Увеличенная грузоподъемность подшипника. |
| 23244-BE-K-C5 | Коническое отверстие. конус 1/12. Внутренний зазор подшипника больше. чем С4. Увеличенная грузоподъемность подшипника. |
| 23244-BE-H151B | Увеличенная грузоподъемность подшипника. Один удерживающий паз под углом 15° на наружном кольце. |
| 23244CAME4 | Канавка для смазки и три отверстия во внешнем кольце подшипника. Плавающее направляющее кольцо. Массивный латунный сепаратор. |
| 23244CAMKE4 | Коническое отверстие. конус 1/12. Канавка для смазки и три отверстия во внешнем кольце подшипника. Плавающее направляющее кольцо. Массивный латунный сепаратор. |
| 23244CAMKE4C3 | Внутренний зазор больше нормального. Коническое отверстие. конус 1/12. Канавка для смазки и три отверстия во внешнем кольце подшипника. Плавающее направляющее кольцо. Массивный латунный сепаратор. |
| 23244CE4 | Штампованный стальной сепаратор из двух частей с направляющим кольцом. Канавка для смазки и три отверстия во внешнем кольце подшипника. |
| 23244KEMBW507C08C3 | Внутренний зазор больше нормального. Коническое отверстие. конус 1/12. Land-Riding One-Piece Brass Cage. Комбинация C02 (указывает на внутреннее кольцо со сверхмалой точностью вращения (1/4 RBEC.1) и помечено. чтобы показать верхнюю и нижнюю точки эксцентриситета) + C04 (указывает на внешнее кольцо со сверхмалой точностью вращения (1/4 RBEC.1) и отмечены для отображения высокой и низкой точки эксцентриситета). Комбинация W4 (отметка высоких и низких точек эксцентриситета на поверхности колец) и W31 (подшипник проверен в соответствии с определенными требованиями контроля качества) и W33 (смазочная канавка и три смазочных отверстия на наружном кольце подшипника).. |
| 23244 KW33 | Кольцевая канавка и три отверстия для смазывания в наружном кольце подшипника. Коническое внутреннее отверстие. |
| 23244RHA | With Convex Symmetric Rollers And One-Piece Machined Cage. |
| 23244R | С выпуклыми асимметричными роликами и обработанным сепаратором. |
| 23244-K-MB-W33+OH2344-H | Канавка для смазки и три отверстия во внешнем кольце подшипника. Коническое отверстие. Конусность 1/12. сепаратор из латуни. центрированный по внутреннему кольцу. Pressed Snap-Type Steel Cage. Hardened. |
| 23244-K-MB-W33+AH2344 | Канавка для смазки и три отверстия во внешнем кольце подшипника. Коническое отверстие. Конусность 1/12. сепаратор из латуни. центрированный по внутреннему кольцу. |
| 23244B | Конический роликовый подшипник. Угол контакта 20 градусов. |
| 23244YM | 1 Piece Bronze Cage - Finger Type. |
| 23244 KCW33+H2344 | Кольцевая канавка и три отверстия для смазывания в наружном кольце подшипника. Коническое внутреннее отверстие. |
| 23244 KCW33+AH2344 | Кольцевая канавка и три отверстия для смазывания в наружном кольце подшипника. Коническое внутреннее отверстие. |
| 23244-K-MB+AH2344 | Коническое отверстие. Конусность 1/12. сепаратор из латуни. центрированный по внутреннему кольцу. |
| 23244-E1-K + AH2344 | Коническое отверстие. Конусность 1/12. Конструкция с увеличенной грузоподьемностью. |
| 23244E | Повышенная грузоподъемность. |
| 23244EK | Роликовый радиальный сферический двухрядный подшипник. |
Модификации сферического роликового подшипника 23244-E1-K + H2344X — это измененное основное конструктивное исполнение 23244, основные размеры (200x400x144) не отличаются.
Способы доставки
Отправка через ведущие транспортные и курьерские компании: ПЭК, Деловые Линии, СДЭК, Байкал-Сервис, Энергия, КИТ, ЖелДорЭкспедиция.
Самовывоз возможен напрямую со склада в Москве.
Сроки доставки
Срок зависит от региона и выбранной транспортной компании. Все заказы комплектуются и отправляются в кратчайшие сроки со склада в Москве.
Надёжность и сохранность
Вся продукция упаковывается с учётом требований транспортировки. Мы гарантируем, что подшипники и комплектующие прибудут к заказчику в полной сохранности.
Доставка в страны ЕАЭС
Мы работаем с проверенными логистическими партнёрами, что позволяет оперативно доставлять заказы в Беларусь, Казахстан, Армению и другие страны ЕАЭС.
Варианты оплаты:
Минимальная сумма заказа и скидки:
Документы и гарантии:
Да, конечно! Наши технические специалисты готовы помочь вам с подбором точного аналога или замены подшипника. Просто позвоните нам по телефону +7 (495) 104-99-04 или напишите на почту zakaz@podsnab.ru.
Для оперативной консультации подготовьте, пожалуйста, имеющиеся данные: маркировку, размеры, тип оборудования или артикул старого подшипника.
Да, конечно! Мы высоко ценим долгосрочное сотрудничество и доверие клиентов по всей России. Для постоянных клиентов действует персональная система скидок.
Условия формируются индивидуально и зависят от:
Чтобы узнать свои условия и получить максимально выгодное предложение, свяжитесь с персональным менеджером или напишите нам на почту zakaz@podsnab.ru.
Вы можете оформить заказ несколькими способами:
Для оформления заказа от юридического лица свяжитесь с нашим отделом по работе с корпоративными клиентами по телефону +7 (495) 104-99-04 или напишите на email zakaz@podsnab.ru, прикрепив реквизиты вашей организации.
Мы оперативно подготовим коммерческое предложение и выставим счет.
Возврат товара надлежащего качества возможен в течение 10 дней с момента получения, если товар не был в употреблении, сохранен товарный вид, упаковка не вскрывалась и присутствуют все сопроводительные документы.
Возврат денежных средств осуществляется в течение 10 рабочих дней после проверки товара складом.
В соответствии с законодательством возврату не подлежат подшипники надлежащего качества, если отсутствует оригинальная упаковка или имеются следы монтажа.
В случае выявления брака или гарантийного случая мы гарантируем возврат или обмен товара.
Да, гарантийный срок хранения устанавливается заводом-изготовителем и в среднем составляет 2 года при соблюдении условий хранения: сухое помещение, оригинальная упаковка и смазка.
Точный срок для конкретного типа подшипника уточняйте у наших менеджеров.
Пн–Пт: с 8:00 до 17:00 (МСК).
Сб–Вс: выходные дни.
Заказы на сайте принимаются круглосуточно. Заявки, поступившие после окончания рабочего дня, обрабатываются на следующий рабочий день.
Минимальная сумма заказа для доставки составляет 3000 рублей. Самовывоз со склада возможен на любую сумму при наличии товара.
ООО «УралТехГрупп»
ИНН: 7415093830
КПП: 772401001
ОГРН: 1167456069021
Банк: ПАО Сбербанк
Р/с: 40702810838000475273
К/с: 30101810400000000225
БИК: 044525225
У подшипника 23244-E1-K + H2344X пока нет отзывов. Вы можете стать первым покупателем, поделившимся своим мнением.