Поиск подшипника
Статьи
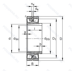
23288-B-K-MB + AHX3288G-H — Роликовый радиальный сферический двухрядный подшипник, модификация основного исполнения 23288, производство FAG.
Размер подшипника: 420x790x280 мм.
Сепаратор из латуни. центрированный по внутреннему кольцу, коническое отверстие. конусность 1/12, конический роликовый подшипник. угол контакта 20 градусов, pressed snap-type steel cage. hardened.
Международная стандартизации ISO
23288BKMBAHX3288GH
В наличии
| Обозначение | Конструктивные изменения |
|---|---|
| 23288CAK C3 W33X | Внутренний зазор больше нормального. Сепаратор из латуни с механической обработкой. Коническое отверстие. Конусность 1/12. То же. что и W33 (смазочная канавка и три отверстия на наружном кольце подшипника). но с шестью смазочными отверстиями. |
| 23288-BEA-K-MB1-C4 | Коническое отверстие. конус 1/12. Внутренний зазор подшипника больше. чем C3. 40° Угол контакта. High Capacity. All Four Corners Equal. Латунный сепаратор. массивный. |
| 23288-BEA-XL-K-MB1-T52BW | Коническое отверстие. конус 1/12. Серия X-Life премиум-класс. увеличиный срок службы. Повышенная точность вращения до класса допуска ISO 5. 40° Угол контакта. High Capacity. All Four Corners Equal. Латунный сепаратор. массивный. |
| 23288-BEA-XL-K-MB1-C4 | Коническое отверстие. конус 1/12. Внутренний зазор подшипника больше. чем C3. Серия X-Life премиум-класс. увеличиный срок службы. 40° Угол контакта. High Capacity. All Four Corners Equal. Латунный сепаратор. массивный. |
| 23288-BEA-K-MB1-T52BW | Коническое отверстие. конус 1/12. Повышенная точность вращения до класса допуска ISO 5. 40° Угол контакта. High Capacity. All Four Corners Equal. Латунный сепаратор. массивный. |
| 23288 K | Коническое отверстие. Конусность 1/12. |
| 23288 KW33 | Кольцевая канавка и три отверстия для смазывания в наружном кольце подшипника. Коническое внутреннее отверстие. |
| 23288W33 | Кольцевая канавка и три отверстия для смазывания в наружном кольце подшипника. |
| 23288R | С выпуклыми асимметричными роликами и обработанным сепаратором. |
| 23288RHA | With Convex Symmetric Rollers And One-Piece Machined Cage. |
| 23288-K-MB-W33+AHX3288 | Канавка для смазки и три отверстия во внешнем кольце подшипника. Коническое отверстие. Конусность 1/12. сепаратор из латуни. центрированный по внутреннему кольцу. |
| 23288-K-MB-W33+OH3288-H | Канавка для смазки и три отверстия во внешнем кольце подшипника. Коническое отверстие. Конусность 1/12. сепаратор из латуни. центрированный по внутреннему кольцу. Pressed Snap-Type Steel Cage. Hardened. |
| 23288-MB-W33 | Канавка для смазки и три отверстия во внешнем кольце подшипника. сепаратор из латуни. центрированный по внутреннему кольцу. |
| 23288-K-MB-W33 | Канавка для смазки и три отверстия во внешнем кольце подшипника. Коническое отверстие. Конусность 1/12. сепаратор из латуни. центрированный по внутреннему кольцу. |
| 23288BK | Игольчатый роликовый подшипник со штампованным наружным кольцом с закрытым торцом. |
| 23288B | Конический роликовый подшипник. Угол контакта 20 градусов. |
| 23288YMB | Бронзовый цельный сепаратор пальцевого типа. |
| 23288 KCW33+AH3288 | Кольцевая канавка и три отверстия для смазывания в наружном кольце подшипника. Коническое внутреннее отверстие. |
| 23288 KCW33+H3288 | Кольцевая канавка и три отверстия для смазывания в наружном кольце подшипника. Коническое внутреннее отверстие. |
| 23288-B-K-MB+AHX3288G | Коническое отверстие. Конусность 1/12. Конический роликовый подшипник. Угол контакта 20 градусов. сепаратор из латуни. центрированный по внутреннему кольцу. |
| 23288-B-K-MB+H3288 | Коническое отверстие. Конусность 1/12. Конический роликовый подшипник. Угол контакта 20 градусов. сепаратор из латуни. центрированный по внутреннему кольцу. |
| 23288-B-K-MB + H3288-HG | Класс допуска (FAG) для подшипников шпинделя (аналог P2). Коническое отверстие. Конусность 1/12. Конический роликовый подшипник. Угол контакта 20 градусов. сепаратор из латуни. центрированный по внутреннему кольцу. |
| 23288-E1A-MB1 | Латунный сепаратор. массивный. |
| 23288EK | Роликовый радиальный сферический двухрядный подшипник. |
| 23288E | Повышенная грузоподъемность. |
Модификации сферического роликового подшипника 23288-B-K-MB + AHX3288G-H — это измененное основное конструктивное исполнение 23288, основные размеры (420x790x280) не отличаются.
Способы доставки
Отправка через ведущие транспортные и курьерские компании: ПЭК, Деловые Линии, СДЭК, Байкал-Сервис, Энергия, КИТ, ЖелДорЭкспедиция.
Самовывоз возможен напрямую со склада в Москве.
Сроки доставки
Срок зависит от региона и выбранной транспортной компании. Все заказы комплектуются и отправляются в кратчайшие сроки со склада в Москве.
Надёжность и сохранность
Вся продукция упаковывается с учётом требований транспортировки. Мы гарантируем, что подшипники и комплектующие прибудут к заказчику в полной сохранности.
Доставка в страны ЕАЭС
Мы работаем с проверенными логистическими партнёрами, что позволяет оперативно доставлять заказы в Беларусь, Казахстан, Армению и другие страны ЕАЭС.
Варианты оплаты:
Минимальная сумма заказа и скидки:
Документы и гарантии:
Да, конечно! Наши технические специалисты готовы помочь вам с подбором точного аналога или замены подшипника. Просто позвоните нам по телефону +7 (495) 104-99-04 или напишите на почту zakaz@podsnab.ru.
Для оперативной консультации подготовьте, пожалуйста, имеющиеся данные: маркировку, размеры, тип оборудования или артикул старого подшипника.
Да, конечно! Мы высоко ценим долгосрочное сотрудничество и доверие клиентов по всей России. Для постоянных клиентов действует персональная система скидок.
Условия формируются индивидуально и зависят от:
Чтобы узнать свои условия и получить максимально выгодное предложение, свяжитесь с персональным менеджером или напишите нам на почту zakaz@podsnab.ru.
Вы можете оформить заказ несколькими способами:
Для оформления заказа от юридического лица свяжитесь с нашим отделом по работе с корпоративными клиентами по телефону +7 (495) 104-99-04 или напишите на email zakaz@podsnab.ru, прикрепив реквизиты вашей организации.
Мы оперативно подготовим коммерческое предложение и выставим счет.
Возврат товара надлежащего качества возможен в течение 10 дней с момента получения, если товар не был в употреблении, сохранен товарный вид, упаковка не вскрывалась и присутствуют все сопроводительные документы.
Возврат денежных средств осуществляется в течение 10 рабочих дней после проверки товара складом.
В соответствии с законодательством возврату не подлежат подшипники надлежащего качества, если отсутствует оригинальная упаковка или имеются следы монтажа.
В случае выявления брака или гарантийного случая мы гарантируем возврат или обмен товара.
Да, гарантийный срок хранения устанавливается заводом-изготовителем и в среднем составляет 2 года при соблюдении условий хранения: сухое помещение, оригинальная упаковка и смазка.
Точный срок для конкретного типа подшипника уточняйте у наших менеджеров.
Пн–Пт: с 8:00 до 17:00 (МСК).
Сб–Вс: выходные дни.
Заказы на сайте принимаются круглосуточно. Заявки, поступившие после окончания рабочего дня, обрабатываются на следующий рабочий день.
Минимальная сумма заказа для доставки составляет 3000 рублей. Самовывоз со склада возможен на любую сумму при наличии товара.
ООО «УралТехГрупп»
ИНН: 7415093830
КПП: 772401001
ОГРН: 1167456069021
Банк: ПАО Сбербанк
Р/с: 40702810838000475273
К/с: 30101810400000000225
БИК: 044525225
У подшипника 23288-B-K-MB + AHX3288G-H пока нет отзывов. Вы можете стать первым покупателем, поделившимся своим мнением.