Поиск подшипника
Статьи
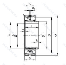
23936-S-K-MB + AH3936 — Роликовый радиальный сферический двухрядный подшипник, модификация основного исполнения 23936, производство FAG.
Размер подшипника: 170x250x52 мм.
Сепаратор из латуни. центрированный по внутреннему кольцу, запечатанная версия кулачкового ролика, коническое отверстие. конусность 1/12.
Международная стандартизации ISO
23936SKMBAH3936
В наличии
| Обозначение | Конструктивные изменения |
|---|---|
| 23936CC/W33 | Канавка для смазки и три отверстия во внешнем кольце подшипника. Два стальных сепаратора оконного типа. Бесфланцевое внутреннее кольцо и направляющее кольцо центрировано на внутреннем кольце. |
| 23936-S-MB | Канавка для смазки и три отверстия во внешнем кольце подшипника. сепаратор из латуни. центрированный по внутреннему кольцу. |
| 23936-S-MB-C3 | Канавка для смазки и три отверстия во внешнем кольце подшипника. Внутренний зазор больше нормального. сепаратор из латуни. центрированный по внутреннему кольцу. |
| 23936S.MB.C2 | Канавка для смазки и три отверстия во внешнем кольце подшипника. Внутренний зазор подшипника меньше нормального. сепаратор из латуни. центрированный по внутреннему кольцу. |
| 23936CK W33 J C3 | Двухрядный сферический роликоподшипник с внутренней конструкцией С. Внутренний зазор больше нормального. Канавка для смазки и три отверстия во внешнем кольце подшипника. Коническое отверстие. конус 1/12. Сепаратор из штампованной листовой стали. центрирумый по наружному диаметру (М-профиль). |
| 23936C W33 J C3 | Двухрядный сферический роликоподшипник с внутренней конструкцией С. Внутренний зазор больше нормального. Канавка для смазки и три отверстия во внешнем кольце подшипника. Сепаратор из штампованной листовой стали. центрирумый по наружному диаметру (М-профиль). |
| 23936AXW33C3MY | Внутренний зазор больше нормального. Канавка для смазки и три отверстия во внешнем кольце подшипника. Механически обработанный бронзовый сепаратор. Not Symmetrical. Inner Ring. Brass Cage. |
| 23936CAME4C3S11 | Внутренний зазор больше нормального. Внутреннее и наружное кольца термостабилизированы до 200°C. Канавка для смазки и три отверстия во внешнем кольце подшипника. Плавающее направляющее кольцо. Массивный латунный сепаратор. |
| 23936EMW33 | Канавка для смазки и три отверстия во внешнем кольце подшипника. Повышенная грузоподъемность. Механически обработанный латунный сепаратор .Расположенный на элементах качения. |
| 23936CAME4S11 | Внутреннее и наружное кольца термостабилизированы до 200°C. Канавка для смазки и три отверстия во внешнем кольце подшипника. Плавающее направляющее кольцо. Массивный латунный сепаратор. |
| 23936EMW33C3 | Внутренний зазор больше нормального. Канавка для смазки и три отверстия во внешнем кольце подшипника. Повышенная грузоподъемность. Механически обработанный латунный сепаратор .Расположенный на элементах качения. |
| 23936MB W33 C3 | Внутренний зазор больше нормального. Канавка для смазки и три отверстия во внешнем кольце подшипника. Механически обработанный латунный сепаратор. направляющий по внутреннему кольцу. |
| 23936D1 | Канавка и три смазочных отверстия на наружном кольце. |
| 23936-S-K-MB | Канавка для смазки и три отверстия во внешнем кольце подшипника. Коническое отверстие. конус 1/12. сепаратор из латуни. центрированный по внутреннему кольцу. |
| 23936-S-K-MB-C3 | Канавка для смазки и три отверстия во внешнем кольце подшипника. Внутренний зазор больше нормального. Коническое отверстие. конус 1/12. сепаратор из латуни. центрированный по внутреннему кольцу. |
| 23936CAK W33 | Канавка для смазки и три отверстия во внешнем кольце подшипника. Сепаратор из латуни с механической обработкой. Коническое отверстие. Конусность 1/12. |
| 23936W33 | Канавка для смазки и три отверстия во внешнем кольце подшипника. |
| 23936K | Коническое отверстие. Конусность 1/12. |
| 23936 KW33 | Кольцевая канавка и три отверстия для смазывания в наружном кольце подшипника. Коническое внутреннее отверстие. |
| 23936R | С выпуклыми асимметричными роликами и обработанным сепаратором. |
| 23936MB | сепаратор из латуни. центрированный по внутреннему кольцу. |
| 23936 KCW33+AH3936 | Кольцевая канавка и три отверстия для смазывания в наружном кольце подшипника. Коническое внутреннее отверстие. |
| 23936 KCW33+H3936 | Кольцевая канавка и три отверстия для смазывания в наружном кольце подшипника. Коническое внутреннее отверстие. |
| 23936-S-K-MB + H3936 | Запечатанная версия кулачкового ролика. Коническое отверстие. Конусность 1/12. сепаратор из латуни. центрированный по внутреннему кольцу. |
| 23936AX | Поверхность контакта скольжения сталь / сталь. |
Модификации сферического роликового подшипника 23936-S-K-MB + AH3936 — это измененное основное конструктивное исполнение 23936, основные размеры (170x250x52) не отличаются.
Способы доставки
Отправка через ведущие транспортные и курьерские компании: ПЭК, Деловые Линии, СДЭК, Байкал-Сервис, Энергия, КИТ, ЖелДорЭкспедиция.
Самовывоз возможен напрямую со склада в Москве.
Сроки доставки
Срок зависит от региона и выбранной транспортной компании. Все заказы комплектуются и отправляются в кратчайшие сроки со склада в Москве.
Надёжность и сохранность
Вся продукция упаковывается с учётом требований транспортировки. Мы гарантируем, что подшипники и комплектующие прибудут к заказчику в полной сохранности.
Доставка в страны ЕАЭС
Мы работаем с проверенными логистическими партнёрами, что позволяет оперативно доставлять заказы в Беларусь, Казахстан, Армению и другие страны ЕАЭС.
Варианты оплаты:
Минимальная сумма заказа и скидки:
Документы и гарантии:
Да, конечно! Наши технические специалисты готовы помочь вам с подбором точного аналога или замены подшипника. Просто позвоните нам по телефону +7 (495) 104-99-04 или напишите на почту zakaz@podsnab.ru.
Для оперативной консультации подготовьте, пожалуйста, имеющиеся данные: маркировку, размеры, тип оборудования или артикул старого подшипника.
Да, конечно! Мы высоко ценим долгосрочное сотрудничество и доверие клиентов по всей России. Для постоянных клиентов действует персональная система скидок.
Условия формируются индивидуально и зависят от:
Чтобы узнать свои условия и получить максимально выгодное предложение, свяжитесь с персональным менеджером или напишите нам на почту zakaz@podsnab.ru.
Вы можете оформить заказ несколькими способами:
Для оформления заказа от юридического лица свяжитесь с нашим отделом по работе с корпоративными клиентами по телефону +7 (495) 104-99-04 или напишите на email zakaz@podsnab.ru, прикрепив реквизиты вашей организации.
Мы оперативно подготовим коммерческое предложение и выставим счет.
Возврат товара надлежащего качества возможен в течение 10 дней с момента получения, если товар не был в употреблении, сохранен товарный вид, упаковка не вскрывалась и присутствуют все сопроводительные документы.
Возврат денежных средств осуществляется в течение 10 рабочих дней после проверки товара складом.
В соответствии с законодательством возврату не подлежат подшипники надлежащего качества, если отсутствует оригинальная упаковка или имеются следы монтажа.
В случае выявления брака или гарантийного случая мы гарантируем возврат или обмен товара.
Да, гарантийный срок хранения устанавливается заводом-изготовителем и в среднем составляет 2 года при соблюдении условий хранения: сухое помещение, оригинальная упаковка и смазка.
Точный срок для конкретного типа подшипника уточняйте у наших менеджеров.
Пн–Пт: с 8:00 до 17:00 (МСК).
Сб–Вс: выходные дни.
Заказы на сайте принимаются круглосуточно. Заявки, поступившие после окончания рабочего дня, обрабатываются на следующий рабочий день.
Минимальная сумма заказа для доставки составляет 3000 рублей. Самовывоз со склада возможен на любую сумму при наличии товара.
ООО «УралТехГрупп»
ИНН: 7415093830
КПП: 772401001
ОГРН: 1167456069021
Банк: ПАО Сбербанк
Р/с: 40702810838000475273
К/с: 30101810400000000225
БИК: 044525225
У подшипника 23936-S-K-MB + AH3936 пока нет отзывов. Вы можете стать первым покупателем, поделившимся своим мнением.