Поиск подшипника
Статьи
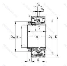
23940-S-K-MB + H3940 — Роликовый радиальный сферический двухрядный подшипник, модификация основного исполнения 23940, производство FAG.
Размер подшипника: 180x280x60 мм.
Сепаратор из латуни. центрированный по внутреннему кольцу, запечатанная версия кулачкового ролика, коническое отверстие. конусность 1/12.
Международная стандартизации ISO
23940SKMBH3940
В наличии
| Обозначение | Конструктивные изменения |
|---|---|
| 23940W33 M C3 | Внутренний зазор больше нормального. Канавка для смазки и три отверстия во внешнем кольце подшипника. Механически обработанный латунный сепаратор. Центрированный элементы качения. |
| 23940CC/W33VE194 | Канавка для смазки и три отверстия во внешнем кольце подшипника. Два стальных сепаратора оконного типа. Бесфланцевое внутреннее кольцо и направляющее кольцо центрировано на внутреннем кольце. Bearing With Grooves On The Ends Of The Outer Ring For Averting Turning In Housings. |
| 23940EM W33 | Канавка для смазки и три отверстия во внешнем кольце подшипника. Стандартный фланцевый ( с резьбой и сквозным отверстием). |
| 23940EM W33 C3 | Внутренний зазор больше нормального. Канавка для смазки и три отверстия во внешнем кольце подшипника. Стандартный фланцевый ( с резьбой и сквозным отверстием). |
| 23940C3 W33 | Внутренний зазор больше нормального. Канавка для смазки и три отверстия во внешнем кольце подшипника. |
| 23940CAME4S11 | Внутреннее и наружное кольца термостабилизированы до 200°C. Канавка для смазки и три отверстия во внешнем кольце подшипника. Плавающее направляющее кольцо. Массивный латунный сепаратор. |
| 23940-S-MB-H40AB-T52B | Канавка для смазки и три отверстия во внешнем кольце подшипника. сепаратор из латуни. центрированный по внутреннему кольцу. 6 смазочных отверстий на внутреннем кольце. |
| 23940CAM E4 C3 | Внутренний зазор больше нормального. Канавка для смазки и три отверстия во внешнем кольце подшипника. Плавающее направляющее кольцо. Массивный латунный сепаратор. |
| 23940S.MB.C4 | Канавка для смазки и три отверстия во внешнем кольце подшипника. Внутренний зазор подшипника больше. чем C3. сепаратор из латуни. центрированный по внутреннему кольцу. |
| 23940-S-MB-C5 | Канавка для смазки и три отверстия во внешнем кольце подшипника. сепаратор из латуни. центрированный по внутреннему кольцу. Внутренний зазор подшипника больше. чем С4. |
| 23940CA C4 W33 S1 | Канавка для смазки и три отверстия во внешнем кольце подшипника. Сепаратор из латуни с механической обработкой. Внутренний зазор подшипника больше. чем C3. Стабильность размеров при рабочих температурах до +200°C. |
| 23940-S-MB-C2 | Канавка для смазки и три отверстия во внешнем кольце подшипника. Внутренний зазор подшипника меньше нормального. сепаратор из латуни. центрированный по внутреннему кольцу. |
| 23940MB W33 C3 | Внутренний зазор больше нормального. Канавка для смазки и три отверстия во внешнем кольце подшипника. Механически обработанный латунный сепаратор. направляющий по внутреннему кольцу. |
| 23940K C3 W33 | Внутренний зазор больше нормального. Канавка для смазки и три отверстия во внешнем кольце подшипника. Коническое отверстие. конус 1/12. |
| 23940EMW509C08C3 | Внутренний зазор больше нормального. Повышенная грузоподъемность. Механически обработанный латунный сепаратор .Расположенный на элементах качения. Повышенная точность вращения до класса допуска ISO 5. Combination Of W94 ((Segment Lubr. Enhanc.. Code W26)=Inner Ring Lubrication Holes And Retainer Face Grooves) And W31 (Bearing Inspected To Certain Quality Control Requirements) And W33 (Lubrication Groove And Three Holes In Bearing Outer Ring) And Were Feasible W45A ((Segment Lubr. Enhanc.. Code W61)=Tapped Lifting Holes In Face Of Outer Ring To Facilitate Lifting And Handling). |
| 23940EMW509C08 | Повышенная грузоподъемность. Механически обработанный латунный сепаратор .Расположенный на элементах качения. Повышенная точность вращения до класса допуска ISO 5. Combination Of W94 ((Segment Lubr. Enhanc.. Code W26)=Inner Ring Lubrication Holes And Retainer Face Grooves) And W31 (Bearing Inspected To Certain Quality Control Requirements) And W33 (Lubrication Groove And Three Holes In Bearing Outer Ring) And Were Feasible W45A ((Segment Lubr. Enhanc.. Code W61)=Tapped Lifting Holes In Face Of Outer Ring To Facilitate Lifting And Handling). |
| 23940K | Коническое отверстие. Конусность 1/12. |
| 23940 KW33 | Кольцевая канавка и три отверстия для смазывания в наружном кольце подшипника. Коническое внутреннее отверстие. |
| 23940W33 | Кольцевая канавка и три отверстия для смазывания в наружном кольце подшипника. |
| 23940R | С выпуклыми асимметричными роликами и обработанным сепаратором. |
| 23940YM | 1 Piece Bronze Cage - Finger Type. |
| 23940 KCW33+H3940 | Кольцевая канавка и три отверстия для смазывания в наружном кольце подшипника. Коническое внутреннее отверстие. |
| 23940 KCW33+AH3940 | Кольцевая канавка и три отверстия для смазывания в наружном кольце подшипника. Коническое внутреннее отверстие. |
| 23940-S-K-MB + AH3940 | Запечатанная версия кулачкового ролика. Коническое отверстие. Конусность 1/12. сепаратор из латуни. центрированный по внутреннему кольцу. |
| 23940AX | Поверхность контакта скольжения сталь / сталь. |
Модификации сферического роликового подшипника 23940-S-K-MB + H3940 — это измененное основное конструктивное исполнение 23940, основные размеры (180x280x60) не отличаются.
| Обозначение | Конструктивные особенности | Внутренний (d) | Наружный (D) | Ширина (B) |
|---|---|---|---|---|
| NU2036-E-XL-M1 | Однорядный цилиндрический роликовый подшипник. Повышенная грузоподъемность. Серия X-Life премиум-класс. увеличиный срок службы. Механически обработанный латунный сепаратор. вращающийся элемент качения (крестовина на заклепках). | 180.00 | 280.00 | 60.00 |
| BTW 180 CM/SP | Шариковый упорно-радиальный двухрядный подшипник. Точность размеров примерно соответствует классу точности Р5. биения — классу точности Р4. Шариковый подшипник. Специальный радиальный внутренний зазор для электродвигателей. | 180.00 | 280.00 | 60.00 |
| 562036 | Шариковый упорный двухрядный подшипник. | 180.00 | 280.00 | 60.00 |
Способы доставки
Отправка через ведущие транспортные и курьерские компании: ПЭК, Деловые Линии, СДЭК, Байкал-Сервис, Энергия, КИТ, ЖелДорЭкспедиция.
Самовывоз возможен напрямую со склада в Москве.
Сроки доставки
Срок зависит от региона и выбранной транспортной компании. Все заказы комплектуются и отправляются в кратчайшие сроки со склада в Москве.
Надёжность и сохранность
Вся продукция упаковывается с учётом требований транспортировки. Мы гарантируем, что подшипники и комплектующие прибудут к заказчику в полной сохранности.
Доставка в страны ЕАЭС
Мы работаем с проверенными логистическими партнёрами, что позволяет оперативно доставлять заказы в Беларусь, Казахстан, Армению и другие страны ЕАЭС.
Варианты оплаты:
Минимальная сумма заказа и скидки:
Документы и гарантии:
Да, конечно! Наши технические специалисты готовы помочь вам с подбором точного аналога или замены подшипника. Просто позвоните нам по телефону +7 (495) 104-99-04 или напишите на почту zakaz@podsnab.ru.
Для оперативной консультации подготовьте, пожалуйста, имеющиеся данные: маркировку, размеры, тип оборудования или артикул старого подшипника.
Да, конечно! Мы высоко ценим долгосрочное сотрудничество и доверие клиентов по всей России. Для постоянных клиентов действует персональная система скидок.
Условия формируются индивидуально и зависят от:
Чтобы узнать свои условия и получить максимально выгодное предложение, свяжитесь с персональным менеджером или напишите нам на почту zakaz@podsnab.ru.
Вы можете оформить заказ несколькими способами:
Для оформления заказа от юридического лица свяжитесь с нашим отделом по работе с корпоративными клиентами по телефону +7 (495) 104-99-04 или напишите на email zakaz@podsnab.ru, прикрепив реквизиты вашей организации.
Мы оперативно подготовим коммерческое предложение и выставим счет.
Возврат товара надлежащего качества возможен в течение 10 дней с момента получения, если товар не был в употреблении, сохранен товарный вид, упаковка не вскрывалась и присутствуют все сопроводительные документы.
Возврат денежных средств осуществляется в течение 10 рабочих дней после проверки товара складом.
В соответствии с законодательством возврату не подлежат подшипники надлежащего качества, если отсутствует оригинальная упаковка или имеются следы монтажа.
В случае выявления брака или гарантийного случая мы гарантируем возврат или обмен товара.
Да, гарантийный срок хранения устанавливается заводом-изготовителем и в среднем составляет 2 года при соблюдении условий хранения: сухое помещение, оригинальная упаковка и смазка.
Точный срок для конкретного типа подшипника уточняйте у наших менеджеров.
Пн–Пт: с 8:00 до 17:00 (МСК).
Сб–Вс: выходные дни.
Заказы на сайте принимаются круглосуточно. Заявки, поступившие после окончания рабочего дня, обрабатываются на следующий рабочий день.
Минимальная сумма заказа для доставки составляет 3000 рублей. Самовывоз со склада возможен на любую сумму при наличии товара.
ООО «УралТехГрупп»
ИНН: 7415093830
КПП: 772401001
ОГРН: 1167456069021
Банк: ПАО Сбербанк
Р/с: 40702810838000475273
К/с: 30101810400000000225
БИК: 044525225
У подшипника 23940-S-K-MB + H3940 пока нет отзывов. Вы можете стать первым покупателем, поделившимся своим мнением.