Поиск подшипника
Статьи
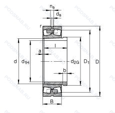
23944-S-K-MB + AH3944 — Роликовый радиальный сферический двухрядный подшипник, модификация основного исполнения 23944, производство FAG.
Размер подшипника: 200x300x60 мм.
Сепаратор из латуни. центрированный по внутреннему кольцу, запечатанная версия кулачкового ролика, коническое отверстие. конусность 1/12.
Международная стандартизации ISO
23944SKMBAH3944
В наличии
| Обозначение | Конструктивные изменения |
|---|---|
| 23944CC/W | Подшипник без смазочных отверстий в наружном кольце. Два стальных сепаратора оконного типа. Бесфланцевое внутреннее кольцо и направляющее кольцо центрировано на внутреннем кольце. |
| 23944-K-MB-C5-W33 | Канавка для смазки и три отверстия во внешнем кольце подшипника. Коническое отверстие. Конусность 1/12. Механически обработанный латунный сепаратор. направляющий по внутреннему кольцу. Внутренний зазор подшипника больше. чем С4. |
| 23944MK E4 | Канавка для смазки и три отверстия во внешнем кольце подшипника. Поверхность контакта скольжения сталь / сталь. |
| 23944YMW509C08 | Повышенная точность вращения до класса допуска ISO 5. Цельный латунный сепаратор пальцевого типа. Combination Of W94 ((Segment Lubr. Enhanc.. Code W26)=Inner Ring Lubrication Holes And Retainer Face Grooves) And W31 (Bearing Inspected To Certain Quality Control Requirements) And W33 (Lubrication Groove And Three Holes In Bearing Outer Ring) And Were Feasible W45A ((Segment Lubr. Enhanc.. Code W61)=Tapped Lifting Holes In Face Of Outer Ring To Facilitate Lifting And Handling). |
| 23944CJW33 | Канавка для смазки и три отверстия во внешнем кольце подшипника. Стальной сепаратор из двух частей оконного типа. |
| 23944CAME4C3 | Внутренний зазор больше нормального. Канавка для смазки и три отверстия во внешнем кольце подшипника. Плавающее направляющее кольцо. Массивный латунный сепаратор. |
| 23944SK.MB.C4 | Внутренний зазор подшипника больше. чем C3. Кулачковый толкатель штифтового типа. С шестигранной головкой. сепаратор из латуни. центрированный по внутреннему кольцу. |
| 23944CA C3 W33 S1 | Внутренний зазор больше нормального. Канавка для смазки и три отверстия во внешнем кольце подшипника. Сепаратор из латуни с механической обработкой. Стабильность размеров при рабочих температурах до +200°C. |
| 23944S.MB.C4 | Канавка для смазки и три отверстия во внешнем кольце подшипника. Внутренний зазор подшипника больше. чем C3. сепаратор из латуни. центрированный по внутреннему кольцу. |
| 23944-2CS-W64 | Антифрикционный заполнитель. твердая смазка. Sheet Steel Reinforced Contact Seal Of Acrylonitrile-Butadiene Rubber (NBR) On Both Sides Of The Bearing. Annular Groove And Three Lubrication Holes In The Outer Ring Covered With A Polymer Band. Lubricated With An Extreme Pressure Bearing Grease According To Temperature Range -20℃/+110℃. Grease Fill 25% To 35%. |
| 23944-2RS-W64 | Sheet Steel Reinforced Contact Seal Of Acrylonitrile-Butadiene Rubber (NBR) On Both Sides Of The Bearing. Annular Groove And Three Lubrication Holes In The Outer Ring Covered With A Polymer Band. Lubricated With An Extreme Pressure Bearing Grease According To Temperature Range -20℃/+110℃. Grease Fill 25% To 35%. Антифрикционный заполнитель. твердая смазка. |
| 23944-2CS | Sheet Steel Reinforced Contact Seal Of Acrylonitrile-Butadiene Rubber (NBR) On Both Sides Of The Bearing. Annular Groove And Three Lubrication Holes In The Outer Ring Covered With A Polymer Band. Lubricated With An Extreme Pressure Bearing Grease According To Temperature Range -20℃/+110℃. Grease Fill 25% To 35%. |
| 23944SK.MB.C2 | Внутренний зазор подшипника меньше нормального. Кулачковый толкатель штифтового типа. С шестигранной головкой. сепаратор из латуни. центрированный по внутреннему кольцу. |
| 23944K | Коническое отверстие. Конусность 1/12. |
| 23944-2RS | Резиновые уплотнения с каждой стороны подшипника. |
| 23944 KW33 | Кольцевая канавка и три отверстия для смазывания в наружном кольце подшипника. Коническое внутреннее отверстие. |
| 23944W33 | Кольцевая канавка и три отверстия для смазывания в наружном кольце подшипника. |
| 23944R | С выпуклыми асимметричными роликами и обработанным сепаратором. |
| 23944-2CS/VT143 | Заполнение пластичной смазкой SKF LGEP 2 на 25–35 %. Sheet Steel Reinforced Contact Seal Of Acrylonitrile-Butadiene Rubber (NBR) On Both Sides Of The Bearing. Annular Groove And Three Lubrication Holes In The Outer Ring Covered With A Polymer Band. Lubricated With An Extreme Pressure Bearing Grease According To Temperature Range -20℃/+110℃. Grease Fill 25% To 35%. |
| 23944YM | 1 Piece Bronze Cage - Finger Type. |
| 23944 KCW33+H3944 | Кольцевая канавка и три отверстия для смазывания в наружном кольце подшипника. Коническое внутреннее отверстие. |
| 23944 KCW33+AH3944 | Кольцевая канавка и три отверстия для смазывания в наружном кольце подшипника. Коническое внутреннее отверстие. |
| 23944-S-K-MB + H3944 | Запечатанная версия кулачкового ролика. Коническое отверстие. Конусность 1/12. сепаратор из латуни. центрированный по внутреннему кольцу. |
| 23944E | Повышенная грузоподъемность. |
| 23944EK | Роликовый радиальный сферический двухрядный подшипник. |
Модификации сферического роликового подшипника 23944-S-K-MB + AH3944 — это измененное основное конструктивное исполнение 23944, основные размеры (200x300x60) не отличаются.
Способы доставки
Отправка через ведущие транспортные и курьерские компании: ПЭК, Деловые Линии, СДЭК, Байкал-Сервис, Энергия, КИТ, ЖелДорЭкспедиция.
Самовывоз возможен напрямую со склада в Москве.
Сроки доставки
Срок зависит от региона и выбранной транспортной компании. Все заказы комплектуются и отправляются в кратчайшие сроки со склада в Москве.
Надёжность и сохранность
Вся продукция упаковывается с учётом требований транспортировки. Мы гарантируем, что подшипники и комплектующие прибудут к заказчику в полной сохранности.
Доставка в страны ЕАЭС
Мы работаем с проверенными логистическими партнёрами, что позволяет оперативно доставлять заказы в Беларусь, Казахстан, Армению и другие страны ЕАЭС.
Варианты оплаты:
Минимальная сумма заказа и скидки:
Документы и гарантии:
Да, конечно! Наши технические специалисты готовы помочь вам с подбором точного аналога или замены подшипника. Просто позвоните нам по телефону +7 (495) 104-99-04 или напишите на почту zakaz@podsnab.ru.
Для оперативной консультации подготовьте, пожалуйста, имеющиеся данные: маркировку, размеры, тип оборудования или артикул старого подшипника.
Да, конечно! Мы высоко ценим долгосрочное сотрудничество и доверие клиентов по всей России. Для постоянных клиентов действует персональная система скидок.
Условия формируются индивидуально и зависят от:
Чтобы узнать свои условия и получить максимально выгодное предложение, свяжитесь с персональным менеджером или напишите нам на почту zakaz@podsnab.ru.
Вы можете оформить заказ несколькими способами:
Для оформления заказа от юридического лица свяжитесь с нашим отделом по работе с корпоративными клиентами по телефону +7 (495) 104-99-04 или напишите на email zakaz@podsnab.ru, прикрепив реквизиты вашей организации.
Мы оперативно подготовим коммерческое предложение и выставим счет.
Возврат товара надлежащего качества возможен в течение 10 дней с момента получения, если товар не был в употреблении, сохранен товарный вид, упаковка не вскрывалась и присутствуют все сопроводительные документы.
Возврат денежных средств осуществляется в течение 10 рабочих дней после проверки товара складом.
В соответствии с законодательством возврату не подлежат подшипники надлежащего качества, если отсутствует оригинальная упаковка или имеются следы монтажа.
В случае выявления брака или гарантийного случая мы гарантируем возврат или обмен товара.
Да, гарантийный срок хранения устанавливается заводом-изготовителем и в среднем составляет 2 года при соблюдении условий хранения: сухое помещение, оригинальная упаковка и смазка.
Точный срок для конкретного типа подшипника уточняйте у наших менеджеров.
Пн–Пт: с 8:00 до 17:00 (МСК).
Сб–Вс: выходные дни.
Заказы на сайте принимаются круглосуточно. Заявки, поступившие после окончания рабочего дня, обрабатываются на следующий рабочий день.
Минимальная сумма заказа для доставки составляет 3000 рублей. Самовывоз со склада возможен на любую сумму при наличии товара.
ООО «УралТехГрупп»
ИНН: 7415093830
КПП: 772401001
ОГРН: 1167456069021
Банк: ПАО Сбербанк
Р/с: 40702810838000475273
К/с: 30101810400000000225
БИК: 044525225
У подшипника 23944-S-K-MB + AH3944 пока нет отзывов. Вы можете стать первым покупателем, поделившимся своим мнением.