Поиск подшипника
Статьи
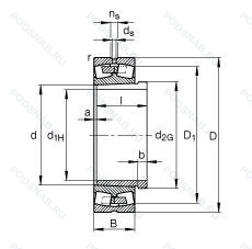
23952-K-MB + AH3952G — Роликовый радиальный сферический двухрядный подшипник, модификация основного исполнения 23952, производство FAG.
Размер подшипника: 240x360x75 мм.
Сепаратор из латуни. центрированный по внутреннему кольцу, коническое отверстие. конусность 1/12.
Международная стандартизации ISO
23952KMBAH3952G
В наличии
| Обозначение | Конструктивные изменения |
|---|---|
| 23952-MB-C3 | Внутренний зазор больше нормального. сепаратор из латуни. центрированный по внутреннему кольцу. |
| 23952EMW33 | Канавка для смазки и три отверстия во внешнем кольце подшипника. Повышенная грузоподъемность. Механически обработанный латунный сепаратор .Расположенный на элементах качения. |
| 23952-MB-R40-90 | сепаратор из латуни. центрированный по внутреннему кольцу. Radial Clearance In µm. |
| 23952-MB-H40AB-T52BW | сепаратор из латуни. центрированный по внутреннему кольцу. Повышенная точность вращения до класса допуска ISO 5. 6 смазочных отверстий на внутреннем кольце. |
| 23952CC | Два стальных сепаратора оконного типа. Бесфланцевое внутреннее кольцо и направляющее кольцо центрировано на внутреннем кольце. |
| 23952B | Цельное ребристое внутреннее кольцо. Асимметричные ролики и фиксатор с центральной направляющей. |
| 23952MB C3 W33 | Внутренний зазор больше нормального. Канавка для смазки и три отверстия во внешнем кольце подшипника. Механически обработанный латунный сепаратор. клёпаный. центрируемый по внутреннему кольцу. |
| 23952MB W33 C3 | Внутренний зазор больше нормального. Канавка для смазки и три отверстия во внешнем кольце подшипника. Механически обработанный латунный сепаратор. клёпаный. центрируемый по внутреннему кольцу. |
| 23952CAM E4 C3 | Внутренний зазор больше нормального. Канавка для смазки и три отверстия во внешнем кольце подшипника. Плавающее направляющее кольцо. Массивный латунный сепаратор. |
| 23952EM D1 | Канавка и три смазочных отверстия на наружном кольце. Стандартный фланцевый ( с резьбой и сквозным отверстием). |
| 23952CA C3 W33 | Внутренний зазор больше нормального. Канавка для смазки и три отверстия во внешнем кольце подшипника. Сепаратор из латуни с механической обработкой. |
| 23952EMW33C3 | Внутренний зазор больше нормального. Канавка для смазки и три отверстия во внешнем кольце подшипника. Повышенная грузоподъемность. Механически обработанный латунный сепаратор .Расположенный на элементах качения. |
| 23952MB.C4 | Внутренний зазор подшипника больше. чем C3. сепаратор из латуни. центрированный по внутреннему кольцу. |
| 23952-MB-C2 | Внутренний зазор подшипника меньше нормального. сепаратор из латуни. центрированный по внутреннему кольцу. |
| 23952-MB-C5 | сепаратор из латуни. центрированный по внутреннему кольцу. Внутренний зазор подшипника больше. чем С4. |
| 23952K | Коническое отверстие. Конусность 1/12. |
| 23952 KW33 | Кольцевая канавка и три отверстия для смазывания в наружном кольце подшипника. Коническое внутреннее отверстие. |
| 23952R | С выпуклыми асимметричными роликами и обработанным сепаратором. |
| 23952YM | 1 Piece Bronze Cage - Finger Type. |
| 23952 KCW33+AH3952 | Кольцевая канавка и три отверстия для смазывания в наружном кольце подшипника. Коническое внутреннее отверстие. |
| 23952 KCW33+H3952 | Кольцевая канавка и три отверстия для смазывания в наружном кольце подшипника. Коническое внутреннее отверстие. |
| 23952-K-MB + H3952 | Коническое отверстие. Конусность 1/12. сепаратор из латуни. центрированный по внутреннему кольцу. |
| 23952EK | Роликовый радиальный сферический двухрядный подшипник. |
| 23952E | Повышенная грузоподъемность. |
| 23952 CCK/W33 + OH 3952 H | Канавка для смазки и три отверстия во внешнем кольце подшипника. Pressed Snap-Type Steel Cage. Hardened. Отверстие для смазки. |
Модификации сферического роликового подшипника 23952-K-MB + AH3952G — это измененное основное конструктивное исполнение 23952, основные размеры (240x360x75) не отличаются.
| Обозначение | Конструктивные особенности | Внутренний (d) | Наружный (D) | Ширина (B) |
|---|---|---|---|---|
| 5-2007148 ЛМШ2 | Роликовый радиальный-упорный однорядный подшипник. Сепаратор из латуни.. Модифицированный контакт.. Нормы шумности. | 240.00 | 360.00 | 76.00 |
| 6-2007148 ЛМШ1 | Роликовый радиальный-упорный однорядный подшипник. Сепаратор из латуни.. Модифицированный контакт.. Нормы шумности. | 240.00 | 360.00 | 76.00 |
| 6-2007148 ЛМШ | Роликовый радиальный-упорный однорядный подшипник. Сепаратор из латуни.. Модифицированный контакт.. Нормы шумности. | 240.00 | 360.00 | 76.00 |
| 2007148KM | Роликовый радиальный-упорный однорядный подшипник. Type Of Model. | 240.00 | 360.00 | 76.00 |
| 2007148-АЛ | Роликовый радиальный-упорный однорядный подшипник. Сепаратор из латуни.. Повышенная грузоподъемность. | 240.00 | 360.00 | 76.00 |
| 2007148-М | Роликовый радиальный-упорный однорядный подшипник. Модифицированный контакт.. | 240.00 | 360.00 | 76.00 |
| 32048XM | Роликовый радиальный-упорный однорядный подшипник. Two Bearings In X-Arrangement. Medium Preload. | 240.00 | 360.00 | 76.00 |
| HR32048XJ | Роликовый радиальный-упорный однорядный подшипник. Для конических роликоподшипников и радиальных шарикоподшипников. | 240.00 | 360.00 | 76.00 |
| 32048XU | Роликовый радиальный-упорный однорядный подшипник. Spherical Seat Ring Type. | 240.00 | 360.00 | 76.00 |
| 32048A | Роликовый радиальный-упорный однорядный подшипник. Двухрядный радиально-упорный шарикоподшипник без отверстия для смазки. | 240.00 | 360.00 | 76.00 |
| X32048X/Y32048X | Роликовый радиальный-упорный однорядный подшипник. Измененные размеры границ. введенные пересмотренными стандартами ISO. | 240.00 | 360.00 | 76.00 |
| 32048 AX | Роликовый радиальный-упорный однорядный подшипник. Поверхность контакта скольжения сталь / сталь. | 240.00 | 360.00 | 76.00 |
| 32048JR | Роликовый радиальный-упорный конический однорядный подшипник. TAPERED ROLLER BEARING CONFORMING TO ISO R355 (SUB-UNIT. METRIC SERIES). EXAMPLE/ 30206JR. | 240.00 | 360.00 | 76.00 |
| GAC 240 CP | Шарнирный подшипник. 10 Piece Packaging. | 240.00 | 360.00 | 76.00 |
| GAC 240 S | Шарнирный подшипник. Запечатанная версия кулачкового ролика. | 240.00 | 360.00 | 76.00 |
Способы доставки
Отправка через ведущие транспортные и курьерские компании: ПЭК, Деловые Линии, СДЭК, Байкал-Сервис, Энергия, КИТ, ЖелДорЭкспедиция.
Самовывоз возможен напрямую со склада в Москве.
Сроки доставки
Срок зависит от региона и выбранной транспортной компании. Все заказы комплектуются и отправляются в кратчайшие сроки со склада в Москве.
Надёжность и сохранность
Вся продукция упаковывается с учётом требований транспортировки. Мы гарантируем, что подшипники и комплектующие прибудут к заказчику в полной сохранности.
Доставка в страны ЕАЭС
Мы работаем с проверенными логистическими партнёрами, что позволяет оперативно доставлять заказы в Беларусь, Казахстан, Армению и другие страны ЕАЭС.
Варианты оплаты:
Минимальная сумма заказа и скидки:
Документы и гарантии:
Да, конечно! Наши технические специалисты готовы помочь вам с подбором точного аналога или замены подшипника. Просто позвоните нам по телефону +7 (495) 104-99-04 или напишите на почту zakaz@podsnab.ru.
Для оперативной консультации подготовьте, пожалуйста, имеющиеся данные: маркировку, размеры, тип оборудования или артикул старого подшипника.
Да, конечно! Мы высоко ценим долгосрочное сотрудничество и доверие клиентов по всей России. Для постоянных клиентов действует персональная система скидок.
Условия формируются индивидуально и зависят от:
Чтобы узнать свои условия и получить максимально выгодное предложение, свяжитесь с персональным менеджером или напишите нам на почту zakaz@podsnab.ru.
Вы можете оформить заказ несколькими способами:
Для оформления заказа от юридического лица свяжитесь с нашим отделом по работе с корпоративными клиентами по телефону +7 (495) 104-99-04 или напишите на email zakaz@podsnab.ru, прикрепив реквизиты вашей организации.
Мы оперативно подготовим коммерческое предложение и выставим счет.
Возврат товара надлежащего качества возможен в течение 10 дней с момента получения, если товар не был в употреблении, сохранен товарный вид, упаковка не вскрывалась и присутствуют все сопроводительные документы.
Возврат денежных средств осуществляется в течение 10 рабочих дней после проверки товара складом.
В соответствии с законодательством возврату не подлежат подшипники надлежащего качества, если отсутствует оригинальная упаковка или имеются следы монтажа.
В случае выявления брака или гарантийного случая мы гарантируем возврат или обмен товара.
Да, гарантийный срок хранения устанавливается заводом-изготовителем и в среднем составляет 2 года при соблюдении условий хранения: сухое помещение, оригинальная упаковка и смазка.
Точный срок для конкретного типа подшипника уточняйте у наших менеджеров.
Пн–Пт: с 8:00 до 17:00 (МСК).
Сб–Вс: выходные дни.
Заказы на сайте принимаются круглосуточно. Заявки, поступившие после окончания рабочего дня, обрабатываются на следующий рабочий день.
Минимальная сумма заказа для доставки составляет 3000 рублей. Самовывоз со склада возможен на любую сумму при наличии товара.
ООО «УралТехГрупп»
ИНН: 7415093830
КПП: 772401001
ОГРН: 1167456069021
Банк: ПАО Сбербанк
Р/с: 40702810838000475273
К/с: 30101810400000000225
БИК: 044525225
У подшипника 23952-K-MB + AH3952G пока нет отзывов. Вы можете стать первым покупателем, поделившимся своим мнением.