Поиск подшипника
Статьи
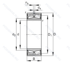
24040-E1-2VSR — Роликовый радиальный сферический двухрядный подшипник, модификация основного исполнения 24040, производство FAG.
Размер подшипника: 200x310x109 мм.
Два контактных уплотнения из витона, конструкция с увеличенной грузоподьемностью.
Международная стандартизации ISO
24040E12VSR
В наличии
| Обозначение | Конструктивные изменения |
|---|---|
| 24040-BE-XL-2VSR-H40-C4 | Внутренний зазор подшипника больше. чем C3. Серия X-Life премиум-класс. увеличиный срок службы. Увеличенная грузоподъемность подшипника. Без смазочных отверстий и смазочной канавки. Усиленные листовой сталью трущиеся уплотнения из фторкаучука (FPM) с обеих сторон подшипника, заполнен высокотемпературной смазкой из полиуретана от 70 до 100%, кольцевая канавка и три смазочных отверстия на наружном кольце. |
| 24040-BE-2VSR-H40-C4 | Внутренний зазор подшипника больше. чем C3. Увеличенная грузоподъемность подшипника. Без смазочных отверстий и смазочной канавки. Усиленные листовой сталью трущиеся уплотнения из фторкаучука (FPM) с обеих сторон подшипника, заполнен высокотемпературной смазкой из полиуретана от 70 до 100%, кольцевая канавка и три смазочных отверстия на наружном кольце. |
| 24040-BE-XL-2VSR-H40 | Серия X-Life премиум-класс. увеличиный срок службы. Увеличенная грузоподъемность подшипника. Без смазочных отверстий и смазочной канавки. Усиленные листовой сталью трущиеся уплотнения из фторкаучука (FPM) с обеих сторон подшипника, заполнен высокотемпературной смазкой из полиуретана от 70 до 100%, кольцевая канавка и три смазочных отверстия на наружном кольце. |
| 24040-BE-2VSR-H40 | Увеличенная грузоподъемность подшипника. Без смазочных отверстий и смазочной канавки. Усиленные листовой сталью трущиеся уплотнения из фторкаучука (FPM) с обеих сторон подшипника, заполнен высокотемпературной смазкой из полиуретана от 70 до 100%, кольцевая канавка и три смазочных отверстия на наружном кольце. |
| 24040-BE-XL-T52BW | Серия X-Life премиум-класс. увеличиный срок службы. Увеличенная грузоподъемность подшипника. Повышенная точность вращения до класса допуска ISO 5. |
| 24040-BE-T52BW | Увеличенная грузоподъемность подшипника. Повышенная точность вращения до класса допуска ISO 5. |
| 24040CAME4 | Канавка для смазки и три отверстия во внешнем кольце подшипника. Плавающее направляющее кольцо. Массивный латунный сепаратор. |
| 24040CAME4C3 | Внутренний зазор больше нормального. Канавка для смазки и три отверстия во внешнем кольце подшипника. Плавающее направляющее кольцо. Массивный латунный сепаратор. |
| 24040C E4 | Штампованный стальной сепаратор из двух частей с направляющим кольцом. Канавка для смазки и три отверстия во внешнем кольце подшипника. |
| 24040CE4C4 | Штампованный стальной сепаратор из двух частей с направляющим кольцом. Канавка для смазки и три отверстия во внешнем кольце подшипника. |
| 24040E1.K30.C3 | Внутренний зазор больше нормального. Коническое отверстие. Конусность 1/30. Конструкция с увеличенной грузоподьемностью. |
| 24040E1.K30 | Коническое отверстие. Конусность 1/30. Конструкция с увеличенной грузоподьемностью. |
| 24040 K30 | Коническое отверстие. Конусность 1/30. |
| 24040W33 | Кольцевая канавка и три отверстия для смазывания в наружном кольце подшипника. |
| 24040 K30W33 | Кольцевая канавка и три отверстия для смазывания в наружном кольце подшипника. Коническое внутреннее отверстие. |
| 24040R | С выпуклыми асимметричными роликами и обработанным сепаратором. |
| 24040RHA | With Convex Symmetric Rollers And One-Piece Machined Cage. |
| 24040-K30-MB-W33+AH24040 | Канавка для смазки и три отверстия во внешнем кольце подшипника. сепаратор из латуни. центрированный по внутреннему кольцу. Коническое отверстие. Конусность 1/30. |
| 24040CJ | Стальной сепаратор из двух частей оконного типа. |
| 24040MB | сепаратор из латуни. центрированный по внутреннему кольцу. |
| 24040 K30 CW33 | Коническое отверстие. Конусность 1/30. |
| 24040 K30CW33+AH24040 | Кольцевая канавка и три отверстия для смазывания в наружном кольце подшипника. Коническое внутреннее отверстие. |
| 24040-E1-K30 + AH24040 | Коническое отверстие. Конусность 1/30. Конструкция с увеличенной грузоподьемностью. |
| 24040-E1-2VSR-H40 | Конструкция с увеличенной грузоподьемностью. Без смазочных отверстий и смазочной канавки. Два контактных уплотнения из витона. |
| 24040E | Повышенная грузоподъемность. |
Модификации сферического роликового подшипника 24040-E1-2VSR — это измененное основное конструктивное исполнение 24040, основные размеры (200x310x109) не отличаются.
| Обозначение | Конструктивные особенности | Внутренний (d) | Наружный (D) | Ширина (B) |
|---|---|---|---|---|
| STF24040CE4C3S11 | Подшипник роликовый сферический. Штампованный стальной сепаратор из двух частей с направляющим кольцом. Внутренний зазор больше нормального. Внутреннее и наружное кольца термостабилизированы до 200°C. W33 (SKF)= смазочная канавка и три отверстия в наружном кольце подшипника. | 200.00 | 310.00 | 109.00 |
| C4040V | Тороидальный роликовый подшипник CARB. Тороидальный подшипник CARB. Подшипник без сепаратора. С полным комплектом тел качения. | 200.00 | 310.00 | 109.00 |
| C4040K30V | Тороидальный роликовый подшипник CARB. Тороидальный подшипник CARB. Коническое отверстие. Конусность 1/30. | 200.00 | 310.00 | 109.00 |
| C4040-2CS5V | Тороидальный роликовый подшипник CARB. Контактное уплотнение из листовой стали, усиленное гидрогенизированным акрилонитрил-бутадиеновым каучуком (HNBR) с обеих сторон. Свободное пространство в подшипнике на 70–100 % заполнено высокотемпературной смазкой.. | 200.00 | 310.00 | 109.00 |
| C 4040-2CS5V/GEM9 | Роликовый радиальный подшипник. Тороидальный подшипник CARB. Заполнен на 70 – 100 % смазкой LGHB 2. | 200.00 | 310.00 | 109.00 |
| NN4040C1NAP4 | Роликовый радиальный двухрядный подшипник. | 200.00 | 310.00 | 109.00 |
| 4003140 | Роликовый радиальный двухрядный подшипник. | 200.00 | 310.00 | 109.00 |
| 4053140 | Роликовый радиальный двухрядный подшипник. | 200.00 | 310.00 | 109.00 |
| 4113140 | Роликовый радиальный двухрядный подшипник. | 200.00 | 310.00 | 109.00 |
| 4153140 | Роликовый радиальный двухрядный подшипник. | 200.00 | 310.00 | 109.00 |
| R4046 | Роликовый радиальный однорядный подшипник. | 200.00 | 310.00 | 109.00 |
| 200RUB40 | Роликовый радиальный сферический однорядный подшипник. | 200.00 | 310.00 | 109.00 |
| 200RUB40APV | Роликовый радиальный сферический однорядный подшипник. | 200.00 | 310.00 | 109.00 |
| 4053140Н | Роликовый радиальный двухрядный подшипник. Детали из теплостойкой стали. | 200.00 | 310.00 | 109.00 |
| 4153140Н | Роликовый радиальный двухрядный подшипник. Детали из теплостойкой стали. | 200.00 | 310.00 | 109.00 |
Способы доставки
Отправка через ведущие транспортные и курьерские компании: ПЭК, Деловые Линии, СДЭК, Байкал-Сервис, Энергия, КИТ, ЖелДорЭкспедиция.
Самовывоз возможен напрямую со склада в Москве.
Сроки доставки
Срок зависит от региона и выбранной транспортной компании. Все заказы комплектуются и отправляются в кратчайшие сроки со склада в Москве.
Надёжность и сохранность
Вся продукция упаковывается с учётом требований транспортировки. Мы гарантируем, что подшипники и комплектующие прибудут к заказчику в полной сохранности.
Доставка в страны ЕАЭС
Мы работаем с проверенными логистическими партнёрами, что позволяет оперативно доставлять заказы в Беларусь, Казахстан, Армению и другие страны ЕАЭС.
Варианты оплаты:
Минимальная сумма заказа и скидки:
Документы и гарантии:
Да, конечно! Наши технические специалисты готовы помочь вам с подбором точного аналога или замены подшипника. Просто позвоните нам по телефону +7 (495) 104-99-04 или напишите на почту zakaz@podsnab.ru.
Для оперативной консультации подготовьте, пожалуйста, имеющиеся данные: маркировку, размеры, тип оборудования или артикул старого подшипника.
Да, конечно! Мы высоко ценим долгосрочное сотрудничество и доверие клиентов по всей России. Для постоянных клиентов действует персональная система скидок.
Условия формируются индивидуально и зависят от:
Чтобы узнать свои условия и получить максимально выгодное предложение, свяжитесь с персональным менеджером или напишите нам на почту zakaz@podsnab.ru.
Вы можете оформить заказ несколькими способами:
Для оформления заказа от юридического лица свяжитесь с нашим отделом по работе с корпоративными клиентами по телефону +7 (495) 104-99-04 или напишите на email zakaz@podsnab.ru, прикрепив реквизиты вашей организации.
Мы оперативно подготовим коммерческое предложение и выставим счет.
Возврат товара надлежащего качества возможен в течение 10 дней с момента получения, если товар не был в употреблении, сохранен товарный вид, упаковка не вскрывалась и присутствуют все сопроводительные документы.
Возврат денежных средств осуществляется в течение 10 рабочих дней после проверки товара складом.
В соответствии с законодательством возврату не подлежат подшипники надлежащего качества, если отсутствует оригинальная упаковка или имеются следы монтажа.
В случае выявления брака или гарантийного случая мы гарантируем возврат или обмен товара.
Да, гарантийный срок хранения устанавливается заводом-изготовителем и в среднем составляет 2 года при соблюдении условий хранения: сухое помещение, оригинальная упаковка и смазка.
Точный срок для конкретного типа подшипника уточняйте у наших менеджеров.
Пн–Пт: с 8:00 до 17:00 (МСК).
Сб–Вс: выходные дни.
Заказы на сайте принимаются круглосуточно. Заявки, поступившие после окончания рабочего дня, обрабатываются на следующий рабочий день.
Минимальная сумма заказа для доставки составляет 3000 рублей. Самовывоз со склада возможен на любую сумму при наличии товара.
ООО «УралТехГрупп»
ИНН: 7415093830
КПП: 772401001
ОГРН: 1167456069021
Банк: ПАО Сбербанк
Р/с: 40702810838000475273
К/с: 30101810400000000225
БИК: 044525225
У подшипника 24040-E1-2VSR пока нет отзывов. Вы можете стать первым покупателем, поделившимся своим мнением.