Поиск подшипника
Статьи
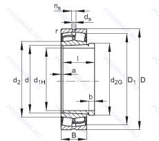
24044-E1-K30 + AH24044 — Роликовый радиальный сферический двухрядный подшипник, модификация основного исполнения 24044, производство FAG.
Размер подшипника: 200x340x118 мм.
Коническое отверстие. конусность 1/30, конструкция с увеличенной грузоподьемностью.
Международная стандартизации ISO
24044E1K30AH24044
В наличии
| Обозначение | Конструктивные изменения |
|---|---|
| 24044CA C3 W33 S1 | Внутренний зазор больше нормального. Канавка для смазки и три отверстия во внешнем кольце подшипника. Сепаратор из латуни с механической обработкой. Стабильность размеров при рабочих температурах до +200°C. |
| 24044CA C3 W33 | Внутренний зазор больше нормального. Канавка для смазки и три отверстия во внешнем кольце подшипника. Сепаратор из латуни с механической обработкой. |
| 24044CA C4 W33 S1 | Канавка для смазки и три отверстия во внешнем кольце подшипника. Сепаратор из латуни с механической обработкой. Внутренний зазор подшипника больше. чем C3. Стабильность размеров при рабочих температурах до +200°C. |
| 24044K30 CA C3 W33 | Внутренний зазор больше нормального. Канавка для смазки и три отверстия во внешнем кольце подшипника. Сепаратор из латуни с механической обработкой. Коническое отверстие. Конусность 1/30. |
| 24044K30 CA C2 W33 S1 | Канавка для смазки и три отверстия во внешнем кольце подшипника. Сепаратор из латуни с механической обработкой. Внутренний зазор подшипника меньше нормального. Стабильность размеров при рабочих температурах до +200°C. Коническое отверстие. Конусность 1/30. |
| 24044K30 CA W33 S1 | Канавка для смазки и три отверстия во внешнем кольце подшипника. Сепаратор из латуни с механической обработкой. Стабильность размеров при рабочих температурах до +200°C. Коническое отверстие. Конусность 1/30. |
| 24044-B-MB-C5 | Модифицированная внутренняя конструкция. сепаратор из латуни. центрированный по внутреннему кольцу. Внутренний зазор подшипника больше. чем С4. |
| 24044MB K30 C3 W33 | Внутренний зазор больше нормального. Канавка для смазки и три отверстия во внешнем кольце подшипника. Двухкомпонентный латунный сепаратор. направляемый по внутреннему кольцу. Коническое отверстие. Конусность 1/30. |
| 24044MB C3 W33 | Внутренний зазор больше нормального. Канавка для смазки и три отверстия во внешнем кольце подшипника. Механически обработанный латунный сепаратор. направляющий по внутреннему кольцу. |
| 24044CE4C4 | Штампованный стальной сепаратор из двух частей с направляющим кольцом. Канавка для смазки и три отверстия во внешнем кольце подшипника. |
| 24044CCK30/W33 | Канавка для смазки и три отверстия во внешнем кольце подшипника. Два стальных сепаратора оконного типа. Бесфланцевое внутреннее кольцо и направляющее кольцо центрировано на внутреннем кольце. Коническое отверстие. Конусность 1/30. |
| 24044CE4 | Штампованный стальной сепаратор из двух частей с направляющим кольцом. Канавка для смазки и три отверстия во внешнем кольце подшипника. |
| 24044EMK30D1C3 | Внутренний зазор больше нормального. Повышенная грузоподъемность. Механически обработанный латунный сепаратор .Расположенный на элементах качения. Коническое отверстие. Конусность 1/30. Канавка для смазки и три отверстия во внешнем кольце подшипника. |
| 24044K30 C3 W33 | Внутренний зазор больше нормального. Канавка для смазки и три отверстия во внешнем кольце подшипника. Коническое отверстие. Конусность 1/30. |
| 24044 K30 | Коническое отверстие. Конусность 1/30. |
| 24044W33 | Кольцевая канавка и три отверстия для смазывания в наружном кольце подшипника. |
| 24044R | С выпуклыми асимметричными роликами и обработанным сепаратором. |
| 24044RHA | With Convex Symmetric Rollers And One-Piece Machined Cage. |
| 24044-K30-MB-W33+AH24044 | Канавка для смазки и три отверстия во внешнем кольце подшипника. сепаратор из латуни. центрированный по внутреннему кольцу. Коническое отверстие. Конусность 1/30. |
| 24044B | Конический роликовый подшипник. Угол контакта 20 градусов. |
| 24044YM | 1 Piece Bronze Cage - Finger Type. |
| 24044 K30CW33+AH24044 | Кольцевая канавка и три отверстия для смазывания в наружном кольце подшипника. Коническое внутреннее отверстие. |
| 24044 K30 CW33 | Коническое отверстие. Конусность 1/30. |
| 24044-B-K30-MB+AH24044 | Конический роликовый подшипник. Угол контакта 20 градусов. сепаратор из латуни. центрированный по внутреннему кольцу. Коническое отверстие. Конусность 1/30. |
| 24044E | Повышенная грузоподъемность. |
Модификации сферического роликового подшипника 24044-E1-K30 + AH24044 — это измененное основное конструктивное исполнение 24044, основные размеры (200x340x118) не отличаются.
| Обозначение | Конструктивные особенности | Внутренний (d) | Наружный (D) | Ширина (B) |
|---|---|---|---|---|
| 28340 | Шариковый упорный подшипник. | 200.00 | 340.00 | 118.00 |
| 53340X | Шариковый упорный однорядный подшипник. Измененные размеры границ. введенные пересмотренными стандартами ISO. | 200.00 | 340.00 | 118.40 |
| 53340 | Шариковый упорный однорядный подшипник. | 200.00 | 335.00 | 118.40 |
| 53340U | Шариковый упорный однорядный подшипник. Универсальный одиночный подшипник. | 200.00 | 340.00 | 118.40 |
Способы доставки
Отправка через ведущие транспортные и курьерские компании: ПЭК, Деловые Линии, СДЭК, Байкал-Сервис, Энергия, КИТ, ЖелДорЭкспедиция.
Самовывоз возможен напрямую со склада в Москве.
Сроки доставки
Срок зависит от региона и выбранной транспортной компании. Все заказы комплектуются и отправляются в кратчайшие сроки со склада в Москве.
Надёжность и сохранность
Вся продукция упаковывается с учётом требований транспортировки. Мы гарантируем, что подшипники и комплектующие прибудут к заказчику в полной сохранности.
Доставка в страны ЕАЭС
Мы работаем с проверенными логистическими партнёрами, что позволяет оперативно доставлять заказы в Беларусь, Казахстан, Армению и другие страны ЕАЭС.
Варианты оплаты:
Минимальная сумма заказа и скидки:
Документы и гарантии:
Да, конечно! Наши технические специалисты готовы помочь вам с подбором точного аналога или замены подшипника. Просто позвоните нам по телефону +7 (495) 104-99-04 или напишите на почту zakaz@podsnab.ru.
Для оперативной консультации подготовьте, пожалуйста, имеющиеся данные: маркировку, размеры, тип оборудования или артикул старого подшипника.
Да, конечно! Мы высоко ценим долгосрочное сотрудничество и доверие клиентов по всей России. Для постоянных клиентов действует персональная система скидок.
Условия формируются индивидуально и зависят от:
Чтобы узнать свои условия и получить максимально выгодное предложение, свяжитесь с персональным менеджером или напишите нам на почту zakaz@podsnab.ru.
Вы можете оформить заказ несколькими способами:
Для оформления заказа от юридического лица свяжитесь с нашим отделом по работе с корпоративными клиентами по телефону +7 (495) 104-99-04 или напишите на email zakaz@podsnab.ru, прикрепив реквизиты вашей организации.
Мы оперативно подготовим коммерческое предложение и выставим счет.
Возврат товара надлежащего качества возможен в течение 10 дней с момента получения, если товар не был в употреблении, сохранен товарный вид, упаковка не вскрывалась и присутствуют все сопроводительные документы.
Возврат денежных средств осуществляется в течение 10 рабочих дней после проверки товара складом.
В соответствии с законодательством возврату не подлежат подшипники надлежащего качества, если отсутствует оригинальная упаковка или имеются следы монтажа.
В случае выявления брака или гарантийного случая мы гарантируем возврат или обмен товара.
Да, гарантийный срок хранения устанавливается заводом-изготовителем и в среднем составляет 2 года при соблюдении условий хранения: сухое помещение, оригинальная упаковка и смазка.
Точный срок для конкретного типа подшипника уточняйте у наших менеджеров.
Пн–Пт: с 8:00 до 17:00 (МСК).
Сб–Вс: выходные дни.
Заказы на сайте принимаются круглосуточно. Заявки, поступившие после окончания рабочего дня, обрабатываются на следующий рабочий день.
Минимальная сумма заказа для доставки составляет 3000 рублей. Самовывоз со склада возможен на любую сумму при наличии товара.
ООО «УралТехГрупп»
ИНН: 7415093830
КПП: 772401001
ОГРН: 1167456069021
Банк: ПАО Сбербанк
Р/с: 40702810838000475273
К/с: 30101810400000000225
БИК: 044525225
У подшипника 24044-E1-K30 + AH24044 пока нет отзывов. Вы можете стать первым покупателем, поделившимся своим мнением.