Поиск подшипника
Статьи
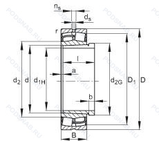
24052-E1-K30 + AH24052 — Роликовый радиальный сферический двухрядный подшипник, модификация основного исполнения 24052, производство FAG.
Размер подшипника: 240x400x140 мм.
Коническое отверстие. конусность 1/30, конструкция с увеличенной грузоподьемностью.
Международная стандартизации ISO
24052E1K30AH24052
В наличии
| Обозначение | Конструктивные изменения |
|---|---|
| 24052CA W33 S1 | Канавка для смазки и три отверстия во внешнем кольце подшипника. Сепаратор из латуни с механической обработкой. Стабильность размеров при рабочих температурах до +200°C. |
| 24052CA C4 W33 S1 | Канавка для смазки и три отверстия во внешнем кольце подшипника. Сепаратор из латуни с механической обработкой. Внутренний зазор подшипника больше. чем C3. Стабильность размеров при рабочих температурах до +200°C. |
| 24052CA W33 | Канавка для смазки и три отверстия во внешнем кольце подшипника. Сепаратор из латуни с механической обработкой. |
| 24052CC C3 W33 S1 | Внутренний зазор больше нормального. Канавка для смазки и три отверстия во внешнем кольце подшипника. Стабильность размеров при рабочих температурах до +200°C. Bearing With Symmetrical Rollers. Flangeless Inner Ring. A Non-Intergral Guide Ring Between The Tow Rows Of Rollers Centred On The Inner Ring And One Pressed Steel Window-Type Cage For Each Roller Row. |
| 24052K30 CA C3 W33 | Внутренний зазор больше нормального. Канавка для смазки и три отверстия во внешнем кольце подшипника. Сепаратор из латуни с механической обработкой. Коническое отверстие. Конусность 1/30. |
| 24052BK30MB.C4 | Внутренний зазор подшипника больше. чем C3. Модифицированная внутренняя конструкция. сепаратор из латуни. центрированный по внутреннему кольцу. Коническое отверстие. Конусность 1/30. |
| 24052 W33 C3 | Внутренний зазор больше нормального. Канавка для смазки и три отверстия во внешнем кольце подшипника. |
| 24052C E4 C3 | Штампованный стальной сепаратор из двух частей с направляющим кольцом. Внутренний зазор больше нормального. W33 (SKF)= смазочная канавка и три отверстия в наружном кольце подшипника. |
| 24052-BE-XL-C2 | Внутренний зазор подшипника меньше нормального. Серия X-Life премиум-класс. увеличиный срок службы. Увеличенная грузоподъемность подшипника. |
| 24052E1K30.C4 | Внутренний зазор подшипника больше. чем C3. |
| 24052K30 C3 W33 | Внутренний зазор больше нормального. Канавка для смазки и три отверстия во внешнем кольце подшипника. Коническое отверстие. Конусность 1/30. |
| 24052K30 W33 | Канавка для смазки и три отверстия во внешнем кольце подшипника. Коническое отверстие. Конусность 1/30. |
| 24052E1K30.C3 | Внутренний зазор больше нормального. Коническое отверстие. Конусность 1/30. Конструкция с увеличенной грузоподьемностью. |
| 24052 K30 | Коническое отверстие. Конусность 1/30. |
| 24052W33 | Кольцевая канавка и три отверстия для смазывания в наружном кольце подшипника. |
| 24052R | С выпуклыми асимметричными роликами и обработанным сепаратором. |
| 24052RHA | With Convex Symmetric Rollers And One-Piece Machined Cage. |
| 24052-K30-MB-W33+AH24052 | Канавка для смазки и три отверстия во внешнем кольце подшипника. сепаратор из латуни. центрированный по внутреннему кольцу. Коническое отверстие. Конусность 1/30. |
| 24052B | Конический роликовый подшипник. Угол контакта 20 градусов. |
| 24052YM | 1 Piece Bronze Cage - Finger Type. |
| 24052 K30CW33+AH24052 | Кольцевая канавка и три отверстия для смазывания в наружном кольце подшипника. Коническое внутреннее отверстие. |
| 24052 K30 CW33 | Коническое отверстие. Конусность 1/30. |
| 24052-E1-K30 | Коническое отверстие. Конусность 1/30. Конструкция с увеличенной грузоподьемностью. |
| 24052-B-K30-MB+AH24052 | Конический роликовый подшипник. Угол контакта 20 градусов. сепаратор из латуни. центрированный по внутреннему кольцу. Коническое отверстие. Конусность 1/30. |
| 24052E | Повышенная грузоподъемность. |
Модификации сферического роликового подшипника 24052-E1-K30 + AH24052 — это измененное основное конструктивное исполнение 24052, основные размеры (240x400x140) не отличаются.
Способы доставки
Отправка через ведущие транспортные и курьерские компании: ПЭК, Деловые Линии, СДЭК, Байкал-Сервис, Энергия, КИТ, ЖелДорЭкспедиция.
Самовывоз возможен напрямую со склада в Москве.
Сроки доставки
Срок зависит от региона и выбранной транспортной компании. Все заказы комплектуются и отправляются в кратчайшие сроки со склада в Москве.
Надёжность и сохранность
Вся продукция упаковывается с учётом требований транспортировки. Мы гарантируем, что подшипники и комплектующие прибудут к заказчику в полной сохранности.
Доставка в страны ЕАЭС
Мы работаем с проверенными логистическими партнёрами, что позволяет оперативно доставлять заказы в Беларусь, Казахстан, Армению и другие страны ЕАЭС.
Варианты оплаты:
Минимальная сумма заказа и скидки:
Документы и гарантии:
Да, конечно! Наши технические специалисты готовы помочь вам с подбором точного аналога или замены подшипника. Просто позвоните нам по телефону +7 (495) 104-99-04 или напишите на почту zakaz@podsnab.ru.
Для оперативной консультации подготовьте, пожалуйста, имеющиеся данные: маркировку, размеры, тип оборудования или артикул старого подшипника.
Да, конечно! Мы высоко ценим долгосрочное сотрудничество и доверие клиентов по всей России. Для постоянных клиентов действует персональная система скидок.
Условия формируются индивидуально и зависят от:
Чтобы узнать свои условия и получить максимально выгодное предложение, свяжитесь с персональным менеджером или напишите нам на почту zakaz@podsnab.ru.
Вы можете оформить заказ несколькими способами:
Для оформления заказа от юридического лица свяжитесь с нашим отделом по работе с корпоративными клиентами по телефону +7 (495) 104-99-04 или напишите на email zakaz@podsnab.ru, прикрепив реквизиты вашей организации.
Мы оперативно подготовим коммерческое предложение и выставим счет.
Возврат товара надлежащего качества возможен в течение 10 дней с момента получения, если товар не был в употреблении, сохранен товарный вид, упаковка не вскрывалась и присутствуют все сопроводительные документы.
Возврат денежных средств осуществляется в течение 10 рабочих дней после проверки товара складом.
В соответствии с законодательством возврату не подлежат подшипники надлежащего качества, если отсутствует оригинальная упаковка или имеются следы монтажа.
В случае выявления брака или гарантийного случая мы гарантируем возврат или обмен товара.
Да, гарантийный срок хранения устанавливается заводом-изготовителем и в среднем составляет 2 года при соблюдении условий хранения: сухое помещение, оригинальная упаковка и смазка.
Точный срок для конкретного типа подшипника уточняйте у наших менеджеров.
Пн–Пт: с 8:00 до 17:00 (МСК).
Сб–Вс: выходные дни.
Заказы на сайте принимаются круглосуточно. Заявки, поступившие после окончания рабочего дня, обрабатываются на следующий рабочий день.
Минимальная сумма заказа для доставки составляет 3000 рублей. Самовывоз со склада возможен на любую сумму при наличии товара.
ООО «УралТехГрупп»
ИНН: 7415093830
КПП: 772401001
ОГРН: 1167456069021
Банк: ПАО Сбербанк
Р/с: 40702810838000475273
К/с: 30101810400000000225
БИК: 044525225
У подшипника 24052-E1-K30 + AH24052 пока нет отзывов. Вы можете стать первым покупателем, поделившимся своим мнением.