Поиск подшипника
Статьи
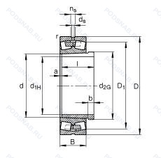
24076-B-K30-MB + AH24076-H — Роликовый радиальный сферический двухрядный подшипник, модификация основного исполнения 24076, производство FAG.
Размер подшипника: 360x560x180 мм.
Коническое отверстие. конусность 1/30, сепаратор из латуни. центрированный по внутреннему кольцу, конический роликовый подшипник. угол контакта 20 градусов, pressed snap-type steel cage. hardened.
Международная стандартизации ISO
24076BK30MBAH24076H
В наличии
| Обозначение | Конструктивные изменения |
|---|---|
| 24076-B-K30-MB-M20-M32AX | Модифицированная внутренняя конструкция. сепаратор из латуни. центрированный по внутреннему кольцу. Коническое отверстие. Конусность 1/30. Продукция с протоколом приемочных испытаний согласно EN10204-3.1B. |
| 24076B.MB.C3 | Внутренний зазор больше нормального. Модифицированная внутренняя конструкция. сепаратор из латуни. центрированный по внутреннему кольцу. |
| 24076B.MB | Модифицированная внутренняя конструкция. сепаратор из латуни. центрированный по внутреннему кольцу. |
| 24076CA C3 W33 | Внутренний зазор больше нормального. Канавка для смазки и три отверстия во внешнем кольце подшипника. Сепаратор из латуни с механической обработкой. |
| 24076ECA C4 W33X S1 V | Внутренний зазор подшипника больше. чем C3. Подшипник без сепаратора. С полным комплектом тел качения. Стабилизирован для рабочих температур до +200°C. As The CA Design (Bearings With Symmetrical Rollers And Retaining RIbs. The Cage Is A One-Piece. Double Pronged Machined Cage Of Brass) But With Reinforced/Optimized Internal Execution. То же. что и W33 (смазочная канавка и три отверстия на наружном кольце подшипника). но с шестью смазочными отверстиями. |
| 24076ECA C3 W33X S1 V | Внутренний зазор больше нормального. Подшипник без сепаратора. С полным комплектом тел качения. Стабилизирован для рабочих температур до +200°C. As The CA Design (Bearings With Symmetrical Rollers And Retaining RIbs. The Cage Is A One-Piece. Double Pronged Machined Cage Of Brass) But With Reinforced/Optimized Internal Execution. То же. что и W33 (смазочная канавка и три отверстия на наружном кольце подшипника). но с шестью смазочными отверстиями. |
| 24076K30 CA C3 W33 | Внутренний зазор больше нормального. Канавка для смазки и три отверстия во внешнем кольце подшипника. Сепаратор из латуни с механической обработкой. Коническое отверстие. Конусность 1/30. |
| 24076ECA W33X S1 VL | Стабилизирован для рабочих температур до +200°C. As The CA Design (Bearings With Symmetrical Rollers And Retaining RIbs. The Cage Is A One-Piece. Double Pronged Machined Cage Of Brass) But With Reinforced/Optimized Internal Execution. Бренд премиум-класса RKB Victory Line. То же. что и W33 (смазочная канавка и три отверстия на наружном кольце подшипника). но с шестью смазочными отверстиями. |
| 24076CC/C3W33 | Внутренний зазор больше нормального. Канавка для смазки и три отверстия во внешнем кольце подшипника. Два стальных сепаратора оконного типа. Бесфланцевое внутреннее кольцо и направляющее кольцо центрировано на внутреннем кольце. |
| 24076-CE-W33 | Канавка для смазки и три отверстия во внешнем кольце подшипника. Имеют симметричные сферические ролики и стандартно оснащены сепаратором из штампованной стали. |
| 24076C3 W33 | Внутренний зазор больше нормального. Канавка для смазки и три отверстия во внешнем кольце подшипника. |
| 24076-E1A-K30-MB1-C3 | Внутренний зазор больше нормального. Модифицированная внутренняя конструкция. Коническое отверстие. Конусность 1/30. Конструкция с увеличенной грузоподьемностью. Латунный сепаратор. массивный. |
| 24076E1A.K30.MB1 | Модифицированная внутренняя конструкция. Коническое отверстие. Конусность 1/30. Конструкция с увеличенной грузоподьемностью. Латунный сепаратор. массивный. |
| 24076 K30 | Коническое отверстие. Конусность 1/30. |
| 24076 K30W33 | Кольцевая канавка и три отверстия для смазывания в наружном кольце подшипника. Коническое внутреннее отверстие. |
| 24076W33 | Кольцевая канавка и три отверстия для смазывания в наружном кольце подшипника. |
| 24076R | С выпуклыми асимметричными роликами и обработанным сепаратором. |
| 24076RHA | With Convex Symmetric Rollers And One-Piece Machined Cage. |
| 24076-K30-MB-W33+AH24076 | Канавка для смазки и три отверстия во внешнем кольце подшипника. сепаратор из латуни. центрированный по внутреннему кольцу. Коническое отверстие. Конусность 1/30. |
| 24076B | Конический роликовый подшипник. Угол контакта 20 градусов. |
| 24076YMB | Бронзовый цельный сепаратор пальцевого типа. |
| 24076 K30 CW33 | Коническое отверстие. Конусность 1/30. |
| 24076 K30CW33+AH24072 | Кольцевая канавка и три отверстия для смазывания в наружном кольце подшипника. Коническое внутреннее отверстие. |
| 24076-B-K30-MB+AH24076 | Конический роликовый подшипник. Угол контакта 20 градусов. сепаратор из латуни. центрированный по внутреннему кольцу. Коническое отверстие. Конусность 1/30. |
| 24076E | Повышенная грузоподъемность. |
Модификации сферического роликового подшипника 24076-B-K30-MB + AH24076-H — это измененное основное конструктивное исполнение 24076, основные размеры (360x560x180) не отличаются.
Способы доставки
Отправка через ведущие транспортные и курьерские компании: ПЭК, Деловые Линии, СДЭК, Байкал-Сервис, Энергия, КИТ, ЖелДорЭкспедиция.
Самовывоз возможен напрямую со склада в Москве.
Сроки доставки
Срок зависит от региона и выбранной транспортной компании. Все заказы комплектуются и отправляются в кратчайшие сроки со склада в Москве.
Надёжность и сохранность
Вся продукция упаковывается с учётом требований транспортировки. Мы гарантируем, что подшипники и комплектующие прибудут к заказчику в полной сохранности.
Доставка в страны ЕАЭС
Мы работаем с проверенными логистическими партнёрами, что позволяет оперативно доставлять заказы в Беларусь, Казахстан, Армению и другие страны ЕАЭС.
Варианты оплаты:
Минимальная сумма заказа и скидки:
Документы и гарантии:
Да, конечно! Наши технические специалисты готовы помочь вам с подбором точного аналога или замены подшипника. Просто позвоните нам по телефону +7 (495) 104-99-04 или напишите на почту zakaz@podsnab.ru.
Для оперативной консультации подготовьте, пожалуйста, имеющиеся данные: маркировку, размеры, тип оборудования или артикул старого подшипника.
Да, конечно! Мы высоко ценим долгосрочное сотрудничество и доверие клиентов по всей России. Для постоянных клиентов действует персональная система скидок.
Условия формируются индивидуально и зависят от:
Чтобы узнать свои условия и получить максимально выгодное предложение, свяжитесь с персональным менеджером или напишите нам на почту zakaz@podsnab.ru.
Вы можете оформить заказ несколькими способами:
Для оформления заказа от юридического лица свяжитесь с нашим отделом по работе с корпоративными клиентами по телефону +7 (495) 104-99-04 или напишите на email zakaz@podsnab.ru, прикрепив реквизиты вашей организации.
Мы оперативно подготовим коммерческое предложение и выставим счет.
Возврат товара надлежащего качества возможен в течение 10 дней с момента получения, если товар не был в употреблении, сохранен товарный вид, упаковка не вскрывалась и присутствуют все сопроводительные документы.
Возврат денежных средств осуществляется в течение 10 рабочих дней после проверки товара складом.
В соответствии с законодательством возврату не подлежат подшипники надлежащего качества, если отсутствует оригинальная упаковка или имеются следы монтажа.
В случае выявления брака или гарантийного случая мы гарантируем возврат или обмен товара.
Да, гарантийный срок хранения устанавливается заводом-изготовителем и в среднем составляет 2 года при соблюдении условий хранения: сухое помещение, оригинальная упаковка и смазка.
Точный срок для конкретного типа подшипника уточняйте у наших менеджеров.
Пн–Пт: с 8:00 до 17:00 (МСК).
Сб–Вс: выходные дни.
Заказы на сайте принимаются круглосуточно. Заявки, поступившие после окончания рабочего дня, обрабатываются на следующий рабочий день.
Минимальная сумма заказа для доставки составляет 3000 рублей. Самовывоз со склада возможен на любую сумму при наличии товара.
ООО «УралТехГрупп»
ИНН: 7415093830
КПП: 772401001
ОГРН: 1167456069021
Банк: ПАО Сбербанк
Р/с: 40702810838000475273
К/с: 30101810400000000225
БИК: 044525225
У подшипника 24076-B-K30-MB + AH24076-H пока нет отзывов. Вы можете стать первым покупателем, поделившимся своим мнением.