Поиск подшипника
Статьи
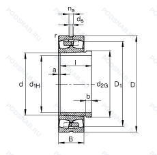
241/500-B-K30-MB + AH241/500-H — Роликовый радиальный сферический двухрядный подшипник, модификация основного исполнения 241/500, производство FAG.
Размер подшипника: 480x830x325 мм.
Коническое отверстие. конусность 1/30, длина в мм, сепаратор из латуни. центрированный по внутреннему кольцу, конический роликовый подшипник. угол контакта 20 градусов, pressed snap-type steel cage. hardened.
Международная стандартизации ISO
241500BK30MBAH241500H
В наличии
| Обозначение | Конструктивные изменения |
|---|---|
| 241/500-B-K30-MB-W209D-C3 | Внутренний зазор больше нормального. Модифицированная внутренняя конструкция. сепаратор из латуни. центрированный по внутреннему кольцу. Коническое отверстие. Конусность 1/30. Закаленное внутреннее и внешнее кольцо. |
| 241/500CA C3 W33 | Внутренний зазор больше нормального. Канавка для смазки и три отверстия во внешнем кольце подшипника. Сепаратор из латуни с механической обработкой. |
| 241/500CA W33X | Сепаратор из латуни с механической обработкой. То же. что и W33 (смазочная канавка и три отверстия на наружном кольце подшипника). но с шестью смазочными отверстиями. |
| 241/500K30 CA C3 W33 | Внутренний зазор больше нормального. Канавка для смазки и три отверстия во внешнем кольце подшипника. Сепаратор из латуни с механической обработкой. Коническое отверстие. Конусность 1/30. |
| 241/500K30CAC3RW33XS1 | Сепаратор из латуни с механической обработкой. Стабилизирован для рабочих температур до +200°C. Коническое отверстие. Конусность 1/30. Нормальный радиальный внутренний зазор между верхней и нижней частью. То же. что и W33 (смазочная канавка и три отверстия на наружном кольце подшипника). но с шестью смазочными отверстиями. |
| 241/500ECA/HA3C4W33 | Канавка для смазки и три отверстия во внешнем кольце подшипника. Внутренний зазор подшипника больше. чем C3. Усиленное дополнение ролика. Цельный обработанный латунный сепаратор. С двойными зубцами. Упорные фланцы на внутреннем кольце. Направляющее кольцо центрировано по внешнему кольцу. Закаленное внутреннее кольцо. |
| 241/500ECA/C4W33 | Канавка для смазки и три отверстия во внешнем кольце подшипника. Внутренний зазор подшипника больше. чем C3. Усиленное дополнение ролика. Цельный обработанный латунный сепаратор. С двойными зубцами. Упорные фланцы на внутреннем кольце. Направляющее кольцо центрировано по внешнему кольцу. |
| 241/500CAME4 | Канавка для смазки и три отверстия во внешнем кольце подшипника. Плавающее направляющее кольцо. Массивный латунный сепаратор. |
| 241/500 K30 | Коническое отверстие. Конусность 1/30. |
| 241/500 EK30W33+AOH241/500 | Длина в мм. |
| 241/500W33 | Кольцевая канавка и три отверстия для смазывания в наружном кольце подшипника. |
| 241/500 K30W33 | Кольцевая канавка и три отверстия для смазывания в наружном кольце подшипника. Коническое внутреннее отверстие. |
| 241/500R | С выпуклыми асимметричными роликами и обработанным сепаратором. |
| 241/500-K30-MB-W33 | Канавка для смазки и три отверстия во внешнем кольце подшипника. сепаратор из латуни. центрированный по внутреннему кольцу. Коническое отверстие. Конусность 1/30. |
| 241/500-K30-MB-W33+AH241/500 | Канавка для смазки и три отверстия во внешнем кольце подшипника. сепаратор из латуни. центрированный по внутреннему кольцу. Коническое отверстие. Конусность 1/30. Длина в мм. |
| 241/500-MB-W33 | Канавка для смазки и три отверстия во внешнем кольце подшипника. сепаратор из латуни. центрированный по внутреннему кольцу. |
| 241/500B | Конический роликовый подшипник. Угол контакта 20 градусов. |
| 241/500 ECA/W33 | Канавка для смазки и три отверстия во внешнем кольце подшипника. Усиленное дополнение ролика. Цельный обработанный латунный сепаратор. С двойными зубцами. Упорные фланцы на внутреннем кольце. Направляющее кольцо центрировано по внешнему кольцу. |
| 241/500YMB | Бронзовый цельный сепаратор пальцевого типа. |
| 241/500 K30 CW33 | Коническое отверстие. Конусность 1/30. |
| 241/500 K30CW33+AH241/500 | Кольцевая канавка и три отверстия для смазывания в наружном кольце подшипника. Коническое внутреннее отверстие. Длина в мм. |
| 241/500-B-MB | Конический роликовый подшипник. Угол контакта 20 градусов. сепаратор из латуни. центрированный по внутреннему кольцу. |
| 241/500-B-K30-MB+AH241/500 | Конический роликовый подшипник. Угол контакта 20 градусов. сепаратор из латуни. центрированный по внутреннему кольцу. Коническое отверстие. Конусность 1/30. Длина в мм. |
| 241/500-E1A-MB1 | Латунный сепаратор. массивный. |
| 241/500E | Повышенная грузоподъемность. |
Модификации сферического роликового подшипника 241/500-B-K30-MB + AH241/500-H — это измененное основное конструктивное исполнение 241/500, основные размеры (480x830x325) не отличаются.
Способы доставки
Отправка через ведущие транспортные и курьерские компании: ПЭК, Деловые Линии, СДЭК, Байкал-Сервис, Энергия, КИТ, ЖелДорЭкспедиция.
Самовывоз возможен напрямую со склада в Москве.
Сроки доставки
Срок зависит от региона и выбранной транспортной компании. Все заказы комплектуются и отправляются в кратчайшие сроки со склада в Москве.
Надёжность и сохранность
Вся продукция упаковывается с учётом требований транспортировки. Мы гарантируем, что подшипники и комплектующие прибудут к заказчику в полной сохранности.
Доставка в страны ЕАЭС
Мы работаем с проверенными логистическими партнёрами, что позволяет оперативно доставлять заказы в Беларусь, Казахстан, Армению и другие страны ЕАЭС.
Варианты оплаты:
Минимальная сумма заказа и скидки:
Документы и гарантии:
Да, конечно! Наши технические специалисты готовы помочь вам с подбором точного аналога или замены подшипника. Просто позвоните нам по телефону +7 (495) 104-99-04 или напишите на почту zakaz@podsnab.ru.
Для оперативной консультации подготовьте, пожалуйста, имеющиеся данные: маркировку, размеры, тип оборудования или артикул старого подшипника.
Да, конечно! Мы высоко ценим долгосрочное сотрудничество и доверие клиентов по всей России. Для постоянных клиентов действует персональная система скидок.
Условия формируются индивидуально и зависят от:
Чтобы узнать свои условия и получить максимально выгодное предложение, свяжитесь с персональным менеджером или напишите нам на почту zakaz@podsnab.ru.
Вы можете оформить заказ несколькими способами:
Для оформления заказа от юридического лица свяжитесь с нашим отделом по работе с корпоративными клиентами по телефону +7 (495) 104-99-04 или напишите на email zakaz@podsnab.ru, прикрепив реквизиты вашей организации.
Мы оперативно подготовим коммерческое предложение и выставим счет.
Возврат товара надлежащего качества возможен в течение 10 дней с момента получения, если товар не был в употреблении, сохранен товарный вид, упаковка не вскрывалась и присутствуют все сопроводительные документы.
Возврат денежных средств осуществляется в течение 10 рабочих дней после проверки товара складом.
В соответствии с законодательством возврату не подлежат подшипники надлежащего качества, если отсутствует оригинальная упаковка или имеются следы монтажа.
В случае выявления брака или гарантийного случая мы гарантируем возврат или обмен товара.
Да, гарантийный срок хранения устанавливается заводом-изготовителем и в среднем составляет 2 года при соблюдении условий хранения: сухое помещение, оригинальная упаковка и смазка.
Точный срок для конкретного типа подшипника уточняйте у наших менеджеров.
Пн–Пт: с 8:00 до 17:00 (МСК).
Сб–Вс: выходные дни.
Заказы на сайте принимаются круглосуточно. Заявки, поступившие после окончания рабочего дня, обрабатываются на следующий рабочий день.
Минимальная сумма заказа для доставки составляет 3000 рублей. Самовывоз со склада возможен на любую сумму при наличии товара.
ООО «УралТехГрупп»
ИНН: 7415093830
КПП: 772401001
ОГРН: 1167456069021
Банк: ПАО Сбербанк
Р/с: 40702810838000475273
К/с: 30101810400000000225
БИК: 044525225
У подшипника 241/500-B-K30-MB + AH241/500-H пока нет отзывов. Вы можете стать первым покупателем, поделившимся своим мнением.