Поиск подшипника
Статьи
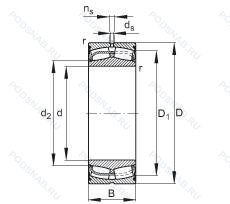
24144-E1-2VSR — Роликовый радиальный сферический двухрядный подшипник, модификация основного исполнения 24144, производство FAG.
Размер подшипника: 220x370x150 мм.
Два контактных уплотнения из витона, конструкция с увеличенной грузоподьемностью.
Международная стандартизации ISO
24144E12VSR
В наличии
| Обозначение | Конструктивные изменения |
|---|---|
| 24144CA C5 W33 S1 | Канавка для смазки и три отверстия во внешнем кольце подшипника. Сепаратор из латуни с механической обработкой. Стабильность размеров при рабочих температурах до +200°C. Внутренний зазор подшипника больше. чем С4. |
| 24144CA C4 W33 S1 | Канавка для смазки и три отверстия во внешнем кольце подшипника. Сепаратор из латуни с механической обработкой. Внутренний зазор подшипника больше. чем C3. Стабильность размеров при рабочих температурах до +200°C. |
| 24144CA W33 S1 | Канавка для смазки и три отверстия во внешнем кольце подшипника. Сепаратор из латуни с механической обработкой. Стабильность размеров при рабочих температурах до +200°C. |
| 24144K30 CA C3 W33 | Внутренний зазор больше нормального. Канавка для смазки и три отверстия во внешнем кольце подшипника. Сепаратор из латуни с механической обработкой. Коническое отверстие. Конусность 1/30. |
| 24144CAME4 | Канавка для смазки и три отверстия во внешнем кольце подшипника. Плавающее направляющее кольцо. Массивный латунный сепаратор. |
| 24144CAMK30 E4 C3 | Внутренний зазор больше нормального. Канавка для смазки и три отверстия во внешнем кольце подшипника. Плавающее направляющее кольцо. Массивный латунный сепаратор. Коническое отверстие. Конусность 1/30. |
| 24144MB K30 C3 W33 | Внутренний зазор больше нормального. Канавка для смазки и три отверстия во внешнем кольце подшипника. Двухкомпонентный латунный сепаратор. направляемый по внутреннему кольцу. Коническое отверстие. Конусность 1/30. |
| 24144CAME4C3 | Внутренний зазор больше нормального. Канавка для смазки и три отверстия во внешнем кольце подшипника. Плавающее направляющее кольцо. Массивный латунный сепаратор. |
| 24144K30 C3 W33 | Внутренний зазор больше нормального. Канавка для смазки и три отверстия во внешнем кольце подшипника. Коническое отверстие. Конусность 1/30. |
| 24144-E1-H123F | Конструкция с увеличенной грузоподьемностью. Радиальные и осевые сферические роликоподшипники с отклоняющимся диаметром отверстия. |
| 24144-E1-H151B | Конструкция с увеличенной грузоподьемностью. Один удерживающий паз под углом 15° на наружном кольце. |
| 24144 K30 | Коническое отверстие. Конусность 1/30. |
| 24144W33 | Кольцевая канавка и три отверстия для смазывания в наружном кольце подшипника. |
| 24144 K30W33 | Кольцевая канавка и три отверстия для смазывания в наружном кольце подшипника. Коническое внутреннее отверстие. |
| 24144R | С выпуклыми асимметричными роликами и обработанным сепаратором. |
| 24144RHA | With Convex Symmetric Rollers And One-Piece Machined Cage. |
| 24144-K30-MB-W33+AH24144 | Канавка для смазки и три отверстия во внешнем кольце подшипника. сепаратор из латуни. центрированный по внутреннему кольцу. Коническое отверстие. Конусность 1/30. |
| 24144YMB | Бронзовый цельный сепаратор пальцевого типа. |
| 24144MB | сепаратор из латуни. центрированный по внутреннему кольцу. |
| 24144 K30 CW33 | Коническое отверстие. Конусность 1/30. |
| 24144 K30CW33+AH24144 | Кольцевая канавка и три отверстия для смазывания в наружном кольце подшипника. Коническое внутреннее отверстие. |
| 24144-B-K30+AH24144 | Конический роликовый подшипник. Угол контакта 20 градусов. Коническое отверстие. Конусность 1/30. |
| 24144-E1-2VSR-H40 | Конструкция с увеличенной грузоподьемностью. Без смазочных отверстий и смазочной канавки. Два контактных уплотнения из витона. |
| 24144-E1-K30 + AH24144 | Коническое отверстие. Конусность 1/30. Конструкция с увеличенной грузоподьемностью. |
| 24144E | Повышенная грузоподъемность. |
Модификации сферического роликового подшипника 24144-E1-2VSR — это измененное основное конструктивное исполнение 24144, основные размеры (220x370x150) не отличаются.
| Обозначение | Конструктивные особенности | Внутренний (d) | Наружный (D) | Ширина (B) |
|---|---|---|---|---|
| NNU4144C3 | Подшипник роликовый цилиндрический двухрядный. Внутренний зазор больше нормального. | 220.00 | 370.00 | 150.00 |
| NNU4144-S-M-C3 | Подшипник роликовый цилиндрический двухрядный. Канавка для смазки и три отверстия во внешнем кольце подшипника. Внутренний зазор больше нормального. Латунный сепаратор. Центрированный по роликам. | 220.00 | 370.00 | 150.00 |
| 4003744 | Роликовый радиальный двухрядный подшипник. | 220.00 | 370.00 | 150.00 |
| 4053744 | Роликовый радиальный двухрядный подшипник. | 220.00 | 370.00 | 150.00 |
| 4113744 | Роликовый радиальный двухрядный подшипник. | 220.00 | 370.00 | 150.00 |
| 4153744 | Роликовый радиальный двухрядный подшипник. | 220.00 | 370.00 | 150.00 |
| NNU4144-M | Роликовый радиальный двухрядный подшипник. Подшипник с латунным сепаратором. центрированный по телам качения. | 220.00 | 370.00 | 150.00 |
| NNU 4144 K30M/W33 | Роликовый радиальный двухрядный подшипник. Канавка для смазки и три отверстия во внешнем кольце подшипника. Двухрядный цилиндрический роликовый подшипник. | 220.00 | 370.00 | 150.00 |
| NNU 4144 M/W33 | Роликовый радиальный цилиндрический двухрядный подшипник. Канавка для смазки и три отверстия во внешнем кольце подшипника. Подшипник с латунным сепаратором. центрированный по телам качения. Двухрядный цилиндрический роликовый подшипник. | 220.00 | 370.00 | 150.00 |
| 220KBE031+L | Роликовый радиальный-упорный двухрядный подшипник. Одно механическое уплотнение. | 220.00 | 370.00 | 150.00 |
| CRI-4416 | Роликовый радиальный-упорный двухрядный подшипник. | 220.00 | 370.00 | 150.00 |
| 423144 | Роликовый радиальный-упорный двухрядный подшипник. | 220.00 | 370.00 | 150.00 |
| 46344A | Роликовый радиальный-упорный двухрядный подшипник. Двухрядный радиально-упорный шарикоподшипник без отверстия для смазки. | 220.00 | 370.00 | 150.00 |
| 4053744Н | Роликовый радиальный двухрядный подшипник. Детали из теплостойкой стали. | 220.00 | 370.00 | 150.00 |
| 4153744Н | Роликовый радиальный двухрядный подшипник. Детали из теплостойкой стали. | 220.00 | 370.00 | 150.00 |
Способы доставки
Отправка через ведущие транспортные и курьерские компании: ПЭК, Деловые Линии, СДЭК, Байкал-Сервис, Энергия, КИТ, ЖелДорЭкспедиция.
Самовывоз возможен напрямую со склада в Москве.
Сроки доставки
Срок зависит от региона и выбранной транспортной компании. Все заказы комплектуются и отправляются в кратчайшие сроки со склада в Москве.
Надёжность и сохранность
Вся продукция упаковывается с учётом требований транспортировки. Мы гарантируем, что подшипники и комплектующие прибудут к заказчику в полной сохранности.
Доставка в страны ЕАЭС
Мы работаем с проверенными логистическими партнёрами, что позволяет оперативно доставлять заказы в Беларусь, Казахстан, Армению и другие страны ЕАЭС.
Варианты оплаты:
Минимальная сумма заказа и скидки:
Документы и гарантии:
Да, конечно! Наши технические специалисты готовы помочь вам с подбором точного аналога или замены подшипника. Просто позвоните нам по телефону +7 (495) 104-99-04 или напишите на почту zakaz@podsnab.ru.
Для оперативной консультации подготовьте, пожалуйста, имеющиеся данные: маркировку, размеры, тип оборудования или артикул старого подшипника.
Да, конечно! Мы высоко ценим долгосрочное сотрудничество и доверие клиентов по всей России. Для постоянных клиентов действует персональная система скидок.
Условия формируются индивидуально и зависят от:
Чтобы узнать свои условия и получить максимально выгодное предложение, свяжитесь с персональным менеджером или напишите нам на почту zakaz@podsnab.ru.
Вы можете оформить заказ несколькими способами:
Для оформления заказа от юридического лица свяжитесь с нашим отделом по работе с корпоративными клиентами по телефону +7 (495) 104-99-04 или напишите на email zakaz@podsnab.ru, прикрепив реквизиты вашей организации.
Мы оперативно подготовим коммерческое предложение и выставим счет.
Возврат товара надлежащего качества возможен в течение 10 дней с момента получения, если товар не был в употреблении, сохранен товарный вид, упаковка не вскрывалась и присутствуют все сопроводительные документы.
Возврат денежных средств осуществляется в течение 10 рабочих дней после проверки товара складом.
В соответствии с законодательством возврату не подлежат подшипники надлежащего качества, если отсутствует оригинальная упаковка или имеются следы монтажа.
В случае выявления брака или гарантийного случая мы гарантируем возврат или обмен товара.
Да, гарантийный срок хранения устанавливается заводом-изготовителем и в среднем составляет 2 года при соблюдении условий хранения: сухое помещение, оригинальная упаковка и смазка.
Точный срок для конкретного типа подшипника уточняйте у наших менеджеров.
Пн–Пт: с 8:00 до 17:00 (МСК).
Сб–Вс: выходные дни.
Заказы на сайте принимаются круглосуточно. Заявки, поступившие после окончания рабочего дня, обрабатываются на следующий рабочий день.
Минимальная сумма заказа для доставки составляет 3000 рублей. Самовывоз со склада возможен на любую сумму при наличии товара.
ООО «УралТехГрупп»
ИНН: 7415093830
КПП: 772401001
ОГРН: 1167456069021
Банк: ПАО Сбербанк
Р/с: 40702810838000475273
К/с: 30101810400000000225
БИК: 044525225
У подшипника 24144-E1-2VSR пока нет отзывов. Вы можете стать первым покупателем, поделившимся своим мнением.