Поиск подшипника
Статьи
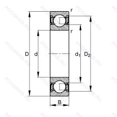
S6303-2RSR — Подшипник шариковый из нержавеющей стали, модификация основного исполнения S6303, производство FAG.
Размер подшипника: 17x47x14 мм.
Резиновые уплотнения с каждой стороны подшипника.
Альтернативное обозначение: W6303-2RS1.
Аналоги: S6303.2RSR.W203B FAG,6303Z15.2RSR FAG,S6303-2RSR-HLC FAG,6303-2RS1/SS AKN,SS6303 2RS MTK,SS6303 2RS Trans Link,SS6303 2RS Rollway,SS6303 2RS EZO,S6303 2RS GL ZEN,S6303 2RS Neutral.
Международная стандартизации ISO
S63032RSR
В наличии
| Обозначение | Конструктивные изменения |
|---|---|
| S6303 2RS | Резиновые уплотнения с каждой стороны подшипника. |
| S6303.W203B | Подшипники из нержавеющей стали 1.3541M (X65Cr13). |
| S6303.2RSR.W203B | Резиновые уплотнения с каждой стороны подшипника. Подшипники из нержавеющей стали 1.3541M (X65Cr13). |
| S6303 | Подшипник шариковый из нержавеющей стали. Основное конструктивное исполнение. |
| S6303 2RS W203 | Резиновые уплотнения с каждой стороны подшипника. Подшипники из нержавеющей стали 1.3541M (X65Cr13). |
| S6303-HLC | Код местонахождения завода. может использоваться в стандартной комплектации. |
| S6303.2RSR.HLC | Резиновые уплотнения с каждой стороны подшипника. Код местонахождения завода. может использоваться в стандартной комплектации. |
| S6303 2RS GL | Резиновые уплотнения с каждой стороны подшипника. Консистентная смазка. |
| S6303-2RSR-FD | Резиновые уплотнения с каждой стороны подшипника. Подшипник разработан для пищевой промышленности. Значительно более высокая коррозионная стойкость и стойкость к воздействию среды. |
| S6303-2Z | Защитные металлические шайбы с обеих сторон подшипника. |
Модификации нержавеющего шарикового подшипника S6303-2RSR — это измененное основное конструктивное исполнение S6303, основные размеры (17x47x14) не отличаются.
| Обозначение | Гост | Конструктивные особенности |
|---|---|---|
| W6303-2RS1/W64 | ISO | Усиленные листовой сталью контактные уплотнения из акрилонитрил-бутадиенового каучука (NBR) с обеих сторон подшипника. Антифрикционный заполнитель. твердая смазка. |
| SS6303 2RS | ISO | Резиновые уплотнения с каждой стороны подшипника. |
| 6303H 2RS | ISO | Резиновые уплотнения с каждой стороны подшипника. Pressed Snap-Type Steel Cage. Hardened. |
| SS6303ZZ | ISO | Защитные металлические шайбы с обеих сторон. |
| 6303Z15.2RSR | ISO | Резиновые уплотнения с каждой стороны подшипника. Replaced By Prefix S And. |
| W6303-2Z | ISO | Защитные металлические шайбы с обеих сторон подшипника. Нержавеющая сталь. |
| W6303-2RS1 | ISO | Усиленные листовой сталью контактные уплотнения из акрилонитрил-бутадиенового каучука (NBR) с обеих сторон подшипника. Нержавеющая сталь. |
| 6303H ZZ | ISO | Защитные металлические шайбы с обеих сторон. Нержавеющая сталь. |
| W6303-2RS1/VT378 | ISO | Усиленные листовой сталью контактные уплотнения из акрилонитрил-бутадиенового каучука (NBR) с обеих сторон подшипника. Food Grade Grease With Aluminium Thickener Of Consistency 2 To The NLGI Scale For A Temperature Range -25°C/+120°C (Normal Fill Grade). |
| 6303-2RS1/SS | ISO | Резиновые уплотнения с каждой стороны подшипника. Нержавеющая сталь. |
| W6303 | ISO | Нержавеющая сталь. |
Аналог нержавеющего шарикового подшипника S6303-2RSR — это подшипник такого же размера dx17,Dx47,Bx14, типа и конструкции.
| Обозначение | Конструктивные особенности | Внутренний (d) | Наружный (D) | Ширина (B) |
|---|---|---|---|---|
| 35-303 Е | Шариковый радиальный однорядный подшипник. Сепаратор из текстолита.. | 17.00 | 47.00 | 14.00 |
| 36-703 Б | Шариковый радиальный однорядный подшипник. Сепаратор из безоловянистой бронзы.. | 17.00 | 47.00 | 14.00 |
| 1303 EM | Шариковый сферический двухрядный подшипник. Стандартный фланцевый ( с резьбой и сквозным отверстием). | 17.00 | 47.00 | 14.00 |
| 1204-K-TVH-C3 + H204 | Шариковый сферический двухрядный подшипник. Внутренний зазор больше нормального. Коническое отверстие. Конусность 1/12. Твердая клетка из полиамида. | 17.00 | 47.00 | 14.00 |
| 1303-TVH | Шариковый сферический двухрядный подшипник. Твердая клетка из полиамида. | 17.00 | 47.00 | 14.00 |
| SAC1747B | Шариковый упорный однорядный подшипник. Конический роликовый подшипник. Угол контакта 20 градусов. | 17.00 | 47.00 | 15.00 |
| 46303-А | Шариковый радиально-упорный однорядный подшипник. Повышенная грузоподъемность. | 17.00 | 47.00 | 14.00 |
| 46303-Е | Шариковый радиально-упорный однорядный подшипник. Сепаратор из текстолита.. | 17.00 | 47.00 | 14.00 |
| 46303К | Шариковый радиально-упорный однорядный подшипник. «Замок» (скос) на внутреннем кольце плюс массивный сепаратор из текстолита. | 17.00 | 47.00 | 14.00 |
| 5-303 Е | Шариковый радиальный однорядный подшипник. Сепаратор из текстолита.. | 17.00 | 47.00 | 14.00 |
| 5-303 ЕШ2 | Шариковый радиальный однорядный подшипник. Сепаратор из текстолита.. Нормы шумности. | 17.00 | 47.00 | 14.00 |
| 5-303 Ш2У | Шариковый радиальный однорядный подшипник. Дополнительные технические требования. Нормы шумности. | 17.00 | 47.00 | 14.00 |
| 5-36303 Л | Шариковый радиально-упорный однорядный подшипник. Сепаратор из латуни.. | 17.00 | 47.00 | 14.00 |
| 50303-А | Шариковый радиальный однорядный подшипник. Повышенная грузоподъемность. | 17.00 | 47.00 | 14.00 |
| 50303-К | Шариковый радиальный однорядный подшипник. «Замок» (скос) на внутреннем кольце плюс массивный сепаратор из текстолита. | 17.00 | 47.00 | 14.00 |
Способы доставки
Отправка через ведущие транспортные и курьерские компании: ПЭК, Деловые Линии, СДЭК, Байкал-Сервис, Энергия, КИТ, ЖелДорЭкспедиция.
Самовывоз возможен напрямую со склада в Москве.
Сроки доставки
Срок зависит от региона и выбранной транспортной компании. Все заказы комплектуются и отправляются в кратчайшие сроки со склада в Москве.
Надёжность и сохранность
Вся продукция упаковывается с учётом требований транспортировки. Мы гарантируем, что подшипники и комплектующие прибудут к заказчику в полной сохранности.
Доставка в страны ЕАЭС
Мы работаем с проверенными логистическими партнёрами, что позволяет оперативно доставлять заказы в Беларусь, Казахстан, Армению и другие страны ЕАЭС.
Варианты оплаты:
Минимальная сумма заказа и скидки:
Документы и гарантии:
Да, конечно! Наши технические специалисты готовы помочь вам с подбором точного аналога или замены подшипника. Просто позвоните нам по телефону +7 (495) 104-99-04 или напишите на почту zakaz@podsnab.ru.
Для оперативной консультации подготовьте, пожалуйста, имеющиеся данные: маркировку, размеры, тип оборудования или артикул старого подшипника.
Да, конечно! Мы высоко ценим долгосрочное сотрудничество и доверие клиентов по всей России. Для постоянных клиентов действует персональная система скидок.
Условия формируются индивидуально и зависят от:
Чтобы узнать свои условия и получить максимально выгодное предложение, свяжитесь с персональным менеджером или напишите нам на почту zakaz@podsnab.ru.
Вы можете оформить заказ несколькими способами:
Для оформления заказа от юридического лица свяжитесь с нашим отделом по работе с корпоративными клиентами по телефону +7 (495) 104-99-04 или напишите на email zakaz@podsnab.ru, прикрепив реквизиты вашей организации.
Мы оперативно подготовим коммерческое предложение и выставим счет.
Возврат товара надлежащего качества возможен в течение 10 дней с момента получения, если товар не был в употреблении, сохранен товарный вид, упаковка не вскрывалась и присутствуют все сопроводительные документы.
Возврат денежных средств осуществляется в течение 10 рабочих дней после проверки товара складом.
В соответствии с законодательством возврату не подлежат подшипники надлежащего качества, если отсутствует оригинальная упаковка или имеются следы монтажа.
В случае выявления брака или гарантийного случая мы гарантируем возврат или обмен товара.
Да, гарантийный срок хранения устанавливается заводом-изготовителем и в среднем составляет 2 года при соблюдении условий хранения: сухое помещение, оригинальная упаковка и смазка.
Точный срок для конкретного типа подшипника уточняйте у наших менеджеров.
Пн–Пт: с 8:00 до 17:00 (МСК).
Сб–Вс: выходные дни.
Заказы на сайте принимаются круглосуточно. Заявки, поступившие после окончания рабочего дня, обрабатываются на следующий рабочий день.
Минимальная сумма заказа для доставки составляет 3000 рублей. Самовывоз со склада возможен на любую сумму при наличии товара.
ООО «УралТехГрупп»
ИНН: 7415093830
КПП: 772401001
ОГРН: 1167456069021
Банк: ПАО Сбербанк
Р/с: 40702810838000475273
К/с: 30101810400000000225
БИК: 044525225
У подшипника S6303-2RSR пока нет отзывов. Вы можете стать первым покупателем, поделившимся своим мнением.