Поиск подшипника
Статьи
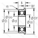
F608H 2RS — Подшипник шариковый из нержавеющей стали, модификация основного исполнения F608, выпускается производителями: AST, INA, Подшипники EZO.
Размер подшипника: 8x22x7 мм.
Резиновые уплотнения с каждой стороны подшипника, pressed snap-type steel cage. hardened.
Альтернативное обозначение: WF608-2RS1.
Аналоги: SF608 2RS ZEN.
Международная стандартизации ISO
F608H2RS
В наличии
| Обозначение | Конструктивные изменения |
|---|---|
| F608-2Z-VA | Защитные металлические шайбы с обеих сторон подшипника. Нержавеющая сталь. |
| F608 2RS | Контактные уплотнения типа RS с обеих сторон игольчатого роликоподшипника. |
| F608 | Механически обработанный сепаратор из стали или специального чугуна. Основное конструктивное исполнение. |
| F608ZZ | Защитные металлические шайбы (бесконтактные уплотнения) с обеих сторон подшипника. Подшипник с фланцевым наружным кольцом. |
| F608POM | Полимер. |
| F608H ZZ | Защитные металлические шайбы с обеих сторон. Нержавеющая сталь. |
| F608ZZ MC3E | Защитные металлические шайбы с двух сторон подшипника. (Миниатюрные радиальные шарикоподшипники серии Metric. M = без латунного сепаратора) = Нормальный радиальный внутренний зазор. |
| F608-H-ZZMC3 | Защитные металлические шайбы с обеих сторон. Нержавеющая сталь. (Миниатюрные радиальные шарикоподшипники серии Metric. M = без латунного сепаратора) = Нормальный радиальный внутренний зазор. |
| F608.2ZR | Защитные металлические шайбы с обеих сторон. |
| F608-2Z | Защитные металлические шайбы с обеих сторон. |
| F608H | Нержавеющая сталь. |
| F608H20 VV MC3 | Защитные металлические шайбы. с обеих сторон подшипника. Бесконтактное уплотнение. (лучше. чем ZZ. Можно использовать в умеренно запыленной среде). (Миниатюрные радиальные шарикоподшипники серии Metric. M = без латунного сепаратора) = Нормальный радиальный внутренний зазор. Коррозионностойкая нержавеющая сталь. Серия Long Life. |
| F608VV | Подшипник с фланцевым наружным кольцом. Защитные металлические шайбы. с обеих сторон подшипника. Бесконтактное уплотнение. (лучше. чем ZZ. Можно использовать в умеренно запыленной среде). |
| F608DD | Подшипник с фланцевым наружным кольцом. Два уплотнения из PTFE. |
Модификации нержавеющего шарикового подшипника F608H 2RS — это измененное основное конструктивное исполнение F608, основные размеры (8x22x7) не отличаются.
| Обозначение | Гост | Конструктивные особенности |
|---|---|---|
| SF608 2RS | ISO | Резиновые уплотнения с каждой стороны подшипника. |
| 608H 2Z | ISO | Зазорные уплотнения с обеих сторон подшипника.. Нержавеющая сталь. |
| SS608ZZ C3 | ISO | Внутренний зазор больше нормального. Защитные стальные шайбы с обеих сторон. |
| 627-H-2Z | ISO | Зазорные уплотнения с обеих сторон подшипника.. Нержавеющая сталь. |
| SS608 2RS P6 | ISO | Резиновые уплотнения с каждой стороны подшипника. Размерные и геометрические допуски соответствуют классу точности P6. |
| S627-2Z | ISO | Защитные металлические шайбы с обеих сторон. |
| 608-2RS1/SS | ISO | Резиновые уплотнения с каждой стороны подшипника. Нержавеющая сталь. |
| S608-HLC | ISO | Код местонахождения завода. может использоваться в стандартной комплектации. |
| S608ZZCBNCLDA7 | ISO | Защитные металлические шайбы с обеих сторон. Модификация внутренней конструкции. Канавка под стопорное кольцо на внешнем кольце. |
| S608ZZ C3 HT200 | ISO | Внутренний зазор больше нормального. Защитные металлические шайбы с обеих сторон. High Temperature 200°C (400°F) Peak. Medium Speed/ Up To 150 000 N.Dm -> Lipafdichting!!. |
| SF607-2Z GPR J | ISO | Сепаратор изготовлен из нержавеющей листовой стали. Защитные металлические шайбы с обеих сторон. Испытание на шум. |
| S627-2Z-HLC | ISO | Защитные металлические шайбы с обеих сторон. Код местонахождения завода. может использоваться в стандартной комплектации. |
| S608-2Z-C3-HT240 | ISO | Внутренний зазор больше нормального. Защитные металлические шайбы с обеих сторон. High Temperature Bearing. |
| SSF608 2TS GPR J | ISO | Прессованный стальной сепаратор. Испытание на шум. Two Teflon Seals Reinforced With Z-Shields. |
| SS627-2Z GPR J G340 | ISO | Сепаратор изготовлен из нержавеющей листовой стали. Защитные металлические шайбы с обеих сторон. Испытание на шум. Longtime PD2 Lubrication -35 to +140° C. |
| SSF607-2TS GPR J G340 | ISO | Прессованный стальной сепаратор. Испытание на шум. Two Teflon Seals Reinforced With Z-Shields. Longtime PD2 Lubrication -35 to +140° C. |
| SSF608-2Z GPR J G340 | ISO | Сепаратор изготовлен из нержавеющей листовой стали. Защитные металлические шайбы с обеих сторон. Испытание на шум. Longtime PD2 Lubrication -35 to +140° C. |
| SSF698-2Z GPR J G340 | ISO | Сепаратор изготовлен из нержавеющей листовой стали. Защитные металлические шайбы с обеих сторон. Испытание на шум. Longtime PD2 Lubrication -35 to +140° C. |
| RV822X-480-P5P-6/15-G140 | ISO | AISI 440C Stainless Steel. Standard Tightly Crimped Two Piece Ribbon Cage. Класс точности. Radial Play. |
| DDR2280DD | ISO | Резиновые уплотнения с каждой стороны подшипника. |
| SS608ZZ GPR J G340 | ISO | Защитные металлические шайбы с обеих сторон. Сепаратор из стали. Испытание на шум. Longtime PD2 Lubrication -35°C to +140°C. |
Аналог нержавеющего шарикового подшипника F608H 2RS — это подшипник такого же размера dx8,Dx22,Bx7, типа и конструкции.
| Обозначение | Конструктивные особенности | Внутренний (d) | Наружный (D) | Ширина (B) |
|---|---|---|---|---|
| 5-80027 К1С9 | Шариковый радиальный однорядный подшипник. Смазка ЛЗ-31. | 7.00 | 22.00 | 7.00 |
| 5-80027 КС2 | Шариковый радиальный однорядный подшипник. «Замок» (скос) на внутреннем кольце плюс массивный сепаратор из текстолита. Смазка ЦИАТИМ-221. | 7.00 | 22.00 | 7.00 |
| 5-80027 С1 | Шариковый радиальный однорядный подшипник. Смазка ОКБ 122-7. | 7.00 | 22.00 | 7.00 |
| 6-1008 Ю | Шариковый радиальный двухрядный подшипник. Все детали или часть деталей из нержавеющей стали.. | 8.00 | 22.00 | 7.00 |
| 6-18 Л | Шариковый радиальный подшипник. Сепаратор из латуни.. | 8.00 | 22.00 | 7.00 |
| 6-18 Т2 | Шариковый радиальный однорядный подшипник. 200°. Температура отпуска. | 8.00 | 22.00 | 7.00 |
| 6-18 У | Шариковый радиальный однорядный подшипник. Дополнительные технические требования. | 8.00 | 22.00 | 7.00 |
| 6-18 УТ2 | Шариковый радиальный однорядный подшипник. Дополнительные технические требования. 200°. Температура отпуска. | 8.00 | 22.00 | 7.00 |
| 6-18 Ш | Шариковый радиальный однорядный подшипник. Нормы шумности. | 8.00 | 22.00 | 7.00 |
| 6-18 Ю3 | Шариковый радиальный однорядный подшипник. Все детали или часть деталей из нержавеющей стали.. | 8.00 | 22.00 | 7.00 |
| 6-18 Ю6Т | Шариковый радиальный подшипник. Температура отпуска. 160°. Все детали или часть деталей из нержавеющей стали.. | 8.00 | 22.00 | 7.00 |
| 6-18 Ю9 | Шариковый радиальный подшипник. Все детали или часть деталей из нержавеющей стали.. | 8.00 | 22.00 | 7.00 |
| 6-18 ЮТ | Шариковый радиальный подшипник. Температура отпуска. 160°. Все детали или часть деталей из нержавеющей стали.. | 8.00 | 22.00 | 7.00 |
| 6-18 ЮУТ | Шариковый радиальный однорядный подшипник. Дополнительные технические требования. Температура отпуска. 160°. Все детали или часть деталей из нержавеющей стали.. | 8.00 | 22.00 | 7.00 |
| 6-180018 КС17 | Шариковый радиальный однорядный подшипник. Смазка Литол-24. «Замок» (скос) на внутреннем кольце плюс массивный сепаратор из текстолита. | 8.00 | 22.00 | 7.00 |
Способы доставки
Отправка через ведущие транспортные и курьерские компании: ПЭК, Деловые Линии, СДЭК, Байкал-Сервис, Энергия, КИТ, ЖелДорЭкспедиция.
Самовывоз возможен напрямую со склада в Москве.
Сроки доставки
Срок зависит от региона и выбранной транспортной компании. Все заказы комплектуются и отправляются в кратчайшие сроки со склада в Москве.
Надёжность и сохранность
Вся продукция упаковывается с учётом требований транспортировки. Мы гарантируем, что подшипники и комплектующие прибудут к заказчику в полной сохранности.
Доставка в страны ЕАЭС
Мы работаем с проверенными логистическими партнёрами, что позволяет оперативно доставлять заказы в Беларусь, Казахстан, Армению и другие страны ЕАЭС.
Варианты оплаты:
Минимальная сумма заказа и скидки:
Документы и гарантии:
Да, конечно! Наши технические специалисты готовы помочь вам с подбором точного аналога или замены подшипника. Просто позвоните нам по телефону +7 (495) 104-99-04 или напишите на почту zakaz@podsnab.ru.
Для оперативной консультации подготовьте, пожалуйста, имеющиеся данные: маркировку, размеры, тип оборудования или артикул старого подшипника.
Да, конечно! Мы высоко ценим долгосрочное сотрудничество и доверие клиентов по всей России. Для постоянных клиентов действует персональная система скидок.
Условия формируются индивидуально и зависят от:
Чтобы узнать свои условия и получить максимально выгодное предложение, свяжитесь с персональным менеджером или напишите нам на почту zakaz@podsnab.ru.
Вы можете оформить заказ несколькими способами:
Для оформления заказа от юридического лица свяжитесь с нашим отделом по работе с корпоративными клиентами по телефону +7 (495) 104-99-04 или напишите на email zakaz@podsnab.ru, прикрепив реквизиты вашей организации.
Мы оперативно подготовим коммерческое предложение и выставим счет.
Возврат товара надлежащего качества возможен в течение 10 дней с момента получения, если товар не был в употреблении, сохранен товарный вид, упаковка не вскрывалась и присутствуют все сопроводительные документы.
Возврат денежных средств осуществляется в течение 10 рабочих дней после проверки товара складом.
В соответствии с законодательством возврату не подлежат подшипники надлежащего качества, если отсутствует оригинальная упаковка или имеются следы монтажа.
В случае выявления брака или гарантийного случая мы гарантируем возврат или обмен товара.
Да, гарантийный срок хранения устанавливается заводом-изготовителем и в среднем составляет 2 года при соблюдении условий хранения: сухое помещение, оригинальная упаковка и смазка.
Точный срок для конкретного типа подшипника уточняйте у наших менеджеров.
Пн–Пт: с 8:00 до 17:00 (МСК).
Сб–Вс: выходные дни.
Заказы на сайте принимаются круглосуточно. Заявки, поступившие после окончания рабочего дня, обрабатываются на следующий рабочий день.
Минимальная сумма заказа для доставки составляет 3000 рублей. Самовывоз со склада возможен на любую сумму при наличии товара.
ООО «УралТехГрупп»
ИНН: 7415093830
КПП: 772401001
ОГРН: 1167456069021
Банк: ПАО Сбербанк
Р/с: 40702810838000475273
К/с: 30101810400000000225
БИК: 044525225
У подшипника F608H 2RS пока нет отзывов. Вы можете стать первым покупателем, поделившимся своим мнением.