Поиск подшипника
Статьи
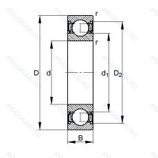
S6002.2RSR — Подшипник шариковый из нержавеющей стали, модификация основного исполнения S6002, производство FAG.
Размер подшипника: 15x32x9 мм.
Резиновые уплотнения с каждой стороны подшипника.
Альтернативное обозначение: W6002-2RS1.
Аналоги: S6002-2RSR-HLC FAG,SS6002-2RS Felstrom,S6002 2RS ZEN.
Международная стандартизации ISO
S60022RSR
В наличии
| Обозначение | Конструктивные изменения |
|---|---|
| S6002 2RS | Шариковый подшипник из нержавеющей стали. Контактное уплотение с двух сторон - только для радиальных шариковых подшипников из нержавеющей стали. |
| S6002E TA ABEC7 DUL 55N | Повышенная грузоподъемность. Комплект из 2 универсальных подшипников. Небольшой предварительный натяг. Цельный. центрированный по внешнему кольцу. механически обработанный. ламинированный. фенольный сепаратор. Класс точности ABEC 7 согласно ABMA. |
| S6002C TA ABEC7 GUL | 15° Угол контакта. Цельный. центрированный по внешнему кольцу. механически обработанный. ламинированный. фенольный сепаратор. Подшипник для универсального монтажа. Два подшипника. установленные по О-образной или Х-образной схеме. имеют лёгкий преднатяг. Класс точности ABEC 7 согласно ABMA. |
| S6002.2RSR.W203 | Резиновые уплотнения с каждой стороны подшипника. Подшипники из нержавеющей стали 1.3541M (X65Cr13). |
| S6002E TA ABEC7 DUM | 25° Угол контакта. Клетка из ламинированной фенольной смолы или полиамидный сепаратор. направляемый по внешнему кольцу. Класс точности ABEC 7 согласно Abma (используйте сегмент P4). 2 bearings. Universal Matching - Medium Preload. |
| S6002C TA HG DUL | 15° Угол контакта. Высокая точность согласно спецификации GMN. Парная установка с легким преднатягом. Клетка из ламинированной фенольной смолы или полиамидный сепаратор. направляемый по внешнему кольцу. |
| S6002C TA ABEC7 DUL | 15° Угол контакта. Парная установка с легким преднатягом. Клетка из ламинированной фенольной смолы или полиамидный сепаратор. направляемый по внешнему кольцу. Класс точности ABEC 7 согласно Abma (используйте сегмент P4). |
| S6002C TA ABEC7 UL | 15° Угол контакта. Подшипник для универсального монтажа. Два подшипника. установленные по О-образной или Х-образной схеме. имеют лёгкий преднатяг. Клетка из ламинированной фенольной смолы или полиамидный сепаратор. направляемый по внешнему кольцу. Класс точности ABEC 7 согласно Abma (используйте сегмент P4). |
| S6002E TXM ABEC7 DUM | Повышенная грузоподъемность. Класс точности ABEC 7 согласно Abma (используйте сегмент P4). Полиэфирэфиркетон (PEEK) термопласт, формованное углеродное волокно, усиленное +250°. 2 bearings. Universal Matching - Medium Preload. |
| S6002-2RSR-HLC | Резиновые уплотнения с каждой стороны подшипника. Код местонахождения завода. может использоваться в стандартной комплектации. |
| S6002.W203B | Подшипники из нержавеющей стали 1.3541M (X65Cr13). |
| S6002.2RSR.W203B | Резиновые уплотнения с каждой стороны подшипника. Подшипники из нержавеющей стали 1.3541M (X65Cr13). |
| S6002 | Подшипник шариковый из нержавеющей стали. Основное конструктивное исполнение. |
| S6002ZZ | Защитные металлические шайбы с обеих сторон. |
| S6002 2RS W203 | Резиновые уплотнения с каждой стороны подшипника. Подшипники из нержавеющей стали 1.3541M (X65Cr13). |
| S6002-HLC | Код местонахождения завода. может использоваться в стандартной комплектации. |
| S6002-2RS-FD | Резиновые уплотнения с каждой стороны подшипника. Совместимая с пищевыми продуктами смазка-наполнитель. |
| S6002-2RSR-FKM-L077-C | 15° Угол контакта. Резиновые уплотнения с каждой стороны подшипника. High Temperature Grease For High Loads. -40 To +260°. Уплотнения из фторкаучука. |
| S6002-2RSR-FD | Резиновые уплотнения с каждой стороны подшипника. Подшипник разработан для пищевой промышленности. Значительно более высокая коррозионная стойкость и стойкость к воздействию среды. |
| S6002-2Z | Защитные металлические шайбы с обеих сторон подшипника. |
| S6002-2TS | Two Teflon Seals Reinforced With Z-Shields. |
Модификации нержавеющего шарикового подшипника S6002.2RSR — это измененное основное конструктивное исполнение S6002, основные размеры (15x32x9) не отличаются.
| Обозначение | Гост | Конструктивные особенности |
|---|---|---|
| 6002VA | ISO | Нержавеющая сталь. |
| SS6002ZZ | ISO | Защитные металлические шайбы с обеих сторон. |
| 6002-H-20T1XDDU/NS7S | ISO | Стандартное заполнение. Резиновые уплотнения с каждой стороны подшипника. Полиамидный фиксатор. NS Hi Lube Grease. (NS7/ Inside With Grease. Up Than 35%. Temperature Resistance -40°C To +140°C). Коррозионностойкая нержавеющая сталь. Серия Long Life. |
| SV6002ZZST C3 | ISO | Внутренний зазор больше нормального. Защитные металлические шайбы с обеих сторон. Нержавеющая сталь. |
| SV6002ZZST | ISO | Защитные металлические шайбы с обеих сторон. Нержавеющая сталь. |
| 6002.Z15 | ISO | Replaced By Prefix S And. |
| 6002 2RS VA | ISO | Резиновые уплотнения с каждой стороны подшипника. Нержавеющая сталь. |
| W6002-2RS1/VP311 | ISO | Усиленные листовой сталью контактные уплотнения из акрилонитрил-бутадиенового каучука (NBR) с обеих сторон подшипника. Нержавеющая сталь. SKF Food Line Bearing/ Blue-Coloured Contact Seal Made Of FDA and EC Approved NBR And Lubricant (GFJ) Registered By NSF As Category H1. |
| W6002-2RS1/C2LHT23 | ISO | Внутренний зазор подшипника меньше нормального. Усиленные листовой сталью контактные уплотнения из акрилонитрил-бутадиенового каучука (NBR) с обеих сторон подшипника. Lithium Grease. Wide Range. 26 cSt @ 40°C. -50°C/+140°C. A Two-Figure Number Following LHT Identifies The Actual Grease. |
| 6002L11-H-20DDU | ISO | Резиновые уплотнения с каждой стороны подшипника. Коррозионностойкая нержавеющая сталь. Серия Long Life. Molded Oil™ General Use. |
| HYSS6002JL299 | ISO | Смазка отсутствует. |
| S16002 2RS | ISO | Резиновые уплотнения с каждой стороны подшипника. |
| 6002H TW 2RS | ISO | Два резиновых уплотнения. Нержавеющая сталь. Nylon Crown Type. |
| 6002.2RSR.Z15 | ISO | Резиновые уплотнения с каждой стороны подшипника. Replaced By Prefix S And. |
| 6002-2Z/SS | ISO | Защитные металлические шайбы с обеих сторон. Нержавеющая сталь. |
| SS6002-2TS | ISO | Two Teflon Seals Reinforced With Z-Shields. |
| 6002-H-20T1XDDUMA | ISO | Резиновые уплотнения с каждой стороны подшипника. Полиамидный фиксатор. Коррозионностойкая нержавеющая сталь. Серия Long Life. |
| W6002-2RS1/VT378 | ISO | Усиленные листовой сталью контактные уплотнения из акрилонитрил-бутадиенового каучука (NBR) с обеих сторон подшипника. Food Grade Grease With Aluminium Thickener Of Consistency 2 To The NLGI Scale For A Temperature Range -25°C/+120°C (Normal Fill Grade). |
| 6002-H-20T1XZZ | ISO | Защитные металлические шайбы с обеих сторон. Полиамидный фиксатор. Коррозионностойкая нержавеющая сталь. Серия Long Life. |
| W6002-2Z/VT378 | ISO | Защитные металлические шайбы с обеих сторон подшипника. Food Grade Grease With Aluminium Thickener Of Consistency 2 To The NLGI Scale For A Temperature Range -25°C/+120°C (Normal Fill Grade). |
Аналог нержавеющего шарикового подшипника S6002.2RSR — это подшипник такого же размера dx15,Dx32,Bx9, типа и конструкции.
| Обозначение | Конструктивные особенности | Внутренний (d) | Наружный (D) | Ширина (B) |
|---|---|---|---|---|
| 26-7000102 Ю2Т | Шариковый радиальный однорядный подшипник. Температура отпуска. 160°. Все детали или часть деталей из нержавеющей стали.. | 15.00 | 32.00 | 8.00 |
| 26-7000102 ЮТ | Шариковый радиальный однорядный подшипник. Температура отпуска. 160°. Все детали или часть деталей из нержавеющей стали.. | 15.00 | 32.00 | 8.00 |
| 36-7000102 Т2 | Шариковый радиальный однорядный подшипник. 200°. Температура отпуска. | 15.00 | 32.00 | 8.00 |
| 4-7000102 Б | Шариковый радиальный однорядный подшипник. Сепаратор из безоловянистой бронзы.. | 15.00 | 32.00 | 8.00 |
| 4-36102-КЕ | Шариковый радиально-упорный сдвоенный подшипник. «Замок» (скос) на внутреннем кольце плюс массивный сепаратор из текстолита. Сепаратор из текстолита.. | 15.00 | 32.00 | 9.00 |
| 46102К | Шариковый радиально-упорный однорядный подшипник. «Замок» (скос) на внутреннем кольце плюс массивный сепаратор из текстолита. | 15.00 | 32.00 | 9.00 |
| 5-102 К | Шариковый радиальный однорядный подшипник. «Замок» (скос) на внутреннем кольце плюс массивный сепаратор из текстолита. | 15.00 | 32.00 | 9.00 |
| 5-36102 КЕ | Шариковый радиально-упорный однорядный подшипник. «Замок» (скос) на внутреннем кольце плюс массивный сепаратор из текстолита. Сепаратор из текстолита.. | 15.00 | 32.00 | 9.00 |
| 5-6102 Е | Шариковый радиально-упорный однорядный подшипник. Сепаратор из текстолита.. | 15.00 | 32.00 | 9.00 |
| 5-6102 Е3 | Шариковый радиально-упорный однорядный подшипник. Сепаратор из пластических материалов.. | 15.00 | 32.00 | 9.00 |
| 5-7000102 Б | Шариковый радиальный однорядный подшипник. Сепаратор из безоловянистой бронзы.. | 15.00 | 32.00 | 8.00 |
| 5-7000102 БТ2 | Шариковый радиальный однорядный подшипник. 200°. Температура отпуска. Сепаратор из безоловянистой бронзы.. | 15.00 | 32.00 | 8.00 |
| 5-7000102 Т2 | Шариковый радиальный однорядный подшипник. 200°. Температура отпуска. | 15.00 | 32.00 | 8.00 |
| 5-7000102 У | Шариковый радиальный однорядный подшипник. Дополнительные технические требования. | 15.00 | 32.00 | 8.00 |
| 6-102 К | Шариковый радиальный однорядный подшипник. «Замок» (скос) на внутреннем кольце плюс массивный сепаратор из текстолита. | 15.00 | 32.00 | 9.00 |
Способы доставки
Отправка через ведущие транспортные и курьерские компании: ПЭК, Деловые Линии, СДЭК, Байкал-Сервис, Энергия, КИТ, ЖелДорЭкспедиция.
Самовывоз возможен напрямую со склада в Москве.
Сроки доставки
Срок зависит от региона и выбранной транспортной компании. Все заказы комплектуются и отправляются в кратчайшие сроки со склада в Москве.
Надёжность и сохранность
Вся продукция упаковывается с учётом требований транспортировки. Мы гарантируем, что подшипники и комплектующие прибудут к заказчику в полной сохранности.
Доставка в страны ЕАЭС
Мы работаем с проверенными логистическими партнёрами, что позволяет оперативно доставлять заказы в Беларусь, Казахстан, Армению и другие страны ЕАЭС.
Варианты оплаты:
Минимальная сумма заказа и скидки:
Документы и гарантии:
Да, конечно! Наши технические специалисты готовы помочь вам с подбором точного аналога или замены подшипника. Просто позвоните нам по телефону +7 (495) 104-99-04 или напишите на почту zakaz@podsnab.ru.
Для оперативной консультации подготовьте, пожалуйста, имеющиеся данные: маркировку, размеры, тип оборудования или артикул старого подшипника.
Да, конечно! Мы высоко ценим долгосрочное сотрудничество и доверие клиентов по всей России. Для постоянных клиентов действует персональная система скидок.
Условия формируются индивидуально и зависят от:
Чтобы узнать свои условия и получить максимально выгодное предложение, свяжитесь с персональным менеджером или напишите нам на почту zakaz@podsnab.ru.
Вы можете оформить заказ несколькими способами:
Для оформления заказа от юридического лица свяжитесь с нашим отделом по работе с корпоративными клиентами по телефону +7 (495) 104-99-04 или напишите на email zakaz@podsnab.ru, прикрепив реквизиты вашей организации.
Мы оперативно подготовим коммерческое предложение и выставим счет.
Возврат товара надлежащего качества возможен в течение 10 дней с момента получения, если товар не был в употреблении, сохранен товарный вид, упаковка не вскрывалась и присутствуют все сопроводительные документы.
Возврат денежных средств осуществляется в течение 10 рабочих дней после проверки товара складом.
В соответствии с законодательством возврату не подлежат подшипники надлежащего качества, если отсутствует оригинальная упаковка или имеются следы монтажа.
В случае выявления брака или гарантийного случая мы гарантируем возврат или обмен товара.
Да, гарантийный срок хранения устанавливается заводом-изготовителем и в среднем составляет 2 года при соблюдении условий хранения: сухое помещение, оригинальная упаковка и смазка.
Точный срок для конкретного типа подшипника уточняйте у наших менеджеров.
Пн–Пт: с 8:00 до 17:00 (МСК).
Сб–Вс: выходные дни.
Заказы на сайте принимаются круглосуточно. Заявки, поступившие после окончания рабочего дня, обрабатываются на следующий рабочий день.
Минимальная сумма заказа для доставки составляет 3000 рублей. Самовывоз со склада возможен на любую сумму при наличии товара.
ООО «УралТехГрупп»
ИНН: 7415093830
КПП: 772401001
ОГРН: 1167456069021
Банк: ПАО Сбербанк
Р/с: 40702810838000475273
К/с: 30101810400000000225
БИК: 044525225
У подшипника S6002.2RSR пока нет отзывов. Вы можете стать первым покупателем, поделившимся своим мнением.