Поиск подшипника
Статьи
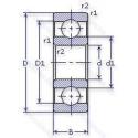
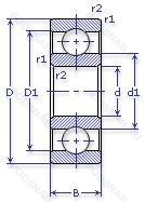
W637/3 — Подшипник шариковый из нержавеющей стали, модификация основного исполнения W637, выпускается производителями: NEUTRAL, SKF.
Размер подшипника: 3x6x3 мм.
Размерные и геометрические допуски соответствуют классу точности p6.
Аналоги: W637/3-2Z SKF.
Международная стандартизации ISO
W6373
В наличии
| Обозначение | Конструктивные изменения |
|---|---|
| W637/3-2Z | Защитные металлические шайбы с обеих сторон подшипника. Нержавеющая сталь. Размерные и геометрические допуски соответствуют классу точности P6. |
| W637/8-2Z | Защитные металлические шайбы с обеих сторон подшипника. Нержавеющая сталь. Средний предварительный натяг. |
| W637/8R-2Z | Защитные металлические шайбы с обеих сторон подшипника. Нержавеющая сталь. Flange On Bearing. |
| W637/5-2Z | Защитные металлические шайбы с обеих сторон подшипника. Distance Between Beginning Of The Rail And First Hole In MM. |
| W 637 | Нержавеющая сталь. |
| W637/4X | Нержавеющая сталь. |
| W637/4X-2Z | Защитные металлические шайбы с обеих сторон подшипника. Нержавеющая сталь. |
| W637/9-2Z | Защитные металлические шайбы с обеих сторон подшипника. Largest Fill. Нержавеющая сталь. |
| W637/5X-2ZS | Нержавеющая сталь. Z-образный сепаратор. |
| W637/5X-2Z | Защитные металлические шайбы с обеих сторон подшипника. Нержавеющая сталь. |
| W637/2-2Z | Защитные металлические шайбы с обеих сторон подшипника. Нержавеющая сталь. ISO Tolerance Class ABEC.9. |
Модификации нержавеющего шарикового подшипника W637/3 — это измененное основное конструктивное исполнение W637, основные размеры (3x6x3) не отличаются.
| Обозначение | Гост | Конструктивные особенности |
|---|---|---|
| S682Z TNH | ISO | щит из листовой прессованной стали с одной стороны подшипника. Подшипник с защелкиваемым сепаратором из пластмассы. |
| W638/2.5ZZ | ISO | Защитные металлические шайбы с обеих сторон. ISO Tolerance Class ABEC.9. |
| 692X ZZ W2,5 VA | ISO | Защитные металлические шайбы с обеих сторон. Two Piece Inner Ring. Размеры больше. чем у изделий без суффикса X (пример/ F682X = d 2.5 - D 7.1 - B 1.8 / F682 = d 2 - D 6.1 - B 1.5). Нержавеющая сталь. Distance Between Beginning Of The Rail And First Hole In MM. |
| HYSS683GPR J L299 | ISO | Сепаратор изготовлен из нержавеющей листовой стали. Испытание на шум. Смазка отсутствует. |
| S3175/002ZZ | ISO | Защитные металлические шайбы с обеих сторон. |
| SS673P5A GPR J G330 | ISO | Сепаратор изготовлен из нержавеющей листовой стали. Испытание на шум. In Some Parameters Higher Tolerance Class Than P5. Klüber Isoflex LDS 18 Special A. Temperature Range/ -50°C (-58°F)/+120°C (248°F). |
| SS68/2,35P5A GPR J | ISO | Сепаратор изготовлен из нержавеющей листовой стали. ISO Tolerance Class ABEC.9. Испытание на шум. In Some Parameters Higher Tolerance Class Than P5. |
| SS683-2TS GPR J G301 | ISO | Сепаратор изготовлен из нержавеющей листовой стали. Испытание на шум. Two Teflon Seals Reinforced With Z-Shields. Shell Alvania Grease RS - Operating Temperature Range In °C = -25°C / +120°C - Base Oil Viscosity In [cSt] = 76 / 40°C - Thickener Base = Lithium. |
| SS683-2Z GPR J G340 | ISO | Сепаратор изготовлен из нержавеющей листовой стали. Защитные металлические шайбы с обеих сторон. Испытание на шум. Longtime PD2 Lubrication -35 to +140° C. |
| SS683-2Z GPR J G330 | ISO | Сепаратор изготовлен из нержавеющей листовой стали. Защитные металлические шайбы с обеих сторон. Испытание на шум. Klüber Isoflex LDS 18 Special A. Temperature Range/ -50°C (-58°F)/+120°C (248°F). |
| SS683-2Z GPR J L027 | ISO | Сепаратор изготовлен из нержавеющей листовой стали. Защитные металлические шайбы с обеих сторон. Испытание на шум. Anderson Winsorlube L245X MIL L 6085A. Temperature Range/ -53.889°C (-65°F) to +148.889°C (+300°F). |
| SS683-2Z P4 GPR J L031 | ISO | Сепаратор изготовлен из нержавеющей листовой стали. Защитные металлические шайбы с обеих сторон. Класс точности Р4 по ISO (точнее. чем P5) - Abec.7. Испытание на шум. |
| SS69/2,5P4 GPR J L299 | ISO | Сепаратор изготовлен из нержавеющей листовой стали. ISO Tolerance Class ABEC.9. Класс точности Р4 по ISO (точнее. чем P5) - Abec.7. Испытание на шум. Смазка отсутствует. |
| SS692-2Z GPR J G401 | ISO | Сепаратор изготовлен из нержавеющей листовой стали. Защитные металлические шайбы с обеих сторон. Испытание на шум. |
| SS692GPR J L299 | ISO | Сепаратор изготовлен из нержавеющей листовой стали. Испытание на шум. Смазка отсутствует. |
| RKX206X-480-P5P-6/15-L2 | ISO | Нержавеющая сталь. Exxon Aviation Instrument Oil. Crimped Two Piece Coated Ribbon Cage. Класс точности. Radial Play. |
| ULKZ205X-48-P4P-6/15-L23 | ISO | Нержавеющая сталь. High Speed And High Temperature.Low Noise Oil. Two Piece Steel Ribbon Cage Loosely Crimped For Low Torque. Radial Play. Класс точности. |
| DDL520ZZ | ISO | Защитные металлические шайбы с обеих сторон. |
| DDR620ZZ Y52 | ISO | Защитные металлические шайбы с обеих сторон. |
| 638/3-2Z-VA | ISO | Защитные металлические шайбы с обеих сторон подшипника. Нержавеющая сталь. Размерные и геометрические допуски соответствуют классу точности P6. |
Аналог нержавеющего шарикового подшипника W637/3 — это подшипник такого же размера dx3,Dx6,Bx3, типа и конструкции.
| Обозначение | Конструктивные особенности | Внутренний (d) | Наружный (D) | Ширина (B) |
|---|---|---|---|---|
| 502-3080092-УС21 | Шариковый радиальный однорядный подшипник. Дополнительные технические требования. Смазка ЭРА. | 2.00 | 6.00 | 3.00 |
| 504-2000083-Ю5Т | Шариковый радиальный однорядный подшипник. Температура отпуска. 160°. Все детали или часть деталей из нержавеющей стали.. | 3.00 | 7.00 | 2.50 |
| 5М4-1840083 Ю1Т | Шариковый радиальный однорядный подшипник. Температура отпуска. 160°. Все детали или часть деталей из нержавеющей стали.. | 3.00 | 7.00 | 2.00 |
| 5М4-2076083 Е1 | Роликовый радиальный-упорный однорядный подшипник. Сепаратор из текстолита.. | 3.00 | 7.00 | 2.50 |
| 5М4-2076083 Е1П | Шариковый радиально-упорный однорядный подшипник. Сепаратор из текстолита.. | 3.00 | 7.00 | 2.70 |
| 5М4-2076083 ЮТ | Роликовый радиальный-упорный однорядный подшипник. Температура отпуска. 160°. Все детали или часть деталей из нержавеющей стали.. | 3.00 | 7.00 | 2.70 |
| 5М4-2076083 ЮТП | Шариковый радиально-упорный однорядный подшипник. Температура отпуска. 160°. Все детали или часть деталей из нержавеющей стали.. | 3.00 | 7.00 | 2.70 |
| 5М4-2076083 ЮУТ | Роликовый радиальный-упорный однорядный подшипник. Дополнительные технические требования. Температура отпуска. 160°. Все детали или часть деталей из нержавеющей стали.. | 3.00 | 7.00 | 2.70 |
| 5М5-2000083 | Шариковый радиальный однорядный подшипник. Модифицированный контакт.. | 3.00 | 7.00 | 2.50 |
| 6-1000092 Ю2Т | Шариковый радиальный однорядный подшипник. Температура отпуска. 160°. Все детали или часть деталей из нержавеющей стали.. | 2.00 | 6.00 | 2.30 |
| 6-1000092 ЮТ | Шариковый радиальный однорядный подшипник. Температура отпуска. 160°. Все детали или часть деталей из нержавеющей стали.. | 2.00 | 6.00 | 2.30 |
| 6-2000083 Т2 | Шариковый радиальный однорядный подшипник. 200°. Температура отпуска. | 3.00 | 7.00 | 2.50 |
| 6-2000083 Ю5Т | Шариковый радиальный однорядный подшипник. Температура отпуска. 160°. Все детали или часть деталей из нержавеющей стали.. | 3.00 | 7.00 | 2.50 |
| 6-2000083 Ю6Т | Шариковый радиальный однорядный подшипник. Температура отпуска. 160°. Все детали или часть деталей из нержавеющей стали.. | 3.00 | 7.00 | 2.50 |
| 6-2000083 ЮТ | Шариковый радиальный однорядный подшипник. Температура отпуска. 160°. Все детали или часть деталей из нержавеющей стали.. | 3.00 | 7.00 | 2.50 |
Способы доставки
Отправка через ведущие транспортные и курьерские компании: ПЭК, Деловые Линии, СДЭК, Байкал-Сервис, Энергия, КИТ, ЖелДорЭкспедиция.
Самовывоз возможен напрямую со склада в Москве.
Сроки доставки
Срок зависит от региона и выбранной транспортной компании. Все заказы комплектуются и отправляются в кратчайшие сроки со склада в Москве.
Надёжность и сохранность
Вся продукция упаковывается с учётом требований транспортировки. Мы гарантируем, что подшипники и комплектующие прибудут к заказчику в полной сохранности.
Доставка в страны ЕАЭС
Мы работаем с проверенными логистическими партнёрами, что позволяет оперативно доставлять заказы в Беларусь, Казахстан, Армению и другие страны ЕАЭС.
Варианты оплаты:
Минимальная сумма заказа и скидки:
Документы и гарантии:
Да, конечно! Наши технические специалисты готовы помочь вам с подбором точного аналога или замены подшипника. Просто позвоните нам по телефону +7 (495) 104-99-04 или напишите на почту zakaz@podsnab.ru.
Для оперативной консультации подготовьте, пожалуйста, имеющиеся данные: маркировку, размеры, тип оборудования или артикул старого подшипника.
Да, конечно! Мы высоко ценим долгосрочное сотрудничество и доверие клиентов по всей России. Для постоянных клиентов действует персональная система скидок.
Условия формируются индивидуально и зависят от:
Чтобы узнать свои условия и получить максимально выгодное предложение, свяжитесь с персональным менеджером или напишите нам на почту zakaz@podsnab.ru.
Вы можете оформить заказ несколькими способами:
Для оформления заказа от юридического лица свяжитесь с нашим отделом по работе с корпоративными клиентами по телефону +7 (495) 104-99-04 или напишите на email zakaz@podsnab.ru, прикрепив реквизиты вашей организации.
Мы оперативно подготовим коммерческое предложение и выставим счет.
Возврат товара надлежащего качества возможен в течение 10 дней с момента получения, если товар не был в употреблении, сохранен товарный вид, упаковка не вскрывалась и присутствуют все сопроводительные документы.
Возврат денежных средств осуществляется в течение 10 рабочих дней после проверки товара складом.
В соответствии с законодательством возврату не подлежат подшипники надлежащего качества, если отсутствует оригинальная упаковка или имеются следы монтажа.
В случае выявления брака или гарантийного случая мы гарантируем возврат или обмен товара.
Да, гарантийный срок хранения устанавливается заводом-изготовителем и в среднем составляет 2 года при соблюдении условий хранения: сухое помещение, оригинальная упаковка и смазка.
Точный срок для конкретного типа подшипника уточняйте у наших менеджеров.
Пн–Пт: с 8:00 до 17:00 (МСК).
Сб–Вс: выходные дни.
Заказы на сайте принимаются круглосуточно. Заявки, поступившие после окончания рабочего дня, обрабатываются на следующий рабочий день.
Минимальная сумма заказа для доставки составляет 3000 рублей. Самовывоз со склада возможен на любую сумму при наличии товара.
ООО «УралТехГрупп»
ИНН: 7415093830
КПП: 772401001
ОГРН: 1167456069021
Банк: ПАО Сбербанк
Р/с: 40702810838000475273
К/с: 30101810400000000225
БИК: 044525225
У подшипника W637/3 пока нет отзывов. Вы можете стать первым покупателем, поделившимся своим мнением.